- 您的位置:
- 标准下载网 >>
- 标准分类 >>
- 轻工行业标准(QB) >>
- QB/T 5254—2018 天然植物材料熏香檀香
标准号:
QB/T 5254—2018
标准名称:
天然植物材料熏香檀香
标准类别:
轻工行业标准(QB)
标准状态:
现行出版语种:
简体中文下载格式:
.zip .pdf下载大小:
1.84 MB
点击下载
标准简介:
QB/T 5254—2018.Natural plant material incense-Sandalwood.
1范围
QB/T 5254规定了天然植物材料熏香中檀香的术语和定义、分类、要求、试验方法、检验规则、标志、包装、运输、贮存。
QB/T 5254适用于天然植物材料熏香中檀香。2规范性引用文件
下列文件对于本文件的应用是必不可少的。凡是注日期的引用文件,仅注日期的版本适用于本文件。凡是不注日期的引用文件,其最新版本(包括所有的修改单)适用于本文件。
GB/T 191包装储运图示标志
GB/T 2828.1一2012计数抽样检验程序﹑第1部分:按接收质量限(AQL)检索的逐批检验抽样计划
GB/T 2829-2002周期检验计数抽样程序及表(适用于对过程稳定性的检验)GB 26386-2011燃香类产品安全通用技术条件
GB/T 26393燃香类产品有害物质测试方法QB/T 1692.4-2010卫生香
3术语和定义
下列术语和定义适用于本文件。
3.1
天然植物材料熏香檀香natural plant material incense sandalwood
以天然檀香(粉末或精油)为主要材料与天然制香辅料混合制作的熏香类檀香产品。
3.2
直线度straightness
线香或竹枝香最凹处至最凸处的长度占香体总长度的百分比。
4分类
按产品形状分为:线香、盘香、竹枝香、异形香。
5要求
5.1外观和感官
5.1.1 香体粗细均匀,无断裂、变形和缺损。
5.1.2色泽均匀,无霉变,具有檀香特有的气味。
5.1.3符合产品所标注的形状。
5.2直线度
线香直线度不应大于3%:竹枝香直线度不应大于6%。
5.3燃点时间
不应少于明示时间。
5.4脱圈性
盘香按6.4规定方法进行脱圈,香体不应断裂。
部分标准内容:
分类号:Y40
备案号:53724-2018
中华人民共和国轻工行业标准
QB/T5254-2018
天然植物材料熏香
Natural plant material incense-Sandalwood2018-05-08发布
中华人民共和国工业和信息化部2018-09-01实施
本标准按照GB/T1.1一2009给出的规则起草。本标准由中国轻工业联合会提出。QB/T5254-2018
本标准由全国家用卫生杀虫用品标准化技术委员会燃香产品分技术委员会(SAC/TC311/SC1)归口。本标准起草单位:河北古城香业集团股份有限公司、福建兴隆香业有限公司、福建省沉瑜香香文化开发有限公司、福建永春县达埔彬达制香厂有限公司、福建金丰香业有限公司、永春县达埔联发香业有限公司、福建省香产品质量检验中心、河北省燃香产品质量监督检验中心本标准主要起草人:杨雪明、杨兰英、陈金凤、庄颜瑜、曾建全、林云勇、林清海、林文溪杨雪艳、魏长宇、陈婷、杨铁柱、尤龙杰。本标准为首次发布。
1范围
天然植物材料熏香檀香
QB/T5254-2018
本标准规定了天然植物材料熏香中檀香的术语和定义、分类、要求、试验方法、检验规则、标志、包装、运输、贮存。
本标准适用于天然植物材料熏香中檀香。2规范性引用文件
下列文件对于本文件的应用是必不可少的。凡是注日期的引用文件,仅注日期的版本适用于本文件。凡是不注日期的引用文件,其最新版本(包括所有的修改单)适用于本文件。GB/T191包装储运图示标志
GB/T2828.1一2012计数抽样检验程序第1部分:按接收质量限(AQL)检索的逐批检验抽样计GB/T2829一2002周期检验计数抽样程序及表(适用于对过程稳定性的检验)GB26386-2011燃香类产品安全通用技术条件GB/T26393燃香类产品有害物质测试方法QB/T1692.4—2010卫生香
3术语和定义
下列术语和定义适用于本文件。3.1
天然植物材料熏香檀香
F natural plant material incense sandalwood以天然檀香(粉末或精油)为主要材料与天然制香辅料混合制作的熏香类檀香产品。3.2
直线度straightness
线香或竹枝香最凹处至最凸处的长度占香体总长度的百分比。4分类
按产品形状分为:线香、盘香、竹枝香、异形香。5要求
5.1外观和感官
5.1.1香体粗细均匀,无断裂、变形和缺损。5.1.2色泽均匀,无霉变,具有檀香特有的气味。5.1.3符合产品所标注的形状。
5.2直线度
线香直线度不应大于3%;竹枝香直线度不应大于6%。5.3燃点时间
不应少于明示时间。
5.4脱圈性
盘香按6.4规定方法进行脱圈,香体不应断裂。1
QB/T5254—2018
5.5燃烧性能
点燃后中途不应熄灭。
5.6含水率
含水率不应大于10%。
5.7产品安全
产品点燃吹灭火焰后,不应再产生可见的火焰。5.8有害物质限量
应符合GB26386一2011中5.4的要求。5.9烟尘量
应符合GB26386一2011中5.5的要求。5.10特征成分
产品应同时含有:Zz-α-檀香醇、反式-α-香柠檬醇、epi-β-檀香醇、z-β-檀香醇4种成分。6试验方法
6.1外观和感官
目测和嗅觉判断。
6.2直线度
按QB/T1692.4—2010中5.2规定的方法进行测试。6.3燃点时间
按QB/T1692.4一2010中5.3规定的方法进行测试。6.4脱圈性
按QB/T1692.4—2010中5.5规定的方法进行测试。6.5燃烧性能
按QB/T1692.4一2010中5.6规定的方法进行测试。6.6含水率
按QB/T1692.4一2010中5.7规定的方法进行测试。6.7产品安全
按QB/T1692.4-2010中5.8规定的方法进行测试。6.8有害物质限量
按GB/T26393规定的方法进行测试。6.9烟尘量
按GB/T26393规定的方法进行测试。6.10特征成分鉴定
按附录A规定的方法进行测试。
7检验规则
7.1出厂检验
7.1.1产品应经生产厂质量检验部门按本标准检验合格后方可出厂,并应附有使用说明和检验合格证。
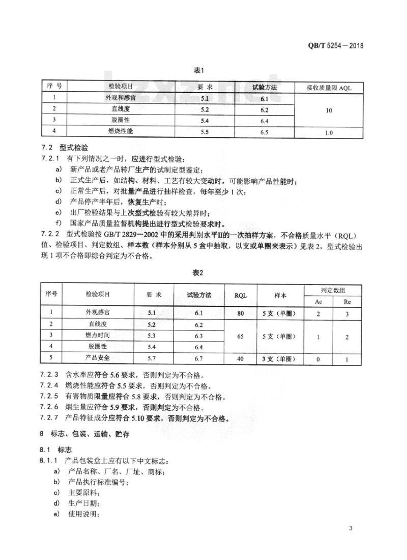
7.1.2凡提出交货的产品均应进行出厂检验。出厂检验采用GB/T2828.1一2012中的一般检查水平ⅡI的正常检验一次抽样方案,其检验项目、要求、试验方法及接收质量限AQL见表1。2
型式检验
检验项目
外观和感官
直线度
脱圈性
燃烧性能
7.2.1有下列情况之一时,应进行型式检验:a)
新产品或老产品转厂生产的试制定型鉴定:试验方法
正式生产后,如结构、材料、工艺有较大变动时,可能影响产品性能时;正常生产后,对批量产品进行抽样检查,每年至少1次:产品停产半年后,恢复生产时:d)
出厂检验结果与上次型式检验有较大差异时:e
国家产品质量监督机构提出进行型式检验要求时。f
QB/T5254—2018
接收质量限AQL
7.2.2型式检验按GB/T2829一2002中的采用判别水平Ⅱ的一次抽样方案,不合格质量水平(RQL)值、检验项目、判定数组、样本数(样本分别从5盒中抽取,以支或单圈来表示)见表2,型式检验出现1项不合格即综合判定为不合格。表2
检验项目
外观感官
直线度
燃点时间
脱圈性
产品安全
试验方法
含水率应符合5.6要求,否则判定为不合格。燃烧性能应符合5.5要求,否则判定为不合格。有害物质限量应符合5.8要求,否则判定为不合格。烟尘量应符合5.9要求,否则判定为不合格。产品特征成分应符合5.10要求,否则判定为不合格。7.2.7
8标志、包装、运输、贮存bzxz.net
8.1标志
8.1.1产品包装盒上应有以下中文标志:a)
产品名称、厂名、厂址、商标;产品执行标准编号:
主要原料:
生产日期:
使用说明:
5支(单圈)
5支(单圈)
3支(单圈)
判定数组
QB/T5254-2018
质量或数量:
合格标识:
燃点时间(如有明示)。
外包装标识符合GB/T191的规定,并应有如下中文标志:产品名称、厂名、厂址、商标:规格、数量或质量:
防潮等规定。
包装应牢固,无破损。
3运输
产品在搬运时应轻取轻放,防止剧烈震动、日晒雨淋和重压。8.4贮存
产品应贮存在干燥通风的仓库内,不应靠近明火。4
A.1原理
附录A
(规范性附录)
天然檀香产品中特征成分实验方法QB/T52542018
样品经乙醇萃取后,通过气相色谱仪分析,以保留时间定性,确定待测样品的特征成分。A.2材料与方法
A.2.1试剂
无水乙醇(色谱纯)。
A.2.2仪器
a)气相色谱仪(具氢火焰离子化检测器):色谱柱:30mx320umx0.25um,内涂(5%-苯基)-甲基聚硅氧烷毛细管柱;b)
植物粉碎机:
电子分析天平(精度0.01g):
振荡器;
100mL具塞三角瓶
5mL样品瓶:
60目分样筛;
1μL进样器。
A.2.3色谱条件
载气:N2;
载气流量:1mL/min:
分流比:50:1:
-进样量:1μL;
-FID检测器温度:300℃:
一进样口温度:250℃;
程序升温:初温70℃,保持10min,RATE:2K/min,终温:220℃,保持10min。上述操作参数是典型的,可根据仪器特点对操作参数做适当调整,以获得最佳效果。A.2.4方法及步骤
A.2.4.1将待测样品用植物粉碎机进行粉碎,过60目分样筛,取3g香粉(精确到0.01g)于100mL具塞三角瓶中,加入15mL无水乙醇,于振荡器上震荡10min,然后静置30min,过滤,取上层清液5mL于样品瓶中,密封,备用。
A.2.4.2将清液按色谱条件(A.2.3)进行分析,以保留时间定性。A.3结果与判定
A.3.1在上述色谱条件下,天然檀香类产品的谱图如图A.1所示:5
QB/T5254—2018
说明:
-z-α-檀香醇:
2——反式-a-香柠檬醇:
3epi-β-檀香醇:
4—z-β-檀香醇。
图A.1天然檀香类产品谱图
A.3.2天然檀香的特征组分及其相对保留时间,如表A.1所示。表A.1天然檀香的特征组分及其保留时间峰号
特征组分
z-a-檀香醇
反式-α-香柠檬醇
epi-β-檀香醇
Z-β-檀香醇
注1:以1号峰为参照峰(保留时间为53.3min~53.9min)60
相对保留时间
1.0134~1.0167
1.0246~1.0280
1.03951.0414
注2:此表中的保留时间是按照A.2.3的色谱条件下获得的,采用不同的仪器或条件,保留时间会有变动。6
(e/min)
小提示:此标准内容仅展示完整标准里的部分截取内容,若需要完整标准请到上方自行免费下载完整标准文档。
标准图片预览:





- 热门标准
- QB轻工标准
- QB/T5302-2018 生活用干纸巾流延聚乙烯(CPE) 包装膜
- QB/T2833-2006 运动营养食品 能量控制食品
- QB/T1640-1992 陶瓷模用石膏粉物理性能测试方法
- QB/T4701-2014 毛发护理器具环境意识设计导则
- QB/T1949-2004 扬琴
- QB/T2421-1998 铝及铝合金不粘锅
- QB/T2173-2001 尼龙拉链
- QB/T2094.5-1995 鸡尾锯
- QB/T1272-2012 毛皮 化学试验样品的准备
- QB/T1334-2013 水嘴通用技术条件
- QB6005-1992 麦芽厂设计规范
- QB/T4704-2014 腿脚按摩器
- QB/T1753.3-1993 轻机产品图样及设计文件规定格式及填写要求
- QB/T1819-1993 R6纸板电池生产线
- QB/T2058-1994 照相灯泡
- 行业新闻
网站备案号:湘ICP备2025141790号-2