- 您的位置:
- 标准下载网 >>
- 标准分类 >>
- 轻工行业标准(QB) >>
- QB/T 5154—2017 聚乙烯地下埋设物行踪标识带
标准号:
QB/T 5154—2017
标准名称:
聚乙烯地下埋设物行踪标识带
标准类别:
轻工行业标准(QB)
标准状态:
现行出版语种:
简体中文下载格式:
.zip .pdf下载大小:
1.78 MB
点击下载
标准简介:
QB/T 5154—2017.Track identification tape of polyethylene for underground installation.
4.7剥离力
按GB/T 8946-2013中7.3.5的规定进行试验,沿长度方向距边缘不小于10 mm取样。
4.8耐热性
按GB/T 8946-2013中7.4的规定进行试验。4.9耐腐蚀性
4.9.1所需试剂
a)1ow-40机油;b)10%硫酸溶液:
以配制总质量为100g的10%硫酸溶液为例,用电子天平称取浓度为98%硫酸溶液10.2 g,缓缓注入89.8 g去离子水中并不断搅拌,冷却之后倒入密闭容器中备用。
b)10%氢氧化钠溶液:
以配制总质量为 100 g的10%氢氧化钠溶液为例,用电子天平称取氢氧化钠10 g,去离子水90g,分次用去离子水将氢氧化钠溶解并不断搅拌,冷却之后过滤,倒入密闭容器中备用。5%氯化钠溶液:
以配制总质量为100g 的5%氯化钠溶液为例,用电子天平称取氯化钠5 g,去离子水95 g,用去离子水将氯化钠溶解并不断搅拌,过滤,倒入密闭容器中备用。
4.9.2试样制备
沿标识带纵向切割试样样品8块,长150 mm,宽150 mm,保证每块试样都包含标识带颜色和印刷文字、标识。
4.9.3 试验步骤
a)将试样浸泡于试剂中,不应折叠、卷曲;
b)在(23土2)℃的避光环境中浸泡240 h;
c)取出试样用蒸馏水冲洗表面,自然光下目测检验试样。
5检验规则
5.1组批
以批为单位进行验收,同一配方、同一工艺条件、同一规格连续生产的产品30 t为一批,如果连续生产1周,产量不足30 t,以一周产量为一批。
5.2抽样
5.2.1外观、颜色、印刷标识、尺寸
按GB/T 2828.1一2012规定的正常检验一次抽样方案,采用一般检查水平I,接收质量限(AQL)6.5,见表4。
部分标准内容:
分类号:Y28
备案号:59715-2017
中华人民共和国轻工行业标准
QB/T5154—2017
聚乙烯地下埋设物行踪标识带
Track identification tape of polyethylene for underground installation2017-07-07发布
中华人民共和国工业和信息化部2018-01-01实施
本标准按照GB/T1.1-2009给出的规则起草本标准由中国轻工业联合会提出。本标准由全国塑料制品标准化技术委员会(SAC/TC48)归口。QB/T5154-2017
本标准起草单位:青岛厚科信息工程有限公司、北京益奥克信息技术有限公司、青岛科技大学、青岛大学、青岛产品质量监督检验研究院、青岛恒光丰塑料包装有限公司、重庆梅安森科技股份有限公司、北京乙芯科技股份有限公司、青岛金明生态农业发展有限公司。本标准主要起草人:解思亮、陈勇、李少香、谷正、刘常华、赵洪波、刘桂鑫、解啸腾、赵功溢、张秋羽、华爱民。
本标准为首次发布。
1范围
聚乙烯地下理设物行踪标识带
QB/T5154—2017
本标准规定了聚乙烯地下埋设物行踪标识带的要求、试验方法、检验规则、标志、包装、运输和贮存。
本标准适用于以聚乙烯为主要原料,经挤出、拉伸成扁丝,编织、印刷、覆膜、打褶而成的聚乙烯地下埋设物行踪标识带,用于各类地下管线及埋设物用行踪标识带(以下简称“标识带”)。2规范性引用文件
下列文件对于本文件的应用是必不可少的。凡是注日期的引用文件,仅所注日期的版本适用于本文件。凡是不注日期的引用文件,其最新版本(包括所有的修改单)适用于本文件。GB/T2828.1一2012计数抽样检验程序第1部分:按接收质量限(AQL)检索的逐批检验抽样计划
GB/T6673-2001塑料薄膜和薄片长度和宽度的测定GB/T89462013塑料编织袋通用技术要求漆膜颜色标准样卡
GSB05-1426-2001
3要求
3.1外观
标识带表面编织均匀,字迹清晰。3.2颜色
应与地下管道种类相适应,颜色要求见附录A,颜色不应有明显色差。3.3印刷标识
印刷内容距标识带上下边缘的距离大于20mm,管线名称印刷文字字号不小于130磅,字间距不大于50mm,印刷单元之间的距离不大于60mm。埋设深度内容和管线权属部门电话字体使用黑体,字号不小于34磅。3.4长度和宽度
长度和宽度应符合表1的规定。
表1尺寸
宽度/mm
长度%m
“表中长度为打褶后的长度。
3.5接头数和接头长度
极限偏差
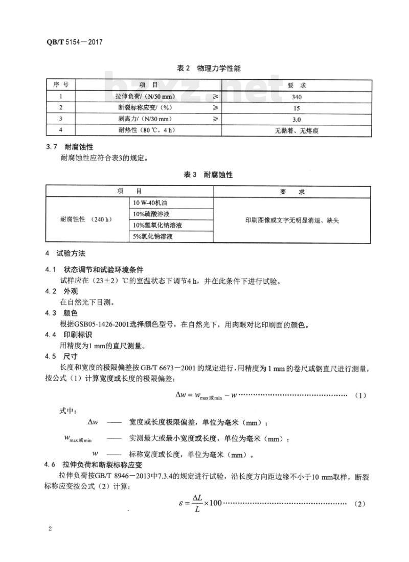
长度为100m的标识带接头数不应多于2个,长度为200m的标识带接头数不应多于4个。每个接头长度,最小不应小于1个完整的印刷循环。3.6物理力学性能
物理力学性能应符合表2的规定。1
QB/T5154—2017
耐腐蚀性
拉伸负荷/(N/50mm)
断裂标称应变/(%)
剥离力/(N/30mm)
耐热性(80℃,4h)
耐腐蚀性应符合表3的规定。
耐腐蚀性(240h)
试验方法
10W-40机油
10%硫酸溶液
表2物理力学性能
表3耐腐蚀性
10%氢氧化钠溶液
5%氯化钠溶液
状态调节和试验环境条件
无黏着、无熔痕
印刷图像或文字无明显消退、缺失试样应在(23土2)℃的室温状态下调节4h,并在此条件下进行试验。4.2外观
在自然光下目测。
4.3颜色
根据GSB05-1426-2001选择颜色型号,在自然光下,用肉眼对比印刷面的颜色。4.4印刷标识
用精度为1mm的直尺测量。
4.5尺寸
长度和宽度的极限偏差按GB/T6673一2001的规定进行,用精度为1mm的卷尺或钢直尺进行测量,按公式(1)计算宽度或长度的极限偏差:Aw=Wmax或min
式中:
Wmax或min
宽度或长度极限偏差,单位为毫米(mm):实测最大或最小宽度或长度,单位为毫米(mm):标称宽度或长度,单位为毫米(mm)。4.6拉伸负荷和断裂标称应变
拉伸负荷按GB/T8946一2013中7.3.4的规定进行试验,沿长度方向距边缘不小于10mm取样,断裂标称应变按公式(2)计算:
式中:
4.7剥离力
断裂标称应变,%:
夹具间距离的增量,单位为毫米(mm):夹具间的初始距离,单位为毫米(mm)。QB/T5154-2017
按GB/T8946一2013中7.3.5的规定进行试验,沿长度方向距边缘不小于10mm取样。4.8耐热性
按GB/T8946—2013中7.4的规定进行试验。4.9耐腐蚀性
4.9.1所需试剂
a)10W-40机油:
10%硫酸溶液:
以配制总质量为100g的10%硫酸溶液为例,用电子天平称取浓度为98%硫酸溶液10.2g,缓缓注入89.8g去离子水中并不断搅拌,冷却之后倒入密闭容器中备用。10%氢氧化钠溶液:
以配制总质量为100g的10%氢氧化钠溶液为例,用电子天平称取氢氧化钠10g;去离子水90g,分次用去离子水将氢氧化钠溶解并不断搅拌,冷却之后过滤,倒入密闭容器中备用。d)5%氯化钠溶液:
以配制总质量为100g的5%氯化钠溶液为例,用电子天平称取氯化钠5g,去离子水95g,用去离子水将氯化钠溶解并不断搅拌,过滤,倒入密闭容器中备用。4.9.2试样制备
沿标识带纵向切割试样样品8块,长150mm,宽150mm,保证每块试样都包含标识带颜色和印刷文字、标识。
4.9.3试验步骤
a)将试样浸泡于试剂中,不应折叠、卷曲:b)在(23士2)℃的避光环境中浸泡240h;c)取出试样用蒸馏水冲洗表面,自然光下目测检验试样。5检验规则
5.1组批
以批为单位进行验收,同一配方、同一工艺条件、同一规格连续生产的产品30t为一批,如果连续生产1周,产量不足30t,以一周产量为一批。5.2抽样
5.2.1外观、颜色、印刷标识、尺寸按GB/T2828.1一2012规定的正常检验一次抽样方案,采用一般检查水平I,接收质量限(AQL)6.5,见表4。
表4抽样方案
单位为卷
501~1200
1201~3200
3201~10000
样本量
接收数Ac
拒收数Re
QB/T5154—2017
5.2.2物理力学性能
从5.2.1检验合格的每批样本中随机抽取任一个样本进行试验。5.3出厂检验
出厂检验项目为3.1、3.2、3.3、3.4、3.5、3.6规定的所有项目。5.4型式检验
型式检验项目为第3章要求的全部项目,正常情况下每年进行1次型式检验,有下列情况之一时,也应进行型式检验:
新产品或老产品转厂生产的试制定型鉴定:a)
正式生产后,如结构、材料、工艺有较大改变,可能影响产品性能时;b)
产品长期停产后,恢复生产时;c
出厂检验结果与上次型式检验有较大差异时:d
e)国家质量监督机构提出进行型式检验的要求。5.5判定规则
标识带经检验合格,则判整批产品合格。若检验中有1项指标不合格可加倍抽样对该项进行复验。若仍不合格,则判整批产品不合格。6标志、包装、运输和贮存
6.1标志
外包装应至少包括以下内容:产品名称、用途、本标准编号、生产日期或批号、使用说明、地址、生产企业名称、邮编、联系电话、出厂合格证。6.2包装
标识带用编织袋或纸箱装,每袋或每箱6卷。6.3运输
标识带运输时不应在阳光下曝晒或雨淋;远离火源、热源:保持清洁、干燥,不应污染:保持包装完整。
6.4贮存
标识带应放置于清洁、阴凉、干燥的通风室内贮存,远离火源、热源。贮存期自生产之日起不超过2年,当超过规定的贮存期后,经出厂检验合格方可使用。4
地下管道种类
附录A
(规范性附录)bZxz.net
颜色要求
颜色要求
标识带颜色
通讯电缆、光缆/电信通讯电缆、光缆/移动通讯电缆、光缆/联通通讯电缆、光缆
军用通讯电缆、光缆
高压电缆
低压电缆/交通信号线缆/路灯线缆/闭路电视线缆自来水管道
中水管道
农业用水管道
下水管道/污水管道/雨污水管道雨水管道/绿化水管道
煤制气管道
天然气管道/氢气管道/乙炔管道石油管道
消防管道
废气管道
暖气管道/热水管道/蒸汽管道
淡玫瑰
天(铁)蓝
淡天(酞)蓝
淡粉红
QB/T5154-2017
标识带颜色编号
字体颜色
小提示:此标准内容仅展示完整标准里的部分截取内容,若需要完整标准请到上方自行免费下载完整标准文档。
标准图片预览:





- 其它标准
- 热门标准
- QB轻工标准
- QB/T5302-2018 生活用干纸巾流延聚乙烯(CPE) 包装膜
- QB/T2833-2006 运动营养食品 能量控制食品
- QB/T1334-2013 水嘴通用技术条件
- QB/T1640-1992 陶瓷模用石膏粉物理性能测试方法
- QB/T1272-2012 毛皮 化学试验样品的准备
- QB/T2049.5-1994 电光源玻壳K型玻壳尺寸系列
- QB1872-1993 服装用皮革
- QB/T4701-2014 毛发护理器具环境意识设计导则
- QB/T2609-2003 工业缝纫机漏油的测试方法 第1部分:平缝纫机漏油的测试方法
- QB/T2816-2006 工业用缝纫机单(双)针下送料立柱式平缝机机头
- QB/T4427-2012 芸香浸膏 枫香树脂提取物
- QB∕T2919-2018 箱包 拉杆耐疲劳试验方法
- QB6005-1992 麦芽厂设计规范
- QB/T5302-2018 生活用干纸巾流延聚乙烯(CPE) 包装膜
- QB/T2421-1998 铝及铝合金不粘锅
- 行业新闻
网站备案号:湘ICP备2025141790号-2