- 您的位置:
- 标准下载网 >>
- 标准分类 >>
- 轻工行业标准(QB) >>
- QB/T 5143—2017 湿法水性聚氨酯合成革
标准号:
QB/T 5143—2017
标准名称:
湿法水性聚氨酯合成革
标准类别:
轻工行业标准(QB)
标准状态:
现行出版语种:
简体中文下载格式:
.zip .pdf下载大小:
2.75 MB
点击下载
标准简介:
QB/T 5143—2017.Wet type water-based polyurethane synthetic leather.
1范围
QB/T 5143规定了湿法水性聚氨酯合成革的产品分类、要求、试验方法、检验规则及标志、包装、运输、贮存。
QB/T 5143适用于以基布、水性聚氨酯树脂为主要原料,经湿法加工工艺制成的水性聚氨酯合成革。2规范性引用文件
下列文件对于本文件的应用是必不可少的。凡是注日期的引用文件,仅注日期的版本适用于本文件。凡是不注日期的引用文件,其最新版本(包括所有的修改单)适用于本标准。
GB/T250--2008纺织品色牢度试验评定变色用灰色样卡
GB/T 2828.1一2012计数抽样检验程序第Ⅰ部分:按接收质量限(AQL)检索的逐批检验抽样计划
GB/T 2918-1998塑料试样状态调节和试验的标准环境GB/T 3920—2008纺织品色牢度试验耐摩擦色牢度GB/T 3922-2013纺织品色牢度试验耐汗渍色牢度
GB/T 17593.1—2006纺织品﹑重金属的测定瞭第1部分:原子吸收分光光度法GB/T 17593.3—2006纺织品﹑重金属的测定瞭第3部分:六价铬﹑分光光度法GB/T 19089-2012橡胶或塑料涂覆织物耐磨性的测定︰马丁代尔法
GB/T 19942—2005皮革和毛皮瞭化学试验禁用偶氮染料的测定GB/T 20382-2006纺织品致癌染料的测定
GB/T 20383—2006纺织品致敏性分散染料的测定GB/T 20385—2006纺织品有机锡化合物的测定
HG/T 2580一2008橡胶或塑料涂覆织物拉伸强度和拉断伸长率的测定QB/T 2714一2005皮革物理和机械试验耐折牢度的测定
QB/T 4342一2012服装用聚氨酯合成革安全要求
QB/T 4671—2014人造革合成革试验方法耐水解的测定QB/T 4672-2014人造革合成革试验方法﹑耐黄变的测定QB/T 5157—2017人造革合成革试验方法颜色迁移性的测定3产品分类
产品按基布分类,见表1。
部分标准内容:
分类号:Y47
备案号:59704-2017
中华人民共和国轻工行业标准
QB/T5143-2017
湿法水性聚氨酯合成革
Wet type water-based polyurethane synthetic leather2017-07-07发布
中华人民共和国工业和信息化部发布
2018-01-01实施
本标准按照GB/T1.1一2009给出的规则起草。本标准由中国轻工业联合会提出。本标准由全国塑料制品标准化技术委员会(SAC/TC48)归口。本标准主要起草单位:兰州科天新材料股份有限公司。QB/T5143-2017
本标准参与起草单位:合肥科天水性科技有限责任公司、江苏东泰聚合材料有限公司、浙江申腾涂层织物有限公司、昆山协孚新材料股份有限公司、温州市长丰人造革有限公司、轻工业标准化研究所、浙江禾欣新材料有限公司、昆山华富新材料股份有限公司、福建海川塑胶有限公司、南亚塑胶工业(惠州)有限公司、苏州市信测标准技术服务有限公司。本标准主要起草人:戴家兵、李维虎、朱有奎、祝彬、赵曦、刘齐松、张磊、张凤、邵晨旭、徐一刻、袁奇、般英。
本标准为首次发布。
湿法水性聚氨酯合成革
QB/T5143-2017
本标准规定了湿法水性聚氨酯合成革的产品分类、要求、试验方法、检验规则及标志、包装、运输、贮存。
本标准适用于以基布、水性聚氨酯树脂为主要原料,经湿法加工工艺制成的水性聚氨酯合成革。规范性引用文件
下列文件对于本文件的应用是必不可少的。凡是注日期的引用文件,仅注日期的版本适用于本文件。凡是不注日期的引用文件,其最新版本(包括所有的修改单)适用于本标准。GB/T250一2008纺织品色牢度试验评定变色用灰色样卡GB/T2828.1一2012计数抽样检验程序第1部分:按接收质量限(AQL)检索的逐批检验抽样计划
8塑料试样状态调节和试验的标准环境GB/T2918-1998
GB/T3920-2008
纺织品色牢度试验耐摩擦色牢度纺织品色牢度试验耐汗渍色牢度GB/T3922—2013
GB/T17593.1一2006纺织品重金属的测定第1部分:原子吸收分光光度法GB/T17593.3-2006
GB/T19089—2012
GB/T19942-2005
GB/T20382-2006
GB/T20383-2006
GB/T20385—2006
HG/T25802008
QB/T2714-2005
QB/T4342-2012
QB/T4671-2014
QB/T4672—2014
QB/T5157—2017
3产品分类
纺织品重金属的测定第3部分:六价铬分光光度法橡胶或塑料涂覆织物耐磨性的测定马丁代尔法皮革和毛皮化学试验禁用偶氮染料的测定纺织品致癌染料的测定
纺织品致敏性分散染料的测定
纺织品有机锡化合物的测定
橡胶或塑料涂覆织物拉伸强度和拉断伸长率的测定皮革物理和机械试验耐折牢度的测定服装用聚氨酯合成革安全要求
人造革合成革试验方法耐水解的测定人造革合成革试验方法耐黄变的测定人造革合成革试验方法颜色迁移性的测定产品按基布分类,见表1。
表1产品分类
基布品种
机织布
针织布
非织造布
QB/T5143-2017
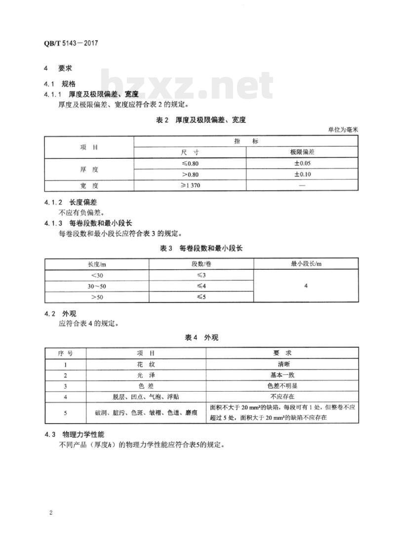
4.1规格
厚度及极限偏差、宽度
厚度及极限偏差、宽度应符合表2的规定。厚度及极限偏差、宽度
长度偏差
不应有负偏差。
4.1.3每卷段数和最小段长
≥1370
每卷段数和最小段长应符合表3的规定,指
表3每卷段数和最小段长
长度/m
2外观
应符合表4的规定
脱层、凹点、气泡、浮贴
段数/卷
表4外观
破洞、脏污、色斑、皱褶、色道、磨痕物理力学性能
极限偏差
最小段长/m
基本一致
色差不明显
不应存在
单位为毫米
面积不大于20mm的缺陷,每段可有1处,但整卷不应超过5处,面积大于20mm2的缺陷不应存在不同产品(厚度h)的物理力学性能应符合表5的规定,序号
检测项目
拉伸负荷/N
断裂伸长率
撕裂负荷/N
剥离负荷/NWww.bzxZ.net
表面颜色迁移性/级
抗粘连性/级
耐折牢度
表面颜色牢
度/级
耐黄变性/级
耐水解性
23℃,2.5万次
-10℃,1万次
干摩擦
湿摩擦
耐汗渍
(70℃,9
95%RH,336h)
耐磨性/级
注:耐黄变性只考核白色和浅色产品。4.4
有害物质限量
有害物质限量应符合表6的规定。序号
二甲基甲酰胺
可萃取的重金属
有机锡化合物
物理力学性能
h≤0.80mm
h≤0.80mm
表面无裂口
表面无裂口
QB/T5143-2017
表面无裂口、粉化、脱层、严重变色、褪色2
有害物质限量
六价铬
单丁基锡
三丁基锡
三丁基锡
二辛基锡
三苯基锡
不应检出
不应检出
不应检出
不应检出
不应检出
不应检出
不应检出
不应检出
QB/T5143-2017
有害染料
试验方法
试样的裁取
表6(续)
可分解芳香胺染料
致癌染料
致敏染料
不应检出
不应检出
不应检出
每卷产品沿纵向裁取1m作为物理力学性能和有害物质限量试验的样品,样品沿横向两端各除去50mm后制备试样,试样的尺寸及数量见表7。表7试样尺寸及数量
试验项目
拉伸负荷及断裂伸长率
撕裂负荷
剥离负荷
表面颜色迁移性
抗粘连性
耐折牢度
表面颜色牢度
耐黄变性
耐水解性
耐磨性
试样状态调节和试验环境
千摩擦
湿摩擦
耐汗渍
试样尺寸/mm
长200×宽30
长200×宽30
长150×宽30
长150×宽30
长200×宽30
长200×宽30
长90×宽60
长60×宽60
长70×宽45
长70×宽45
长180x宽50
长180×宽50
长100×宽40
长120×宽40
长150×宽150
数量/片
除另有规定外,试样应按GB/T2918一1998的规定,在温度(23土2)℃、相对湿度(50土10)%的标准环境下进行状态调节,时间不应少于4h,并在此环境下进行试验。5.3规格
5.3.1厚度及厚度极限偏差
5.3.1.1仪器
百分表测厚仪,应符合下列规定:测力:1.5N~2.4N;
测头直径:7mm~10mm;
分度值:0.01mm。
5.3.1.2试验步骤
QB/T5143-2017
用百分表测厚仪沿产品宽度方向,分别在距离边缘20cm处的左、右两边和中间位置进行测量,测量结果以算术平均值表示,精确到0.01mm。5.3.2宽度及宽度极限偏差
用分度值为1mm的钢直尺沿长度方向任意测量3处,取3处测量结果的最小值,精确至10mm。5.3.3长度及每卷段数和最小段长用合适的量具或仪表测量,结果精确至10mm。5.4外观
在自然光下或D65光源下目测,缺陷采用相应量具测量,色差按GB/T250一2008评定。5.5拉伸负荷和断裂伸长率
拉力试验机应符合HG/T2580一2008中第5章的规定。样品的纵横向各取3片试样,尺寸为长200mmx宽30mm,按HG/T2580一2008中7.2的规定进行试验,夹具间距设定为(100土1)mm,试验速度为(200土20)mm/min,取3片试样测试结果的算术平均值。5.6撕裂负荷
样品的纵横向各取3片试样,尺寸为长150mm×宽30mm,在试样宽度的中心线处沿平行于长度方向切开75mm,将切开的两端成相反方向夹在符合5.5规定的拉力试验机夹具上,以(200士20)mm/min的速度进行试验,记录试样最大撕裂负荷,试验结果取纵、横向各3片试样测试结果的算术平均值,精确至1N。
5.7剥离负荷
5.7.1仪器
5.7.1.1拉力试验机,应符合HG/T2580一2008中第5章的规定。5.7.1.2带鼓风装置的恒温烘箱。5.7.2试剂
黏合剂:合成革用聚氨酯树脂胶黏剂原浆,模量2.5MPa~3.5MPa,25℃下黏度80Pa?s~160Pa?S。5.7.3试验步骤
将6片试样(尺寸为长200mm×宽30mm)按2片为一组用黏合剂黏贴好,置于温度(135±5)℃的恒温烘箱中,恒温30min后取出冷却至室温,将处理后的试样用手剥离,试样涂层与基布分开至50mm,再将分开的两端分别夹于拉力试验机的上下夹具中,以(200土20)mm/min的速度进行剥离记录试样剥离的最大负荷,取3组试样测试结果的算术平均值,精确至1N。5.8表面颜色迁移性
按QB/T5157一2017中B法的规定进行试验,受色膜为白色的同类型合成革,以2片试样的较差结果为试验结果。
5.9抗粘连性
5.9.1仪器
带鼓风装置的恒温烘箱。
5.9.2试验步骤
取6片边长为60mm的正方形试样,任意2片的涂层与涂层对合共3组。将3组试样分别夹在2块60mm×60mmx3mm的玻璃夹片中,并在夹片上压10N载荷的重物,放入温度为(80土2)℃的带鼓风装置的恒温烘箱中,恒温3h后取出试样,置于室温下冷却30min,然后用手揭开对合的试样。5.9.3试验结果
试验结果按照下面方法评定:
5级:能轻轻剥开:
QB/T5143-2017
4级:稍用力剥开:
3级:用一定的力才能剥开,表面未破坏:2级:在重力下剥离,并出现不完整剥离;—1级:不能剥离。
以6片试样的5个接触面中粘连最严重的评定情况,作为试验结果。5.10耐折牢度
按QB/T2714一2005的规定进行试验,试验方式为干态,在温度(23土2)℃下测试2.5万次,在温度(-10土1)℃下测试1万次,分别观察表面有无裂口,以3个试样试验结果的较差值表示。5.11表面颜色牢度
5.11.1干摩擦
按GB/T3920一2008中6.2的规定进行试验,以2片试样试验结果的较差值表示。5.11.2湿摩擦
按GB/T3920一2008中6.3的规定进行试验,以2片试样试验结果的较差值表示。5.11.3耐汗渍
按GB/T3922一2013的规定进行试验,以2片试样试验结果的较差值表示。5.12耐黄变性
按QB/T4672一2014中B法的规定进行试验,照射时间为24h。取出试样,按照GB/T250一2008直接目测进行判定,精确到0.5级,以2片试样试验结果的较差值表示。5.13耐水解性
按QB/T4671一2014中6.1的规定进行试验,其中湿热处理时间为336h。5.14耐磨性
按GB/T19089一2012中方法1的规定进行试验,测干式试样2片,选用羊毛磨料织物持续摩擦12800r,按GB/T19089一2012中第8章评估试样的损坏程度等级,以2片试样试验结果的较差值表示。
5二甲基甲酰胺
按QB/T4342一2012附录D的规定进行。5.16可萃取的重金属
按GB/T17593.1一2006的规定进行,其中六价铬按GB/T17593.3-2006的规定进行。5.17有机锡化合物
按GB/T20385一2006的规定进行。5.18有害染料
5.18.1可分解芳香胺染料
按GB/T19942一2005的规定进行。5.18.2致癌染料
按GB/T20382一2006的规定进行。5.18.3致敏染料
按GB/T20383一2006的规定进行。6检验规则
6.1批量
产品以批为单位进行验收,同一原料、同一配方、同一类别、同一规格、同一工艺连续生产的产品为一批,每批数量不应超过500卷。6
6.2抽样方法
采取随机抽样方法。
6.3抽样方案及判定规则
QB/T5143-2017
6.3.1规格和外观的检验按照GB/T2828.1一2012中的一般检验水平I、接收质量限AQL为6.5的正常检验一次抽样方案执行,并按表8判定该批产品是否合格。表8抽样方案
单位为卷
91~150
151~280
281~500
样本大小
接收数Ac
接收质量限AQL=6.5
拒收数Re
6.3.2在规格和外观合格的样本中随机抽取一卷用于物理力学性能的检验。检验结果中若有不合格项,应再从该批中抽取双倍样品,对不合格项进行复检,若仍有不合格,则判该批不合格。6.4出厂检验
出厂检验项目为表2、表3、表4的全部项目以及表5中的1~4的项目。6.5型式检验
型式检验为第4章的全部要求。有下列情况之一时,应进行型式检验:新产品或老产品转厂生产的试制鉴定:a)
正式生产后,原材料、工艺有较大改变时;b)
正常生产12个月时;
停产6个月及以上再生产时;
出厂检验结果与上次型式检验有较大差异时。标志、包装、运输、贮存
7.1标志
每卷产品的包装物上应有下列标志:生产厂家、地址:
产品名称、类别及本标准编号:产品规格(厚度、长度、宽度)、颜色、花纹等:c)
生产日期或生产批号:
检验员代号和合格证。
7.2包装
产品宜采用卷芯卷成整齐的圆卷,并用塑料包装袋、编织袋包装。7.3运输
产品在运输过程中应轻装轻放,防潮、防晒、防损伤;应保持包装完整7
QB/T5143
7. 4贮存
产品应防潮、防挤压,防霉,并远离热源。产品自生产之日起,贮存期不宜超过36个月。超过贮存期的产品,应重新进行型式检验,合格方可投入使用。oo
小提示:此标准内容仅展示完整标准里的部分截取内容,若需要完整标准请到上方自行免费下载完整标准文档。
标准图片预览:





- 其它标准
- 热门标准
- QB轻工标准
- QB/T5302-2018 生活用干纸巾流延聚乙烯(CPE) 包装膜
- QB/T2833-2006 运动营养食品 能量控制食品
- QB/T1334-2013 水嘴通用技术条件
- QB/T1640-1992 陶瓷模用石膏粉物理性能测试方法
- QB/T4916-2016 伊代欣糖(浆)
- QB/T2049.5-1994 电光源玻壳K型玻壳尺寸系列
- QB1872-1993 服装用皮革
- QB/T2609-2003 工业缝纫机漏油的测试方法 第1部分:平缝纫机漏油的测试方法
- QB/T1272-2012 毛皮 化学试验样品的准备
- QB/T2816-2006 工业用缝纫机单(双)针下送料立柱式平缝机机头
- QB/T4701-2014 毛发护理器具环境意识设计导则
- QB/T5302-2018 生活用干纸巾流延聚乙烯(CPE) 包装膜
- QB/T2858-2007 学生书袋
- QB/T4427-2012 芸香浸膏 枫香树脂提取物
- QB6005-1992 麦芽厂设计规范
- 行业新闻
网站备案号:湘ICP备2025141790号-2