- 您的位置:
- 标准下载网 >>
- 标准分类 >>
- 轻工行业标准(QB) >>
- QB/T 1515-1992 工业用缝纫机GN型高速包缝机机头
标准号:
QB/T 1515-1992
标准名称:
工业用缝纫机GN型高速包缝机机头
标准类别:
轻工行业标准(QB)
标准状态:
现行出版语种:
简体中文下载格式:
.zip .pdf下载大小:
931.24 KB
点击下载
标准简介:
QB/T 1515-1992.
1主题内容与适用范围
QB/T 1515规定了GN型高速包缝机机头的产晶分类、技术要求、试验方法、检验规则以及标志、包装、运输.贮存等。
QB/T 1515适用于各种棉、毛、丝麻、化学纤维的针织和机织的织物制品包边和包缝等用的GN型高速包缝机机头(以下简称“机头”)。
2引用标准
GB/T 4514縫纫机型号编 制规则
GB/T4515线迹的分类和术语
ZBY 17004缝纫机包装
ZBY17023缝纫机机头启动扭矩测试方法
3术语、符号
3.1安全缝:由两行各自独立的504型和401型线迹构成的线缝。
3.2 差动比:差动送料牙移动量与主送料牙移动量之比。
3.3逆差动:差动送料牙移动量大于 主送料牙移动量,缝料在缝纫过程中产生伸展。
3.4顺差动:差动送料牙移动量小于主送料牙移动量,缝料在缝纫过程中产生收缩。
3.5 空载:当包缝机针迹长度调至最大,差动比为1 1 1,卸除压脚和切刀,不穿缝线,没有缝料时,包縫机所处的工作状态。
3.6 缝纫速度:每分钟针刺数,针/min.
4产品分类
4.1 型式
本机系平台式机体,采用针杆挑线、弯针勾线、下送料具有切料装置和自动润滑系统.
4.2分类
4.2.1产品按线迹型式(GB/T 4515)可分为:502、503.504 .505.512.514和401加504复合线迹等。
4.2.2产品按缝纫速度可分为:5000针/min~7000针/min.
4.3基本参数
a. 最高缝纫速度:不低于5000针/min;
b. 线迹长度:不小于2mm;
c. 差动比:顺差动最大差动比不小于1.4;逆差动量小差动比不大于0.8;
切边宽度:不小于2. 5mm;
压脚提升高度:不低于3mm;
部分标准内容:
GN型高速包缝机机头
工业用缝纫机
1主题内容与适用范围
QB/T1515-1992
本标准规定了GN型高速包缝机机头的产品分类,技术要求、试验方法、检验规则以及标志、包装、运输、贮存等。
本标准适用于各种棉、毛、丝、麻、化学纤维的针织和机织的织物制品包边和包缝等用的GN型高速包缝机机头(以下简称“机头”)。2引用标准
缝纫机型号编制规则
GB/T4514
线迹的分类和术语
GB/T4515
ZBY17004
缝纫机包装
ZBY17023缝纫机机头启动扭矩测试方法3术语、符号
3.1安全缝:由两行各自独立的504型和401型线迹构成的线缝。3.2差动比:差动送料牙移动量与主送料牙移动量之比。3.3逆差动:差动送料牙移动量大于主送料牙移动量,缝料在继纫过程中产生伸展。3.4顺差动:差动送料牙移动量小于主送料牙移动量,缝料在缝纫过程中产生收缩。3.5空裁:当包缝机针迹长度调至最大,差动比为1!1,卸除压脚和切刀,不穿缝线,没有缝料时,包缝机所处的工作状态。
3.6缝纫速度:每分钟针刺数,针/min。4产品分类
4.1型式
本机系平台式机体,采用针杆挑线、弯针勾线、下送料具有切料装置和自动润滑系统。4.2分类
4.2.1产品按线迹型式(GB/T4515)可分为:502、503、504、505、512、514和401加504复合线迹等。4.2.2产品按缝纫速度可分为:5000针/min~7000针/min。4.3基本参数
最高缝纫速度:不低于5000针/min;线迹长度:不小于2mm;
差动比:顺差动最大差动比不小于1.4:逆差动量小差动比不大于0.8;切边宽度:不小于2.5mm;
压脚提升高度,不低于3mm;
采用机针:GN型Nm75~Nm90;
中华人民共和国轻工业部1992-06-08批准216
1993-02-01实施
QB/T1515-1992
g,采用缝线:9.5tex×3(60支/3股).7.5tex×4(80支/4股)棉线或涤棉线;h.电动机功率:不小于400W。
4.4型号表示方法
型号按GB/T4514的规定编制。
示例:
派生号
设计顺序号
包边链式线迹、直形线缝、针杆挑线、弯针勾线、下送料工业用
5技术要求
5.1外观质量
5.1.1烘漆件表面应平整、色泽均勾,主要可见部位应无明显的流漆、起泡以及碰漆等缺陷。5.1.2机头表面不应有锈斑、污溃,标牌应完整,位置正确,无明显伤痕。5.1.3机头外露零部件及螺钉头部,不应有毛刺。5.1.4电镀件镀层表面应平整光滑、色泽一致,不应有漏镀、起皮、斑点、搬伤及锈蚀等缺陷。5.1.5发黑件表面应色泽均勾,不应有空白、沉淀物、光斑点、擦伤及锈蚀等缺陷。5.2机器性能
5.2.1线迹长度、切边宽度、差动比、线的张力、线的输线量和压脚压力应均能调节。5.2.2切刀应锋利,切边应整齐。5.3缝纫性能
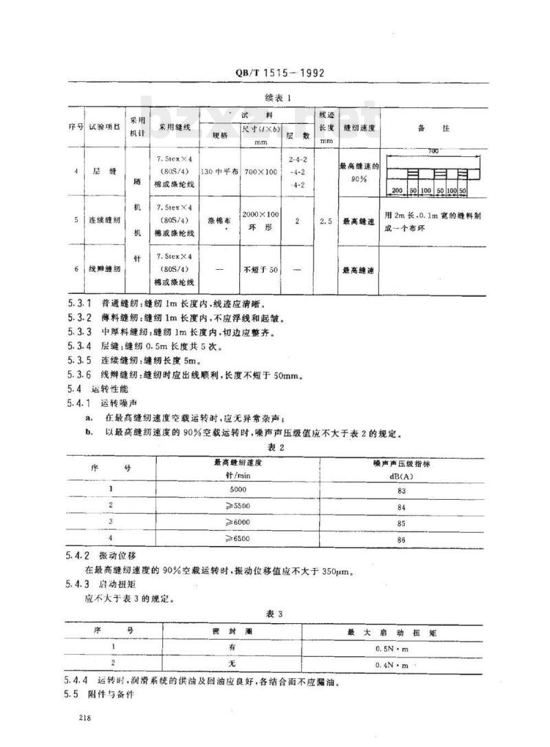
按6.3条和表1规定的试验条件下进行缝纫性能试验,不得有断针、断线和跳针等缺陷。表1
序号试验项目
普通缝纫
潮料缝纫
3中厚料缝纫
采用缝线
7.5tex×4
(805/4)
棉或涤纶线
7.5tex×4
(80S/4)
棉或涤纶线
(60S/3)
棉或漆纶线
涤棉布
卫生绒
尺寸(1X6)
1000×100
11000x100
1000×100
缝纫速度
最高缝速
最高缝速
最高缝速的
试验项日
连续缝纫
线辩缝纫
采用缝线
(80S/4)
棉或涤纶线
(80S/4)
棉或涤纶线
7.5tex×4
(80S/4)
棉或涤纶线
QB/T1515-1992
续表1
尺寸(X6)
130中平布700×100
2000×100
涤棉布
不短于50
普通缝纫:缝纫1m长度内,线应清晰。薄料缝纫:缝纫1m长度内,不应浮线和起皱。中厚料缝纫:缝纫1m长度内,切边应整齐。5.3.4
层缝:缝纫0.5m长度共5次。
连续缝纫:缝纫长度5m。
线辫缝纫:缝纫时应出线顺利,长度不短于50mm。5.4运转性能
5.4.1运转噪声
在最高缝纫速度空载运转时,应无异常杂声,线迹
缝纫速度
最高缝速的
最高缝速
最高缝速
20050100|5010050
用2m长,0.1m宽的缝料制
成一个布环
以最高缝纫速度的90%空载运转时,噪声声压级值应不大于表2的规定。表2
5.4.2振动位移
最高缝纫速度
针/minbzxZ.net
≥6500
在最高缝纫速度的90%空载运转时,振动位移值应不大于350μm。5.4.3启动扭矩
应不大于表3的规定。
密封阁
5.4.4运转时,润滑系统的供油及回油应良好,各结合面不应漏油。5.5附件与备作
噪声声压级指标
最大启动扭矩
QB/T1515-1992
每台机头配备的附件和备件应符合产品使用说明书或装箱单规定。6试验方法
6.1外观质量
在光照度为600士200lx光线下,检验距离为500mm,用目测判定。6.2机器性能
6.2.1线迹长度,切边宽度、差动比、线的张力、线的输出量和压脚压力的调节在缝纫性能试验项目中,按使用说明书规定进行调节。
6.2.2切刀锋利、切边整齐在普通缝纫项目中进行试验。6.3缝纫性能试验
a.试验前将机头外表擦净,并清除针板、送料牙、弯针以及过线部位的污物,加润滑油用最高缝纫速度的90%运转5min后,按表1规定逐项试验;b.
缝纫速度用非接触式测速仪测试,试验缝纫速度允差为一3%;每项试验前允许试缝及调节线迹长度、切边宽度、差动比、线的张力、线的输线量和压脚压力。但是在正式试验中间不允许调节。6.4运转性能
6.4.1运转噪声
6.4.1.1在最高缝纫速度空载运转时,应无异常杂声,用耳听法判定。6.4.1.2噪声级试验
6.4.1.2.1试验条件
试验应在半消声室内进行;
背景干扰噪声应比机头噪声级低1OdB(A)以上;无声反射其他物体或对噪声试验有影响的其他情况存在;被测机头连同机架应平稳地安放在水平且坚实的地面上;传声器轴线对准针板中心和针板平面成45°夹角,距离为450mm(见图1)。传声器
6.4.1.2.2试验仪器
使用精度为土0.7dB的声级计或综合性能相当于该精度的频谱仪。6.4.1.2.3试验程序
传声器
按使用说明书的规定加注润滑油,取最高缝纫速度的90%空载运转1min后,测量噪声值;219
b.测试5次,取其算术平均值。
6.4.2振动
6.4.2.1试验条件
QB/T1515—1992
试验环境应不受外界振动、温度、湿度、气流、噪声、电磁场等的影响;a.
被测机头连同机架应平稳安放在水平且坚实的地面上,从地面到台面上平面的高度为750士振动传感器频率范围为10~1000Hz;振动传感器的质量应不大于50g。6.4.2.2
试验程序
以最高缝纫速度的90%空载运转;电动机传动带的张力应保证机头的振动处于最稳定状态;传感器利用磁性吸在针板上平面(见图2);测量方向:按图2取Z方向;
测定3次,取最大值为振动位移值。6.4.3启动扭矩
按ZBY17023规定。
传略器
6.4.4润滑与密封
6.4.4.1试验条件
以最高缝纫速度的90%,空载运转;a.
运转5s,停5s,间歇运转10min。6.4.4.2试验程序
目测油窗供油情况;
试验前在针板平面上放置120mm×50mm白纸,试验结束后,检查白纸上应无油污;目测各结合部位及油盘应无漏油。6.5附件与备件
附件与备件按使用说明书或装箱单规定逐一清点,不少于规定数。7检验规则
7.1出厂产品必须经企业质量检验部门检查合格,并附有检验合格证。压脚下面应附有连续线迹的缝220
QB/T1515--1992
样,缝样尺寸(L×b)120mm×50mm,见图3。120
7.2检验分类
7.2.1出厂检验
收货方有权按本标准的规定,对出厂检验项目进行检验验收。7.2.2型式检验
有下列情况之一,需对产品质量进行全面考核,应进行型式检验:8.
新产品或老产品转厂生产的试制定型鉴定;正式生产后,如结构、材料、工艺有较大改变,可能影响产品性能时;正常生产六个月应周期性进行一次检验;产品长期停产后,恢复生产时;出厂检验结果与上次型式检验有较大差异时;上级质量监督机构提出进行型式检验的要求时。7.2.3不合格类别及检验分类
检验项目、不合格类别及检验分类见表4。样本单位为每台缝纫机头,B类以不合格品计,C类以不合格数计。
外观质量
机器性能
缝纫性能
检验项目
不合格类别
检验分类
运转性能
翻件与备件
7.3出厂检验规则
7.3.1样本的抽取
检验项
样本应从提交的检查批中随机抽取。7.3.2抽样方案及严格度
QB/T15151992
续表4
不合格类别
检验分类
正常检查一次抽样方案见表5,严格度的确定及其转移规则,转移后的一次抽样方案按GB/T2828的规定。
7.3.3检查批合格或不合格的判断根据样本检查的结果,若在样本中发现的B类的不合格品数和C类的不合格数,均分别小于或等于对应的合格判定数(A),判该检查批是合格批。若在样本中发现的B类的不合格品数和C类的不合格数有类大于或等于对应的不合格判定数(R。),则判该检查批是不合格批。表5
检查水平
抽样方案
不合格类别
单位样本检验项数
合格质量水平(AQL)
批量范围
26~150
151~1200
样本大小字码
7.3.4检验后不合格品和批的处置样本大小
订货方有权拒收合格批中,在检查时发现的不合格品。S-2
正常检查次抽样
判为不合格的批原则上全部退回供货方或由供货方与订货方协商解决。R.
供货方在对不合格批进行百分之百检查的基础上,将发现的不合格品别除或修理好以后,允许再次提交检查。
对于再提交检查的批,是使用正常检查还是加严检查,是检查所有项目还是仅仅检查造成批不合格的项目,均由订货方决定。
7.4型式检验规则
7.4.1样本的抽取
QB/T1515-1992
样本应从本周期制造的并经出厂检验合格的某个批或若干批中抽取,并要保证所得到的样本能代表本周期的制造技术水平。
7.4.2拍样方案
型式检验的一次抽样方案见表6。表6
判别水平
抽样方案
不合格类别
单位样本检验项数
不合格质量水平(RQL)
7.4.3型式检验合格或不合格的判断A
次抽样
根据样本检查的结果,若在样本中发现的B类的不合格品数和C类的不合格数,均分别小于或等于对应的合格判定数(A.),则判该批是合格批。若在样本中发现的B类的不合格品数和C类的不合格数有一类大于或等于对应的不合格判定数(R。),则判该批是不合格批。7.4.4型式检验后的处置
型式检验后的处置,按GB/T2829中的第4.12条规定。8标志、包装、运输、贮存
8.1标志
机头上应标有下列标志:
制造厂名:
商标:
产品型号或标记:
制造日期或编号。
8.2包装、运输、贮存
按ZBY17004规定。
附加说明:
本标准由轻工业部质量标准司提出。本标准由全国纫机标准化中心归口。本标准由上海缝纫机四厂负责起草。本标准主要起草人金顾德。
小提示:此标准内容仅展示完整标准里的部分截取内容,若需要完整标准请到上方自行免费下载完整标准文档。
标准图片预览:





- 其它标准
- 热门标准
- QB轻工标准
- QB/T5302-2018 生活用干纸巾流延聚乙烯(CPE) 包装膜
- QB/T1334-2013 水嘴通用技术条件
- QB/T2833-2006 运动营养食品 能量控制食品
- QB/T2355-2005 饲料磷酸氢钙(骨制)
- QB/T2049.5-1994 电光源玻壳K型玻壳尺寸系列
- QB1872-1993 服装用皮革
- QB/T1640-1992 陶瓷模用石膏粉物理性能测试方法
- QB/T2609-2003 工业缝纫机漏油的测试方法 第1部分:平缝纫机漏油的测试方法
- QB/T4916-2016 伊代欣糖(浆)
- QB/T1272-2012 毛皮 化学试验样品的准备
- QB/T2816-2006 工业用缝纫机单(双)针下送料立柱式平缝机机头
- QB/T5302-2018 生活用干纸巾流延聚乙烯(CPE) 包装膜
- QB/T4701-2014 毛发护理器具环境意识设计导则
- QB/T2858-2007 学生书袋
- QB/T4702-2014 稀土厚膜电路电热元件
- 行业新闻
网站备案号:湘ICP备2025141790号-2