- 您的位置:
- 标准下载网 >>
- 标准分类 >>
- 广播电影电视行业标准(GY) >>
- GY/T 103-1991 塑料薄膜片
标准号:
GY/T 103-1991
标准名称:
塑料薄膜片
标准类别:
广播电影电视行业标准(GY)
标准状态:
现行出版语种:
简体中文下载格式:
.zip .pdf下载大小:
348.79 KB
相关标签:
塑料薄膜
点击下载
标准简介:
GY/T 103-1991.phono sheets.
5.3.6幅频特性
指唱片刻纹系统输人端加有恒定信号电压时,刻纹振速对信号频率的关系曲线。规定唱片录音幅频特性应是下述三条曲线的综合结果:
(1 )时间常数t; =75μs,相当于电阻电容并联组成的导纳随频率上升而上升的曲线;
(2)时间常数tg=318μs,相当于电阻电容串联组成的导纳随频率降低而下降的曲线;
(3)时间常数ts=3180μs,相当于电阻电容串联组成的阻抗随频率上升而下降的曲线。
综合曲线定义如下:
在40Hz至12500Hz频率范围内,由上式得出的相对近似值详见表9,唱片录音幅频特性的允许误差按表5和图5规定,用光带法、变速法和二光東千涉法进行测定。
5.3.7偏心
以唱片中心孔的中心为轴,按顺时针方向转 动唱片,用偏心测试仪或其他合适的专用设备,测定唱片终止槽(或同心圆)沿水平方向的摆动幅度,其值的二分之- -即为唱片偏心。
5.3.8翘曲
唱片成型后24h以上,按表10规定的测试方法测定唱片的波状或蝶状形变。测量头沿垂直方向摆动的最大幅度即为唱片翘曲值。
测试方法:
将测量头放置在离唱片外缘3~ 5mm处,慢慢转动测试盘至少一圈,读取测量器指针变化的最大量。应对唱片的两面均进行上述测试,取最大值。
6检验规则
6.1检验分类
唱片检验分交收检验和例行试验两种。
6.1.1交收检验
唱片成品入库时必须进行的各项试验称为交收检验。
交收检验必须包括以下内容:
a.音 质审听;
b.纹槽深度或纹槽包含角, 中心孔直径、偏心、翘曲的测定;
c.唱片外径、 录音面内、外径,终止槽直径、厚度的测定;
d.唱片外观、 片芯印刷、包装的检验。
6.1.2例行试验
对唱片质量进行的全面考核,即对本标准规定的技术要求全部进行的检验,称为例行检验。
有下列情况之一时,应进行例行检验:
a.制作胶片、 版子、唱片片基的原材料改变,可能影响产品性能时;
b.刻纹、制版、压片工艺有较大改变,可能影响产品性能时;
c. 正常生产过程中,定期或积累到一定产量时。
6.2抽样规则和判定标准
规定每天生产的唱片为一个检查批;
规定抽样方案类型为一次抽样方案; .
规定检查水平为一般检查水平II级;.
规定合格检查水平(AQL)为1.5。
部分标准内容:
中华人民共和国行业标准
塑料薄膜唱片
phono sheets
GY/T 103-91
本标准规定了塑料薄膜唱片的种类、基本性能、质量指标、检测方法、检验规则及标志、包装和运输条件等内容。
本标准适用于塑料薄膜模拟唱片。2引用标准
GB4013录音录像名词术语
GB2828逐批检查计数抵样程序及抽样表GYZ
聚氯乙烯压延噜片片基技木条件3
产品分类
3.1产品的种类,代号、录音方式及标记产品的种类、代号、录音方式及标记如麦1所示。凌1
郝类)
标称直径
标称转速
rev/min
录普方武
立体声
社1),B表示薄膜啮片,前二位数学表示标称直径,后二位数字表示标称转速。3.2结构尺寸
3.2.1唱片纹槽的彦状和尺-
片纹槽的截间形状应符合图1规定,其大小应符合表2规定。广播电影电视部1991-10-01批准记
双面录音
产双面录音
双面录音
1992-04-01实施
纹槽深度
纹底半径
纹槽包含角
103-91
不小于0.025此内容来自标准下载网
不大于0.01
85°~~120″
注1):游膜立体声唱片在刻录时,解时最小蹭宽不小于0.0%mm。3.2.2引入槽
不大于0.01
88°~110\
引人槽是末调制槽,由唱片外周起始,少应有一个整圈,其未璐与录旁面起始端连接,人槽槽距规定为1.0±0.2mm。槽深不小于0.025mm。3.2.3录音面
录音面的起始端与引人槽相接,2至4s后录音开始,其尺寸按表3规定。3.2.4分隔区
录音面内两纽录音之间应设分隔区。分隔这内纹间宽度应不人于1.6m。3.2.5引出槽
指与录音面末端连接的未调制槽,至少要有一个整圈,引出槽槽距现定为6.4主3.2mm。当引出槽槽距超过6.4mm时,深应不小于0.04mm。3.2.6终止槽
指与引出槽相接的同心圆纹槽。终止槽直径按表3规定。3.2.7唱片截面形状和尺寸
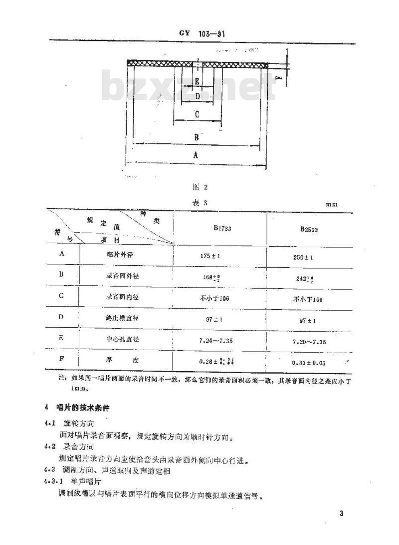
薄膜唱片截面形状租尺寸应符合图2,表3规定,2
HTYKAONYKACa
暗片外径
录音面外径
录音面内径
终止槽直径
中心孔直径
GY 103—91
175±1
不小于106
97 ± 1
7.20~7:35
0.28 ± 8: 81
250±1
不小于106
7.20~7.35
0.33±0.03
注,如渠同一唱片两面的录音时间不一致,那么它们的录膏面积必领一致,其录音面内径之差应小于1mm。
唱片的技术紊件
4.1、旋转方向
面对唱片录音面观察,规定旋转方向为顺时针方向。4.2录音方
规定曙片录降方询应使搭音头录音面外侧询中心行进。4·3调制方向、出道取向及声道定相4.3.1单声唱片
制纹槽以与片表面平行的向位移方向模拟单通道信号。GY103—91
以聚氯乙烯薄膜作为唱片片基。片基标准见GYZ,3.聚氯艺烯压延唱片片基技术条件。5测试
5.1标准測试状态
规定温度25℃和相对凝度60%~70为标准测试状态。但在对测试结果判定不产生响的通提下也允许在温度5~35℃和相对湿度30%~90%的条件下进行试验。5.2测试设备
测试设备由专用电唱盘、均衡放大器、电乎记录仪和电平指示器等组成。5.3测试方法
5.3.1高频信号渠声比
本项性能按第5.2条规定的测试设备、表6所示的针压和唱针尖半径、图3规定的系统表6
(dB)-10
0.018±:883mm
(39.24±9.81)×10-3N
(4±1g)
1000020000颖率(Hz)
频率特性进行测定。由此测得的1000Hz,3.54cm/s(45°均方根值)振述的正弦输出电压和未调制部分输出电压之比俏,邸为唱片的高信噪比,以分贝表示。唱片信噪比取左、右声道测试结果的最小值。并规定用笔速为100mm/s的电乎记录仪记录噪声电乎数值,读取记录平均数。如供试唱片在规定区域内不具备未调翻搏时,可选择其他区城以等线速度测定之。5
HTYKAONYKAca
GY103-91
以聚氯乙烯薄膜作为唱片片基。片基标准见GYZ,3.聚氯艺烯压延唱片片基技术条件。5测试
5.1标准測试状态
规定温度25℃和相对凝度60%~70为标准测试状态。但在对测试结果判定不产生响的通提下允许在温度5~35℃和相对湿度30%~90%的条件下进行试验。5.2测试设备
测试设备由专用电唱盘、哟衡放大器、电乎记录仪和电平指示器等组成。5.3测试方法
5.3.1高频信号渠声比
本项性能按第5.2条规定的测试设备、表6所示的针压和唱针尖半径、图3规定的系统表6
(dB)-10
0.018±:883mm
(39.24±9.81)×10-3N
(4±1g)
1000020000颖率(H2)
频率特性进行测定。由此测得的1000Hz,3.54cm/s(45°均方根值)振述的正弦输出电压和未调制部分输出电压之比俏,邸为唱片的高信噪比,以分贝表示。唱片信噪比取左、右声道测试结果的最小值。并规定用笔速为100mm/s的电乎记录仪记录噪声电乎数值,读取记录平均数。如供试唱片在规定区域内不具备未调翻搏时,可选择其他区城以等线速度测定之。5
GY 103--91
对于不同直径的唱片,末调制槽部份的测定区域按表7规定。表?
未调制槽
谢试直径
测试内容
高额信号噪卢比
17 ±1
5.3.2低频信导噪声比
低信号噪声比
耐磨耗性
18 ±1
本项性能按第5.2条规定的测试设备、表6所示的针压和唱针尖半径,表7规定的测试区域及具有图4规定的系统频率特性进行测宽。出此测得的315Hz,3.9cm/s(45°均方根值)报速的正弦输出电压和未调制槽部分输出电压之比值,即为唱片的低懒信操燥比,以分贝表示。
规定用笔速为100mm/s的电平记录仪记录噪声电平数值,读取记录平均数。5.3.3耐磨耗性
频率(Hz)
按表名规定的试验条件、表7规定的测定区域,对受试唱片的未调制槽部分重放50次以后,接5.3.1条方法再次测定唱片的高频信噪比,测得的数值即为唱片的耐磨耗性。唱片成型后需放置24h以上方能供作测试用。5.3.4声道分隔度
指调谱槽的基准振速V,(或V)与同声槽的另一槽壁因V(或V,)而与i起的串音握速VR-(或Vt-R)之比值,按下武计算,6
TYKAONYKACa
GY 103-—91
(58.96±9.81)X103N
0.018±8: 183mm
额笠转速(33-
-rev/min)
声道分随度(dB)=20lg((V)
V(或Vr)
V,、V&、Vr+L、VL-均用光学让量法测定。取左右声道分隔度中的最小值。基准振速规定为3.54cm/s(1000Hz45\均方根值)。5.3.5声道不平衡度
指左、右产道槽壁在受到刻纹头相同电平的1000Hz正弦信号调制时,左、右声道振递V,和V之比值。V,和V,用光学计量法测定。基准扳速规定为3.54cm/s(45°均方根值)。按下式计算:
声道不平衡度(dB)=20
5.3.6幅频特性
指唱片刻纹系统输人端加有恒定信号电压时,刻纹振速对信号频率的关系曲线。规定唱片录音幅频特性应是下述三条曲线的综合结果:(1)时间常数t=75us,当于电阻电容并联组成的导纳随频率上升而上汀的曲线:(2)时间学数t=318us,当于电阻电容串联组成的导纳随频率降低而下降的曲线:(3)时间常数t。=3180us,相于电阻电容牢联组成的阻抗随频率t升下降的曲线。综合曲线定义如下:
N(dB)=101g(1 +4n**t*)-10lg (1+4元-t) +101g(1+4元*f#t,*
在40HIz至12500Hz频率范围内,由上式得的相对近似值详见表9,唱片录音幅频特性的允许误差按表5和图5规定,用光带法、变速法利二光束十涉法进行测定。5.3.7偏心
以唱片中心孔的中心为轴,按顺时针方向转动唱片,用偏心测试仪或其他合适的专用设备,测定唱片终止槽(或同心圆)沿水平方问的摆动幅度,其值的二分之即为唱片偏心。5.3.8翘曲
唱片成型后24五以上,按表10规定的试方法测定唱片的波状或蝶状形变。测量头沿垂查方向摆动的最人幅度即为唱片翘也值。7
相对电平
HTYKAONYKAca
相对电平
测试方法:
GY 103—91
垂直摆动幅度
测童器精度
测压力
25cm以上
0.05mm以下
49.01×10-\N以下(5g以下)
将测量头放置在离唱片外缘3~5m丑处,慢慢转动测试盘至少一圜,读取测量器指针变化的较大量。应对唱片的两面均进行上述测试,取最大值。6检验规则
6.1检验分类
唱片检验分交收检验和例行试验两种。6.1.1交收检验
唱片成品入库时必须进行的各项试验称为交收检验。交收检验必须包括以下内容:
。音审听;
纹槽探度或纹槽包含角,中心孔径、偏心、翘曲的测定,b.
唱片外径、录音面内、外径,终止槽真径,厚烹的测定:d。唱片外观,片感印刷、包装的检验。6.1.2例行试验
对唱片质量进行的全面考核,即对本标准规的技术要求企部进行的检验,为例行捡验。
有下列情况之一时,应进行例行检验;制作胶片、版子、唱片片基的原材料改变,可能影响产品性能时:a.
b:刻纹、制版、压片工艺有较大效变,可能膨响产品性能时:c,正常生产过程中,定期或积累到一定产慧时。6.2批样规则和判定标准
规定每天生产的唱片为一个检查批:规定抽样方案类型为一次抽样方案;现定检查水平为一般检查水平Ⅱ级,规定台格检食水平(AQL)为1.5。9
7标志、包装、运、储存
7.1标志
CY103--91
喝片片芯部分必须明确标明商标、录音内容、片号、转速、面数、录音方式、生产厂家唱片封套应标明出版、生产和发行单位等。7.2包装
每张唱儿应装人独立封套,立体声唱片在封套上应有明确的立体声字样或标记。唱片装盒时必须放置平稳,不能偏斜、卷曲。盒外应注明片号、人库日期等。7.3储存
薄膜唱片应在陷溢下储存,勿靠近热源,并保持清洁。7.4运输
运输过程中不能暴晒、受压。
附加说明:
本标准由广播电影电视部科技司提出。本标准由广播电影电视部标准化规划研究所负责技术归口。本标准由中国唱片总公司上海公司负责起草。本标准主要起草人,费建星,俞善成。10
TYKAONYKAca
小提示:此标准内容仅展示完整标准里的部分截取内容,若需要完整标准请到上方自行免费下载完整标准文档。
标准图片预览:





- 其它标准
- 上一篇: GA 128-1996 低压电器火灾模拟试验技术规程
- 下一篇: GA 140-1996 消防指挥服
- 热门标准
- GY广播电视行业标准
- GY/T238.1-2008 地面数字电视广播信号覆盖客观评估和测量方法 第1部分:单点发射室外固定接收
- GY/T250-2011 数字电影流动放映系统用投影机技术要求和测量方法
- GY/T162-2000 高清晰度电视串行接口中作为附属数据信号的24比特数字音频格式
- GD/J081-2018 应急广播安全保护技术规范数字签名
- GY/T333-2020 视音频内容分发数字版权管理有线数字电视数字版权管理系统集成
- GY/T269-2013 NGB宽带接入系统C-HPAV 系统技术规范
- JB/T9427.2-2016 电影检验片 第2部分:16mm电影单声道光学声带检验片技术条件
- GY/T217-2006 有线电视系统用射频同轴连接器技术要求和测量方法
- GY4-1982 广播电视专用微波接力电路传输体制
- GY/T140-1999 有线电视系统输出口(5~ 1000MHz)入网技术条件和测量方法
- GY/T139-1999 有线电视系统电视解调器入网技术条件和测量方法
- GY/T5059-1997 关于批准发布《广播电影电视工程设计图形符号和文字符号标准》的通知
- GY/T242-2010 35mm电影发行拷贝青染料无银模拟声声迹制作技术规范
- GY/T122-1995 有线电视系统调制器入网技术条件和测量方法
- GY/T146-2000 卫星数字电视.上行站通用规范
- 行业新闻
网站备案号:湘ICP备2025141790号-2