- 您的位置:
- 标准下载网 >>
- 标准分类 >>
- 化工行业标准(HG) >>
- HG/T 3139.10-2001 釜用立式减速机 FP系列带传动减速机
标准号:
HG/T 3139.10-2001
标准名称:
釜用立式减速机 FP系列带传动减速机
标准类别:
化工行业标准(HG)
英文名称:
Vertical reducer for kettle FP series belt drive reducer标准状态:
现行-
发布日期:
2002-01-24 -
实施日期:
2002-07-01 出版语种:
简体中文下载格式:
.rar.pdf下载大小:
211.63 KB
部分标准内容:
[CS 71. 120. 10
备案号:10152~10163—2002
中华入共和国化工行业标准
HG/T3139.13139.12—2001
用立式减速机
Vertical reducer for tank
2002-01·24发布
2002-07-01实施
国家经济贸易委员会发布
中华人民共和国化工行业标准
签用立式减速机
FP系列带传动减速机
Vertlcal redoctr for tank
Serieg Fp bell-driving redueerIIC/T3139.102001
本标准规究了FP系列带传动理机(以下尚称滤难机)的产品分炎、要求、试验方快检验规谢,标志、包装,运输、贮存。
本标准还用石油化工,药,轻工,洽卡扩山、水处理等签用搅拌减逆轨以及其他用途的立式减速机
2引用标准
下刻标准所包含的案文,通过在本标难中引币雨构成为本标准的象文:本标准出版时,所示瓶本均为在效:所在标准部会修订,使用本标准的各方应探讨使用下划标准举新服本的可能性。G/T.109i—1975平键链和锂相的制面尺寸GB/T11841996形状位置公差公差值5—1通润游
GB/T9439.-1988底铸铁件
GB/T10412—1989通V带轮
GB/T10413198S牵V带轮
G5/T11H57—[985带轮的材质、表扭鹿改平街GB/T11544199?
普通 带和弃 带尺寸
GB/T 13575, 11$S2
带传动背通V带传动
带传动窄V带传动
GB/T 13575. 2--1$52
3产晶分类
3.7FT型弱列带传动减速-分为二奖:高端塑普通带传动磁速机:
率V带传减速机。
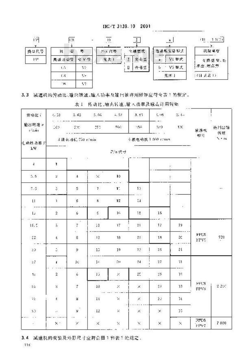
3.2型号表示方法及示例:
国系经济贸易委贝会2002-01-24批准2002-07-01实拖
高逆汀出带
IG/T3139.102001
精型式
井西里
也动实器
| VI 式
:VS年达
3.3减速机的转动比、摘旧转速、瘤人动率股抢日继许用转炉应等今表!节规宁.表1传动比,婚击转速,殖人率及游山许用转知传动比:
动机.边率「
3摄750 in
报电动1nrmm
34连机的安装及外形尺小业符合阻1利表规定11#
无能实心
市型培型
许用出油
辅出料
4要求
4.1工作录件
1型油
HG/I3139.102001
图1FP系列业件动滋速机外恶划
表2该速机的安装设形+
外彩及志范尺计
1_0032:ko0:a5e±1850018c:172606052027s3. 06
2-no56c3
5c7c0124278n5052552
4.1.1电动礼供电电额的额电压次220V.额定载本本H232
低型高车
2113095119c:
2 234:
4.1.2本标准所包括的减迪机适用干环境置度为一×1~61:追宜的环竞和湿度为5)%--8%4.1.3减速礼不充计在使传动胶带受准、酸,减,有机陷剂接链成污单内不境下快用,575
HG/T 3139.102001
4.1.4冲标准所伤后的满连切购用!序续工作划.并允许正、反办向运转,4.2机屋、轴承座
4.2.1材料业果扭机悦能不低于GH929小现定的HT200待片司.2.2诗件底进行时效或退灾处现,.2.3转件加后的表面不让有砂眼、整蚊,缩孔,夹洁和气池等缺陷,其仁部位不充详有影响快件使性能的缺障育代。
4.2.d机座:
)承谨(或轴孔能公为的圆柱应G1H17级度公差值表而粗糙度值小等2。
b)轴承康孔对下轴承座孔的同相度底行合(B/T1184中×效精度公差值。底平而对轴承座孔轴心线的乘直度应符合(/T1184中9级精度公差值。4.2.5轴承座:
前上轴承配合孔的公差带为H7,与桃孔配合的外征公差带为,面相R值心于等开3.2 μm
h)与轴乘外接脏的端面对孔轴心载的垂直度应得合B/T1184中级精虚公差值。4. 3传动带
4.3.1强力普道V业和有效建制军V代(以下向你,V化)带的做面尺寸应符合GH/11344的规定。
4.3.2高强小型带的拉化强发符合表3的要求.衣高强力型带的拉神
4.4带轮
4.4.1并通V化轮的基本型或、尺寸料质应符合CH/TIG412的规定。质量要求度符合GB/111357—1199中2.3的定,
4.4.2音通V带轻表而粗性度粘形竹公差(见图2)应符合长4规定:图”普通带轮
基祺支径
> 2c -K
>50 ·120
-256.-569
80U1250
>1350-- 0m
>2026.~3500
HG/T 3139.10—2001
表1音通V带轮形位公差和表血糊糙度圆酰动
表面粗稳安Rnum
4.4.3窄V带轮的茶本型式、尺寸、材质应符合GB/T10413的规定质量要求座符合GB/T113571989中2.2的规定。
4.4.4准V带轮表面粗糙度和形位公并(见图3>应符合旁5规究,图 3 窄 带轮
表5难V带轮形位公差和表而粗接度私效点格
>J55~?5f
259.--500
>5(0~·80m
B09~250
>1250-2000
2 00U.~2 500
表面粗Kn-am
4.4.5普须和准V带轮,艳毅礼的公差将为H7.教长上偏差为IT14下偏差为岑。4. 4. 6警通和窄 V带轮.轮同距的弱板误差不得超过十0. 8 mm。4.5输出轴
4.5.1材为15号钢或机情性能更高的材料,热处圳调质研度217~-255HB12.5
IIG/T 3139. 10—2001
4.5.2输出轴轴头型式分火壳型和凸通图杜型两针,轴头的键马应符合(H/T1095的规定6装配www.bzxz.net
4.6.1继承内因必须紧轴序或定外.用0.C5mm塞尺险变不得亲人,4.5.2业轮的半衡要求应符合CB/T:1357的熟定。4.6.3带的安装要求:
营通V带转或和案V待传动分别应按G/T1857.1乱GH/T13575.2的规定。4.6.4传动装置中,各带轮轴线应扫互半行,务带轮相对度的V型情的对称平面应重合·其误去不得能过20《即图4的2要求;:
用4¥带传动装置中带轮灿载及对应V型措的对称平面设劳图,4.6.5掌件在装配前内外表面必须除·E刺,可烂,榜迹、费必与哒物.待件不划工的去面(包折护零外表面)成涂底荣后再涂灿漆。不加「的内表面(包活沪罩内表面成除以红负时油油漆。怕轮轮箍率位涤耐油消滦,轮辆部位徐红色耐汕油膝。4.6.6承铜
轴府洁,装总时应涂上足多的花合GB7324要求的通用棵基渐滑脂。4.6.7网速机的外煤整洁:续层底均匀,表面无损伤5试验方法
5.1我险
诚速凯应进行窄载试验,试致前应将成带护按图样质求安装牢同可靠并检查测滑脂尺存注人,试验时在征宗转速下,1反方向各流转0.5h,空载式验应均含以下要求:a)齐战滤件,紧成件不极动
b)V节型专应合要求,配组公差适,两普轮对成的\V\形逆对称平面平介应符合4.5.的要求
c!运就平稳正带,异常声
)轴承和时处况不得超过。
5.2负载试验
5.2.!在空载试验合格后·方可进行负较试,在额定转室下.分四步逢短加载试验,每次加强预定功率的253,每级负载试验达到辆率况平衡0.:1.后再增如一级。5.2.2欠战试收成符合以下费求:a!出轴泄持不独渗动
)猫承处温不得超过,
战速机转稳常单声不大于85
5.2.3负载试验允许作主现场并度上机要求进行,选转附间本得少十4b。5.3满负载试验
[IG/T3139.10—2001
渐载试验应加载到飘定功率的90头以上,持续运行24h以上,试验结果应待合5.2.2的要求。此项试验许在主机现均井按十机要求进行。6检举规则
6.1出厂格频
产业逐公检验会格信出厂
出厂检收接5,1的要成执行、并应符合第4单各项要求。.2检
6.2.1凡方以下情况施进行抛样检验:)各种机型卡年累计产量大于【00)台考,每年柚样按不得少于-次。不比1M台者·在案计产量落100台期限内样检验不得少十,.b)评定或认证产品质量时.
心出源主要技术性不合格时,
6.2.2拍样法:抽控减速规批比大于10台时拍检:0%,批小于11台时抽校一台:搏检不含格时再加节拍检,必不合格时应理台检验6.2.3划择检验的项日应按5.和5.2的求进行·也允许接.1和的要求进行,7标志、包转,运输、贮存
7.!标台减速机应传产产用样上规定对骨固定产品馅牌.诺牌安装时应与基体有凝层隔月,产品销理的内穿划下:
)产品名称:
6)产品型号。
心持比:
d)额定筑出转速,
心)领定功率。
重量,
产品编号。
h)出!日期.
i)制造厂名称。
7.2除带轮轮城邯位奶·减建机其他外露加二表面底论防锈注1。7.3带依拥扎结实,来用合钙的包装或包农箱对带逆行他装,净底检查传的型号和能组代号足否符会,
7.4驱同产品提供的落术2件包括:\品台疮证及装箱单:
)产作使用说明
术文件声改在塑料装内并湖定在箱子内壁上,7.5产品装销发运,应在箱内加以固定.并要适合于储路,水端运输及装载的要本,包装销内应销设阳水材料。
7.6包装箱外整有期是文字标记:文子标记应清楚整齐,保证不内围水冲制不消,共内案包括:
,妆货单位与地止,
h)产品制造厂产品名称,型子.
;亚、毛立,第子外形尺寸及出厂缩号:[21
IG/T 3139. 10
在运输和吊装过辉中应稳起、稳放·直立放宜、不得倒置。7.8减速机皮贮存在清洁并能盼止用,与、水慢装的地方。122
小提示:此标准内容仅展示完整标准里的部分截取内容,若需要完整标准请到上方自行免费下载完整标准文档。
备案号:10152~10163—2002
中华入共和国化工行业标准
HG/T3139.13139.12—2001
用立式减速机
Vertical reducer for tank
2002-01·24发布
2002-07-01实施
国家经济贸易委员会发布
中华人民共和国化工行业标准
签用立式减速机
FP系列带传动减速机
Vertlcal redoctr for tank
Serieg Fp bell-driving redueerIIC/T3139.102001
本标准规究了FP系列带传动理机(以下尚称滤难机)的产品分炎、要求、试验方快检验规谢,标志、包装,运输、贮存。
本标准还用石油化工,药,轻工,洽卡扩山、水处理等签用搅拌减逆轨以及其他用途的立式减速机
2引用标准
下刻标准所包含的案文,通过在本标难中引币雨构成为本标准的象文:本标准出版时,所示瓶本均为在效:所在标准部会修订,使用本标准的各方应探讨使用下划标准举新服本的可能性。G/T.109i—1975平键链和锂相的制面尺寸GB/T11841996形状位置公差公差值5—1通润游
GB/T9439.-1988底铸铁件
GB/T10412—1989通V带轮
GB/T10413198S牵V带轮
G5/T11H57—[985带轮的材质、表扭鹿改平街GB/T11544199?
普通 带和弃 带尺寸
GB/T 13575, 11$S2
带传动背通V带传动
带传动窄V带传动
GB/T 13575. 2--1$52
3产晶分类
3.7FT型弱列带传动减速-分为二奖:高端塑普通带传动磁速机:
率V带传减速机。
3.2型号表示方法及示例:
国系经济贸易委贝会2002-01-24批准2002-07-01实拖
高逆汀出带
IG/T3139.102001
精型式
井西里
也动实器
| VI 式
:VS年达
3.3减速机的转动比、摘旧转速、瘤人动率股抢日继许用转炉应等今表!节规宁.表1传动比,婚击转速,殖人率及游山许用转知传动比:
动机.边率「
3摄750 in
报电动1nrmm
34连机的安装及外形尺小业符合阻1利表规定11#
无能实心
市型培型
许用出油
辅出料
4要求
4.1工作录件
1型油
HG/I3139.102001
图1FP系列业件动滋速机外恶划
表2该速机的安装设形+
外彩及志范尺计
1_0032:ko0:a5e±1850018c:172606052027s3. 06
2-no56c3
5c7c0124278n5052552
4.1.1电动礼供电电额的额电压次220V.额定载本本H232
低型高车
2113095119c:
2 234:
4.1.2本标准所包括的减迪机适用干环境置度为一×1~61:追宜的环竞和湿度为5)%--8%4.1.3减速礼不充计在使传动胶带受准、酸,减,有机陷剂接链成污单内不境下快用,575
HG/T 3139.102001
4.1.4冲标准所伤后的满连切购用!序续工作划.并允许正、反办向运转,4.2机屋、轴承座
4.2.1材料业果扭机悦能不低于GH929小现定的HT200待片司.2.2诗件底进行时效或退灾处现,.2.3转件加后的表面不让有砂眼、整蚊,缩孔,夹洁和气池等缺陷,其仁部位不充详有影响快件使性能的缺障育代。
4.2.d机座:
)承谨(或轴孔能公为的圆柱应G1H17级度公差值表而粗糙度值小等2。
b)轴承康孔对下轴承座孔的同相度底行合(B/T1184中×效精度公差值。底平而对轴承座孔轴心线的乘直度应符合(/T1184中9级精度公差值。4.2.5轴承座:
前上轴承配合孔的公差带为H7,与桃孔配合的外征公差带为,面相R值心于等开3.2 μm
h)与轴乘外接脏的端面对孔轴心载的垂直度应得合B/T1184中级精虚公差值。4. 3传动带
4.3.1强力普道V业和有效建制军V代(以下向你,V化)带的做面尺寸应符合GH/11344的规定。
4.3.2高强小型带的拉化强发符合表3的要求.衣高强力型带的拉神
4.4带轮
4.4.1并通V化轮的基本型或、尺寸料质应符合CH/TIG412的规定。质量要求度符合GB/111357—1199中2.3的定,
4.4.2音通V带轻表而粗性度粘形竹公差(见图2)应符合长4规定:图”普通带轮
基祺支径
> 2c -K
>50 ·120
-256.-569
80U1250
>1350-- 0m
>2026.~3500
HG/T 3139.10—2001
表1音通V带轮形位公差和表血糊糙度圆酰动
表面粗稳安Rnum
4.4.3窄V带轮的茶本型式、尺寸、材质应符合GB/T10413的规定质量要求座符合GB/T113571989中2.2的规定。
4.4.4准V带轮表面粗糙度和形位公并(见图3>应符合旁5规究,图 3 窄 带轮
表5难V带轮形位公差和表而粗接度私效点格
>J55~?5f
259.--500
>5(0~·80m
B09~250
>1250-2000
2 00U.~2 500
表面粗Kn-am
4.4.5普须和准V带轮,艳毅礼的公差将为H7.教长上偏差为IT14下偏差为岑。4. 4. 6警通和窄 V带轮.轮同距的弱板误差不得超过十0. 8 mm。4.5输出轴
4.5.1材为15号钢或机情性能更高的材料,热处圳调质研度217~-255HB12.5
IIG/T 3139. 10—2001
4.5.2输出轴轴头型式分火壳型和凸通图杜型两针,轴头的键马应符合(H/T1095的规定6装配www.bzxz.net
4.6.1继承内因必须紧轴序或定外.用0.C5mm塞尺险变不得亲人,4.5.2业轮的半衡要求应符合CB/T:1357的熟定。4.6.3带的安装要求:
营通V带转或和案V待传动分别应按G/T1857.1乱GH/T13575.2的规定。4.6.4传动装置中,各带轮轴线应扫互半行,务带轮相对度的V型情的对称平面应重合·其误去不得能过20《即图4的2要求;:
用4¥带传动装置中带轮灿载及对应V型措的对称平面设劳图,4.6.5掌件在装配前内外表面必须除·E刺,可烂,榜迹、费必与哒物.待件不划工的去面(包折护零外表面)成涂底荣后再涂灿漆。不加「的内表面(包活沪罩内表面成除以红负时油油漆。怕轮轮箍率位涤耐油消滦,轮辆部位徐红色耐汕油膝。4.6.6承铜
轴府洁,装总时应涂上足多的花合GB7324要求的通用棵基渐滑脂。4.6.7网速机的外煤整洁:续层底均匀,表面无损伤5试验方法
5.1我险
诚速凯应进行窄载试验,试致前应将成带护按图样质求安装牢同可靠并检查测滑脂尺存注人,试验时在征宗转速下,1反方向各流转0.5h,空载式验应均含以下要求:a)齐战滤件,紧成件不极动
b)V节型专应合要求,配组公差适,两普轮对成的\V\形逆对称平面平介应符合4.5.的要求
c!运就平稳正带,异常声
)轴承和时处况不得超过。
5.2负载试验
5.2.!在空载试验合格后·方可进行负较试,在额定转室下.分四步逢短加载试验,每次加强预定功率的253,每级负载试验达到辆率况平衡0.:1.后再增如一级。5.2.2欠战试收成符合以下费求:a!出轴泄持不独渗动
)猫承处温不得超过,
战速机转稳常单声不大于85
5.2.3负载试验允许作主现场并度上机要求进行,选转附间本得少十4b。5.3满负载试验
[IG/T3139.10—2001
渐载试验应加载到飘定功率的90头以上,持续运行24h以上,试验结果应待合5.2.2的要求。此项试验许在主机现均井按十机要求进行。6检举规则
6.1出厂格频
产业逐公检验会格信出厂
出厂检收接5,1的要成执行、并应符合第4单各项要求。.2检
6.2.1凡方以下情况施进行抛样检验:)各种机型卡年累计产量大于【00)台考,每年柚样按不得少于-次。不比1M台者·在案计产量落100台期限内样检验不得少十,.b)评定或认证产品质量时.
心出源主要技术性不合格时,
6.2.2拍样法:抽控减速规批比大于10台时拍检:0%,批小于11台时抽校一台:搏检不含格时再加节拍检,必不合格时应理台检验6.2.3划择检验的项日应按5.和5.2的求进行·也允许接.1和的要求进行,7标志、包转,运输、贮存
7.!标台减速机应传产产用样上规定对骨固定产品馅牌.诺牌安装时应与基体有凝层隔月,产品销理的内穿划下:
)产品名称:
6)产品型号。
心持比:
d)额定筑出转速,
心)领定功率。
重量,
产品编号。
h)出!日期.
i)制造厂名称。
7.2除带轮轮城邯位奶·减建机其他外露加二表面底论防锈注1。7.3带依拥扎结实,来用合钙的包装或包农箱对带逆行他装,净底检查传的型号和能组代号足否符会,
7.4驱同产品提供的落术2件包括:\品台疮证及装箱单:
)产作使用说明
术文件声改在塑料装内并湖定在箱子内壁上,7.5产品装销发运,应在箱内加以固定.并要适合于储路,水端运输及装载的要本,包装销内应销设阳水材料。
7.6包装箱外整有期是文字标记:文子标记应清楚整齐,保证不内围水冲制不消,共内案包括:
,妆货单位与地止,
h)产品制造厂产品名称,型子.
;亚、毛立,第子外形尺寸及出厂缩号:[21
IG/T 3139. 10
在运输和吊装过辉中应稳起、稳放·直立放宜、不得倒置。7.8减速机皮贮存在清洁并能盼止用,与、水慢装的地方。122
小提示:此标准内容仅展示完整标准里的部分截取内容,若需要完整标准请到上方自行免费下载完整标准文档。
标准图片预览:





- 热门标准
- 化工行业标准(HG)
- HG/T3219-2009 代替 HG/T 3219-1999 搪玻璃平面阀
- HG/T3449-1999 化学试剂 甲基红
- HG/T20518-2008 化工粉体工程设计通用规范
- HG/T5036-2016 常温有机硫转化吸收催化剂催化性能试验方法
- HG/T4019-2008 化学试剂 间甲酚紫
- HG/T4987-2016 工业燃气天然气为原料的增效燃气
- HG/T4323-2012 循环冷却水中军团菌的检测与计数
- HG/T3431-2010 代替 HG/T 3431-2001 酸性红 R(C. I. 酸性红 18)
- HG/T21559.1-2013 代替 HG/T 21559.1-1995 不锈钢网孔板波纹填料工程技术规范
- HG/T4900-2016 带式输送机用聚氨酯防尘带
- HG/T5105-2016 搅拌传动装置轮毂
- HG/T5377-2018 乙烯-醋酸乙烯酯(EVA)胶膜
- HG/T4995-2016 胶鞋 运动鞋附件 鞋眼
- HG/T3538-2003 水处理剂 乙二胺四亚甲基膦酸钠(EDTMPS)
- HG/T2735-2009 代替 HG/T 2735-1995 搪玻璃釉熔流性测定方法
- 行业新闻
请牢记:“bzxz.net”即是“标准下载”四个汉字汉语拼音首字母与国际顶级域名“.net”的组合。 ©2025 标准下载网 www.bzxz.net 本站邮件:bzxznet@163.com
网站备案号:湘ICP备2025141790号-2
网站备案号:湘ICP备2025141790号-2