- 您的位置:
- 标准下载网 >>
- 标准分类 >>
- 通信行业标准(YD) >>
- YD/T 978-1998 公用电话网数字排队机技术要求及测试方法
标准号:
YD/T 978-1998
标准名称:
公用电话网数字排队机技术要求及测试方法
标准类别:
通信行业标准(YD)
标准状态:
现行出版语种:
简体中文下载格式:
.zip .pdf下载大小:
1.08 MB
点击下载
标准简介:
YD/T 978-1998.Technical requirment and test method for digital queue equipment of PSTN.
1范围
YD/T 978规定了数字排队机接人公用电话网时必须统一遵循的技术条件,主要内容包括定义、容量系列、技术要求及检测方法。
YD/T 978适用于数字排队机。主要应用于特种业务台。
2引用标准
下列标准所包含的条文,通过在本标准中引用而构成为本标准的条文。本标准出版时,所示版本均为有效。所有版本都会被修订,使用本标准的各方应探讨使用下列标准最新版本的可能性。
GB 3377电话自动交换网多频记发器信号方式
GB 3971.2电话自动交换网局间中继数字型线路信号方式
GF 002-9002邮电部电话交换设备总技术规范书
YD/T 614电话网查号系统技术条件
YD/T 729程控用户交换机进网检测方法
YD/T 751公用电话网局用数字电话交换设备进网检测方法
YDN 034ISDN用户一网络接口规范
TZ 018全国电话号码查询业务网技术体制(暂行规定)
GF 001-9001中国国内电话网No.7信号方式技术规范(暂行规定)
中国国内电话网No.7信号方式测试规范和验收方法(暂行规定)
3定义
本标准采用下列定义:
自动呼叫分配(ACD——AutomaticCallDistributing),将来话在一指定应答组内均匀分配的呼叫处理技术。
数字排队机,由具有数字交换功能的ACD系统和座席组成(见图1)。完成与公用电话网连接及话务分配功能。
话务员座席,向话务员提供应答操作的设备。
班长席,对系统实施业务量化管理的设备。可管理各座席的业务,接受普通座席的转接来话。
质检席,对系统实施业务定性管理的设备。可实时、分时对话务员进行监听、显示、录音。
部分标准内容:
随着电信业务的迅速发展及各种交换设备的广泛应用,国内市场出现了许多具有数字交换功能的特种业务排队机,主要应用于110、119、无线导呼台、160信息台、114查号台等特种业务台。此类设备均与国内公用电话网直接相连,因此传输性能和服务功能的优劣将直接影响到公用电话网的质量。为加强此类通信设备进入公用电话网的管理,特制定出《公用电话网数字排队机技术要求及测试方法》,为在公用电话网上使用的数字排队机提供二个统一的技术标准依据。本标准规定了数字排队机接入公用电话网时必须统一遵循的技术要求及进网使用的检测方法。本标准的附录A、附录B和附录C都是标准的附录。本标准的附录D是提示的附录。
本标准由原邮电部电信科学研究规划院提出并归口。本标准起草单位:原邮电部通信计量中心。本标准主要起草人:吴长虹、陈欣。465
中华人民共和国通信行业标准
公用电话网数字排队机技术要求及测试方法Technical requirment and
test method for digital queue equipment of PSTN1范围
YD/T978-1998
本标准规定了数字排队机接人公用电话网时必须统一遵循的技术条件,主要内容包括定义、容量系列、技术要求及检测方法。
本标准适用于数字排队机。主要应用于特种业务台。2引用标准
下列标准所包含的条文,通过在本标准中引用而构成为本标准的条文。本标准出版时,所示版本均为有效。所有版本都会被修订,使用本标准的各方应探讨使用下列标准最新版本的可能性。GB3377电话自动交换网多频记发器信号方式GB3971.2电话自动交换网局间中继数字型线路信号方式GF002-9002邮电部电话交换设备总技术规范书YD/T614电话网查号系统技术条件YD/T729程控用户交换机进网检测方法YD/T751公用电话网局用数字电话交换设备进网检测方法YDNO34ISDN用户一网络接口规范TZ018,全国电话号码查询业务网技术体制(暂行规定)中国国内电话网No.7信号方式技术规范(暂行规定)GF001-9001
中国国内电话网No.7信号方式测试规范和验收方法(暂行规定)3定义
本标准采用下列定义:
自动呼叫分配(ACD-AutomaticCallDistributing),将来话在一指定应答组内均匀分配的呼叫处理技术。
数字排队机,由具有数字交换功能的ACD系统和座席组成(见图1)。完成与公用电话网连接及话务分配功能。
话务员座席,向话务员提供应答操作的设备。班长席,对系统实施业务量化管理的设备。可管理各座席的业务,接受普通座席的转接来话。质检席,对系统实施业务定性管理的设备。可实时、分时对话务员进行监听、显示、录音。维护管理终端,对排队机进行各种状态显示、数据修改、常规测试、故障诊断和管理的设备。4容量系列及相应配置
排队机容量按排队机入中继数划分,容量系列要求见表1。中华人民共和国信息产业部1998-09-07批准466
HKANrKAca
1998-12-01实施
中继线与座席数配比一般为2:18:1配置(不含班长席和质检席)。中继侧
公用电话网
YD/T978—1998
:1.对于某些特种业务台(如110、119、120台),可最低按数字排队机
座席侧
话务员座席接口
班长席接口
质检席接口
维护管理终端
图1数字排队机系统框图
表1排队机容量系列
小容量
中容量
大容量
5主要技术要求
5.1接口及其电气特性
5.1.1接口
数字排队机的接口如图2所示。图2中,在座席侧有二话务员座席
班长席
质检席
排队机人中继数(条)
128~512
线模拟接口Z和数字座席接口U,它们是用户终端和设备接入排队机的接口点:在中继侧有数字中继接口A,它是排队机接人公用电话网的接口。配线架
座席侧
5.1.2接口电气特性
5.1.2.1二线模拟接口Z
接口2
数字排队机的接口示意图
配线架
接口A
中继侧
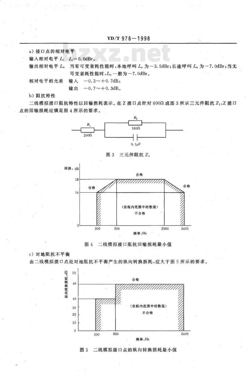
a)接口点的相对电平
输人相对电平LL,=0.OdBr。
YD/T978-1998
输出相对电平L。当有可变衰耗性能时,本地呼叫L。为一3.5dBr;长途呼叫L。为一7.OdBr;当无可变衰耗性能时,L。一般为一7.odBr。相对电平的充允差输人一0.3~+0.7dB;输出0.7~+0.3dB。
b)阻抗特性
二线模拟接口阻抗特性以回输损耗表示。在Z接口点针对600Q或图3所示三元件阻抗Z,,Z接口点的回输损耗应满足图4所示的要求。R
回损,dB
c)对地阻抗不平衡
三元件阻抗Z
(在框内范围中的数值)
不合格
额率,Hz
二线模拟接口阻抗回输损耗最小值3400
由二线模拟接口点处对地阻抗不平衡产生的纵向转换损耗,应大于图5所示的要求。P
(在框内范围中的数值)
不合格
频率,Hz
二线模拟接口点的纵向转换损耗最小值图5
KNONUKAca
d)终端平衡回输损耗
YD/T978—1998
在二线模拟接口终端平衡回输损耗(TBRL)指标应满足图6要求。e)稳定损耗
TBRL,dB
(在框内范围中的数值)
不合格
频率,Hz
图6二线模拟接口TBRL指标
在二线模拟接口处终接开路、短路条件下,稳定损耗在200~3600Hz范围内应>2dB。5.1.2.2数字接口 U
数字接口U为2B十D的数字座席线接人具有ISDN功能的排队机的接口,其电气性能见附录D5.1.2.3数字中继接口A
a)输出口电气特性
标称比特率:2048kbit/s
比特率容差:±50X10-6
代码:HDB3
b)输出口波形应符合表2和图7的规定。表2输出口波形规定
测试负载阻抗
脉冲(传号)的标称峰值电压
无脉冲(空号)的峰值电压
标称脉冲宽度
脉冲宽度中点处正负脉冲幅度比标称脉冲半幅度处正负脉冲宽度比5.2排队机系统功能
75Q电阻性
0±0.237V
120Q电阻性
应优于0.95~1.05
应优于0.95~1.05
(1)排队机受理用户呼叫应具有自动呼叫分配功能(ACD),以保证每个座席话务量的均衡。(2)排队机应具有按用户呼入的先后顺序进行排队处理的功能。(3)排队机具有多个话务员座席时,座席应按空闲先后顺序排队,使空闲时间最长的先接通,保证话务量分配合理。
(4)排队机可对不同中继线组设置为不同优先级(如长途中继组设为高优先级),具备高级别用户优先排队功能。
(5)为保障话务员正常处理业务,当中继电路较多而话务员座席开放较少时(如夜间),排队机应能自动调整或人为设定入中继用户队列长度,后续用户听忙音,避免用户长时间听回铃音等候。(6)多座席的排队机系统应有超时应答转移功能,某个座席超时限未予应答,排队机应能自动将呼叫优先转移至其它空闲座席,同时对超时应答座席闭锁并记录备考。(7)自动呼叫分配系统可具有多种排队类别,并能按照每群工作的话务员座席数量,均勾地将呼叫469
分配到各座席群和各座席。
4=100%
YD/T978—1998
(244+25)
(244+244)
图7输出波形
标称脉冲
(8)自动呼叫分配系统过负荷时,班长台上应有过负荷显示信号,并能给后来的呼叫送辅导音。(9)自动呼叫分配系统应能按班长台的要求将瞬时等待呼叫数显示在相关班长台上。(10)用户在排队等待期间,排队机可向用户送回铃音或音乐等安抚信号;在用户等待超过一段时间后放通知音,时间可由管理终端设定(11)对于应用于110、119、120以及容量大于512线的排队机,其公共设备如处理机、交换网络、电源等应采用热备份结构,具有故障自动倒换和人一机命令倒换功能,公共设备倒换时不应影响已建立的特种业务呼叫。
(12)排队机不允许有去话功能。(13)排队机座席应具有两路交叉工作的功能。(14)根据需要排队机具有向上端局发送计费信号的功能。(15)排队机应能接收上端局转发的主叫号码,号码识别长度应不少于12位。(16)排队机应实现对中继呼人类别的分群、合群及座席的分席、并席功能。当中继合群且使用不同的特种业务号码时,座席群间呼叫应能相互转接。5.3”座席功能
5.3.1话务员座席
(1)具有示忙、示闲、人工/自动应答、强拆、转接、录音等功能。(2)用户呼人话务员座席,应有可视信号并能根据需要显示主叫号码。(3)话务员座席全忙时,每个座席均应显示全忙,提醒话务员尽快处理。(4)话务员座席应设置功能键用以开启或闭锁本座席,且必须在话务员座席空闲时才能实施锁闭功能。
(5)排队机的话务员座席应具有将呼叫转移至班长座席的功能。470
TYKAiKAca
YD/T978-1998
(6)话务员座席应具有夜间服务功能。话务员下班后,来话可以被转移到指定的夜服座席上。5.3.2班长席
(1)具有一般话务员座席的全部功能。(2)应具有接受处理特殊疑难来话的功能。(3)应能开启、闭锁普通座席(其优先权高于普通座席)。(4)应能对各座席的应答时限、处理时限、缺席时限等时间参数进行修改。(5)具有指定夜服座席功能。
(6)可根据需要索取并显示各座席话务员正在处理的各种呼叫数据,并可打印输出。(7)应能检查排队机的用户呼人数,各座席值机话务员工号、姓名、密码、话务员应答速度,接通次数、转接次数、闭锁次数、超时应答次数、超时处理次数、处理一个呼叫的时长以及其他话务统计数据,必要时应可打印输出。
5.3.3质检席
(1)具有监听话务员座席、监督检查话务员服务质量的功能。(2)应能随时对座席录音和放音。(3)应能组织用户,质检席和话务员座席间的三方通话。(4)对于小容量的排队机可将质检席和班长席并席。5.4排队机统计管理功能
(1)排队机应配备维护管理终端,实现日常维护,话务员管理、系统数据设定和修改等功能。(2)应设置人机对话通行字,保证系统数据安全、正确。(3)管理终端应对排队机硬件配置、中继和座席状态、告警、自动测试、话务统计等信息进行实时显示。
(4)排队机应能通过维护管理终端进行自动测试和故障诊断。当检测到故障时,应具有可视可闻告警信号并打印输出,指出故障所在范围及性质。(5)可以人机命令闭塞、停用、启动排队机各种设备,如中继器、座席设备、收发码器等(6)排队机的人中继器应有自动和人工闭塞性能,保证中继器在空闲或无故障的情况下才被占用。(7)排队机应具有话务统计功能,可以人机命令定期测量话务数据,应能统计每条中继的呼人次数、占用时长、接通率、逾限率以及每个座席的逾限次数、转接次数、平均等待时间、闭锁次数和应答次数等。
5.5复原方式
排队机复原控制方式为被叫控制或互不控制方式:(1)被叫控制:通话毕,座席挂机后即自由,通话电路复原,并向主叫用户送忙音。如主叫用户先挂机,通话电路不复原(不向座席送忙音),主叫用户再取机,仍可继续通话。(2)互不控制:通话毕,主被叫任何一方先挂机,通话电路立即复原,挂机用户即自由并向对方送挂机信号。
由本地电话网用户呼叫排队机时,视本地电话网要求采用互不控制或被叫控制复原方式:(1)呼叫112、119、110、120、122、17x,10x特种业务台,为被叫控制复原方式;(2)呼叫113、114、115、116、117、121、125.126、128等其它特种业务台,为被叫控制复原方式,也可为互不控制复原方式。
5.6:传输参数1)
5.6.1损耗频率失真
1)Z接口半连接指标。
当基准频率f=1020Hz、电平L=
YD/T978—1998
-10dBmO的正弦测试信号加到任一个输人连接的Z接口,或相同特性的数字化模拟正弦测试信号加到任一输出连接的排队机测试点(OdBr)时,相应连接的300~3400Hz频率范围内各频率点通过通路相对基准信号的电平差值应符合以下要求:300~400Hz
400~600Hz
600~2400Hz
2400~3000Hz
3000~3488Hz
5.6.2传输损耗随时间的短期变化-0.3~+1.0dB
—0.3~+0.75dB
0.3~+0.35dB
-0.3~+0.55dB
0.3~+1.5dB
对任一Z接口与A接口组成的通路,在电源电压及温度变化所允许的稳态条件下,当f-1020Hz、电平L=一10dBmO的正弦测试信号加到任一个输入连接的Z接口,或相同特性的数字化模拟的正弦信号加到任一输出连接的数字接口时,在相应输出端测得的电平值,在任何一个连续运行10min间隔内与所取间隔开始时间的电平差值应在士0.2dB以内。5.6.3增益随输人电平变化
当基准频率f=1020Hz、电平L=(一55~十3dBm0)的正弦测试信号加到任一输入连接的Z接口,或相同特性的数字化模拟的正弦信号加到任一输出连接的排队机测试点(OdBr),相应连接通路相对于输入电平为一1odBmo时,连续的增益变化应符合以下值:+3~-40dBm0
40~—50dBm0
-50~55dBm0
5.6.4群时延
5.6.4.1绝对群时延
在频率500~2800Hz范围内,最小数值的群时延即为绝对群时延,其平均值<1500us,95%不超过的数值为1950μs。
5.6.4.2群时延失真
在频率为500~2800Hz范围内,相对最低群时延的输人/输出连接的群时延失真应符合以下要求:500~600Hz
600~1000Hz
1000~2600Hz
2600~2800Hz
5.6.5杂音
5.6.5.1衡重杂音
≤450μs
≤150μs
≤750μs
a)输出连接:对具有输出相对电平L。的Z接口允许的总杂音电平,应满足下式的要求,(dBmp)
LTN=10log(Prn/1pW)—90
式中:PTN——数字排队机输出连接Z接口的总衡重杂音功率PTN=PAN+10(90+LIN+L。)/10
(pWp);
PAN—由模拟装置产生的衡重杂音功率,对数字排队机为200pWp(-67dBmp);L。数字排队机半连接的输出相对电平(dBr);LiN--PCM转换设备的接收设备的衡重杂音,依建议G.714$10为—75dBmOp;LTNbzxz.net
数字排队机输出连接的总衡重杂音电平(dBmp)。b)输入连接:具有输入相对电平L时,在数字接口允许的总杂音电平应满足下式的要求LrN=10log(PTn/1pW)—90
式中:PTN—
一数字排队机输人连接总衡重杂音功率(pWOp),472
HYKAoIKAca
(dBmp)
式中:PAN-
YD/T978-1998
PrN=PAN×10-L/10+10(90+L)/10(pWp)
由模拟装置产生的衡重杂音功率,依建议G.123附录A;L
一数字排队机半连接输人相对电平(dBr);LiN—数字排队机输入连接空闲信道衡重杂音(一66dBmOp);LTN
一数字排队机输人连接的总衡重杂音电平(dBmp)。二线模拟接口半连接衡重杂音指标输入连接≤—63.5dBmOp(L,=OdBr)输出连接≤—66.7dBmp(L。=—3.5dBr)输出连接≤-66.9dBmp(L。=—7.OdBr)5.6.5.2非衡重杂音
在20Hz~20kHz频带应不大于一40dBm0。5.6.6总失真
对于乙接口,输人或输出信号与总失真比应满足下式所得的要求S/N=L+L-10log[10(,+-$/N)/10+10g/10)式中:L
测试信号的信号电平(单位dBmO);L—输入连接时的L(输入相对电平)或输出连接时的L。(输出相对电平)(dBr);L—由模拟装置引起的衡重杂音,为一67dBmp;S/N-
一建议G.714中PCM转换设备的信号对总失真的比。表3总失真指标
信号与总失真比,dB
发送电平
输人连接
L=—0.odBr
5.6.7:输出端带外信号鉴别(只用于输出连接)二线模拟接口
输出连接
L.——3.5dBr
L。—7. OdBr
在频率300~3400Hz范围内,当电平为0dBm0的任何频率的数字化的模拟正弦信号加到输出连接的数字接口端时,则在其相应通路的模拟接口端选测的带外镜像频率信号的寄生电平应不大于-25dBmo。
5.6.8输入端带外信号鉴别(只用于输入连接)当频率为4.6~72kHz的任一正弦信号以一25dBmO的电平加到半连接的模拟接口时,则在对应输人连接时隙中产生的任一镜像频率的电平应至少比发送信号电平低25dB。5.6.9串音
在申音最不利的条件下(即空间位置或瞬时时间上最容易引起串音的场合),排队机任意两模拟接口与数字接口组成的通路间,当主串通路的输人端加人一个频率为1020Hz、电平为0dBm0的正弦测试信号(或相同特性的数字化正弦测试信号)时,被申通路上测得的申音衰减应符合表4规定。473
测试条件
二线模拟,输人连接,近端
二线模拟,输人连接,远端
二线模拟,输出连接,近端
二线模拟,输出连接,远端
5.7信号方式
5.7.1座席信号方式
标称频率
YD/T978—1998
串音衰减规定
与多频按键话机有关的座席信号技术指标见表5和表6。表5座席信号技术指标
由谐波互调引起的总失真
信号极限时长
信号间隔时长
号码盘数字
低频群,Hz
高频群,Hz
5.7.1.2ISDN座席的信号方式
详见YDN034。
5.7.2局间信号方式
5.7.2.1局间数字型线路信号
发号器
低频群:697Hz、770Hz、852Hz.941Hz串音衰减指标,dB
接收器
高频群:1209Hz、1336Hz、1477Hz、1633Hz土2.0%以内可靠接收;
不超过士1.5%
低频群-9±3dBm
高频群—7±3dBm
组成一组信号的高频群电平不能低于低频群电平且电平差<(2士1)dB比基波电平至少低20dB
>40ms/位
座席信号技术指标
11(*)
局间数字型线路信号的编码方式见附录A。5.7.2.2多频记发器信号方式
土3.0%以上保证不接收;
±2.0%~士3.0%之间不保证接收
双频工作时单额接收电平范围一4~23dBm;
双频工作时单频不动作电平
双频电平差<6dB
30~40ms/位
30~40ms
12(#)
a)局间多频记发器信号的技术指标应符合GF002-9002.1中5.6及5.7的要求。474
HKoNLKAca
YD/T978—-1998
b)特种业务台的局间多频记发器信号发送顺序详见附录B5.7.2.3No.7公共信道信号方式
排队机与市话局间若采用No.7公共信道信号方式,详见GF001-9001《中国国内电话网No.7信号方式技术规范》(暂行规定)及相关标准。5.8铃流和信号音
5.8.1铃流源为(25士3)Hz正弦波,谐波失真不大于10%,输出电压有效值为(75士15)V。振铃采用5s断续,即1s送,4s断,断续时间各允许偏差不超过士10%,5.8.2信号音
信号源为(450士25)Hz或(950士50)Hz的正弦波,谐波失真不大于10%。各种信号音的断续时间允许偏差不超过土10%。各种信号音的含义、结构及发送电平应符合GF002-9002.1中5.8.2的要求。5.9服务质量指标要求
5.9.1排队机机内阻塞概率不大于10-;5.9.2排队机接续故障率≤1%。
5.10计费要求
5.10.1对于168、160等需附加计费的特种业务台,其电话费率按运营部门的有关规定具体实施。5.10.2数字排队机应能发送被叫应答和挂机信号,以满足各种计费方式需要。5.11网同步
5.11.1当数字排队机经数字中继与公用网相连接时,采用主从同步方式,应配备4级时钟。5.11.2时钟的最低准确度为士50×10-6。5.11.3牵引范围为能够同步到准确度为士50×10-6的时钟。5.12可靠性指标
5.12.1排队机中断的指标为20年内不得超过1h,6个月试运行不得产生排队机中断(排队机中断是指影响全系统90%以上话务员座席不能工作)。5.12.2再启动
再启动是指排队机重新加电或发生系统故障时,在引导程序控制下,系统自动装入程序和数据,进入正常运行状态。再启动分为三类:一类再启动为次要再启动,指不影响正在通话的用户,只影响接续;二类再启动为严重再启动,指影响本处理机控制的通话和接续;三类再启动为系统重新装载,指影响全部通话和接续。各类再启动指标见表7。
表7再启动指标
再启动类别
5.13电源及接地要求
试运行6个月内
保修期一年内
5.13.1直流电源电压标称值为-48V,电压在一40~一57V范围内排队机应能正常工作。5.13.2直流电源输出端衡重杂音电压值<2mV(300~3400Hz电话频带内)。5.13.3接地要求
(1)接地方式:采用排队机的工作地、保护地以及建筑防雷接地共用一组接地体的集中接地方式,称为联合接地方式。
YD/T978-1998
(2)接地电阻:排队机所在通信局的联合接地的接地电阻值要求<5Q。5.14环境要求
(1)数字排队机在温度15~30℃、湿度40%~70%范围之内,应能正常工作。(2)根据需要机房应有防尘、防振、防腐蚀、空调等措施,对于数字排队机还应有防静电措施。6测试方法
6.1公共测试条件
6.1.1测试界面数字接口以数字配线架((DDF)为界,模拟接口以总配线架(MDF)为界。除特殊注明外,测试监测点均以被测通路相应配线架对应的接口接线端为准,被测设备最终测试结果应扣除测试系统的系统误差。
6.1.2传输指标测试可采用全连接或半连接的测试方法。6.1.3排队机测试时,应在设备工作地接大地条件下进行。6.1.4测试参考条件
参考基准频率
参考基准电平
fo:1020Hz
La:-1odBmo
6.1.5随机抽取两条通路进行测试,如不符合指标应加倍复测,但只允许复测一次,测试结果以复测结果为准。
6.1.6测试环境
测试应在被测排队机实际使用的正常温度、湿度范围和标称供电电压及正常负荷条件下进行。6.1.7测试所用仪表和设备应保证相应的精度,并在计量有效期内。6.1.8传输指标的测量均在阻抗匹配条件下进行。对Z接口,当接口阻抗为600Q时,接6002信号发生器和600Q音频选频电平表;当接口阻抗为三元件阻抗Z(图3)时,接三元件信号发生器和三元件电平表。
6.1.8.1三元件仪表组成
三元件信号发生器由具有0Q内阻、对地平衡式的音频信号发生器和对应接口三元件阻抗组成,或由600α音频信号发生器和阻抗适配仪组成,见图8。21/2
音频信号发生器
(0Q内阻)
音频信号发生器
适配仪
音频信号发生器
(兰元件)
音频信号发生器
(三元件)
图8二线模拟用户接口三元件信号发生器的组成三元件电平表由对地浮空平衡式高阻抗(>30kQ)的音频选频电平表和对应接口三元件阻抗组成:或由600α音频选频电平表和阻抗适配仪组成,见图9。476
TYKAIKAca
小提示:此标准内容仅展示完整标准里的部分截取内容,若需要完整标准请到上方自行免费下载完整标准文档。
标准图片预览:





- 其它标准
- 热门标准
- YD通讯标准
- YD/T1684-2007 数字蜂窝移动通信网点对点短消息业务计费技术要求和检测方法
- YDC029-2003 电信设备和系统的高低频电磁兼容性改善技术要求
- YD/T1344-2005 IPv6 地址结构协议 —— IPv6 无状态地址自动配置
- YD/T1108-2001 CDMA 数字蜂窝移动通信网无线同步双模(GPS/GLONASS)接收机性能要求及与基站间接口技术规范
- YD/T2068.3-2010 2GHz TD-SCDMA 数字蜂窝移动通信网多媒体广播系统(TD-MBMS)网络管理技术要求(第一阶段) 第3部分:基于 CORBA 技术的网络资源模型设计
- YD/T1319-2004 通信电缆 —— 无线通信用 50Ω 泡沫聚乙烯绝缘编织外导体射频同轴电缆
- YD/T1763.3-2008 TD-SCDMA/WCDMA 数字蜂窝移动通信网通用用户识别模块(USIM)与终端间 Cu 接口测试方法 第3部分:通用用户识别模块应用工具箱(USAT)特性
- YD/T1875-2009 800MHz/2GHz cdma2000 数字蜂窝移动通信网设备测试方法传统终端域(LMSD)移动交换子系统
- YD/T1374.7-2007 2GHz TD-SCDMA/WCDMA 数字蜂窝移动通信网 lu 接口技术要求(第二阶段) 第7部分:服务区广播协议(SABP)
- YD/T5174-2008 2GHz TD-SCDMA 数字蜂窝移动通信网工程验收暂行规定
- YD/T5178-2017 通信管道人孔和手孔图集
- YD/T1049-2000 800MHz CDMA 数字蜂窝移动通信网设备总测试规范:交换子系统部分
- YD/T1456.2-2006 900/1800MHz TDMA 数字蜂窝移动通信网业务交换点(SSP)设备测试方法(CAMEL3) 第2部分分组域(PS)
- YD/T1688.3-2011 xPON 光收发合一模块技术条件 第3部分:用于 GPON 光线路终端/光网络单元(OLT/ONU)的光收发合一模块
- YD/T1027-1999 800MHz CDMA数字蜂窝移动通信网接口测试规范:移动交换中心与基站子系统间接口
- 行业新闻
网站备案号:湘ICP备2025141790号-2