- 您的位置:
 - 标准下载网 >>
 - 标准分类 >>
 - 铁路运输行业标准(TB) >>
 - TB/T 2927-1998 高分子材料钢轨绝缘件
 
标准号:
TB/T 2927-1998
标准名称:
高分子材料钢轨绝缘件
标准类别:
铁路运输行业标准(TB)
标准状态:
现行出版语种:
简体中文下载格式:
.zip .pdf下载大小:
2.60 MB
点击下载
标准简介:
					TB/T 2927-1998.
1范围
TB/T 2927规定了钢轨绝缘的分类、技术要求试验 方法、检验规则及标志包装 、运输 、贮存。
TB/T 2927适用于铁路60、50和43kg/m钢轨绝缘接头用的槽型、轨端和管垫绝缘件(以下简称“钢轨绝缘”)。
2引用标准
下列标准所包含的条文,通过在本标准中引用而构成为本标准的条文,本标准出版时,所示版本均为有效。所有标准都会被修订,使用本标准的各方应探讨使用下列标准最新版本的可能性。
GB/T 1034-86塑料吸 水性试验方法
GB/T 1040- 92塑 料拉伸性能试验方法
GB/T 1041-92塑料 压缩性能试验方法
GB/T 1043--93 硬质塑料简支梁冲击试验力法
GB/T 1303-77 3240环氧酚醛层压玻璃布板
GB/T 1304-77电工绝缘热固 性层压制品通用试验方法(五)马于氏 耐热性
GB/T 1410-89固 体绝缘材料体积电阻率和表面电阻率试验方法
GB/T 1447-82玻 璃纤维增强塑料拉伸性能试验方法
GB/T 1448-83玻 璃纤维增强塑料压缩性能试验方法
GB/T1451-83玻璃纤维增强塑料简支梁式冲击韧性试验方法
GB/T1462-88纤维增强塑料吸水性试验方法
GB/T1634--79塑料弯曲负载热变形温度(简称热变形温度)试验方法.
GB/T 2828- -81 逐批检 查计数抽样程序及抽样表
GB/T2829--81周期检查计数抽样程序及抽样表
部分标准内容:
TB/T 2927—1998
高分子材料钢轨绝缘件
1998—05—04发布
1998—11—01实施
中华人民共和国铁道部发布
TB/T2927—1998
本标准参照日本JRS22723—16A—14R4C&H-2型钢轨绝缘及JISE3032-—1992钢轨绝缘材料一性能试验方法标准中有关试样的取样方法、体积电阻系数试验方法、安装方法以及紧固扭矩等方面的有关内容。本标准自生效之月起,替代TB1440、TB1485.TB1920.TB2126、TB2127、TB2128:六项铁道行业标准。
本标由中国铁路通信信号总公司西安器材研究所提出并归L1。本标准起草单位:铁道部标准计量研究所、中国铁路通信信号总公司研究设计院、南昌铁路通信信号工厂、沈附铁路局大石桥绝缘板材」、声岛铁路分局信导器材厂,无锡市塑料·厂、北京市紫光塑料电器厂、武昌铁路分高电务器材厂。本标谁主要起草人:包素萍、祁祖林、廖跃祖、解承林,王绍和、陆惠琴、梁禄,王建平。本标准于 1998 年 5 月次发布。YYKAONrKAca
1范围
中华人民共和国铁道行业标准
高分子材料钢轨绝缘件
TB/T2927-1998
代替TB1440—82
TB148583
TB1920—87
TB2126—90
TB212790
TB212890
本标准规定了钢轨绝缘的分类、技术要求试验方法、检验规则及标志,包装、运输、存。本标准适用于铁路60、50和43kg/m钢轨绝缘接头用的槽型、轨端和管垫绝缘件(以下简称“钢轨绝缘”。
2引用标准
下列标准所包含的条文,通过在本标准中引用而构成为本标准的条文,本标准出版时,所示版本均为有效,所有标准都会被修订,使用本标准的各方应探讨使用下列标准最新版本的可能性。
GB/T1034
GB/T1040
GB/T1041
GB/T1043
GB/T1303
GB/T1304
GB/T14L0
GB/T1447
GB/T1448
GB/T1451
GB/T1462
GB/T1634
塑料吸水性试验方法
塑料拉伸性能试验方法
塑料压缩性能试验方法
硬质塑料简支染冲士试验方法
3240环氧酚醛层压玻璃布板
电工绝缘热固性层压制品通用试验方法88
GB/T282881
GB/T2829—81
开耐热性
固体绝缘材料体积电阻率和表面电阻率试验方法玻璃纤维增强塑料拉伸性能试验方法玻璃纤维增强塑料压缩性能试验方法玻璃纤维增强塑料简支梁式冲击韧性试验方法纤维增强塑料吸水性试验方法
塑料弯曲负载热变形温度(简称热变形温度)试验方法逐批检查计数抽样程序及抽样表周期检查计数抽样程序及抽样表中华人民共和国铁道部1998—05—04批准19981101实施
TB/T2927-1998
GB/T3398--82塑料球压痕硬度试验方法GB/T3854-一83纤维增强塑料巴氏硬度试验方法3分类
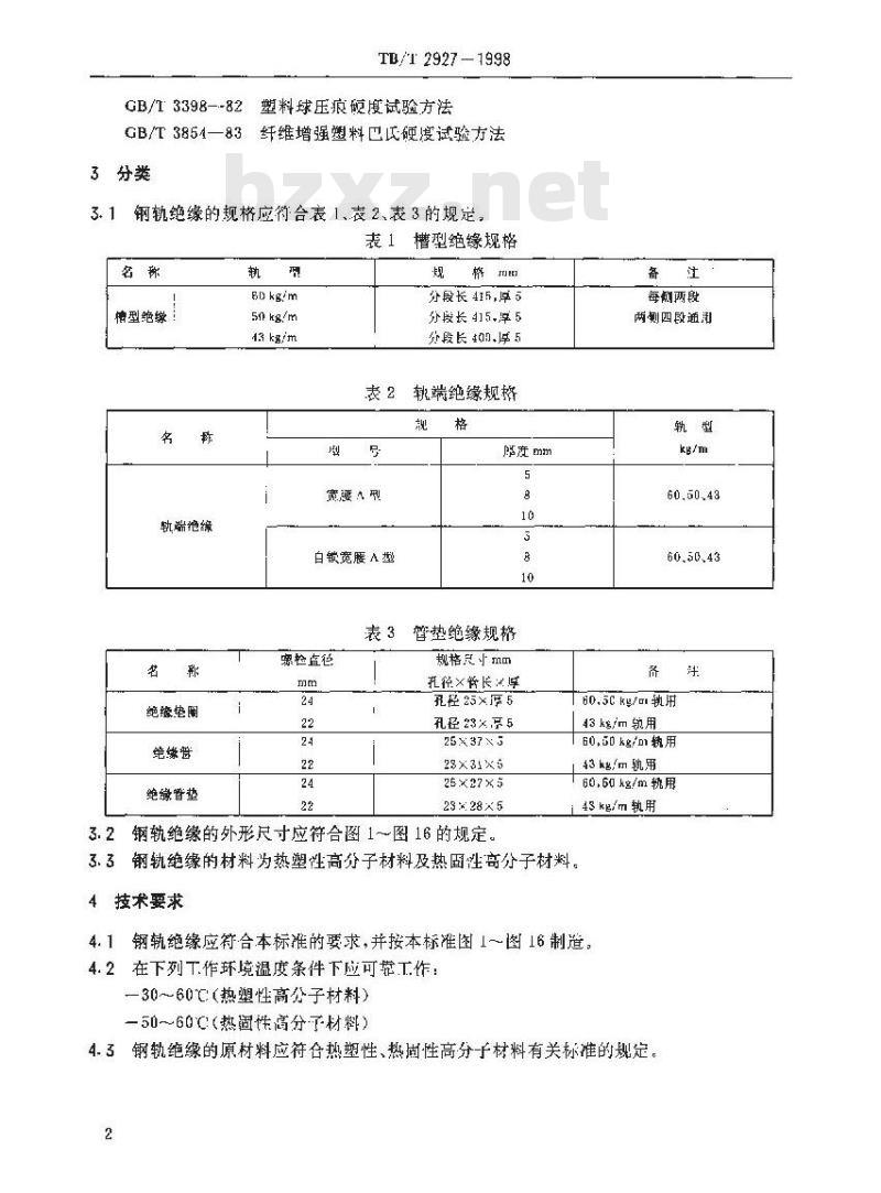
3.1钢轨绝缘的规格应符台表1、表2、表3的规定,表1槽型绝缘规格
情型绝缘
轨端绝
绝续垫围
绝缘管
绝续管垫
BUkgim
5个kg/m
43kg/m
分段长415,卓5
分段长 415.罩 5
外段长 400,库 5
表2端绝缘规格
度 mm
宽腰A型
白锁宽腰A型
螺检直径
管垫绝缘规格
规格尺mm
径×管长厚
充径25×序5
孔径23×享5
25X37x3
28×31x5
25X27X5
23x28×5
钢轨绝缘的外形尺寸应符合图1~图16的规定备汪
每創两段
两测四段通用
60.5ckg/用
43kg/m轨用
60,50kg/m热用
43 kg,m轨用
60,60kg/m轨用
43kg/m轨用
钢轨绝缘的材料为热塑性高分子材料及热固注高分子材料,4技术要求
4.1钢轨绝缘应符合本标准的要求,并按本标准图1~图16制道:4.2在下列下作环境温度条件下应可靠工作:一30~60℃(热塑性高分子材料)一50~60℃(热固性高分了材料)4.3钢轨绝缘的原材料应符合热塑性、热性高分子材料有关标推的规定,2
TYKAONrKAca
TB/T 29271998
TB/T2927-1998
145±42
槽电绝线50
400t34
107.5±/2
图3槽型绝缘43
145±12
107.5±小2
图4括型绝缘60(靠紧鱼尾板)
YYKAONrKAca
TB/T2927-1998
轨中心线
销软中心线
TB/T2927免费标准bzxz.net
图?白锁宽腰轨端绝缘(60kg/m钢赖用)8
自锁克费软端绝缘(43kB/m钢轨用)1·95
YKAoNrKAca
图8宽暖轨蝴绝缘(50kg/m钢轨用)S
图10宽腰轨辅绝缘(60kg/m纲软月)2
TE/T2927—1998
图11白锁宽腰轨端绝缘(50kg/m钢轨用)15#2
图13绝缘垫60.50
图15绝缘管60bu
图12宽腰轨端绝缘(43kg/m钢轨用)与
图14绝缘势图
图16丝缘管43
TB/T2927-1998
钢轨绝缘的物理力学性能应符合表4的规定。表4物理力学性能
吸水率
体积电阻率
拉伸强度
伸长率
压缩强度
压缩率
缺口冲击强
度(简支梁)
耐热耐寒性
马丁耐热性
热变形温度
条件及处理
浸水24h
吸水率试验后
常温.带摄
常温,带湿
常温.常温
常温,带湿
常温,带湿
巴氏硬度(HBa)
球压痕硬度(H)
常温,常湿
轨端、垫
M2·cm
kf/mm2
注:①常温是指10~35℃:常混是指相对湿度45%250
外观无明显变化(婴纹、裂痕、气泡等)200
②槽型压缩强度的试样在未经后处理的半成品(干态上制取。③25%压绪率是由试验条件规定的4.5槽型及管垫绝缘紧固扭矩强度性能螺栓扭矩达900N·m时,应无裂纹、分层及断裂。4.6槽型绝缘自由落锤冲击性能:130
用落锤质量为3kg,高度1m,自由落锤冲击三次,应无裂纹、龟裂和破碎现象4.7轨端绝缘自由落锤冲击试验性能:4.3kg、直径为4.5cm的链头,高度为1.5m,分别连续冲击5、8、10mm厚的用重量为
产品2025和35次,不允许开裂。4.8钢轨绝缘不允许有直径大于2mm的气泡,直径1~2mm的气泡不得超过5个,受力部位不得有气泡、
4.9钢轨绝缘产品的重量应与其密度值相符合。4.10外观质量
钢轨绝缘表面应光洁、平整、无目测可见的皱纹、裂纹、分层、凹陷、翘曲和变形等缺陷。受力部位无明显熔结痕。
5试验方法
试样大小直接从产品上制取。若产品固有尺寸所限不能制取时,要从用相同材料制作制取。
5.1.1取样试验项目及试样尺寸见表5。TYKAONrKAca
试验项目
吸水串
体租电阻率
尔强度
能缩率
巴氏硬度(HBu)
球压痕硬度(H)
TB/T2927—1998
表5取样试验项日及试样尺小
钢轨绝缘
试样的具体取样方法见图17及表6,5
图17取择方法
产品尺寸
产品尺小
试验项目
吸水率
体积电阻率
拉触强度
拉伸率
压缩强度
玉缩率
冲击强度
巴氏硬度(HBa)
球压痕硬度(H)
耐热耐寒性
切取工
切敢计
平板器
动敢!
TB/T2927-1998
表6取样方法
取样方法
切取!
切取1
切取1
动敢!
钢轨绝缘的物理力学性能应按照下列标准进行试验:5.2
5.2.1冲击强度
拉伸强度
压缩强度
按照B/T1043或GB/T1451测试。
按照CB/T1040或GB/T1447测试。按照GB/T1041或GB/T1448测试。热变形温度
马丁耐热性
按照GB/T1634测试(最大弯曲应力18.5kg/cm2)GB/T1304测试
体积电阻系数按照GB/T1410测试按照GB/T1034或GB/11462测试
吸水率
硬度按照GB/T3854测试(HBa)。按照GB/T3398测试(H)。
5.3钢轨绝缘紧固扭短强度试验
单位:mm
模拟现场钢轨绝缘紧固方法,见图18。采用增力扳手,给螺栓施加紧固力矩900N:m,然后拆卸检查有无裂
1钢轨;2-鱼尾板,3-高强度螺栓:4一绝缘套臂;5-槽型绝缘6-高强度绝缘垫圈:7-高强度垫围;8高强度螺母图18紧固根矩安装示意图
TYKANrKAca
小提示:此标准内容仅展示完整标准里的部分截取内容,若需要完整标准请到上方自行免费下载完整标准文档。
标准图片预览:





- 其它标准
 
- 热门标准
 - TB铁路运输标准
 
- TB/T3305-2000 平面换装滚动单国际联运技术条件
 - TB/T2943.1-2007 机车车辆车钩组件 第1部分:钩舌销和钩尾销技术条件
 - TB/T2973-2006 列车尾部安全防护装置及附属设备
 - TB/T3198.2-2008 铁道货车心盘及磨耗盘专用量具第2部分:心盘及磨耗盘检修用量具
 - TB/T3127-2005 铁路道岔钩锁器
 - TB/T2967-1999 铁路旅客运输服务质量标准
 - TB/T2945-1999 铁道车辆用LZ50钢车轴及钢坯技术条件
 - TB/T2816.1-1997 车辆和煤水车车轴低倍组织检验
 - TB/T2604-2007 13A型钩尾框量具
 - TB/T3157-2007 电力机车主变压器用油冷却器
 - TB/T2940-1999 零担装卸搬运设施的技术要求
 - TB/T2837-1997 701型试验台技术条件
 - TB/T2617-1994 铁路零担货物运输包装管理办法
 - TB/T3179-2007 5D型集装箱吊具技术条件
 - TB/T2816.1-1997 车辆和煤水车车轴低倍组织检验
 
- 行业新闻
 
网站备案号:湘ICP备2025141790号-2