- 您的位置:
- 标准下载网 >>
- 标准分类 >>
- 铁路运输行业标准(TB) >>
- TB/T 1121-1998 通信信号企业标准的编号原则
标准号:
TB/T 1121-1998
标准名称:
通信信号企业标准的编号原则
标准类别:
铁路运输行业标准(TB)
标准状态:
现行出版语种:
简体中文下载格式:
.zip .pdf下载大小:
195.96 KB

点击下载
标准简介:
TB/T 1121-1998.
1范围
TB/T 1121规定了铁路通信、信号企业标准的企业代号(以下简称企业代号)及企业标准号的编制原则。
TB/T 1121适用于生产铁路通信、信号产品的企业(以下简称企业)。
2企业标准编号的构成
2.1企业标准编号 主要由五部分构成:企业标准代号、企业代号、类组号、顺序号、年代号(见图1及提示的附录A3、A4、A5) ;其中,企业标准代号“Q”与企业代号之间用斜线隔开,企业代号与类组号之间空半个字的距离,类组号与顺序号之间用圆点隔开,顺序号与年代号之间用短横线隔开。当一项标准是由分组件、部件、零件组成的标准件时,其组成部分的编号构成见2.2条。
2.1.1 企业标准代号以“Q”(企)表示。
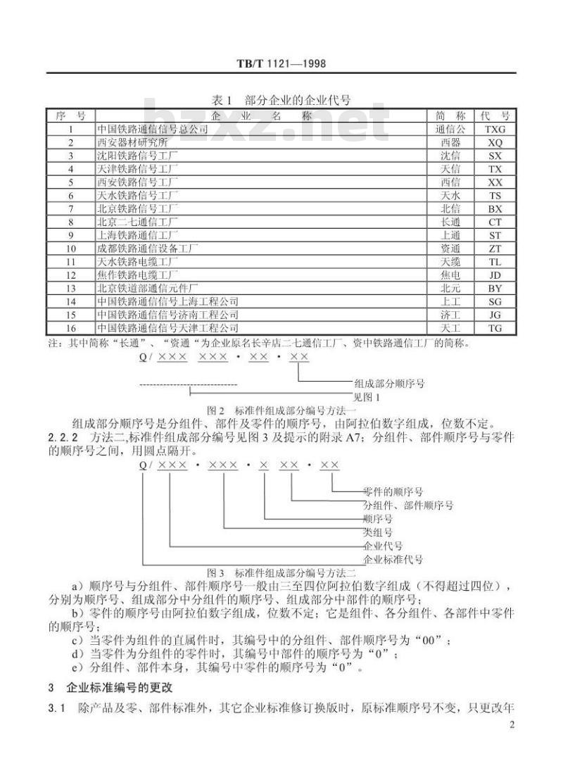
2.1.2企业代号由不多于三个汉语拼音字母组成;汉语拼音字母是指企业名称简称的汉语拼音的缩写字母。部分企业的企业代号见表1。
2.1.3 类组号- -般由三位阿拉伯数字(不得超过四位)组成。三(四)位数字分别为“类”、“组”、“分组”号,各企业根据本单位标准体系构成进行编制( 见提示的附录A1、A2)。
2.1.4顺序号是按各分组标准申请先后顺序用阿拉伯数字给予每个企业标准顺序编号,由二位数字组成。
2.1.5 年代号按企业标准批准之时的年代,用四位阿拉伯数字表示;标准组、部、零件的编号可省略年代号(见提示的附录A5)。
2.2当一项标准是由分组件、部件及零件组成的标准件时,其组成部分按下列方法编号。
2.2.1方法一标准件组成部分编号见图2及提示的附录A6。类组号、顺序号及组成部分顺序之间,用圆点隔开。

部分标准内容:
本标准是对TB112175《通信信号企业标准的编号原则》的修订。TB1121《通信信号企业标准的编号原则》在1961年制定,1964年和1975年进行了修订。在这次修订过程中参考了国家标准GB/T13017一1991《企业标准体系表编制指南》、GB/T154971995《企业标准体系—技术标准体系的构成和要求》、GB/T154981995《企业标准体系一管理标准工作标准体系的构成和要求》。主要修订内容如下:1.增加了年代号。
2.增加了企业代号的编制方法。3.对标准件组成部分的编号,增加了以隶属关系为原则的编号方法。4.取消了组成复杂,且有系列性的标准件组成部分的编号方法。5.取消了典型装配图的编号方法。本标准从实施之日起,同时代替TB1121一75。本标准的附录A是提示的附录。
本标准由铁道部标准计量研究所提出并归口。本标准起草单位:北京二七通信工厂、铁道部标准计量研究所、西安器材研究所。本标准主要起草人:芮斯琪、罗月霞、殷桃、姜里芝。1范围
中华人民共和国铁道行业标准
通信信号企业标准的编号原则
TB/T1121—1998
代替TB1121—75bzxZ.net
本标准规定了铁路通信、信号企业标准的企业代号(以下简称企业代号)及企业标准号的编制原则。
本标准适用于生产铁路通信、信号产品的企业(以下简称企业)。2企业标准编号的构成
2.1企业标准编号主要由五部分构成:企业标准代号、企业代号、类组号、顺序号、年代号(见图1及提示的附录A3、A4、A5):其中,企业标准代号“Q”与企业代号之间用叙线隔开,企业代号与类组号之间空半个字的距离,类组号与顺序号之间用圆点隔开,顺序号与年代号之间用短横线隔开。Q/××××××:××××××
年代号
顺序号
类组号
企业代号
企业标准代号
图1企业标准编号构成
当一项标准是由分组件、部件、零件组成的标准件时,其组成部分的编号构成见2.2条。
2.1.1企业标准代号以“Q”(企)表示。2.1.2企业代号由不多于三个汉语拼音字母组成:汉语拼音字母是指企业名称简称的汉语拼音的缩写字母。部分企业的企业代号见表1。2.1.3类组号一般由三位阿拉伯数字(不得超过四位)组成。三(四)位数字分别为“类”、“组”、“分组”号,各企业根据本单位标准体系构成进行编制(见提示的附录A1、A2)。2.1.4顺序号是按各分组标准申请先后顺序用阿拉伯数字给予每个企业标准顺序编号,由二位数字组成,
2.1.5年代号按企业标准批准之时的年代,用四位阿拉伯数字表示;标准组、部、零件的编号可省略年代号(见提示的附录A5)。2.2当一项标准是由分组件、部件及零件组成的标准件时,其组成部分按下列方法编号。2.2.1方法一,标准件组成部分编号见图2及提示的附录A6。类组号、顺序号及组成部分顺序之间,用圆点隔开
中华人民共和国铁道部199802—24批准TKNTKACA
199809-01实施
中国铁路通信信号总公司
西安器材研究所
沈阳铁路信号工厂
天津铁路信号工厂
西安铁路信号工厂
天水铁路信号工厂
北京铁路信号工厂
北京二七通信工厂
上海铁路通信工厂
成都铁路通信设备工厂
天水铁路电缆工厂
焦作铁路电缆工厂
北京铁道部通信元件厂
TB/T1121—1998
表1部分企业的企业代号
中国铁路通信信号上海工程公司中国铁路通信信号济南工程公司中国铁路通信信号天津工程公司注:其中简称“长通”
通信公
“资通“为企业原名长辛店二七通信工厂、资中铁路通信工厂的简称。Q/XXX
组成部分顺序号
见图1
图2标准件组成部分编号方法
组成部分顺序号是分组件、部件及零件的顺序号,由阿拉伯数字组成,位数不定2.2.2方法二,标准件组成部分编号见图3及提示的附录A7:分组件、部件顺序号与零件的顺序号之间,用圆点隔开。
Q/XXX:
零件的顺序号
分组件、部件顺序号
顺序号
类组号
企业代号
企业标准代号
图3标准件组成部分编号方法
a)顺序号与分组件、部件顺序号一般由三至四位阿拉伯数字组成(不得超过四位):分别为顺序号、组成部分中分组件的顺序号、组成部分中部件的顺序号;各部件中零件
b)零件的顺序号由阿拉伯数字组成,位数不定:它是组件、各分组件、的顺序号:
c)当零件为组件的直属件时,其编号中的分组件、部件顺序号为“00”;d)当零件为分组件的零件时,其编号中部件的顺序号为“0”;e)分组件、部件本身,其编号中零件的顺序号为“0”企业标准编号的更改
3.1除产品及零、部件标准外,其它企业标准修订换版时,原标准顺序号不变,只更改年2
代号。
TB/T1121—1998
产品及零、部件标准作原则性修改时,应另编号。3.2
企业代号的申请
企业应向铁道部通信、信号产品标准化技术归口单位申请企业代号KANTKACA-
企业标准类号编制示例一:
技术(组织)文件
产品及零部件标准
工艺标准
基础标准
设备标准
材料标准
企业标准类号编制示例二:
基础标准
质量标准
经营、营销标准
TB/T11211998
附录A
(提示的附录)
技术、生产、计划标准
安全、卫生、环保及其它标准
设备标准
物资、能源、劳动组织标准、
企业标准编号构成的示例:
A4企业标准编号构成的示例:
3260-04-1992
1992年批准
标准化岗位任职批准
部门(总工办)
工程技术干部
般半部
岗位任职标准
沈阳铁路信号工厂
企业标准代号
A5企业标准件编号构成的示例:—1997
052:13
1997年批准
数字式电话集中机
站场系列
产品标准
组织文件
成都通信设备工厂
企业标准代号
TB/T1121—1998
A6企业标准件组成部分编号示例:Q/XX117.1
(组件)
A7企业标准件组成部分编号示例:(年代号省路)
第二种屏敲军
屏蔽罩
分盘结构件
结构标准件
七通信工厂
企业标准代号
Q/XX117.1.2(零件)
Q/XX117.1.1
(分组件)
Q/XX117.1.3(零件)
Q/xX117.1.4—Q/xX117.1.5
(分组件)
(部件)
Q/xx117.1.6Q/xx117.1.7
(分组件)
(部件)
Q/XX117.1.9(零件)
Q/xX.117.1.11(分组件)
Q/CT 310.500.1
(零件)
Q/CT310.500.2
(零件)
Q/CT310.510.0
(分组件)
Q/CT310.5-
(组件)
Q/CT 310.520.0-
(分组件)
Q/CT310.510.1(零件)
Q/CT310.510.2(零件)
Q/CT310.510.3(零件)
Q/CT310.511.1
(零件)
Q/CT310.511.0
(部件)
Q/CT310.511.2
(零件)
Q/CT310.512.1
Q/CT310.512.0
(部件)
(举件)
Q/CT310.512.2
(零件)
Q/CT310.520.1(零件)
Q/CT310.520.2(零件)
Q/CT310.520.3(零件)
KTKACA
小提示:此标准内容仅展示完整标准里的部分截取内容,若需要完整标准请到上方自行免费下载完整标准文档。

标准图片预览:





- 其它标准
- 热门标准
- TB铁路运输标准
- TB/T829-93球 直角接头
- TB/T1344-2008 内燃机车用齿轮油泵
- TB/T3354-2014 铁路隧道排水板
- TB/T2345-2008 43kg/m~75kg/m钢轨接头夹板订货技术条件
- TB/T3216-2009 高原铁道客车供氧系统
- TB/T3523.1-2018 交流传动电力机车试验方法第1部分:输出特性试验
- TB/T1386-2011 内燃机车用液力传动箱
- TB/T2575-1995 碱性铜电刷镀溶液技术条件
- TB/T1803-2007 铁道罐车水压试验
- TB/T2911-2016 铁道车辆铆接通用技术条件
- TB/T3234-2010 铁路红十字药箱配备标准及使用原则
- TB/T3412-2015 动车组用电连接器
- TB/T3253-2010 电气化铁路接触网绝缘护套
- TB/T3199.1-2018 电气化铁路接触网用绝缘子第1部分:棒形瓷绝缘子
- TB/T3287-2013 机车信号车载系统设备
- 行业新闻
网站备案号:湘ICP备2023016450号-1