- 您的位置:
- 标准下载网 >>
- 标准分类 >>
- 铁路运输行业标准(TB) >>
- TB/T 3450-2016 长钢轨普通平车运输专用座架
标准号:
TB/T 3450-2016
标准名称:
长钢轨普通平车运输专用座架
标准类别:
铁路运输行业标准(TB)
标准状态:
现行出版语种:
简体中文下载格式:
.zip .pdf下载大小:
1.76 MB

点击下载
标准简介:
TB/T 3450-2016.Special steel supports for transporting long steel rails using flatcars.
1范围
TB/T 3450规定了长钢轨普通平车运输专用座架的术语和定义技术要求、检验方法、检验规则和标志。
TB/T 3450适用于使用普通平车运输长钢轨的专用座架的设计生产及检验。
2规范性引用文件
下列文件对于本文件的应用是必不可少的。凡是注日期的引用文件,仅所注日期的版本适用于本文件。凡是不注日期的引用文件,其最新版本(包括所有的修改单)适用于本文件。
GB/T699优质碳素结构钢
GB/T 700碳素结构钢
GB/T 706热轧型钢
GB/T 5599铁道车辆动力学性能评定和试验鉴定规范
GB/T 6728结构用冷弯空心型钢尺寸 、外形、重量及允许偏差
GB/T 8162结 构用无缝钢管
JB/T 5000.3重型机械通用技术条件 第3 部分:焊接件
3术语和定义
下列术语和定义适用于本文件。
3.1长钢轨普通平车运输专用座架special steel supports for transporting long steel rails using Matcars
安装于普通平车上,具有对长钢轨隔离分层.支承、横向限位.阻止纵向窜动作用的装载加固装置。其包含“普通座架”“锁定座架"和“紧固装置"。
3.2普通座架ordinary steel support
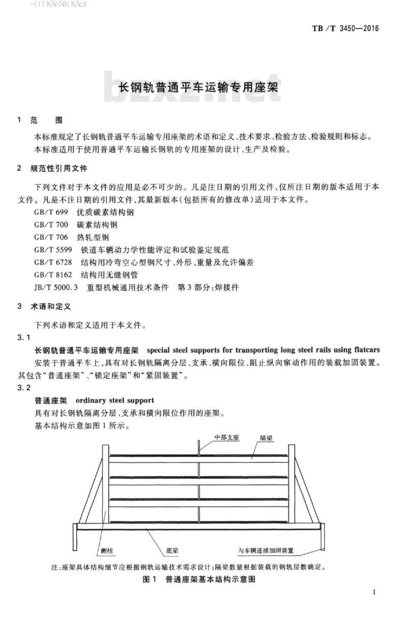
具有对长钢轨隔离分层、支承和横向限位作用的座架。
基本结构示意如图1所示。

部分标准内容:
中华人民共和国铁道行业标准
TB/T3450—2016
长钢轨普通平车运输专用座架
Special steel supports for transporting long steel rails using flatcars2016-08-16发布
国家铁路局发布
2017-02-16实施
规范性引用文件
术语和定义
技术要求
检验方法
检验规则
TB/T3450—2016
HiiKAoNnikAca
TB/T3450-2016
本标准按照GB/T1.1一2009给出的规则起草本标准由铁道部标准计量研究所提出并归口。本标准起草单位:中国铁道科学研究院运输及经济研究所。本标准主要起草人:马玉坤、刘飞、张长青、李善坡、杨广全。I
HiiKAoNiKAca
1范围
长钢轨普通平车运输专用座架
TB/T3450—2016
本标准规定了长钢轨普通平车运输专用座架的术语和定义、技术要求、检验方法、检验规则和标志。本标准适用于使用普通平车运输长钢轨的专用座架的设计、生产及检验。2规范性引用文件
下列文件对于本文件的应用是必不可少的。凡是注日期的引用文件,仅所注日期的版本适用于本文件。凡是不注日期的引用文件,其最新版本(包括所有的修改单)适用于本文件。GB/T699
GB/T700
优质碳素结构钢
碳素结构钢
热轧型钢
GB/T706
GB/T5599
CB/T6728
铁道车辆动力学性能评定和试验鉴定规范结构用冷弯空心型钢尺寸、外形、重量及允许偏差结构用无缝钢管
GB/T8162
JB/T5000.3重型机械通用技术条件第3部分:焊接件3术语和定义
下列术语和定义适用于本文件。3.1
长钢轨普通平车运输专用座架
special steel supports for transporting long steel rails using flatcars安装于普通平车上,具有对长钢轨隔离分层、支承、横向限位、阻止纵向窜动作用的装载加固装置。其包含“普通座架”、“锁定座架”和“紧固装置”。3.2
普通座架ordinarysteelsupport具有对长钢轨隔离分层、支承和横向限位作用的座架。基本结构示意如图1所示。
中部支座
与车辆连接加固装置
注:座架具体结构细节应根据钢轨运输技术需求设计:隔梁数量根据装载的钢轨层数确定。图1普通座架基本结构示意图
HiiKAoNniKAca
TB/T3450—2016
锁定座架fastening steel support具有普通座架功能,并与紧固装置配合能阻止锁定层长钢轨纵向窜动的座架。3.4
隔梁partitionbeam
由钢板和型钢焊接而成,是专用座架实现对长钢轨隔离分层、支承和横向限位功能的部件。3.5
底梁bottombeam
底层钢轨承载梁,直接接触车地板的部件。3.6
中部支座middlepedestal
焊接于底梁或隔梁中部,具有支承和横向限位作用的部件。3.7
紧固装置fastening device
由夹板、垫块、紧固螺栓和螺母组成,与锁定座架配合使用,具有锁定作用、阻止钢轨纵向窜动的装置。
4技术要求
4.1基本要求
4.1.1专用座架结构应能保证长钢轨沿车辆纵向中心线对称装载。4.1.2
专用座架结构应能保证长钢轨隔离分层装载。4.1.3
专用座架具有阻止长钢轨横向、纵向审动的功能。专用座架结构应具有在运输过程中限制隔梁移动的功能。专用座架结构应具有与车辆加固的部件。4.1.5
紧固装置螺母应具有防松功能。紧固装置垫块规格应满足对应轨型截面要求。4.2材
专用座架的材料应符合GB/T699、GB/T700、CB/T706、GB/T6728和GB/T8162等的技术要求。4.3外形尺寸
符合技术图纸或相关技术文件。4.4技术指标
主要部件工作应力值均应小于所用材料的许用应力值,见公式(1)和公式(2)。a≤[a]
式中:
工作应力,单位为兆帕(MPa);【α]—许用应力,单位为兆帕(MPa)。8
式中:
8.材料届服应力,单位为兆帕(MPa);安全系数,取n=1.4。
联接件剪切强度见公式(3)。
(1)
HTiKAoNi KAca
式中:
t——剪切应力,单位为兆帕(MPa);【]——许用剪切应力,取0.8[α]。4.4.2刚度
t≤[t]
TB/T3450—2016
为保证专用座架隔梁的支撑性能,隔梁在加载1.4倍额定载荷作用下的挠跨比符合公式(4)要求。f
式中:
f一隔梁最大挠度值,单位为毫米(mm);L一一最大挠度处对应的跨距,单位为毫米(mm)。4.5焊接质量
所有焊接部位焊缝均应符合图纸设计要求,满足JB/T5000.3要求,控制焊接变形。4.6运用性能
4.6.1专用座架对长钢轨具有有效的加固作用。4.6.2专用座架沿车组布置位置应满足车辆承载要求。(4)
4.6.3静压力试验卸载和运用性能试验后,所有隔梁、专用座架不应有永久性变形,各部件拆卸、转动应灵活顺畅,不应有卡滞带现象。4.6.4运用性能试验后,紧固螺栓不应有滑丝、脱扣、咬扣等螺纹损毁现象,螺栓不应有永久变形;垫块与轨头的接触面不应有永久挤压变形。4.6.5使用长钢轨专用座架的运输车组,车辆运行平稳性和安全性应满足GB/T5599要求,线路动应力响应满足线路要求。
5检验方法
5.1外形尺寸检验方法
采用通用计量器具进行测量。
5.2焊接质量检验方法
关键部位采用无损检测方法,关键部位指:侧柱与底梁的焊接部位,中部支座的焊接部位。其他部位采取目测观察,对有怀疑的缺陷采用无损检测方法辅助判断。5.3强度、刚度检验
5.3.1检验样品
2个专用座架,其中至少1个锁定座架。5.3.2检验程序
5.3.2.1强度测点布置
强度测点应布置在专用座架的各危险截面上,测点布置示意图如图2所示。16测点测试底梁两端的最大垂向应力,测点位于底梁侧面与侧柱连接处,应变片竖直粘贴:25测点测试第2层隔梁的最大弯曲应力,测点位于隔梁1/4处,应变片水平粘贴在底面中部3测点测试底梁中部最大弯曲应力,测点位于底梁侧面顶端与中部支座对齐处,应变片为水平粘贴:4测点测试底梁中部支座最大压应力,测点位于中部支座侧面,应变片竖直粘贴。5.3.2.2刚度测点布置
刚度测点布置在专用座架第一层隔梁两侧支撑点与中部支座之间的中心位置,共布置两个测点。5.3.2.3静压力检验
2个专用座架相距14m分别置于2辆连挂平车上。正向均衡装载25m长60kg/m钢轨,各层的3
HiiKAoNni KAca
TB/T3450—2016bZxz.net
图2座架强度测点布置示意图
钢轨根数等同于长钢轨运输时各层的实际装载数。钢轨装载完毕后,保持载荷不少于10min后卸载。测点折算的工作应力值按公式(5)计算。=0测试×c×1.4
式中:
a测试
其中:
测试应力,单位为兆帕(MPa);-折算系数:
2×Fmax
25x60xm
Fmx——专用座架承受的理论最大载荷,单位为千克(kg),n一专用座架实际装载钢轨的最大总根数。5.4运用性能检验
5.4.1检验样品
按与之相适应的长钢轨装载加固方案装车,检验车组中的各专用座架和紧固装置。5.4.2检验程序
5.4.2.1应力测点布置
(5)
(6)
应力测点应布置在承重较大专用座架(至少有一个普通座架和一个锁定座架)的各危险截面上,如图2所示。
5.4.2.2冲击试验
冲击试验应按下列要求进行:
冲击方式:以一辆具有相当重量和速度的重车(70t满载货车)作为冲击车,对一组静止的长a)
钢轨运输车组(被冲击车)进行冲击。冲击速度:首先以3km/h以下速度试冲击一次,如无异常即可正式进行冲击试验。正式冲击b
试验采用4km/h、5km/h、6km/h、7km/h、8km/h五个速度级至少各冲击1次,并记录应力长钢轨位移、速度等数据。
5.4.2.3运行试验
运行试验一般应在下述线路条件和运行工况下进行:a)
曲线半径:不小于300m;
道岔号数:9号和12号道岔:
列车运行:列车以正常速度运行;HTiKAoNi KAca
d)列车制动:正常停车、运行中的常规制动和紧急制动。TB/T3450-2016
以上述工况运行,测出各种工况下长钢轨专用座架的应力、长钢轨位移、车辆运行平稳性和安全性指标,以及曲线和道岔工况下的线路动应力响应等数据。6检验规则
6.1型式检验
对新设计的长钢轨普通平车运输专用座架应进行型式检验,型式检验包括外形尺寸及焊接质量检验、静压力检验、冲击试验和运行试验。6.2出厂检验
出厂检验包括外形尺寸及焊接质量检验。6.3检验项目及类别
检验项目及类别见表1。
表1检验项目及类别
检验项目
外形尺寸
焊接质量
静压力试验
冲击试验
运行试验
技术要求
4.4.1,4.4.2,4.6.3
4.4.1,4.4.2,4.6.3,4.6.4
4.4.1,4.4.2,4.6
检验方法
型式检验
出厂检验
产品标志应包含制造单位代号、出厂年月、产品序列号及功能号。制造单位代号和功能号用大写英文字母表示,出厂年月和产品序列号用阿拉伯数字表示,并按以下顺序标注:制造单位代号
出厂年月
产品序列号
功能号
Hii KAoNni KAca
中华人民共和国
铁道行业标准
长钢轨普通平车运输专用座架
Special steel supports for transporting long steel rails using flatcarsTB/T3450—2016
中国铁道出版社出版、发行
(100054,北京市西城区右安门西街8号)读者服务部电话:市电(010)51873174,路电(021)73174中国铁道出版社印刷厂印刷
版权专有
开本:880mm×1230mm
侵权必究
印张:0.75
字数:12千字
2016年11月第1版2016年11月第1次印刷鲁
151134864
价:10.00元
小提示:此标准内容仅展示完整标准里的部分截取内容,若需要完整标准请到上方自行免费下载完整标准文档。

标准图片预览:





- 热门标准
- TB铁路运输标准
- TB/T829-93球 直角接头
- TB/T1344-2008 内燃机车用齿轮油泵
- TB/T3354-2014 铁路隧道排水板
- TB/T3216-2009 高原铁道客车供氧系统
- TB/T3523.1-2018 交流传动电力机车试验方法第1部分:输出特性试验
- TB/T2345-2008 43kg/m~75kg/m钢轨接头夹板订货技术条件
- TB/T3199.1-2018 电气化铁路接触网用绝缘子第1部分:棒形瓷绝缘子
- TB/T831-93球 栽入三通
- TB/T1386-2011 内燃机车用液力传动箱
- TB/T2575-1995 碱性铜电刷镀溶液技术条件
- TB/T1803-2007 铁道罐车水压试验
- TB/T2911-2016 铁道车辆铆接通用技术条件
- TB/T3234-2010 铁路红十字药箱配备标准及使用原则
- TB/T3412-2015 动车组用电连接器
- TB/T3253-2010 电气化铁路接触网绝缘护套
- 行业新闻
网站备案号:湘ICP备2023016450号-1