- 您的位置:
- 标准下载网 >>
- 标准分类 >>
- 铁路运输行业标准(TB) >>
- TB/T 3205.2-2016 扼流变压器钢轨引接线、中点连接线、中点连接板第2部分:中点连接线
【TB铁路运输标准】 扼流变压器钢轨引接线、中点连接线、中点连接板第2部分:中点连接线
- TB/T3205.2-2016
- 现行
- 点击下载此标准
标准号:
TB/T 3205.2-2016
标准名称:
扼流变压器钢轨引接线、中点连接线、中点连接板第2部分:中点连接线
标准类别:
铁路运输行业标准(TB)
标准状态:
现行出版语种:
简体中文下载格式:
.zip .pdf下载大小:
2.15 MB
点击下载
标准简介:
TB/T 3205.2-2016.Track lead connectors for impedance bond-Part 2: Midpoint connecting line.
1范围
TB/T 3205.2规定了采用钢包铜绞制的扼流变压器用等阻中点连接线(以下简称连接线)的产品分类、技术要求检验方法、检验规则、标志、包装、运输和储存。
TB/T 3205.2适用于电气化区段轨道电路中两个扼流变压器中点之间.单扼流变压器中点与钢轨之间连接的连接线的设计、生产和检验。
2规范性引用文件
下列文件对于本文件的应用是必不可少的。凡是注日期的引用文件,仅注日期的版本适用于本文件。凡是不注日期的引用文件,其最新版本(包括所有的修改单)适用于本文件。
CB/T1804--2000-.般公差未注公差的线性和角度尺寸的公差(epvISO2768-1:1989)
GB/T 2423.1- 2008电工电子产 品环境试验第2 部分:试验方法试验 A:低温( IEC 60068-2-1 :2007 ,IDT)
GB/T 2822- -2005 标准尺寸
TB/T 3205.1扼流变 压器钢轨引接线、中点连接线、中点连接板第1 部分:钢轨引接线
3产品分类
3.1型号及其含义
3.2产 晶品种和参数
3.2.1本部分适用的连接线的基本长度为1200mm,其型号、技术参数与基本长度的对应关系及应选用的绞线与扼流变压器中点通过电流的对应关系见表1。
3.2.2用户若对连接线的长度尺寸有特殊要求时,可从 GB/T 2822- -2005 中规定的R系列优先选取。
3.2.3扼流变压器中点通过的电流相同时,相同长度的LZE1型和LZE2型连接线的双根并联电阻值、单根连接线所承受拉力应相同。
部分标准内容:
中华人民共和国铁道行业标准
TB/T3205.2—2016
代替TB/T3205.2—2008
扼流变压器
钢轨引接线、中点连接线、中点连接板第2部分:中点连接线
Track lead, connectors for impedance bond-Part 2:Midpoint connecting line2016-11-18发布
国家铁路局发布
2017-06-01实施
规范性引用文件
产品分类
技术要求
检验方法
检验规则
标志、包装、运输和储存
TB/T3205.2—2016
TB/T3205.2—2016
TB/T3205《流变压器钢轨引接线、中点连接线、中点连接板》分为三个部分:-第1部分:钢轨引接线;
第2部分:中点连接线;
第3部分:中点连接板。
本部分为TB/T3205的第2部分。
本部分按照GB/T1.1—2009给出的规则起草。本部分代替TB/T3205.2一2008《扼流变压器钢轨引接线、中点连接线、中点连接板第2部分:中点连接线》。与TB/T3205.2一2008相比,本部分除编辑性修改外,主要技术变化如下:删除了优质碳素钢镀锌钢绞线绞制的钢轨连接线技术要求(见2008年版的3.3.3、4.3和表1);增加了1600A扼流变压器中点连接线品种(见表1、表2、表3和表4);增加了钢线与铜线截面积比值要求(见表1);增加了低温试验后中点连接线的技术要求及相应试验方法(见4.8和5.5);增加了中点连接线绝缘电阻及绝缘耐压技术要求及试验方法(见4.9、4.10、5.7和5.8);增加了钢线与铜线截面积比值、绞线横截面积外形及相关尺寸、防腐结构等试验方法(见5.1和5.4)。
本部分由西安全路通号器材研究有限公司提出并归口。本部分起草单位:西安全路通号器材研究有限公司、中国铁道科学研究院标准计量研究所。本部分主要起草人:郝丽娜、王涛、田永平、范春艳。本部分代替标准的历次版本发布情况:TB/T2351—1993;免费标准下载网bzxz
TB/T3205.2—2008。
1范围
TB/T3205.2-2016
扼流变压器钢轨引接线、中点连接线、中点连接板第2部分:中点连接线
TB/T3205的本部分规定了采用钢包铜绞制的扼流变压器用等阻中点连接线(以下简称连接线)的产品分类、技术要求、检验方法、检验规则、标志、包装、运输和储存。本部分适用于电气化区段轨道电路中两个扼流变压器中点之间、单扼流变压器中点与钢轨之间连接的连接线的设计、生产和检验。2规范性引用文件
下列文件对于本文件的应用是必不可少的。凡是注日期的引用文件,仅注日期的版本适用于本文件。凡是不注日期的引用文件,其最新版本(包括所有的修改单)适用于本文件。GB/T1804—2000一般公差未注公差的线性和角度尺寸的公差(epvIS02768-1:1989)GB/T2423.1—2008电工电子产品环境试验第2部分:试验方法试验A:低温(IEC60068-2-1:2007,IDT)
GB/T2822—2005标准尺寸
TB/T3205.1扼流变压器钢轨引接线、中点连接线、中点连接板第1部分:钢轨引接线3产品分类
型号及其含义
中点允许通过电流,单位为安培(A)连接线长度,单位为毫米(mm)设计顺序号(移频轨道电路用1表示,25Hz轨道电路、不对称脉冲轨道电路用2表示)拒流变压器
连接线
示例:LZE-1200/400表示为中点允许通过电流为400A,长度为1200mm的流变压器中点连接线。3.2产品品种和参数
3.2.1本部分适用的连接线的基本长度为1200mm,其型号、技术参数与基本长度的对应关系及应选用的绞线与流变压器中点通过电流的对应关系见表1。3.2.2用户若对连接线的长度尺寸有特殊要求时,可从GB/T2822一2005中规定的R系列优先选取。
3.2.3扼流变压器中点通过的电流相同时,相同长度的LZE1型和LZE2型连接线的双根并联电阻值、单根连接线所承受拉力应相同。1
TB/T3205.2-2016
连接线型号
LZE-1200/400
LZE-1200/600
LZE-1200/800
LZE-1200/1000
LZE-1200/1600
4技术要求
基本长度系列的连接线型号、技术参数及应选用的绞线双根并联直流电阻值
不大于(+20℃)
单根连接线拉力
不小于
铜线与钢线
截面积比不小于
连接线应符合本部分的要求,并按经规定程序批准的图样或技术文件制造。4.1
选用的绞线
横截面积不小于
42mm2的钢包铜线
横截面积不小于
70mm2的钢包铜线
横截面积不小于
95mm2的钢包铜线
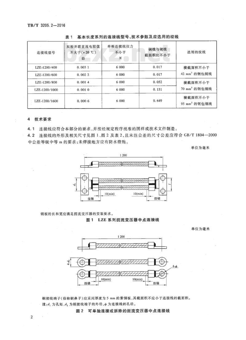
4.2连接线的外形及相关尺寸见图1、图2及表2,且未注公差的尺寸公差应符合GB/T1804—2000中公差等级中等m的要求;未焊接地方应有防水措施。单位为毫米
10(min)
钢板的长和宽应满足拒流变压器的安装要求。10(min)
图1LZE系列扼流变压器中点连接线单位为毫米
10(min)
10(min)
铜接线端子(俗称铜鼻子)应采用厚度为5mm的紫铜板,其截面积不应小于连接线的截面积。注:d,为孔矩,d,为铜接线端子的外径,中为连接线的孔径。图2可单独连接或拆除的扼流变压器中点连接线2
表2Φ、d的尺寸与扼流变压器中点通过电流的对应关系拒流变压器中点通过的电流
25 ±0.165
25±0.165
25 ±0.165
25±0.165
25 ±0.165
4.3连接线选用的绞线应满足表1要求,绞线不应有断股、腐蚀现象。TB/T3205.2-2016
4.4温度为+20℃时,连接线的双根并联直流电阻值应符合表1的规定。表1中基本长度以外的连接线,长度每增/减100mm所增/减的双根并联直流电阻值与扼流变压器中点通过电流的对应关系见表3,长度每增加1000mm所增加的双根并联直流电阻值与抛流变压器中点通过电流的对应关系见表4。表3连接线长度每增/减100mm所增/减的电阻值与中点通过电流的对应关系抛流变压器中点通过的电流
双根并联的连接线长度每
增/减100mm所增/减的电阻值不大于(+20℃)0.0003
表4连接线长度每增加1000mm所增加的电阻值与中点通过电流的对应关系拒流变压器中点通过的电流
双根并联的连接线长度每
增加1000mm所增加的电阻值不大于(+20℃)0
4.5连接线单根能承受的拉力应符合表1的规定,且不应松动和断股。4.6连接线应有绝缘外护,并应经过防腐工艺(防腐层)处理,连接线接头处应有防水防腐措施。4.7连接线的弯曲半径不应大于其外径的20倍,且经过弯曲试验后,连接线绝缘外护层不应有损伤及裂纹。
4.8连接线经低温-40℃试验后,绝缘外护层不应有裂纹,且应符合4.7的规定。4.9在标准大气条件下,连接线的绝缘电阻不应小于25MQ。4.10在标准大气条件下,引接线的接线环与外护套间应能承受50Hz正弦波交流有效值电压1000V,历时1min,应无击穿或闪络现象。3
TB/T3205.2—2016
5检验方法
5.1钢线与铜线截面积比值、绞线横截面积外形及相关尺寸测量用量具测量并计算。
5.2连接线的拉力试验
从连接线中随机抽取一根,从铜接线端子处开始截取长度为20cm的一个样件,并去除外皮。将试验样件分别安装于试验机上,连续均勾地施加负荷到表1中规定的力值,历时3min。5.3电阻试验
5.3.1试验设备
连接线的直流电阻试验应采用准确度不低于0.5级的测试设备进行。5.3.2直流电阻测试
连接线的直流电阻宜在环境温度+20℃±2℃时进行测试,如果测量时的环境温度与+20℃相比不超过10℃时,电阻温度系数可采用公式(1)进行换算,并根据公式(2)将测得的电阻值换算到+20℃时的数值,该值应符合4.4的规定。K=[pm×K#+(S/S#)×pw×K]/p+(Sm/S#)×p×K]....式中:
钢包铜线电阻温度系数:
铜电阻率;
铁电阻率;
铜导体截面积;
铁导体截面积;
铜温度系数:
铁温度系数。
当测量时的环境温度不为+20℃时,将测得的电阻值换算到+20℃时的数值,按公式(2)进行换算。
R2o=1+α(t-20)
式中:
换算到+20℃时的电阻值,单位为欧姆(Q);-环境温度为t时测得的电阻值,单位为欧姆(Q);测量时的环境温度,单位为摄氏度(℃);电阻温度系数。
5.4连接线防腐结构检测
纵向剖开连接线绝缘外护层进行观察。5.5低温试验
低温试验应按GB/T2423.1—2008的规定进行,并应符合以下规定:初始检测:按本标准的规定对连接线进行外观检查;a)
条件试验:试验样品在不包装、不通电、“准备使用”状态,按正常位置放人试验箱内;严酷等级:温度-40℃±2℃,持续时间4h;(2)
最后检测:试验后,从试验箱中取出连接线,在试验用标准大气条件下,在60s内进行外观检d)
查,并进行弯曲试验。
5.6弯曲试验
连接线的弯曲试验应按TB/T3205.1附录A的规定进行。4
5.7绝缘电阻
TB/T3205.2-2016
将单根引接线放人水箱内,接线环伸出水面200mm,用500V绝缘电阻表在接线环与电极(如水箱或其他电极)之间进行测量。5.8绝缘耐压
将单根引接线放入水箱内,接线环伸出水面200mm,用耐压测试仪在接线环与电极(如水箱或其他电极)之间进行测量。
6检验规则
6.1检验分类
连接线的检验分为出厂检验和型式检验两种。6.2出厂检验
6.2.1连接线应经制造厂检验部门检验合格后,并附有产品质量合格证方能出厂。6.2.2
出厂检验项目见表5。
表5出厂检验和型式检验项目
检验项目
铜线与钢线截面积比值、绞线横截面积外形及相关尺寸
绞线要求
阻值要求
单根连接线拉力要求
防腐要求
弯曲试验
低温性能
绝缘电阻
绝缘耐压
注:“●”表示应检验项目,“一\表示不必检验项目。6.3
型式检验
凡属下列情况之一者,应进行型式检验:标准要求
3.2.1,4.2
3.2.1、4.4
新产品或老产品转场生产的试制定型鉴定;检验方法
正式生产后,如结构、材料、工艺有较大改变,可能影响产品性能时;正常生产时,每3年~5年进行一次;停产2年以上恢复生产时;
出厂检验结果与上次型式检验有较大差异时;质量监督机构提出进行型式检验要求时。型式检验应对本标准的全部技术要求进行检验。经过型式检验的连接线不应作为合格品出厂。7
标志,包装,运输和储存
每捆连接线应附有产品质量合格证,应标明:7.1.1
型式检验
出厂检验
TB/T3205.2—2016
产品型号、名称、数量:
制造厂名称及地址;
制造日期;
检验部门的检验印记。
7.1.2每根连接线应作标记,标明载流量、制造厂。7.2包装及运输
不应使连接线两端裸露以免损伤,产品在运输过程中应防止机械损伤;包装应有防潮措施,在运输过程中,应防止雨、雪直接淋装。7.3储
包装好的连接线应储存在通风良好、干燥,相对湿度不大于80%、周围空气中无腐蚀性有害气体的库房中。
中华人民共和国
铁道行业标准
扼流变压器钢轨引接线、中点连接线、中点连接板第2部分:中点连接线
Track lead, connectors for impedance bond-Part 2:Midpoint connecting lineTB/T3205.2—2016
中国铁道出版社出版、发行
(100054,北京市西城区右安门西街8号)读者服务部电话:市电(010)51873174,路电(021)73174中国铁道出版社印刷厂印刷
版权专有
侵权必究
开本:880mm×1230mm
印张:0.75
字数:14千字
2017年4月第1版
2017年4月第1次印刷
151134990
价:10.00元
小提示:此标准内容仅展示完整标准里的部分截取内容,若需要完整标准请到上方自行免费下载完整标准文档。
标准图片预览:





- 热门标准
- TB铁路运输标准
- TB/T1670-2009 15号车钩样板
- TB/T1495.3-1992 弹条Ⅰ型扣件 轨距挡板
- TB/T3443.3-2016 机车车辆车种、车型和车号编码规则第3部分:货车
- TB/T2190-2013 混凝土枕
- TB/T3105.1-2009 铁道货车铸钢摇枕、侧架无损检测 第1部分:射线照相检铁道货车铸钢摇枕、侧架无损检测 第1部分:射线照相检验
- TB/T122-2001 机车车辆产品图样及设计文件编号原则
- TB/T2345-2008 43kg/m~75kg/m钢轨接头夹板订货技术条件
- TB/T3064.3-2003 轨道动力稳定车 第3部分:系统性能
- TB/T3010-2001 铁道车辆滚动轴承高碳铬轴承钢订货技术条件
- TB/T2974-2000 国际铁路联运出口货物运输包装质量要求
- TB/T1669.25-1985 13号车钩钩舌回转样板上侧曲面(R153)的校对样板
- TB/T1669.23-1985 13号车钩钩体腔回转样板下侧曲面(R152)的校对样板
- TB/T2465-2003 铁路车站电码化技术条件
- TB/T2075.36-2002 电气化铁道接触网零部件 第36部分:坠砣
- TB/T1503-2003 单双线半自动闭塞集中联锁(末设信号员)接发列车作业标准
- 行业新闻
网站备案号:湘ICP备2025141790号-2