- 您的位置:
- 标准下载网 >>
- 标准分类 >>
- 铁路运输行业标准(TB) >>
- TB/T 2135-2018 铁路小型养路机械液压方枕器
标准号:
TB/T 2135-2018
标准名称:
铁路小型养路机械液压方枕器
标准类别:
铁路运输行业标准(TB)
标准状态:
现行出版语种:
简体中文下载格式:
.zip .pdf下载大小:
2.02 MB
点击下载
标准简介:
TB/T 2135-2018.Rail small maintenance machinery-Hydraulic sleeper squarer.
1范围
TB/T 2135规定了液压方枕器的术语和定义、主要参数、技术要求、检验方法、检验规则、标志包装和储存。
TB/T 2135适用于铁路有砟轨道作业用的液压方枕器(以下简称方枕器)。
2规范性引用文件
下列文件对本文件的应用是必不可少的。凡是注日期的引用文件,仅注日期的版本适用于本文件。凡是不注日期的引用文件,其最新版本(包括所有的修改单)适用于本文件。
GB/T 2828.1计数抽样检验程序 第1 部分:按接受质量限( AQL)检索的逐批检验抽样计划
CB/T 13306标牌
TB/T 1910铁路线路机械术语
3术语和定义
TB/T 1910界定的以及下列术语和定义适用于本文件。
3.1方枕sleeper founder
将已窜动或歪斜的轨枕沿轨道方向水平移至正确的位置。
注:按标准调整轨枕间距、方正角度。
3.2方枕力sleeper force
水平推移轨枕的作用力。
3.3方枕量sleeper distance
水平推移轨枕的位移。
4主要参数
主要参数见表1。
5技术要求
5.1方枕器按经规定程序批准的产品图样及有关技术文件制造,主要零件材质和强度应符合设计要求。
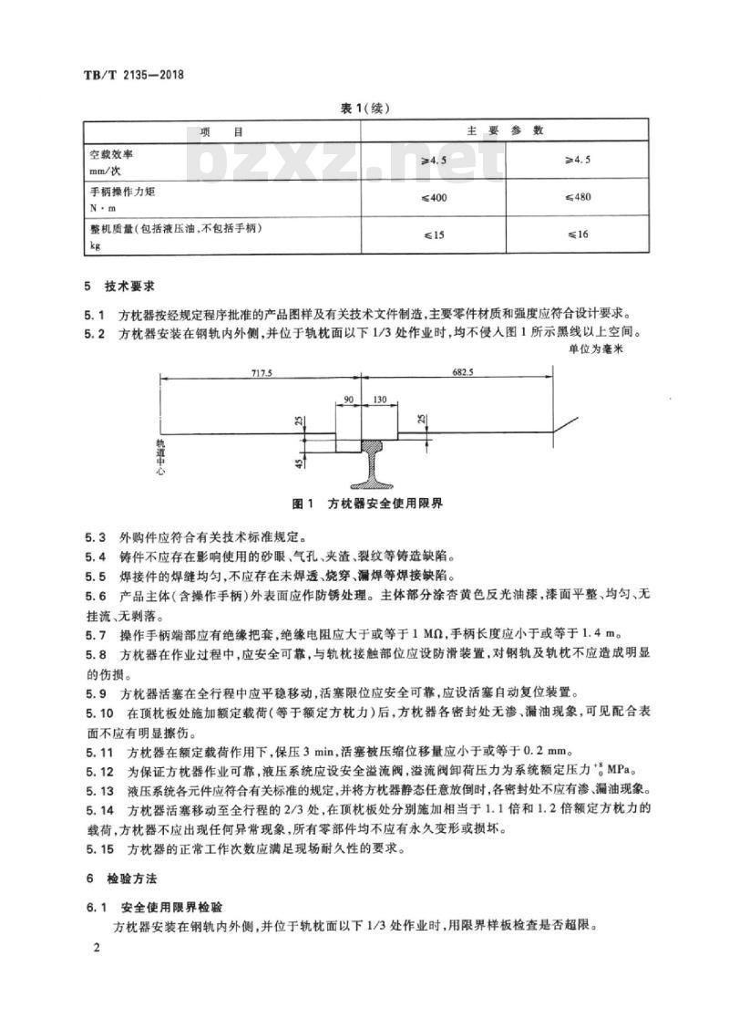
5.2 方枕器安装在钢轨内外侧,并位于轨枕面以下1/3处作业时,均不侵入图1所示黑线以上空间。
5.3外购件应符合有关技术标准规定。
5.4铸件不应存在影响使用的砂眼、气孔、夹渣、裂纹等铸造缺陷。
5.5 焊接件的焊缝均匀,不应存在未焊透、烧穿、漏焊等焊接缺陷。
5.6 产品主体(含操作手柄)外表面应作防锈处理。主体部分涂杏黄色反光油漆,漆面平整、均匀、无挂流、无剥落。
5.7操作手 柄端部应有绝缘把套,绝缘电阻应大于或等于1 MA,手柄长度应小于或等于1.4 m。
5.8方枕器在作业过程中,应安全可靠,与轨枕接触部位应设防滑装置,对钢轨及轨枕不应造成明显的伤损。
5.9方枕器活塞在全行程中应平稳移动,活塞限位应安全可靠,应设活塞自动复位装置。
5.10在顶枕板 处施加额定载荷(等于额定方枕力)后,方枕器各密封处无渗、漏油现象,可见配合表面不应有明显擦伤。
5.11 方枕器在额定载荷作用下,保压3 min,活塞被压缩位移量应小于或等于0.2 mm。
部分标准内容:
中华人民共和国铁道行业标准
TB/T2135-2018
代替TB/T2135—1990
铁路小型养路机械
液压方枕器
Rail small maintenance machinery-Hydraulic sleeper squarer2018-01-11发布
国家铁路局发布
2018-07-01实施
规范性引用文件
术语和定义
主要参数
技术要求
检验方法
检验规则…
标志、包装和储存
..................
TB/T21352018
TB/T2135—2018
本标准按照GB/T1.12009给出的规则起草。本标准代替TB/T2135—1990《液压方枕器通用技术条件》,与TB/T2135—1990相比,除编辑性修改外主要技术变化如下:
一增加了额定方枕力147kN液压方枕器,修改了最大方枕力50~80kN等主要参数(见第4章,1990年版的第4章);
一增加了作业试验(见6.16);一增加了超载试验(见第6章):删除了永久变形试验(见1990年版的6.4.3);删除容积效率试验(见1990年版的6.4.1);删除高温密封试验(见1990年版的6.3.2.3);一修改了溢流阀溢流压力范围(见第5章,1990年版的5.13)。本标准由中国铁道科学研究院标准计量研究所归口。本标准起草单位:中国铁道科学研究院铁道建筑研究所、上海瑞纽机械股份有限公司、牡丹江铁路机具配件有限责任公司、宁波市江北环山铁路工务器材厂。本标准主要起草人:何国华、徐其瑞、高春雷、牛怀军、宋正忠、宋慧京、霍立志、芦永吉、叶伟盛、本标准所代替标准历次版本发布情况为:TB/T2135—1990。Ⅱ
1范围
铁路小型养路机械
液压方枕器
TB/T21352018
本标准规定了液压方枕器的术语和定义、主要参数、技术要求、检验方法、检验规则、标志、包装和储存。本标准适用于铁路有碎轨道作业用的液压方枕器(以下简称方枕器)。2
规范性引用文件
下列文件对本文件的应用是必不可少的。凡是注日期的引用文件,仅注日期的版本适用于本文件。凡是不注日期的引用文件,其最新版本(包括所有的修改单)适用于本文件。GB/T2828.1计数抽样检验程序第1部分:按接受质量限(AQL)检索的逐批检验抽样计划GB/T13306标牌
TB/T1910铁路线路机械术语
3术语和定义
TB/T1910界定的以及下列术语和定义适用于本文件。3.1
方枕sleeper founder
将已审动或歪斜的轨枕沿轨道方向水平移至正确的位置。注:按标准调整轨枕间距、方正角度。3.2
方枕力sleeperforce
水平推移轨枕的作用力。
方枕量
sleeper distance
水平推移轨枕的位移。
4主要参数
主要参数见表1。
表1主要参数表
额定方枕力
有效方枕量
工作行程
最小安装长度
主要参数
≤270
TB/T2135—2018
空载效率
mm/次
手柄操作力矩
整机质量(包括液压油,不包括手柄)kg
5技术要求Www.bzxZ.net
表1(续)
≤400
主要参数
≤480
5.1方枕器按经规定程序批准的产品图样及有关技术文件制造,主要零件材质和强度应符合设计要求。5.2方枕器安装在钢轨内外侧,并位于轨枕面以下1/3处作业时,均不侵人图1所示黑线以上空间。单位为毫米
轨道中心
图1方枕器安全使用限界
5.3外购件应符合有关技术标准规定。682.5
5.4铸件不应存在影响使用的砂眼、气孔、夹渣、裂纹等铸造缺陷。5.5焊接件的焊缝均匀,不应存在未焊透、烧穿、漏焊等焊接缺陷。5.6产品主体(含操作手柄)外表面应作防锈处理。主体部分涂杏黄色反光油漆,漆面平整、均匀、无挂流、无剥落。
5.7操作手柄端部应有绝缘把套,绝缘电阻应大于或等于1MQ,手柄长度应小于或等于1.4m。5.8方枕器在作业过程中,应安全可靠,与轨枕接触部位应设防滑装置,对钢轨及轨枕不应造成明显的伤损。
5.9方枕器活塞在全行程中应平稳移动,活塞限位应安全可靠,应设活塞自动复位装置。5.10在项枕板处施加额定载荷(等于额定方枕力)后,方枕器各密封处无渗、漏油现象,可见配合表面不应有明显擦伤。
5.11方枕器在额定载荷作用下,保压3min,活塞被压缩位移量应小于或等于0.2mm。5.12为保证方枕器作业可靠,液压系统应设安全溢流阀,溢流阀卸荷压力为系统额定压力+MPa。液压系统各元件应符合有关标准的规定,并将方枕器静态任意放倒时,各密封处不应有渗、漏油现象。5.13
方枕器活塞移动至全行程的2/3处,在顶枕板处分别施加相当于1.1倍和1.2倍额定方枕力的5.14
载荷,方枕器不应出现任何异常现象,所有零部件均不应有永久变形或损坏。方枕器的正常工作次数应满足现场耐久性的要求。5.15
6检验方法
安全使用限界检验
方枕器安装在钢轨内外侧,并位于轨枕面以下1/3处作业时,用限界样板检查是否超限。2
6.2外观检验
TB/T2135-2018
目视检查方枕器的外观质量是否符合要求;夜间在10m外用手电筒照射在拨道器上,检查是否能看到反光。
6.3性能检验
使用专用器具检验方枕器额定方枕力、工作行程、最小安装长度和整机质量。6.4空载效率试验
关闭回油阀,摇动手柄,活塞在全行程中,测量空载效率。6.5
5有效方枕量试验
将方枕活塞伸至最大值,测量两顶枕板下端距离,计算该最大方枕长度减去270mm所得值。6.6空载及活塞限位试验
关闭回油阀,摇动手柄,活塞在全行程中伸出,检查空载及活塞限位性能是否工作正常。6.7活塞复位性能试验
活塞伸至限位位置,打开回油阀,检查活塞是否能够自动复位。6.8载荷试验
在顶枕板处施加相当于额定载荷的外载荷,摇动手柄,使活塞全行程移动,往复3次,检查方枕器密封及外观情况。
6.9溢流压力试验
操作手压泵,方枕器活塞移动的同时,向方枕器顶枕部位施加载荷,载荷由小到大,直至方枕器的溢流阀打开回油,检查溢流压力,试验不少于3次。6.10绝缘试验
测量操作手柄长度值并用兆欧表测试手柄的绝缘电阻。6.11保压试验
在活塞移动至最大行程2/3位置时,在项枕部位施加与额定方枕力相应的额定载荷,保压3min,测量活塞被压缩位移量。
6.12手柄操作力矩试验
在额定方枕力时,测量手柄操作力矩值。6.13倾倒放置试验
在温度20℃及以上时将方枕器侧倒放置0.5h,检查各密封处是否渗漏油。6.14超载试验
6.14.1试验前应调高溢流压力,其值应大于1.2倍额定压力。将活塞移动到最大行程的2/3处,施加1.2倍额定载荷,保持3min,检查油缸是否渗漏,各部位是否产生变形或损坏。6.14.2试验前应调高溢流压力,其值应大于1.1倍额定压力。将活塞移动到最大行程的2/3处,施加1.1倍额定载荷,保持3min,重复5次,检查油缸是否渗漏,各部位是否产生变形或损坏。6.15耐久性试验
操作手压泵,活塞移动时逐步加载,行至全程2/3处,加载至80%额定载荷,然后回油使活塞复至零位,循环操作,其正常工作次数不应低于300次。6.16作业试验
方枕器在工作状态下,方枕作业3次,检查钢轨及轨枕是否存在明显的伤损。7检验规则
7.1产品经检验合格后才能出厂,出厂时应附有产品合格证。3
TB/T2135—2018
出厂逐台检验的项目为5.4、5.5、5.6、5.9、5.10、5.11、5.12,参见表2。出厂抽样检验的项目为5.7、5.8、表1(手柄操作力矩、空载效率),参见表2,按GB/T2828.1一次抽样方案的规定。批量N=检查时的产品数量,检查水平IL=I.接收质量限AQL=4.O。表2出厂检验和型式检验项目
检验项目名称
安全使用限界检验
外观检验
额定方枕力
性能检验
工作行程
最小安装长度
整机质量
空载效率试验
有效方枕量试验
空载及活塞限位试验
活塞复位性能试验
载荷试验
溢流压力试验”
绝缘试验
保压试验”
手柄操作力矩试验
倾倒放置试验
超载试验”
耐久性试验”
作业试验
型式检验
出厂检验
√抽检
V抽检
V抽检
V抽检
技术要求对应条款检验方法对应条款5.2
5.4,5.5,5.6
“试验在试验机上进行。试验前,应提供被试方枕器的额定压力。在被试的方枕器上安装与其主油道相通的外接压力表,外接压力表的测量范围应与被试方枕器的额定压力相匹配。试验时,试验机向被试方枕器的方枕板处施加垂直载荷,被测试方枕器所承受的载荷值可由外接压力表显示。型式检验的项目为本标准第5章的全部内容,每次检验机器数量不少于3台(耐久性试验为17.4
台)。有下列情况之一时,应进行型式检验:a)
新产品试制时;
生产场地变更时:
结构、工艺、材料的改变影响产品性能时;每生产3年时(耐久性试验为5年):停产1年后重新生产时。
8标志、包装和储存
产品在明显部位应有标牌,其型式与尺寸应符合GB/T13306的规定,其内容包括:a)
产品型号及名称;
主要技术参数:
出厂编号和目期。
8.2机件包装应牢固、防潮、防尘。1包装箱外壁文字及标志包括以下内容:a)制造厂名;
产品型号及名称:
b)市
c)产品数量及包装箱毛重;
出厂日期。
3随同产品供应的技术文件应包括:产品合格证、使用说明书、装箱单。8.3
8.4产品应存放在通风良好、防潮、防晒、防腐蚀的库房内。TB/T2135-2018
小提示:此标准内容仅展示完整标准里的部分截取内容,若需要完整标准请到上方自行免费下载完整标准文档。
标准图片预览:





- 热门标准
- TB铁路运输标准
- TB/T2769-2008 重型轨道车试验方法
- TB/T1686-2000 25t电动架车机技术条件
- TB/T3015.6-2001 铁道车辆整体车轮外形尺寸检测量具技术条件轮辋宽度卡尺
- TB/T2075.4-2002 电气化铁道接触网零部件 第4部分:双横承力索线夹
- TB/T2075.54-2002 电气化铁道接触网零部件 第54部分:接地线连接线夹
- TB/T3121-2005 铁路食(饮)具洁净度ATP生物发光检测法和分级判定
- TB/T2455.15-2006 铁道货车减振器斜楔量规
- TB/T2922.2-1998 铁路混凝土用骨料碱活性试验方法化学法
- TB/T2472-1993 DK.S型道口闪光器
- TB/T2494.1-1994 轨道车辆车轴探伤方法 新制车轴超声波探伤
- TB1670.8-1985 15号车钩钩体防跳台样板
- TB/T2997.1-2000 铁路程控共线电话设备 主控机技术要求及试验方法
- TB/T3107-2011 铁道客车单元式组合车窗
- TB/T3112.2-2017 铁路车站电码化设备 第2部分:发码、检测、调整器
- TB/T1333.3-2004 铁路应用 机车车辆电气设备 第3部分:电工器件 直流断路器规则
- 行业新闻
网站备案号:湘ICP备2025141790号-2