- 您的位置:
- 标准下载网 >>
- 标准分类 >>
- 铁路运输行业标准(TB) >>
- TB 10751-2018 高速铁路路基工程施工质量验收标准
标准号:
TB 10751-2018
标准名称:
高速铁路路基工程施工质量验收标准
标准类别:
铁路运输行业标准(TB)
标准状态:
现行出版语种:
简体中文下载格式:
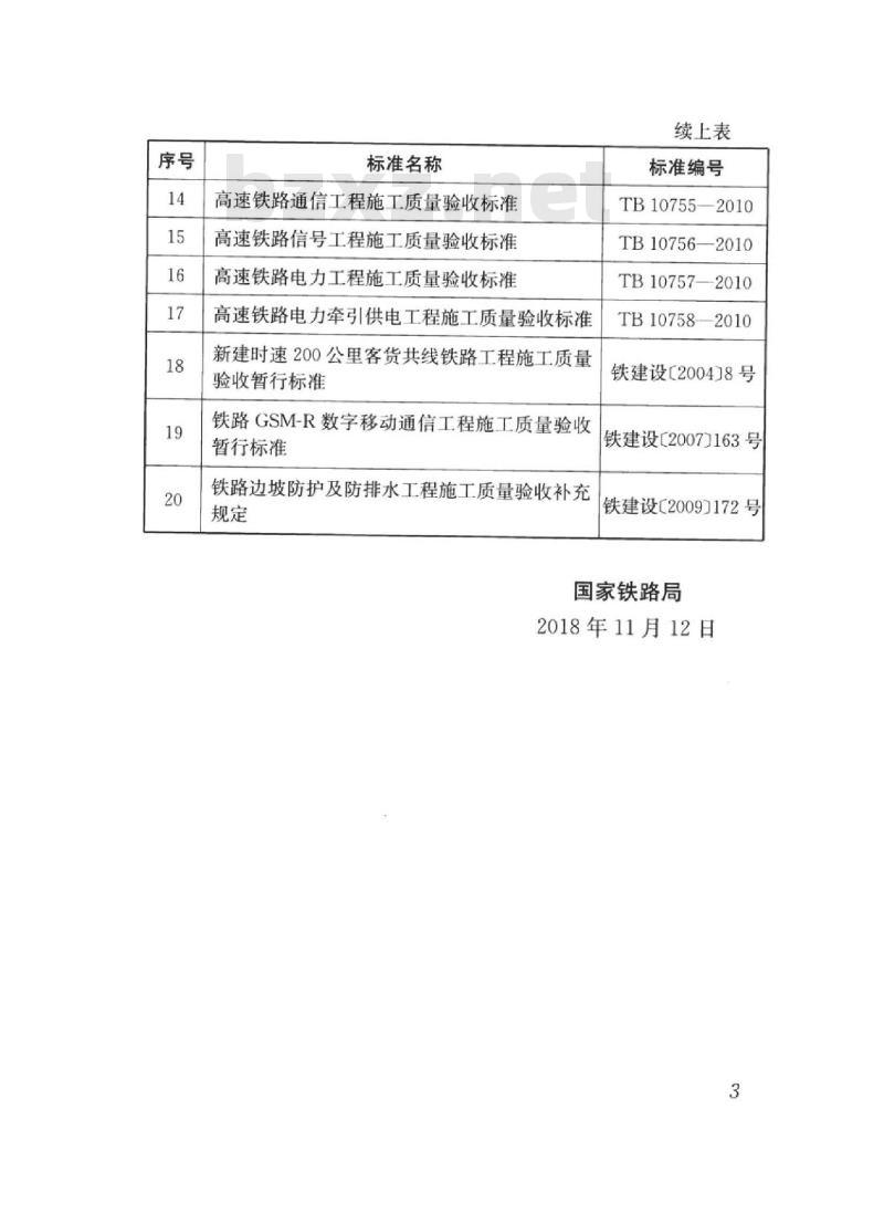
.zip .pdf下载大小:
50.05 MB
点击下载
标准简介:
TB 10751-2018.Standard for Acceptance of Earthworks in High-speed Railway.
1总则
1.0.1为加强高速 铁路路基工程施工质量管理,统一验收要求,制定本标准。
1.0.2 TB 10751适用于新建高速铁路路基工程施工质量的验收。
1.0.3高速铁路路基工程建设应执行国家法律法规及相关技术标准,严格按照设计文件进行施工,满足工程结构安全、耐久性能及使用功能要求。
1.0.4高速铁路路基工程建设各方应建立健全质量保证体系,对工程施工质量进行全过程控制,加强进场检验、隐蔽工程及关键工序的质量验收。每道工序完工后,应检查施工质量,并形成记录。
1.0.5高速铁路路基工程应采用先进、成熟、科学的检测手段,其检测结果应全面反映工程质量状况。
1.0.6高速铁路路基工程的各类质量检测报告、检查验收记录和其他工程技术资料应按规定编制,并应执行责任人签字确认制度。
1.0.7高速铁路路基工程涉及的环境保护、水土保持工程应与主体工程同时设计、同时施工和同时验收,应合理利用资源,做好环境保护、水土保持、文物保护等工作。
1.0.8高速铁路路基工程应重视地质核对,加强地基处理、填料生产供应及压实成型、过渡段处理、支挡结构、边坡防护及防排水、变形观测评估等关键工程的质量控制。
2术语 和符号
2.1术语
2.1.1工程施 工质量construction quality of works
反映工程施工过程或实体满足相关标准规定或合同约定的要求,包括其在安全、使用功能及耐久性能、环境保护等方面所有明显和隐含能力的特性总和。
2.1.2验收acceptance
工程施工质量在施工单位自行检查评定的基础上,参与建设活动的有关单位共同对检验批、分项、分部、单位工程的质量按有关规定进行检验,根据相关标准以书面形式对工程质量达到合格与否作出确认。
2.1.3检验inspection
对检验项目中的特征、性能进行量测、检查、试验等,并将结果与标准规定要求进行比较,以确定每项性能是否合格所进行的活动。
部分标准内容:
TB10751--2018
J1147—2018
高速铁路路基工程施工质量验收标准Standard for Acceptance of Earthworks inHigh-speed Railway
2018-11-12
国家铁路局
2019-02-01
中华人民共和国行业标准
高速铁路路基工程施工质量验收标准Standard for Acceptance of Earthworks inHigh-speed Railway
TB107512018
J1147—2018
主编单位:中铁十二局集团有限公司中铁城建集团有限公司
批准部门:国家铁路局
施行日期:2019年2月1日
2019年·北京
国家铁路局关于发布铁道行业标准的公告(工程建设标准2018年第6批)
国铁科法[2018]91号
现公布《铁路轨道工程施工质量验收标准》(TB10413-—2018)等17项铁路工程建设标准(详见附表1),自2019年2月1日起实施。《铁路轨道工程施工质量验收标准》(TB10413一2003)等20项铁路工程建设标准(详见附表2)同时废止。以上标准由中国铁道出版社出版发行。新发布标准目录Www.bzxZ.net
附表1
标准名称
铁路轨道工程施工质量验收标准铁路路基工程施工质量验收标准铁路桥涵工程施工质量验收标准铁路隧道工程施工质量验收标准铁路通信工程施工质量验收标准铁路信号工程施工质量验收标准铁路电力工程施工质量验收标准铁路电力牵引供电工程施工质量验收标准铁路混凝土工程施工质量验收标准高速铁路路基工程施工质量验收标准标准编号
TB10413—2018
TB10414—2018
TB10415—2018
TB10417—2018
TB10418—2018
TB10419—2018
TB10420—2018
TB10421—2018
TB10424—2018
TB10751—2018
标准名称
高速铁路桥涵工程施工质量验收标准高速铁路隧道工程施工质量验收标准高速铁路轨道工程施工质量验收标准高速铁路通信工程施工质量验收标准高速铁路信号工程施工质量验收标准高速铁路电力工程施工质量验收标准高速铁路电力牵引供电工程施工质量验收标准附表2废止标准目录
标准名称
铁路轨道工程施工质量验收标准铁路路基工程施工质量验收标准铁路桥涵工程施工质量验收标准铁路隧道工程施工质量验收标准铁路运输通信工程施工质量验收标准铁路信号工程施工质量验收标准铁路电力工程施工质量验收标准铁路电力牵引供电工程施工质量验收标准铁路混凝土工程施工质量验收标准高速铁路路基工程施工质量验收标准高速铁路桥涵工程施工质量验收标准高速铁路隧道工程施工质量验收标准高速铁路轨道工程施工质量验收标准续上表
标准编号
TB10752—2018
TB10753-2018
TB10754—2018
TB10755
TB10756
TB10757
TB10758-
标准编号
TB10413—2003
TB10414
TB10415-
TB10417-
TB10418
TB10419
TB10420
TB10421-
TB10424
TB10751
TB10752
TB10753
TB10754-—2010
标准名称
高速铁路通信工程施工质量验收标准高速铁路信号工程施工质量验收标准高速铁路电力工程施工质量验收标准高速铁路电力牵引供电工程施工质量验收标准新建时速200公里客货共线铁路工程施工质量验收暂行标准
铁路GSM-R数字移动通信工程施工质量验收暂行标准
铁路边坡防护及防排水工程施工质量验收补充规定
续上表
标准编号
TB10755—2010
TB10756—2010
TB10757—2010
TB10758—2010
铁建设(2004]8号
铁建设【2007]163号
铁建设(2009]172号
国家铁路局
2018年11月12日
本标准是根据国家铁路局构建铁路工程建设标准体系和《国家铁路局关于印发《2014年铁路工程建设标准编制计划》的通知》(国铁科法【2014124号)的要求,为满足铁路建设和发展需要,统一高速铁路路基工程施工质量验收标准,提高铁路路基工程的施工水平,保障铁路路基安全与质量,在《高速铁路路基工程施工质量验收标准》TB10751一2010的基础上,总结近年来我国高速铁路路基建设,运营的实践经验和科研成果,借鉴了国内外有关标准的规定,在广泛征求意见的基础上,全面修订而成。本标准共分15章,内容包括:总则、术语和符号、基本规定、工程材料、地基处理、基床以下路提、基床表层以下过渡段、路堑、基床、路基支挡工程、路基边坡防护、路基防排水,路基相关工程及设施、变形观测、路基单位工程质量综合验收,另有3个附录。本次修编的主要技术内容如下:1.明确本标准适用于新建高速铁路路基工程施工质量的验收,补充了本标准未涉及的新技术,新工艺、新设备、新材料验收要求。
2.优化调整了施工质量验收单元划分,补充了站场路基填筑、工程材料、路堑坡体排水、防风沙设施、防雪害设施的验收单元,取消了混凝土工程的模板验收单元,调整了地基处理验收单元分类及划分:并规定了施工前施工单位结合工程特点制定分项工程和检验批的划分方案,由监理单位审批,建设单位备案的要求。3.规定了隐蔽工程的检查验收要求以及隐蔽工程和关键工序施工影像资料的留存要求。
4.为确保材料进场质量,保证材料进场进行专业化检验和验5
收,并减少材料进场重复验收和资料归集的工作量,新增了工程材料一章,统一规定了路基工程所用填料、混凝土、砂浆、注(喷)浆材料、土工合成材料、钢筋(钢料)和拉锚材料、石料、预制构件、其他材料的原材料及制品质量和检验要求。5.补充了CFG桩、螺杆(纹)桩等素混凝土桩和托梁,承载板的验收要求;明确了施工前和施工期间地质核对工作的相关要求,补充完善了成桩、垫层、预压、岩溶及采空区注浆等地基处理的验收要求。
6.补充了按过渡段设计的短路基、堤堑连接处、半挖半填路基的检验规定:明确了过渡段及锥体采用同种填料、不同填料填筑时的填层检验要求;完善了化学改良土混合料的块料粒径技术条件和掺水泥级配碎石的使用时限技术条件。7.补充了槽型挡土墙的验收要求,完善了锚杆、锚索注浆检验规定,取消了短卸荷板式挡土墙、锚定板挡土墙、沉井基础等高速铁路路基不使用支挡类型的验收要求。8.补充了空心砖内客土植生防护、喷混植生、植生袋、生态袋、植被毯的质量验收内容,充分体现生态和环保理念:完善了一般地区、旱地地区,寒冷地区不同地区植物覆盖、成活的验收要求。9.补充了孔窗式护墙(坡)、柔性防护网、拦石墙的验收要求;完善了边坡防护的防冻胀设施及措施的验收要求。10.补充了纤维混凝土及混凝土防(隔)水层、轨道板与封闭层构造缝嵌缝等新型防(隔)水措施的验收要求:补充完善了吊沟消力池及挡水墙、盲(渗)沟、坡体仰斜孔及引水、排水管的验收要求。细化了地面排水工程系统化的一般规定。11.补充了防风防沙设施和防雪害设施的验收要求,取消了端刺基坑等验收要求,完善了电缆槽垫层和基底压实质量的检验规定;增加了接触网下锚支柱基础及拉线基础的验收内容;补充了接地端子预埋检验、综合接地系统及其连接方式核查和选取试验段进行声屏障基础、锚杆试验性施工的要求。6
12.细化、补充、完善了沉降变形观测和冻胀变形监测的有关要求。
在执行本标准过程中,希望各单位结合工程实践,认真总结经验,积累资料。如发现需要修改和补充之处,请及时将意见和有关资料寄交中铁十二局集团有限公司(山西省太原市西矿街130号,邮政编码:030024)和中铁城建集团有限公司(湖南省长沙市岳麓区洋湖路695号,邮政编码:410208),并抄送中国铁路经济规划研究院有限公司(北京市海淀区北蜂窝路乙29号,邮政编码:100038),供今后修订时参考。本标准由国家铁路局科技与法制司负责解释。主编单位:中铁十二局集团有限公司、中铁城建集团有限公司。
参编单位:中铁二局集团有限公司、中铁四局集团有限公司中铁八局集团有限公司、中铁十八局集团有限公司、中铁第五勘察设计院集团有限公司。
主要起草人:张晓波、吴波、黄直久、杨常所、胡明文、肖金风、费建波、陈玉达、包烨明、李佐、王卫宏、王彩文、王忠良、李进荣、曾国军、武军、马辉、何勇华、何贤军、张宏斌、刘钊、邓国兵、郭相武、黄欣、程志强、李庆斌、郭绍影、张成钢、李庆民。主要审查人:胡建、顾湘生、刘燕、史存林、余鹏、柳墩利、薛吉岗、刘珣、周诗广、杨亚伟、杨鹏健、李安洪、张千里、张先军、卫来贵、徐红星、张晓阳、高金喜、王春燕、李纯军、赵世运、吴连海、孙红林、钱国玉、崔维孝、李昌宁、唐红、曾长贤、周洪顺、郝树林、吴哗、张敬雷、谷炼平、史振云、梅红、徐浩然。本标准的历次版本发布情况:《高速铁路路基工程施工质量验收标准》TB10751—2010。
2术语和符号
3基本规定
一般规定
工程施工质量验收单元的划分
工程施工质量验收内容和要求
工程施工质量验收的程序和组织3.4
4工程材料
普通填料
物理改良土填料
化学改良土填料
级配碎石填料
砂、碎(砾)石、砂砾(卵)石、黏土及基质土填料混凝土和砂浆
注(喷)浆材料
土工合成材料
钢筋(钢料)和拉锚材料
预制构件
其他材料
地基处理
原地面处理
强夯(重锤夯实)
袋装砂井
塑料排水板
真空预压
堆载预压
砂(碎石)桩
强夯置换
挤密桩
搅拌桩
旋喷桩
素混凝土桩
混凝土预制桩
钢筋混凝土灌注桩:
托梁和承载板
岩溶和洞穴处理
6基床以下路堤
-般规定
普通填料和物理改良土填筑
化学改良土填筑
加筋土填筑
路堤边坡成型
7基床表层以下过渡段
过渡段基底处理
基坑回填
基床表层以下过渡段填层及锥体填土7.3
小提示:此标准内容仅展示完整标准里的部分截取内容,若需要完整标准请到上方自行免费下载完整标准文档。
标准图片预览:





- 其它标准
- 热门标准
- TB铁路运输标准
- TB/T2769-2008 重型轨道车试验方法
- TB/T1686-2000 25t电动架车机技术条件
- TB/T3015.6-2001 铁道车辆整体车轮外形尺寸检测量具技术条件轮辋宽度卡尺
- TB/T2075.4-2002 电气化铁道接触网零部件 第4部分:双横承力索线夹
- TB/T2075.54-2002 电气化铁道接触网零部件 第54部分:接地线连接线夹
- TB/T3121-2005 铁路食(饮)具洁净度ATP生物发光检测法和分级判定
- TB/T2922.2-1998 铁路混凝土用骨料碱活性试验方法化学法
- TB/T2494.1-1994 轨道车辆车轴探伤方法 新制车轴超声波探伤
- TB1670.8-1985 15号车钩钩体防跳台样板
- TB/T2997.1-2000 铁路程控共线电话设备 主控机技术要求及试验方法
- TB/T3059-2009 车机联控作业
- TB/T3112.2-2017 铁路车站电码化设备 第2部分:发码、检测、调整器
- TB/T1333.3-2004 铁路应用 机车车辆电气设备 第3部分:电工器件 直流断路器规则
- TB/T2472-1993 DK.S型道口闪光器
- TB/T2152.15-1990 铁路工人技术标准 机务 内燃机钳工
- 行业新闻
网站备案号:湘ICP备2025141790号-2