- 您的位置:
- 标准下载网 >>
- 标准分类 >>
- 化工行业标准(HG) >>
- HG 2934-2000 饲料级 硫酸锌
标准号:
HG 2934-2000
标准名称:
饲料级 硫酸锌
标准类别:
化工行业标准(HG)
标准状态:
现行出版语种:
简体中文下载格式:
.zip .pdf下载大小:
770.52 KB
点击下载
标准简介:
HG 2934-2000.Feed grade zinc sulphate.
1范围
HG 2934规定了饲料级硫酸锌的要求、试验方法、检验规则、标志、标签、包装、运输和贮存。
HG 2934适用于以含锌原料与硫酸反应生成的饲料级硫酸锌。本产品经预处理后,在饲料中作为锌的补充剂。
分子式:ZnSO4●H2O
相对分子质量:179.47(按1997年国际相对原子质量)
分子式:ZnSO4●7H2O
相对分子质量:287. 56(按1997年国际相对原子质量)
2引用标准
下列标准所包含的条文,通过在本标准中引用而构成为本标准的条文。本标准出版时,所示版本均为有效。所有标准都会被修订,使用本标准的各方应探讨使用下列标准最新版本的可能性。
GB/T 601-1988化学试剂滴定分析(容量分析)用标准溶液的制备
GB/T 602-1988化学试剂杂质测定用标准溶液的制备
GB/T 603--1988化学试剂试验方法中所用制剂及制品的制备
GB/T 6678-1986化工产品采样总则
GB/T 6682- 1992分析实验室用水规格和试验方法(neq ISO 3696 : 1987)
GB/T 8450--1987食品添加剂中砷的测定方法(砷斑法)
GB 10648--1999饲料标签
GB 13080- -1991饲料中铅的测定方法
3分类
饲料级硫酸锌分为两类: 1类为一水硫酸锌; I类为七水硫酸锌。
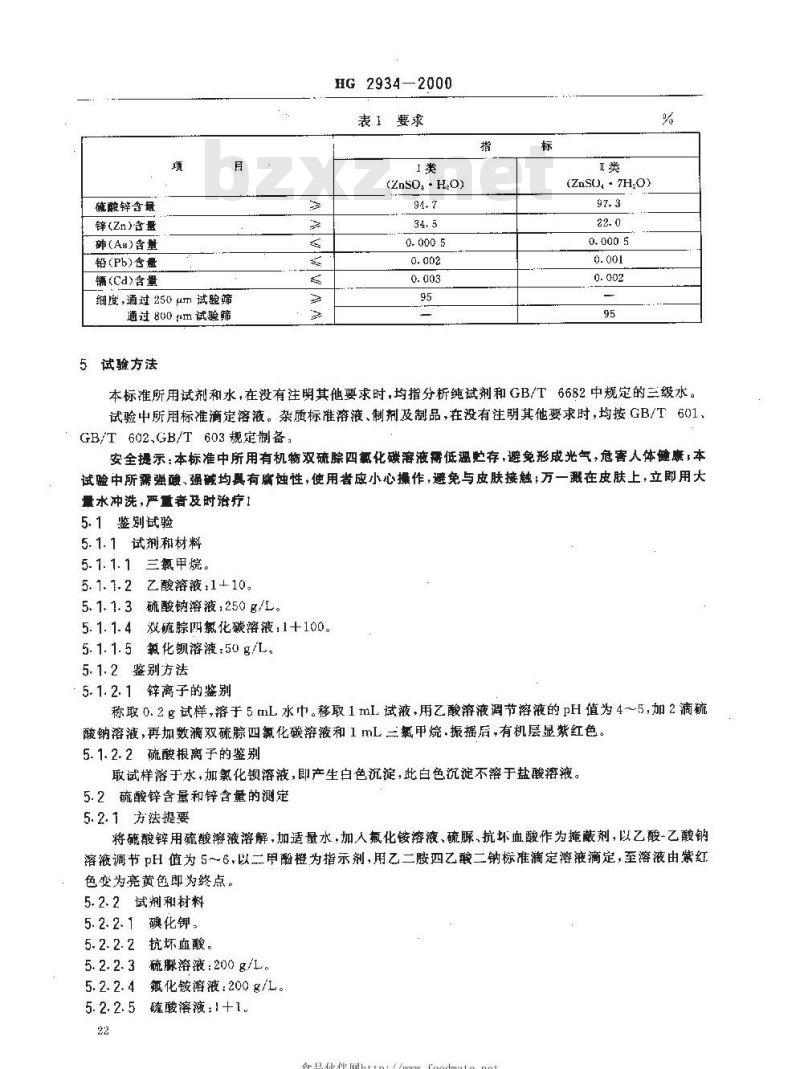
4要求
4.1外观:一水硫酸锌为白色粉末;七水硫酸锌为无色结晶。
4.2饲料级硫酸锌应符合表1要求。
部分标准内容:
HG2934—2000
本标准是非等效采用“日本饲料添加物法令要览》(1995年版)(以下简称《要览》)中“硫酸锌”产品规格,对化工行业标准HG2934—1987《料级硫酸锌》进行修订而成,本标准与《要览》中“硫酸锌”产品规格的主要差异为:一本标准分为两个类别:1类为一水硫酸锌,1类为七水硫酸锌:而《要览》分为干燥硫酸锌和七水硫酸锌。
本标准1类产品的硫酸锌含量不小于94.7%,类产品中硫酸锌的含量不小于97.3%,要览》中干燥硫酸锌的主含量不小于80%七水硫酸锌的主含量为99.0%~102.0%。一本标准比要览》增加了镭含量的指标要求。一试验方法中主含量的测定,本标准比《要览》增加了掩蔽剂的使用,铅含量的测定采用双硫腺三氯甲烷萃取比色和原子吸收分光光度法并列。本标推与HG 2934--1987的技术差异为:对硫酸锌主含量指标进行调整。主含量的测定方法中增加了掩蔽剂的使用,消除了其他金属离子的干扰,从而真实反映产品质量,本标准取消广重金属指标,以铅含量指标代替,增加了相应的试验方法。本标准增如了镉含量指标。
一本标准取消了水不溶物指标。本标准自实施之日起,同时代替HG2934--1987。本标准的附录A是提示的附录。
本标准由中华人民共和国原化学工业部技术监督司提出。本标准由全国化学标准化技术委员会无机化工分会归口。本标准起草单位:天津化工研究设计院、成都蜀垦矿物元察预处理厂、柳州锌品股份有限公司,天津市鲁药二广。
本标准主要起草人:刘淑英、王彦、武纯膏、马玲、陈小兵、吴世良本标准于1987年首次发布为国家标准GR8251—1987。1997年调整为化工行业标准,编号为HC2934—1987
本标准委托全国化学标准化技术委员会无机化工分会负责解释。19
http://foodmate.net1范围
中华人民共和国化工行业标准
饲料级
硫酸锌
Feed grade
zinc sulphate
HG 2934—2000
代誉HG 2934—1987
本标推规定了饲料级硫酸锌的要求、试验方法,检验规则、标志、标签,包装、运输和贮存:本标准适用于以含锌原料与硫酸反应生成的饲料级硫酸锌。本产品经预处理后,在饲料中作为锌的补充剂。
分子式:ZnSO,·H.O
相对分子质量:179.47(按1997年国际相对原子质量)分子式,ZnSO,·7H,O
相对分子质量;287.56(按1997年国际相对原子质量)2引用标准
下列标准所包含的条文,通过在本标准中引用而构成为本标准的条文。本标准出版时,所示版本均为有效。所有标准都会被修订,使用本标准的各方应探讨使用下列标准最新版本的可能性。GB/T 601—1988
GB/T 602—1988
GB/T 603--1988
GB/T 6678--1986
GB/T 6682—1992
GB/T 84501987
GB 10648--1999
GB 13080—1991
3分类
滴定分析(容量分析)用标准溶液的制备化学试剂
化学试剂
杂质测定用标准溶液的制备
化学试剂试验方法中所用制剂及制品的制备化工产品采样总则
分析实验室用水规格和试验方法(neqISO3696:1987)食品添加剂中砷的测定方法(砷斑法)饲料标签
饲料中铅的测定方法
饲料级硫酸锌分为两类:1类为一水硫酸锌;1类为七水硫酸锌。4要求
4.1外观:一水硫酸锌为白色粉末,七水硫酸锌为无色结晶。4.2饲料级硫酸锌应符合表1要求。国家石油和化学工业局2000-06-05批准http://foodmate.net2001-03-01实施
硫酸锌含最
锌(Zn)含量
(Ag)含量
铅(Pb)含量
(cd)含量
细度,通过250μm试验筛
通过 800 um 试验筛
5 试验方法
HG 2934—2000
表1要求
(ZnsO, -H.O)
(ZnS0- 7H.O)
本标准所用试剂和水,在没有注明其他要求时,均指分析纯试剂和GB/T6682中规定的三级水。试验中所用标准滴定溶液。杂质标准溶液、制剂及制品,在没有注明其他要求时,均按GB/T601、GB/T602.GB/T603规定制备
安全提示:本标准中所用有机物双硫腺四氯化碳溶液需低温贮存,避免形成光气,危害人体健康,本试验中所需强酸、强碱均具有脑蚀性,使用者应小心摄作,避免与皮肤接触;万一溅在皮肤上,立即用大量水冲洗,严重者发时治疗 1
5.1鉴别试验
5.1.1试剂材料
5. 1. 1. 1 三氯甲烷。
5.1.1.2 乙酸溶液:1+10#
5.1.1.3硫酸钠溶液,250g/L。
5.1.1.4双硫腺四氯化碳溶液,1+100。5.1.1.5氧化钡溶液:50g/L。
5.1.2鉴别方法
5.1.2.1锌离子的鉴别
称取0. 2 g试样,溶于 5 mL水中。移取1 mL 试液,用乙酸溶液调节溶液的 pH 值为 4 ~5,加2 滴硫酸钠溶液,再加数滴双硫腺四氯化碳溶液和1mL三氯甲烷.振摇后,有机层显紫红色。5.1.2.2硫酸根离子的鉴别
取试样溶于水,加氯化钡溶液,即产生白色沉淀,此白色沉淀不溶于盐酸溶液。5.2硫酸锌含量和锌含量的测定
5.2.1方法提要
将硫酸锌用硫酸溶液溶解,加适量水,加人氟化铵溶液、硫脲、抗坏血酸作为掩蔽剂,以乙酸-乙酸钠溶液调节pH值为5~~6,以二甲酚橙为指示剂,用乙二胺四乙二钠标准滴定溶液滴定,至溶液由紫红色变为亮黄色即为终点。
5.2.2试剂和材料
5.2.2. 1碘化钾。
5. 2. 2. 2 抗坏血酸。
5.2.2.3硫豚溶液:200g/L。
氟化铵溶液:200g/L。
5. 2. 2. 4
5.2.2.5硫酸溶液:1+1
http://foodmate.netHG 2934—2000
5.2.2.6 乙酸-乙酸钠缓冲溶液:pH=5.5。称取 200 g 乙酸钠,溶于水,加 10 mL 冰醋酸,稀释至 1 000 mL。5. 2. 2.7 乙二胺四乙酸二钠标准滴定溶液;c(EDTA)约 0. 05 mol/L。5. 2. 2. 8二甲酚橙指示液:2 g/L,使用期不超过 1 周。5.2.3分析步骤
称取0.3g七水硫酸锌试样<或0.2g一水巯酸锌试样)精确至0.0003g),置于250mL锥形瓶中,加少量水润湿,滴加2滴硫酸溶液使试样溶解,加50nL水10mL氟化镂液、2.5mL硫腺溶液、0.2抗坏耻酸,摇勾溶解后加人15mL乙酸-乙酸钠缓冲溶液和3滴二甲酚指示液,用乙二胺四乙酸二钠标准滴定溶液滴定至溶液由红色变为亮黄色即为终点。同时作空白试验。
5.2.4分析结果的表述
以质盘百分数表示的-七水硫锌(ZnSO.·7H0)含量(X,)按式(1)计算X-cVi-Vo)×0. 287 6×100
式中:c-
一乙二胺四乙酸二钠标准滴定溶液的实浓度,mol/L;V滴定试验溶液消耗乙二胺四乙酸二钠标准滴定溶液的体积,mL;V…滴定空白溶液消耗乙二胺四乙酸二钠标准滴定溶液的体积,mL试样的质·g
0.2876--与1.00mL乙二胺四乙酸二钠标准滴定溶液[c(FDTA)=1.000mol/L相当的以克表示的七水硫酸锌的质量。
以质百分数表示的一水硫酸锌(以ZnSO。·H,O计)含量(X3)按式(2)计算:Xx=s(V--Vo×0.179 5×100
武中:c
乙二胺四乙酸二钠标准滴定溶液的实际浓度,mol/L;滴定试验溶液消耗乙二胺四乙酸二钠标谁滴定溶液的体积,mL滴定空白浴液消耗乙二胺四乙酸二钠标准滴定溶液的体积,mL试样的质最·g:
:与1.00mL乙二胺四乙酸钠标准滴定溶液c(EDTA)=1.000mol/L]相当的以克表示的一水确酸锌的质量。
以质量百分数表示的锌含盈(X:)按式(3)计算:c(V-V.)X0. 065. 39)
一乙二胺四乙酸二钠标准滴定溶液的实际浓度,mol/L:V
滴定试验溶液消耗乙二胺四乙酸二钠标谁滴定溶液的体积,mL,V。—滴定空白溶液消耗乙二胺四乙酸二钠标准滴定溶液的体积,mL;m-试样的质量·g;
一与1.00mL乙二胺四乙酸二钠标准滴定溶液[e(FDTA)=1.000Mol/L相当的以克表0. 065 39-
尔的锌的质量。
5.2.5允许差
取平行测定结果的算术平均值为测定结果。平行测定结果的绝对差值:一水硫酸锌和七水硫酸锌不大于0.2%,锌(Zm)不于0.15%。
5.3砷含量的测定
5.3.1方法提要
http://foodmate.netHG2934--200D
在酸性介质中,碘化钾和氯化亚锅将As(V)还原为As(面),与新生态的氢生成神化氢,砷化氢在溴化秉试纸上形成碑斑,与标准砷斑比较。5.3.2试剂和材料
5.3.2.1盐酸。
5.3.2.2碘化钾。
5.3.2.3无砷金属锌。
5.3.2.4氯化亚锡溶液:400g/L。5.3.2.5砷标准溶液:1mL溶液含有0.001mgAs。制备,用移液管移取1.00mL按GB/T602配制的神标准溶液,暨于100mL容量瓶中,用水稀释至刻度,摇勾。该溶液使用前配制。5.3.2.6溴化汞试纸。
5.3.2.7乙酸铅棉花。
5.3.3仪器、设备
定砷器。
5.3.4分析步骤
称取(1.0士0.01)g试样,置于定砷器的广口瓶中,加少量水润湿,加6mL盐酸使试样溶解,用水稀释至70ml.,加1g碘化钾及0.2mL氯化亚溶液,摇勾,放置10min加2.5g无砷金属锌,立即塞上预先装有乙酸铅棉花及漠化汞试纸的测砷管,于暗处在25~30C放置1~1.5h。澳化汞试纸所呈棕黄色不得深于标谁所产生的色斑,标准是用移液管移取5ml砷标准溶液,置于定碑器的广口瓶中,用水稀至70mL,加6mL盐酸,以下操作与试样同时同样处理。5.4铅含量的测定
5.4.1原子吸收分光光度法(仲裁法)5.4.1.1方法提要
在稀硝酸介质中,于原子吸收分光光度计波长283.3nm处,使用空气-乙炔火焰,采用标准加人法测定。
5.4.1.2试剂和材料
a)硝酸溶液,1+1。
b)铅标准溶液:1ml溶液含有0.01mgPb,临用时配置。制备:用移液管移取10mL按GB/T602配制的铅标准液,置于100mL容量瓶中,用水獅释至刻度,摇勾。
5.4.1.3仪器设备
a)原子吸收分光光度计。
b)铅空心阴极灯。
5.4.1.4仪器工作条件
a)波长:283.3nm
b)火焰:空气-乙炔,
5.4.1.5分析步骤
称取约30g试样(精确至 0.01 g),溶于 50 mL 水中,加5mL硝酸溶液,溶解后移入250mL容量瓶中,用水稀释至刻度,摇勾。用移液管分别移取25mL试验溶液于4个100ml.容量瓶中,再用移液普分别如入,10mL20mL、30mL铅标准溶液,用水稀释至刻度,摇匀。按5.4.1.4规定,将仪器调至最佳工作条件,用水调零,测量吸光度。24
http://foodmate.netHG2934—2000
以铅的质量为横坐标,对应的吸光度为纵坐标,绘制工作曲线,将曲线反向延长与横轴相交处,即为试验溶液中的铅质量,
5.4.1.6分析结果的表述
以质量百分数表示的铅(Pb)含量(X,)按式(4)计算:X100=
mX1000
式中:m从工作曲线上查出的试验溶液中铅的质量,ng;m——试样的质量,g。
5.4.1.7充许差
取平行测定结果的算术平均值为测定结果。平行测定结果的绝对差值不大于0.0003%。5.4.2双硫腺比色法
安全誉告:本方法操作过程中要使用到剧毒药品氰化钾,注惠绝不能与皮肤接触或吸入人体,氰化钾药品和落液必须按剧毒药品要求保存。含氰化钾的试验废液按附录A中规定处理。5.4.2.1方法提要
在碱性条件下,用氰化钾溶液掩蔽除铅以外的干扰金属离子,在PH一10时,以双硫腺-三氯甲烷溶液萃取样品中的铅并与之显色,与标准比色溶液比较,判断铅含量是否在限定之内。5.4.2.2试剂和材料
a)盐酸羟胺。
b)柠檬酸铵溶液:400g/L。
c)氨-氟化铵缓冲溶液(甲):pH=10。d)氰化钾溶液,150g/L。
e)双硫-三氯甲烷溶液:0.02g/L。制备,溶解0.02g双硫于1L三氮甲烷中,在10℃下避光保存。f)铅标准溶液:1mL溶液含0.010mgPb。制备:用移液管移取10.00mL按GB/T602配制的铅标准溶疫,置于100mL容量瓶中,用水稀释至刻度,摇匀。稀释液使用前制备。5.4.2.3分析步骤
称取(0.5士0.01)g试样,置于50mL比色管中,加25mL水解,加5mL柠檬酸铵溶液、5mL氮-氯化铵缓冲溶液(甲)、10mL氰化钾溶液,摇勾。加0.5g盐酸羟胺,摇勾。加人5mL双硫腺-三氯甲烷溶液后振播1 nin。待溶液分层后,双硫腺-三氯甲烷萃取层所呈额色不得红于标准比色溶液。标准比色溶液用移液管移取1.00mL(测七水硫酸锌)或0.50mL(测一水硫酸锌)铅标准溶液与试样同时同样处理。
5.5锡含整的测定
5. 5. 1 方法提要
在稀硝酸介质中,于原子吸收分光光度计波长228.8nm处,使用空气-乙炔火焰,采用标准曲线法测定,
5.5.2试剂和材料
5.5.2.1硝酸溶液:1十1。
5.5.2.2标准溶液:1 ml.含 0.01 mg Cd。制备,用移液管移取10rmL按GB/T602配制的镉标准溶液,置于100mL容量瓶中,用水稀释至刻度,摇勾。
5.5.3仪器、设备
5.5.3.1原子吸收分光光度计。
http://foodmate.net5.5.3.2销空心阴极灯。
5.5.4仪器工作条件
5.5.4.1波长:228.8nm。
5.5.4.2火焰空气-乙炔。
5.5.5·分析步骤
HG 2934--2000
称取约1g试样(精确室0.01g),溶于30mL水中,加5mL硝酸溶液,溶解后移入100mL容盘瓶中,用水稀释至刻度,摇勾。
在一列100mL容量瓶中,分别用移液管移取0、1mL,2mL.3mL、4ml.镭标准溶被,各加人5 mL 硝酸溶液,用水稀释至刻度,播勾。按 5. 5. 4 的规定,将仪器调至最佳工作条件,用水调零,测量试验液和标准系列溶液的吸光度。同时作空白实验。
以标准系列溶液中的的质最为横坐标,对应的吸光度为纵垒标,绘制工作典线。5.5. 6分析缩巢的表述
以质量百分数表示的镉(Cd)含避(X)按式(5)计算:(mj-ma)
0. 1(mtma)
X10心
mX1000
武中+m.
一根据得的试验落液吸光度,从工作曲线上查出试样中的质,mg!m根据测得的空白试验溶液吸光度,从工作曲线上查出的镭的质量,ng!一试样的质量,g。
5.5.7允许差
取平行测定结果的算术平均值为测定结果。平行测定结果的绝对差值不大于 0. 000 3%。5.6细度的测定
5.6.1方法提要
试样经一系列标准筛的筛分,根据筛层试样通过的质量确定产品细度。5.6.2仪器、设备
试验筛:符合GB/T6003.1-1997R40/3系列,$200mmX50mm/250μm,$200mm×50mm/800 μm.
5.6.3分析步骤
称取约50g试样(精确至0.1g),置于试验筛上$200mm×50mm/250um(--承硫酸锌).200mm×50 mm/800um(七水硫锌),按水平方尚以2次/s的速度播动,直至筛层无试样通过为止,将试验端下的筛过物移至已知质量的干燥的表面血中,称量。5.6.4分析结果的表述
以质量百分数表示的细度(X。)按式(6)计算:X,=m=mg
式中:m1—试验筛筛下物及表面耻的质,g:2bzxZ.net
表面血的质量,名;
一试样的质量·g。
5.6.5允许差
取两次平行测定结的算术平均值为测定结果。平行测定结巢的绝对差值不大于0.5%。6检验规期
6. 1 本标催规定的所有项目为出厂检验项目。26
http://foodmate.net(6)
6.2每批产品不超过20t。
HG 2934-2000
6.3按照GB/T6678的规定确定采样单元数。采样时,将采样器自包装袋的上方斜插入至料层深度的3/4处采样,将采得的样品充分勾后,按四分法缩分至约500名,立即分装于两个清洁干燥的具塞广口瓶中,密封。瓶上粘贴标签,注明:生产厂名、产品名称、批号、采样日期和采样者姓名。一瓶用于检验另一瓶保存三个月备查。
6.4饲料级硫酸锌应由生产厂的质量监督检验部门按本标准的规定进行检验,生产厂应保证所有出厂的饲料级硫锌都符合本标准的要求,每批出厂广的饲料级硫酸锌都应附有质量证明书,内容同GB10648的规定。
6.5使用单位有权按照本标准的规定对所收到的饲料级硫酸锌进行验收,验收时间在货到1个月内进行。
6.6检验结果如有一项指标不符合本标准要求时,应自两倍量的包装中采样重新复验,复验结果即使有一项指标不符合本标准的要求时,则整批产品为不台格。7标志、标签
7.1饲料级硫酸锌包装上应有牢固清晰的标志。内容包括:生产厂名、厂址、产品名称,商标、饲料级”字样,净含量,批号或生产日期、产品质量符合本标准的证明和本标准编号。7.2每批出厂的饲料级硫酸锌包装都应有按GB10648要求印刷的牢固、清晰的标志。8包装、运输、贮存
8.1饲料级硫酸锌采用塑料编织袋包装。内衬一层食品级的聚乙烯薄膜袋,外套聚丙烯编织袋。每袋净含量为25kg、40kg,50kg。
8.2内袋用维尼龙绳或与其质量相当的绳人工扎口·或用与其相当的其他方式封口;外袋在距袋边不小于30mm.处折边,在距袋边不小于15mm处用维尼龙线或其他质量相当的线缝口,继线整齐,针距均勾,无漏和跳线现象。
8.3饲料级硫酸锌产品贮存时应注意防止日晒、雨淋,禁止与有酶有害物质混贮。8.4饲料级硫酸锌产品运输中防止包装破损、日晒、雨淋,禁止与有毒有害物质混运。http://foodmate.netHG2934-2000
附录A
(提示的附录)
含化钾廉液的处理
为了防止含氰化钾度液的污染,每天分析后含氰化钾废液均应进行后处理方可排放。A1方法提要
在碱性条件下,二价铁和氰离子生成稳定的络合离子。A2
处理步骤
将废液收集于500mL烧杯中,加入1200g/L的硫酸亚铁溶液50mL,揽拌,充分反应后排放。上述所用药剂均应是工业级。
http://foodmate.net
小提示:此标准内容仅展示完整标准里的部分截取内容,若需要完整标准请到上方自行免费下载完整标准文档。
标准图片预览:





- 其它标准
- 热门标准
- HG化工标准
- HG/T3534-2011 代替 HG/T 3534-2003 工业循环冷却水污垢和腐蚀产物中酸不溶物、磷、铁、铝、钙、镁、锌、铜含量测定方法
- HG/T2784-1996 工业用亚硫酸铵
- HG2208-1991 甲霜灵可湿性粉剂
- HG/T2058.1-1991 搪玻璃温度计套
- HG/T2411-1992 鞋底材料90°屈挠试验方法
- HG/T2343-2012 硫化促进剂ETU
- HG/T4519-2013 碱式碳酸钴
- HG/T5699-2020 扩散渗析阳膜
- HG/T20704.3-2000 机泵专业工程设计阶段的工作程序
- HG2975-1989 气体分析 标准混合气 混合物制备证书
- HG2207-1991 甲霜灵粉剂
- HG/T2192-1991 喷砂橡胶软管
- HG2418-1993 饲料添加剂 碘酸钙
- HG/T2546-1993 导热油-400(联苯-联苯醚混合物)
- HG/T2734-1995 中压反应釜用机械密封技术条件
- 行业新闻
网站备案号:湘ICP备2025141790号-2