- 您的位置:
- 标准下载网 >>
- 标准分类 >>
- 化工行业标准(HG) >>
- HG/T 4258-2011 反应蓝 FL-RN
标准号:
HG/T 4258-2011
标准名称:
反应蓝 FL-RN
标准类别:
化工行业标准(HG)
标准状态:
现行出版语种:
简体中文下载格式:
.zip .pdf下载大小:
114.39 KB
相关标签:
反应
点击下载
标准简介:
HG/T 4258-2011.Reactive blue FL-RN.
1范围
HG/T 4258规定了反应蓝FL-RN产品的要求、采样、试验方法、检验规则以及标志、标签、包装、运输和贮存。
HG/T 4258适用于化学结构属于甲躜铜络合结构的反应蓝 FL-RN的产品质量控制。
2规范性引用文件
下列文件对于本文件的应用是必不可少的。凡是注日期的引用文件,仅所注日期的版本适用于本文件。凡是不注日期的引用文件,其最新版本(包括所有的修改单)适用于本文件。
GB/T 2374-2007染料染色测定的一般条件规定
GB/T 2381-2006染料及染料中间体不溶物质含量的测定
GB/T 2386-2006染料及染料中间体水分的测定
GB/T 2387-2006反应染料色光和强度的测定
GB/T 2390水溶性染料pH值的测定
GB/T 2391-2006反应染料固色率的测定
GB/T 3671.1-1996水溶性染料溶解度和溶液稳定性的测定(idtISO105-Z07:1995)
GB/T 3920-2008纺织品色牢度试验耐摩擦色牢度(mod ISO 105-X12 : 2001)
GB/T 3921-2008 纺织品色牢度试验耐皂洗色牢度(mod ISO 105-C10 : 2006)
GB/T 3922-1995纺织品耐汗渍色牢度试验方法(eqv ISO 105-E04 : 1994)
GB/T 4841.1-2006染料染色标准深度色卡1/1
GB/T 6152-1997纺织品色牢度试验耐热压色牢度(eqv ISO 105-X11 : 1994)
GB/T 6678-2003 化工产品采样总则
GB/T 6693-2009染料粉尘飞扬性的测定(idt ISO 105-Z06 : 1996)
GB/T 8427-2008纺织品色牢度试验耐人造光色牢度:氙弧(mod ISO 105-B02 : 1994)
GB/T 8433-1998纺织 品色牢度试验耐氯化水色牢度(游泳池水)(eqv ISO 105-E03 :1994)
GB/T 14576-1993 纺织品耐光、汗复合色牢度试验方法
部分标准内容:
备案号:34659—2012
中华人民共和国化工行业标准
HG/T 4258—2011
反应蓝FL-RN
ReactiveblueFL-RN
2011-12-20发布
2012-07-01实施
中华人民共和国工业和信息化部发布前言
本标准依据GB/T1.1
12009《标准化工作导则
HG/T4258—2011
第1部分:标准的结构和编写》进行编制。请注意本文件的某些内容可能涉及专利,本文件的发布单位不承担识别这些专利的责任。本标准由中国石油和化学工业联合会提出。本标准由全国染料标准化技术委员会(SAC/TC134)归口。本标准起草单位:丽源(湖北)科技有限公司、沈阳化工研究院有限公司。本标准主要起草人:尚爱国、马君庆。I
1范围
反应蓝FL-RN
HG/T4258-2011
本标准规定了反应蓝FL-RN产品的要求、采样、试验方法、检验规则以及标志、标签、包装、运输和贮存。
本标准适用于化学结构属于甲膜铜络合结构的反应蓝FL-RN的产品质量控制。2规范性引用文件
下列文件对于本文件的应用是必不可少的。凡是注日期的引用文件,仅所注日期的版本适用于本文件。凡是不注日期的引用文件,其最新版本(包括所有的修改单)适用于本文件。GB/T 2374--2007
染料染色测定的一般条件规定
GB/T2381—2006
GB/T2386—2006
染料及染料中间体不溶物质含量的测定染料及染料中间体水分的测定
GB/T2387—2006
反应染料色光和强度的测定
GB/T2390
水溶性染料pH值的测定
GB/T2391—2006反应染料固色率的测定GB/T 3671.1--1996
GB/T3920—2008
GB/T3921-
GB/T3922
水溶性染料溶解度和溶液稳定性的测定(idtISO105-Z07:1995)纺织品色牢度试验耐摩擦色牢度(modISO105-X12:2001)纺织品
色牢度试验耐皂洗色牢度(modISO105-C10:2006)纺织品耐汗溃色牢度试验方法(eqvISO105-E04:1994)GB/T4841.1—2006
染料染色标准深度色卡1/1
GB/T6152—1997
GB/T6678—2003
GB/T6693
GB/T 8427-
GB/T 8433--1998
GB/T14576—1993
色牢度试验耐热压色牢度(eqvISO105-X11:1994)纺织品
化工产品采样总则
粉尘飞扬性的测定(idtISO105-Z06:1996)纺织品
纺织品
色牢度试验耐人造光色牢度:氙(modISO105-B02:1994)色牢度试验耐氯化水色牢度(游泳池水)(eqvISO105-E03:纺织品耐光、汗复合色牢度试验方法GB19601
染料产品中23种有害芳香胺的限量及测定GB20814染料产品中10种重金属元素的限量及测定3要求
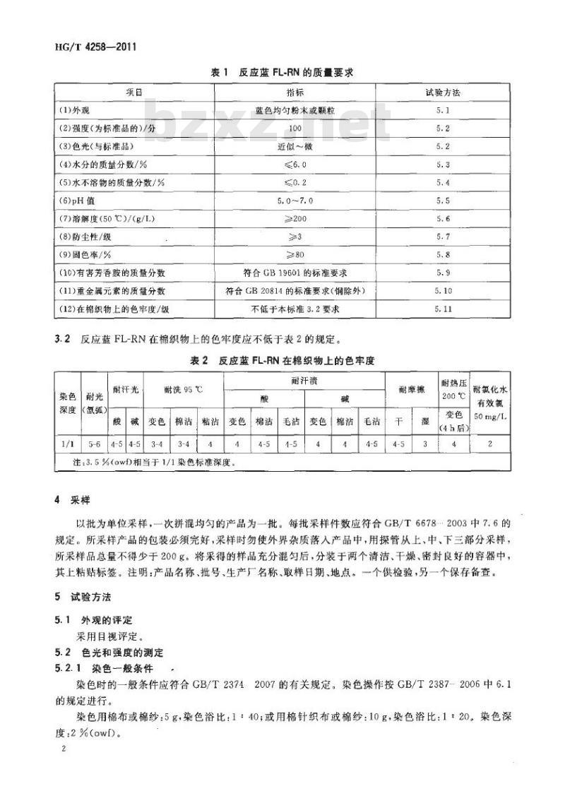
3.1反应蓝FL-RN的质量要求应符合表1的规定。HG/T4258—2011
(1)外观
(2)强度(为标准品的)/分
(3)色光(与标准品)
(4)水分的质量分数/%
(5)水不溶物的质量分数/%
(6)pH值
(7)溶解度(50C)/(g/L)
(8)防尘性/级
(9)固色率/%
(10)有害芳香胺的质量分数
(11)重金属元素的质量分数
(12)在棉织物上的色牢度/级
表1反应蓝FL-RN的质量要求
蓝色均匀粉末或颗粒
近似~微
≥200
符合GB19601的标准要求
符合GB20814的标准要求(铜除外)不低于本标准3.2要求
反应蓝FL-RN在棉织物上的色牢度应不低于表2的规定。表2反应蓝FL-RN在棉织物上的色牢度耐汗光
(氙)
耐洗95℃
注:3.5%(owf)相当于1/1染色标准深度。4采样
耐汗渍
试验方法
耐摩擦
耐热压
200℃
(4h后)
酶氯化水
有效氯
以批为单位采样,一次拼混均匀的产品为一批。每批采样件数应符合GB/T6678-.2003中7.6的规定。所采样产品的包装必须完好,采样时勿使外界杂质落人产品中,用探管从上,中、下三部分采样,所采样品总量不得少于200多。将采得的样品充分混匀后,分装于两个清洁、干燥、密封良好的容器中,其上粘贴标签。注明:产品名称、批号、生产厂名称、取样日期、地点。一个供检验,另一个保存备查。5试验方法
5.1外观的评定
采用目视评定。
5.2色光和强度的测定
5.2.1染色一般条件
染色时的一般条件应符合GB/T23742007的有关规定。染色操作按GB/T2387-2006中6.1的规定进行。
染色用棉布或棉纱:5g,染色浴比:1:40;或用棉针织布或棉纱:10g,染色浴比:1:20。染色深度:2%(owf)。
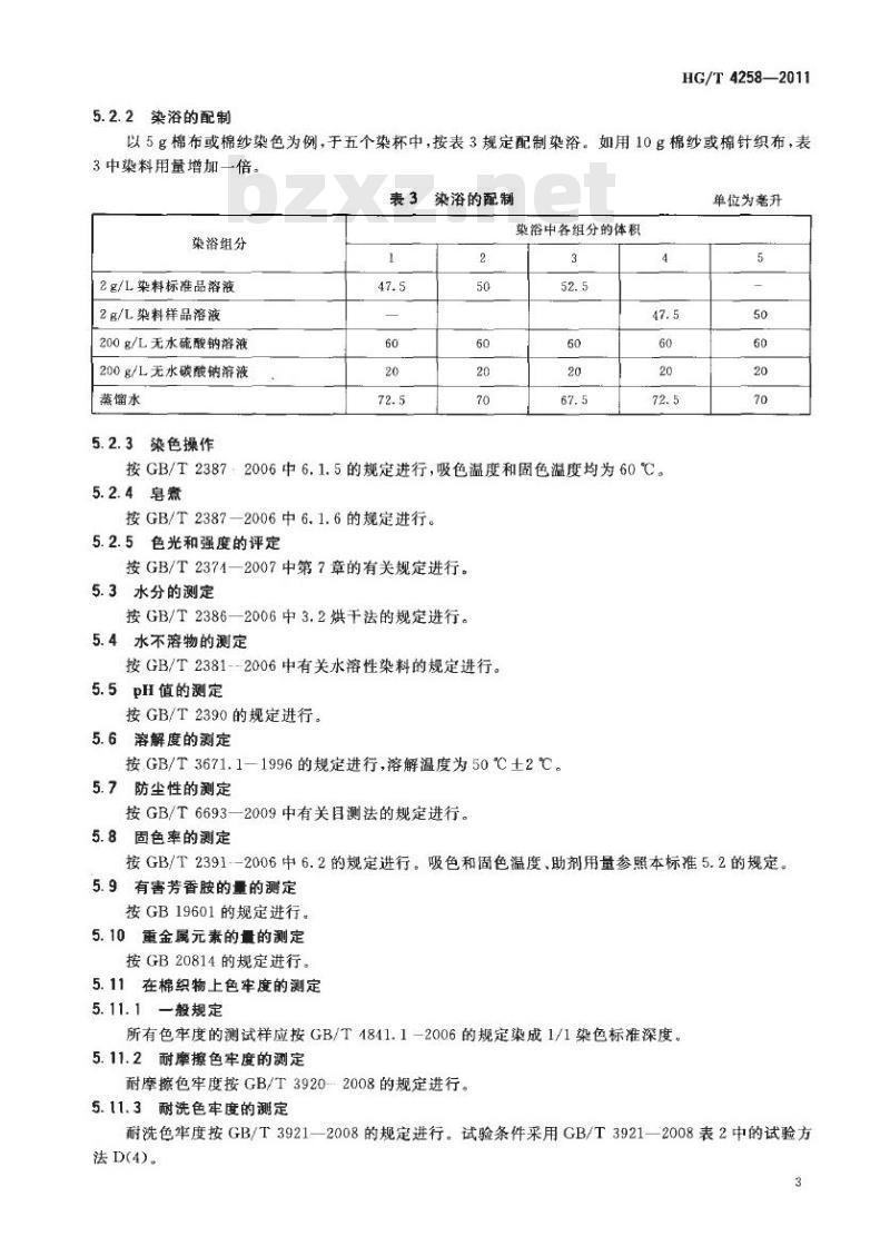
5.2.2染浴的配制
HG/T4258—2011
以5g棉布或棉纱染色为例,于五个染杯中,按表3规定配制染浴。如用10g棉纱或棉针织布,表3中染料用量增加一倍。
染浴的配制
染浴组分
2g/L染料标准品溶液
2g/L染料样品溶液
200g/L无水硫酸钠溶液
200g/L无水碳酸钠溶液
蒸馏水此内容来自标准下载网
5.2.3染色操作
染浴中各组分的体积
按GB/T2387·2006中6.1.5的规定进行,吸色温度和固色温度均为60℃。5.2.4皂煮
按GB/T2387—2006中6.1.6的规定进行。5.2.5色光和强度的评定
按GB/T2371一2007中第7章的有关规定进行。5.3水分的测定
按GB/T2386—2006中3.2烘干法的规定进行。5.4水不溶物的测定
按GB/T2381--2006中有关水溶性染料的规定进行。5.5pH值的测定
按GB/T2390的规定进行。
5.6溶解度的测定
按GB/T3671.1—1996的规定进行,溶解温度为50℃土2℃。5.7
防尘性的测定
按GB/T6693一2009中有关目测法的规定进行。5.8固色率的测定
单位为旁升
按GB/T2391--2006中6.2的规定进行。吸色和固色温度、助剂用量参照本标准5.2的规定。5.9有害芳香胺的量的测定
按GB19601的规定进行。
5.10重金属元素的量的测定
按GB20814的规定进行。
5.11在棉织物上色牢度的测定
5.11.1一般规定
所有色牢度的测试样应按GB/T1841.1一2006的规定染成1/1染色标准深度。5.11.2耐摩擦色牢度的测定
耐摩擦色牢度按GB/T3920-2008的规定进行。5.11.3耐洗色牢度的测定
耐洗色牢度按GB/T3921一2008的规定进行。试验条件采用GB/T3921一2008表2中的试验方法D(4)。
HG/T4258—2011
5.11.4耐汗渍色率度的测定
耐汗渍色牢度按GB/T3922--1995的规定进行。5.11.5耐热压色牢度的测定
耐热压色牢度按GB/T6152--1997的规定进行,200℃干压(4h后评定)。5.11.6耐光色牢度的测定
耐光色牢度按GB/T8427一2008的规定进行。5.11.7耐氯化水色牢度的测定
耐氯化水色牢度按GB/T8433-1998的规定进行。5.11.8耐汗光色牢度的测定
耐汗光色牢度按GB/T14576—1993中7.2的规定进行。6检验规则
6.1检验分类
本标准第3章所列的检验项目均为型式检验项目。其中本标准表1中(1)~(8)项为出厂检验项日,应逐批进行检验。在正常连续生产情况下,每年至少进行一次型式检验。但如有下述情况需进行型式检验:
a)新产品最初定型时;
b)产品异地生产时;
c)生产配方、工艺及原材料有较大改变时:d)停产三个月后又恢复生产时;e)客户提出要求时。
6.2出厂检验
反应蓝FL-RN应由生产厂的质量检验部门检验合格,附合格证明后方可出厂。生产厂应保证所有出厂的反应蓝FL-RN产品均符合本标准的要求。6.3复检
如果检验结果中有一项指标不符合本标准的要求时,应重新自两倍量的包装中取样进行检验,重新检验的结果,即使只有一项指标不符合本标准要求,则整批产品判定为不合格。7标志、标签、包装、运输、存
7.1标志
反应蓝FL-RN的每个包装容器上都应涂印耐久、清晰的标志,标志内容至少应有:a)产品名称;
b)生产厂名称、地址;
c)生产日期;
d)净含量。
7.2标签
产品应有标签,标签上应注明产品生产日期、合格证明、执行标准编号、批号。7.3包装
反应蓝FL-RN装于内衬塑料袋的包装容器内,并加密封,每件净含量25kg士0.2kg,其他包装可与用户协商确定。
7.4运输
运输时应防止倒置,小心轻放,避免碰撞,切勿损坏包装。4
反应蓝FL-RN应贮存于阴凉、干燥、通风处,防止受潮受热。贮存期二年。HG/T 4258—2011
中华人民共和国
化工行业标准
反应蓝FL-RN
HG/T4258—2011
出版发行:化学工业出版社
((北京市东城区青年潮南街13号邮政编码100011)化学工业出版社印刷厂
880mm×1230mm1/16印张火
字数11千字
2012年6月北京第1版第1次印刷
书号:1550251173
购书咨询:010-64518888
售后服务:010-64518899
网址:http+//eip.co.cn
凡购买本书,如有缺损质量问愿,本社销售中心负责调换。定价:10.00元
版权所有
违者必究
小提示:此标准内容仅展示完整标准里的部分截取内容,若需要完整标准请到上方自行免费下载完整标准文档。
标准图片预览:





- 其它标准
- 上一篇: HG/T 4257-2011 反应黄 FL-2RN
- 下一篇: HG/T 4259-2011 咔唑
- 热门标准
- HG化工标准
- HG/T2442-2001 洗衣机V带
- HG/T21524-2014 水平吊盖带颈对焊法兰人孔
- HG/T3534-2011 代替 HG/T 3534-2003 工业循环冷却水污垢和腐蚀产物中酸不溶物、磷、铁、铝、钙、镁、锌、铜含量测定方法
- HG/T2058.1-1991 搪玻璃温度计套
- HG/T2784-1996 工业用亚硫酸铵
- HG/T2343-2012 硫化促进剂ETU
- HG/T4519-2013 碱式碳酸钴
- HG/T20592-2009 钢制管法兰(PN系列)
- HG/T3663-2000 胶鞋抗菌性能的试验方法(琼脂平板法)
- HG/T20704.3-2000 机泵专业工程设计阶段的工作程序
- HG2975-1989 气体分析 标准混合气 混合物制备证书
- HG2207-1991 甲霜灵粉剂
- HG2208-1991 甲霜灵可湿性粉剂
- HG/T2192-1991 喷砂橡胶软管
- HG/T2323-1992 工业氯化锌
- 行业新闻
网站备案号:湘ICP备2025141790号-2