- 您的位置:
- 标准下载网 >>
- 标准分类 >>
- 化工行业标准(HG) >>
- HG/T 4666-2014 胶乳海绵
标准号:
HG/T 4666-2014
标准名称:
胶乳海绵
标准类别:
化工行业标准(HG)
标准状态:
现行出版语种:
简体中文下载格式:
.zip .pdf下载大小:
1.81 MB
手机扫码下载更方便
点击下载
标准简介:
HG/T 4666-2014.Latex sponge.
1范围
HG/T 4666规定了胶乳海绵(以下简称海绵)的要求,试验方法,检验规则以及包装、标志、运输和贮存。
HG/T 4666适用于由天然胶乳、丁苯胶乳、氣丁胶乳、天然胶乳和丁苯胶乳并用、氯丁胶乳和丁苯胶乳并用以及氯丁胶乳和天然胶乳并用制成的海绵。
2规范性引用文件
下列文件对于本文件的应用是必不可少的。凡是注8期的引用文件,仅注日期的版本适用于本文件。凡是不注日期的引用文件,其最新版本(包括所有的修改单)适用于本文件。
GB/T 191-2008 包装 储运图示标志
GB/T 2828.1-2012 计数抽样检验程序第1部分:按接收质量限(AQL)检索的逐批检验抽样计划(idt ISO 2859-1 :2003)
GB/T 6344-2008 软质泡沫聚合材料拉伸 强度和断裂伸长率的测定(idt ISO 1798 :2008)
GB/T 6388-1986 运输包装收发货标志
GB/T 6669-2008 软质泡沫聚合材料压缩永久变形的测定(idt ISO 1856 :2000)
GB/T 9640-2008 软质和硬质泡沫聚合材料加速老化试验方 法(idt ISO 2440:1997)
GB/T 10807-2006 软质泡沫聚 合材料硬度的测定(压陷法)(idt ISO 2439:1997)
GB/T 10808-2006 高聚物多孔弹性材料撕裂强度的测定(idt ISO 8067 :1989)
HG/T 3054-2013 胶乳海绵线性尺寸测定
HG/T 3055-2013 胶乳海绵表观密度测定
QB/T 2819-2006 软质泡沫材料长疲劳性能的测定
3术语和定义
下列术语和定义适用于本文件。
3.1
连续平面胶乳海绵 continuous plane latex sponge
将连续起泡和加有胶凝剂的泡沫海绵注射到运输带上制成。
3.2
模具型体胶乳海绵 mold shape latex sponge
将加人胶凝剂的泡沫胶乳注人一定的模型制成。
部分标准内容:
备案号:47108—2014
中华人民共和国化工行业标准
HG/T4666—2014
胶乳海绵
Latexsponge
2014-10-29发布
2015-04-01实施
中华人民共和国工业和信息化部发布前言
本标准按照GB/T1.12009给出的规则起草HG/T4666—2014
本标准由中国石油和化学工业联合会提出。本标准由全国橡胶与橡胶制品标准化技术委员会胶乳制品分技术委员会(SAC/TC35/SC4)归口。
本标准起草单位:东莞市铨兴鞋材有限公司、温州珠联实业有限公司、中国化工橡胶株洲研究设计院。
曹明波、陆鹏兵、邢小超、贾友钢、马继明、邓一志、王金英。本标准主要起草人:
1范围
胶乳海绵
HG/T4666—2014
本标准规定了胶乳海绵(以下简称海绵)的要求,试验方法,检验规则以及包装、标志、运输和贮存。
氯丁胶乳、天然胶乳和丁苯胶乳并用、氯丁胶乳和丁苯胶本标准适用于由天然胶乳、丁苯胶乳、乳并用以及氯丁胶乳和天然胶乳并用制成的海绵。2规范性引用文件
下列文件对于本文件的应用是必不可少的。凡是注日期的引用文件,仅注日期的版本适用于本文件。凡是不注日期的引用文件,其最新版本(包括所有的修改单)适用于本文件。GB/T191—2008
包装储运图示标志
GB/T2828.1—2012
计数抽样检验程序
抽样计划(idtISO2859-1:2003)GB/T6344—2008
GB/T 6388—1986
GB/T6669—2008
GB/T9640—2008
GB/T10807—2006
GB/T10808—2006
HG/T3054-2013
HG/T3055—2013
QB/T2819—2006
术语和定义
软质泡沫聚合材料
第1部分:按接收质量限(AQL)检索的逐批检验拉伸强度和断裂伸长率的测定(idtISO1798:2008)运输包装收发货标志
软质泡沫聚合材料
压缩永久变形的测定(idtISO1856:2000)软质和硬质泡沫聚合材料加速老化试验方法(idtISO2440:1997)4硬度的测定(压陷法)(idtISO2439:1997)软质泡沫聚合材料
高聚物多孔弹性材料
撕裂强度的测定(idtISO8067:1989)胶乳海绵线性尺寸测定
胶乳海绵表观密度测定
软质泡沫材料
下列术语和定义适用于本文件。3.1
长期疲劳性能的测定
连续平面胶乳海绵
continuousplanelatexsponge
将连续起泡和加有胶凝剂的泡沫海绵注射到运输带上制成。3.2
模具型体胶乳海绵
mold shapelatexsponge
将加人胶凝剂的泡沫胶乳注人一定的模型制成。4要求
4.1外观
4.1.1海绵色泽应均匀一致,外形应平整、洁净,表面应无异物。4.1.2海绵的泡沫孔眼应均勾,针芯孔排列应整齐、清晰。4.2规格尺寸
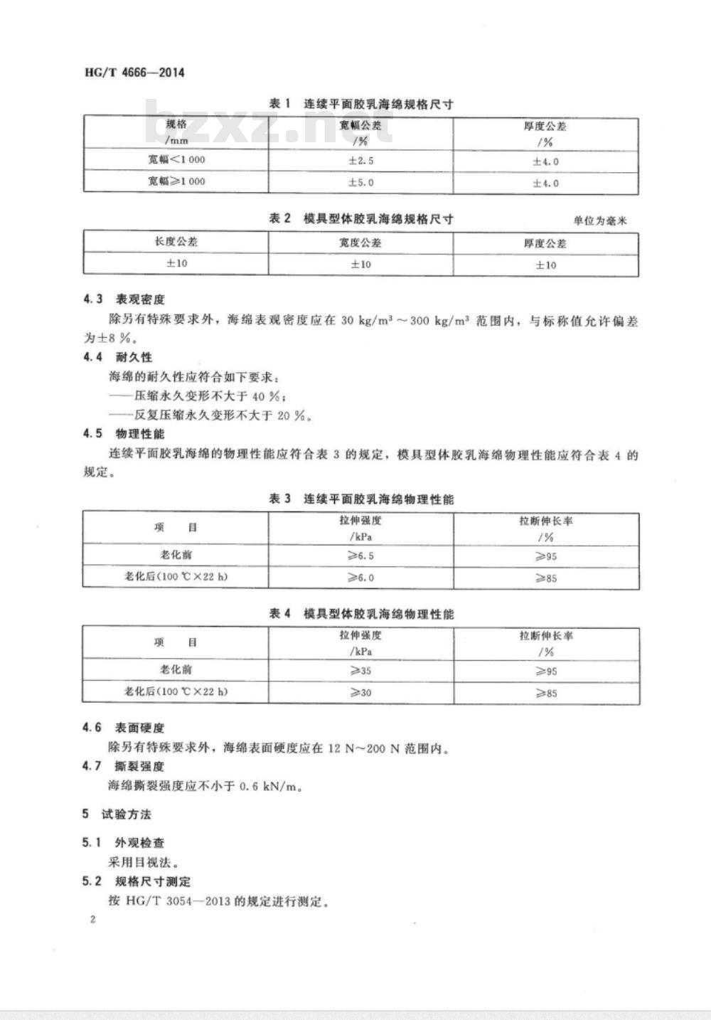
除另有特殊要求外,连续平面胶乳海绵的规格尺寸应符合表1的规定,模具型体胶乳海绵应符合表2的规定。
HG/T4666—2014
宽幅<1000
宽幅≥1000
长度公差
表观密度
连续平面胶乳海绵规格尺寸
宽幅公差
2模具型体胶乳海绵规格尺寸
宽度公差
厚度公差
厚度公差
单位为毫米
除另有特殊要求外,海绵表观密度应在30kg/m3~300kg/m3范围内,与标称值允许偏差为±8%。
4.4耐久性
海绵的耐久性应符合如下要求:压缩永久变形不大于40%;
反复压缩永久变形不大于20%。
4.5物理性能
连续平面胶乳海绵的物理性能应符合表3的规定,模具型体胶乳海绵物理性能应符合表4的规定。
老化前
老化后(100℃×22h)
老化前
老化后(100℃×22h)
表面硬度
连续平面胶乳海绵物理性能
拉伸强度
模具型体胶乳海绵物理性能
拉伸强度
除另有特殊要求外,海绵表面硬度应在12N~200N范围内。4.7
撕裂强度
海绵撕裂强度应不小于0.6kN/m。5
试验方法
外观检查
采用目视法。
5.2规格尺寸测定
按HG/T3054—2013的规定进行测定。2
拉断伸长率
拉断伸长率
≥>85
5.3表观密度测定
5.3.1总则
HG/T4666—2014
海绵表观密度测定方法分为方法1和方法2。试验前,试样应在无外力作用下,温度为27℃土2℃、相对湿度为65%土5%至少进行16h状态调节。5.3.2方法1
本方法适用于出厂检验,具体规定如下:距边部10mm以上的部位裁取上表面积不低于100cm2的试样,裁取面应平整,停放a)
10min,
称其质量、测其体积,然后计算出表观密度:每个样品应裁取3个试样试验,样品的表观密度为3个试样表观密度的中值。c)
5.3.3方法2
本方法适用于型式检验,按HG/T3055一2013的规定进行。5.4耐久性测定
压缩永久变形测定按GB/T6669一2008中的方法A进行,压缩试样厚度的50%土4%;反复压缩永久变形按QB/T2819-2006的规定进行。试验前,试样应在温度为27℃士2℃、相对湿度为65%士5%至少进行16h状态调节。5.5物理性能测定
物理性能测定规定如下:
海绵老化前、后拉伸强度和拉断伸长率的测定按GB/T6344一2008的规定进行,使用1Aa)
型裁刀。试验前,试样应在温度为27℃士2℃、相对湿度为65%土5%至少进行16h状态调节。
b)老化性能按GB/T9640一2008的规定执行,老化时间为22h,老化温度为100℃。5.6表面硬度测定www.bzxz.net
海绵硬度测定按GB/T10807一2006中的方法A进行。试验前,试样应在温度为27℃士2℃、相对湿度为65%士5%至少进行16h状态调节。5.7撕裂强度测定
撕裂强度测定按GB/T10808一2006的规定进行。试验前,试样应在温度为27℃士2℃、相对湿度为65%士5%至少进行16h状态调节。6
检验规则
6.1检验分类
产品检验分为:
型式检验;
b)出厂检验。
型式检验
有下列情况之一时,应进行型式检验:新产品试制定型或老产品转厂生产时a)
正式生产后,当结构、材料、工艺有较大改变而可能影响产品性能时;b)
正常生产情况下,每年1次;
产品停产1年后恢复生产时;
出厂检验结果与上次型式检验有较大差异时。6.1.2出厂检验
出厂检验为一般正常生产检验。3
HG/T4666—2014
检验项目
型式检验项目为4.1~4.7;出厂检验项目为4.1~4.3。3抽样方案
连续平面胶乳海绵和模具型体胶乳海绵的检验单位产品分别为1m和1个。以不合格品百分数表示产品质量水平,抽样方案规定如下:型式检验。连续平面胶乳海绵受检样本量为20m,模具型体胶乳海绵受检样本量为13个。a)
出厂检验。每次提交的检验批应由相同配方、相同工艺连续生产的产品组成。批量根据实际b)
情况确定,但连续平面胶乳海绵每批宜不大于1000m,模具型体胶乳海绵每批宜不大于500个,按GB/T2828.1一2012规定的正常检验一次抽样方案以及表5的规定进行抽样检验。
表5检验水平和接收质量限(AQL)项
规格尺寸
表观密度
6.4合格判据
检验水平
接收质量限(AQL)
型式检验的所有样品检验结果全部符合第4章的要求,则型式检验判为合格,否则为不合格。出厂检验结果符合4.1~4.3的要求与表5中规定的接收质量限(AQL)时,判该批产品为合格。检验结果若有一项超过表5中规定的接收质量限(AQL)时,对不合格项目按加严检验一次方案进行检验,如仍不合格,则该批产品为不合格。包装、标志、运输和贮存
7.1包装
7.1.1海绵的内包装用塑料薄膜袋,外包装应采用合适的包装方式,以保证产品不受损伤。7.1.2
2包装箱内应有产品质量合格证。7.2标志
7.2.1海绵的外包装上应包括如下内容:a)
产品名称、商标;
产品规格(长度、宽度、高度),净重:产品标准代号;
制造商名称、地址;
出厂日期。
包装贮运图示标志应符合GB/T191一2008的规定。包装、收发货标志应符合GB/T6388一1986的规定。7.2.3
7.3运输和存
7.3.1海绵在运输中,应有遮盖物,不应重压、站污、强烈高温、阳光直射、雨雪浸淋,禁止与酸、碱、油类、有机溶剂、热源及其他对橡胶性能有损害的物质接触。海绵应存放在干燥通风的库房内,不应与有毒有害的物质一起存放。7.3.2
海绵自生产之日起,在7.3.1、7.3.2规定的贮存条件下,贮存期为6个月。中华人民共和国
化工行业标准
胶乳海绵
HG/T4666—2014
出版发行:化学工业出版社
(北京市东城区青年潮南街13号郎政编码100011)北京科印技术咨询服务公司海淀数码印剧分部99
880mm×1230mm1/16印张火字数13千字2015年2月北京第1版第1次印刷
书号:155025·1827
购书咨询:010-64518888
售后服务:010-64518899
网址:http://www.cip.com.cn凡购买本书,如有缺损质量间题,本社销售中心负责调换,版权所有
违者必究
小提示:此标准内容仅展示完整标准里的部分截取内容,若需要完整标准请到上方自行免费下载完整标准文档。
标准图片预览:





- 热门标准
- HG化工标准
- HG/T20592-2009 钢制管法兰(PN系列)
- HG/T20519-2009 代替 HG/T 20519-1992 化工工艺设计施工图内容和深度统一规定
- HG/T20615-2009 钢制管法兰(Class系列)
- HG/T5624-2019 工业用四羟甲基硫酸磷
- HG20571-2014 代替 HG 20571-1995 化工企业安全卫生设计规范
- HG/T20613-2009 钢制管法兰用紧固件(PN系列)
- HG/T20553-2011 代替 HG 20553-1993 化工配管用无缝及焊接钢管尺寸选用系列
- HG/T20206-2017 代替 HG 20206-1992 化工机器安装工程施工及验收规范(中小型活塞式压缩机)
- HG/T21574-2018 代替 HG/T 21574-2008 化工设备吊耳设计选用规范
- HG20583-1998 钢制化工容器结构设计规定
- HG/T21547-2016 代替 HG 21547-1993 管道用钢制插板、垫环、8字盲板系列
- HG/T20634-2009 钢制管法兰用紧固件(Class系列)
- HG/T2373-2004 代替 HG/T 2373-1992 搪玻璃开式贮存容器
- HG/T20610-2009 钢制管法兰用缠绕式垫片(PN系列)
- HG/T20606-2009 钢制管法兰用非金属平垫片(PN系列)
- 行业新闻