- 您的位置:
- 标准下载网 >>
- 标准分类 >>
- 化工行业标准(HG) >>
- HG/T 4289-2012 T3 型工业 X 射线胶片
标准号:
HG/T 4289-2012
标准名称:
T3 型工业 X 射线胶片
标准类别:
化工行业标准(HG)
标准状态:
现行出版语种:
简体中文下载格式:
.zip .pdf下载大小:
1.50 MB
手机扫码下载更方便
点击下载
标准简介:
HG/T 4289-2012.Type T3 industrial X-ray film.
1范围
HG/T 4289规定了T3型工业X射线胶片的要求、试验方法、检验规则及包装、标志、运输和贮存。
HG/T 4289适用于对钢.铁、铝等金属及其合金材料的焊缝.铸件等进行无损探伤检验用的X射线胶片。
2规范性引用文件
下列文件对于本文件的应用是必不可少的。凡是注日期的引用文件,仅所注日期的版本适用于本文件。凡是不注日期的引用文件,其最新版本(包括所有的修改单)适用于本文件。
GB/T 191包装储运图示标志
GB/T 6843感光材料涂层熔点测定方法
GB/T 11500摄影密度测量 第2部分:透视密度的几何条件
GB/T 11501摄影密度测量 第3部分 :光谱条件
GB/T 15061银盐感光材料感光测定通则 第1部分适用于白炽钨光和模拟日光曝光的试样的曝光条件
GB/T 15769电影技术术语
3术语和定义
GB/T15769确立的以及下列术语和定义适用于本标准。
3.1感光度 sensitivity speed
规定感光乳剂敏感性的指数。
3.2感光特性曲线 characteristic curve
感光材料所接受的曝光量对数与其在-定显影加工条件下产生的密度之间的关系曲线(曝光量对数为横坐标,密度为纵坐标)。
(GB/T 15769- 1995,定义 2. 168)
3.3最小密度 minimum density
感光材料未曝光部分经显影加工后所产生的灰雾密度加上片基密度,以Dmim表示。
3.4反差系数 contrast factor
感光特性曲线直线部分的斜率,以r表示。
部分标准内容:
备案号:36853—2012
中华人民共和国化工行业标准
HG/T4289—2012
T3型工业X射线胶片
TypeT3 industrial X-rayfilm
2012-05-24发布
2012-11-01实施
中华人民共和国工业和信息化部发布前言
本标准按照GB/T1.1—2009给出的规则起草。本标准的附录A为资料性附录。
本标准由中国石油和化学工业联合会提出。本标准由全国感光材料标准化技术委员会(SAC/TC102)归口。HG/T4289—2012
本标准起草单位:中国乐凯胶片集团公司、乐凯黑白感光材料厂、国家感光材料工程技术研究中心。本标准起草人:王丽丽、李保民。建筑321---标准查询下载网
jz321.net
1范围
T3型工业X射线胶片
HG/T4289—2012
本标准规定了T3型工业X射线胶片的要求、试验方法、检验规则及包装、标志、运输和贮存。本标准适用于对钢、铁、铝等金属及其合金材料的焊缝、铸件等进行无损探伤检验用的X射线胶片。2规范性引用文件
下列文件对于本文件的应用是必不可少的。凡是注日期的引用文件,仅所注日期的版本适用于本文件。凡是不注日期的引用文件,其最新版本(包括所有的修改单)适用于本文件。GB/T191包装储运图示标志
GB/T6843
感光材料涂层熔点测定方法
摄影密度测量第2部分:透视密度的几何条件GB/T11500
GB/T11501
GB/T15061
的曝光条件
GB/T15769
3术语和定义
摄影密度测量第3部分:光谱条件银盐感光材料感光测定通则第1部分适用于白炽钨光和模拟日光曝光的试样电影技术术语
GB/T15769确立的以及下列术语和定义适用于本标准。3.1
感光度sensitivityspeed
规定感光乳剂敏感性的指数。
感光特性曲线
characteristic curve
感光材料所接受的曝光量对数与其在一定显影加工条件下产生的密度之间的关系曲线(曝光量对数为横坐标,密度为纵坐标)。(GB/T15769—1995,定义2.168)3.3
最小密度minimumdensity
感光材料未曝光部分经显影加工后所产生的灰雾密度加上片基密度,以Dmin表示。contrast factor
反差系数
感光特性曲线直线部分的斜率,以表示。(GB/T15769—1995,定义2.125)4产品分类
产品分类参见附录A。
5要求
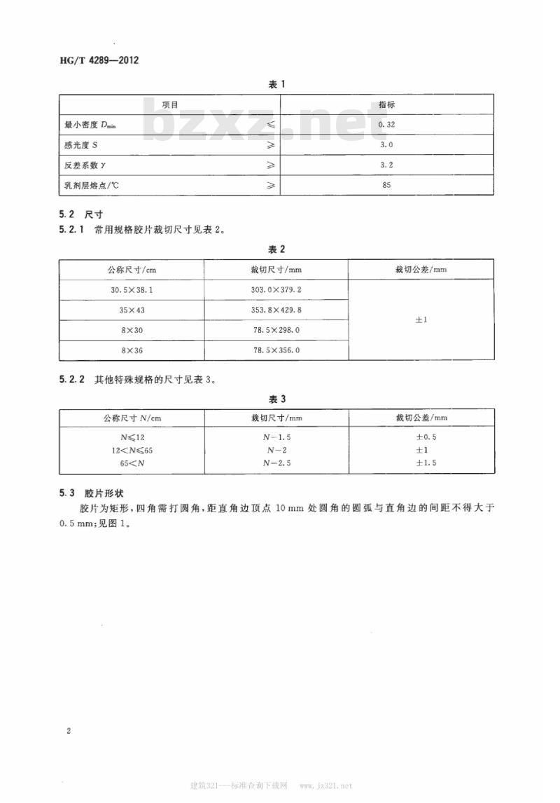
5.1性能指标
见表1。
HG/T4289—2012
最小密度Dmin
感光度S
反差系数
乳剂层熔点/℃
5.2尺寸
5.2.1常用规格胶片裁切尺寸见表2。公称尺寸/cm
30.5X38.1
35×43
其他特殊规格的尺寸见表3。
公称尺寸N/cm
N≤12
12
裁切尺寸/mm
303.0X379.2
353.8X429.8
78.5X298.0
78.5×356.0
裁切尺寸/mm
裁切公差/mm
裁切公差/mm
胶片为矩形,四角需打圆角,距直角边顶点10mm处圆角的圆弧与直角边的间距不得大于0.5mm;见图1。
建筑321---标准查询下载网
jz321.net
0.5最大
圆角允许范围
图1圆角尺寸
单位为毫米
HG/T4289—2012
5.3.1圆角的圆弧应在图1所示阴影范围内,胶片角平分线距圆角弧交点到直角顶点的距离不得小于2mm,不得大于5.5mm。
5.3.2圆角的圆弧与两直角边的切点到直角顶点的距离不得小于2.8mm,不得大于15mm。圆角切边应圆滑,不得有毛刺和棱角。5.4胶片表观质量
5.4.1生胶片表观质量
生胶片应清洁、不粘连,片边应光洁、无毛刺,乳剂层无脱涂、无拉丝、条道、气泡、沙眼及机械划伤等缺陷。
5.4.2透明片表观质量
透明片乳剂层应不起泡、不脱落、不得有斑点和静电产生的最小密度等缺陷。5.4.3灰片表观质量
灰片应无条道、拉丝和斑痕等缺陷。6试验方法
6.1试验条件
应符合GB/T15061中的规定,光源色温5500K,试样曝光时间1/20S。样品需在室内温度20℃士2℃和相对湿度45%~65%条件下至少平衡4h后曝光。6.2取样
样品应在6.1条件下,达到平衡后取样,从未开封的包装盒内任取一张胶片,裁成35mm宽的片段作为试片。
6.3试片冲洗
已曝光试片应在2h内冲洗,冲洗工艺如表4。3
HG/T4289—2012
药液温度/℃
时间/min
加工配方
6.4密度的测量
已冲洗的胶片应使用漫透射密度仪测量,其几何条件应符合GB/T11500的有关规定,光谱条件应符合GB/T11501的有关规定。
6.5感光特性曲线的绘制
以密度值为纵坐标,曝光量对数值为横坐标,绘制感光特性曲线,见图2。D
IgHIgH,
感光特性曲线示意图
6.6最小密度wwW.bzxz.Net
以未曝光试片经显影、定影加工后产生的光学密度值。6.7感光度
暖光量对数
在感光胶片特性曲线上标出Dmin十0.85后的密度点m,该点为求取感光度的基准点,其m点对应的曝光量的倒数即为感光度。按式(1)求取:S
式中:
S—感光度;
特性曲线上计算感光度规定的基准点m所对应的曝光量,单位为勒克斯秒(lx·s);1——固定常数。
6.8反差系数
以特性曲线上直线部的斜率表示。5.9乳剂层熔点
应符合GB/T6843的规定。
6.10尺寸的测定
在室内温度20℃土3℃,相对湿度45%~65%的环境条件下,用精度不低于0.1mm的测长量具建筑321---标准查询下载网
测定。
6.11胶片形状的检验
将多张胶片对齐目视检验,有异议时,按4.3的要求检验。6.12生胶片检验
从未开封的包装内任取一张胶片,在白光下视觉检查。6.13透明片检验
HG/T4289—2012
从未开封的包装内任取一张胶片,不经曝光,按本标准6.3规定方法冲洗,视觉检查冲洗出的透明片。
6.14灰片检验
从未开封的包装内任取一张胶片,曝光灰片冲洗后,密度应控制在0.9~1.1(视觉检查)。7检验规则
7.1出厂检验
本产品应由质量检验部门按表5规定的检验批量和频率进行检验,合格品方可出厂。表5
最小密度、感光度、反差系数
乳剂层熔点
胶片表观
尺寸、胶片形状
7.2型式检验
每乳剂号的胶片为一批
每台设备每班产量为一批
每轴测
每批测一次
隔轴检验
每批测一次
本产品有下列情况之一应进行型式检验,它包括本标准技术要求的全部项目及批量和频率(见表5):
a)产品结构、原材料和工艺有较大改变时;新产品定型鉴定时,产品长期停产后,恢复生产时;b)
c)长期正常生产,应周期性进行检验;d)
出厂检验与上次型式检验有较大差异时。8标志、包装、运输和贮存
8.1标志
单位包装盒外标明生产厂名、厂址、产品名称、产品质量合格证、商标、执行标准号、型号、规格、数量、批号和有效期等。包装箱外标明生产厂名、厂址、产品名称、商标、执行标准号、型号、规格、数量、批号、有效期、包装基本尺寸、防潮、防热、向上和小心轻放等标志,应符合GB/T191的规定。8.2包装
内包装为胶片外夹卡纸,装人防潮防光袋,暗室热封,装入中包装纸盒后,再装入外包装箱。8.3运输
胶片在运输过程中不得受日晒、雨淋、辐射和剧烈震动。8.4贮存
贮存的室内环境温度为10℃~23℃,相对湿度30%~65.%,产品保证期为30个月;胶片应保持原包装,保存在阴凉干燥处,并不得受阳光的直接照射;胶片不得受硫化氢、甲醛和氨等有害气体的侵害、应远离热源和辐射线。5
HG/T4289—2012
胶片系统类别
附录A
(资料性附录)
工业射线胶片系统分类表
最小梯度Gmin
D=2(D。以上)
D=4(D以上)
建筑321---标准查询下载网
最小梯度与噪声比
Gmin/oDmin
D=2(D。以上)
最大颗粒度
D=2(D。以上)
中华人民共和国
化工行业标准
T3型工业X射线胶片
HG/T4289—2012
出版发行:化学工业出版社
(北京市东城区青年潮南街13号邮政编码100011)化学工业出版社印刷厂
880mm×1230mm1/16印张%字数14千字2012年10月北京第1版第1次印刷书号:155025·1250
购书咨询:010-64518888
售后服务:010-64518899
网址:http://cip.com.cn凡购买本书,如有缺损质量问题,本社销售中心负责调换。定价:10.00元
版权所有
违者必究
小提示:此标准内容仅展示完整标准里的部分截取内容,若需要完整标准请到上方自行免费下载完整标准文档。
标准图片预览:





- 其它标准
- 热门标准
- HG化工标准
- HG/T20592-2009 钢制管法兰(PN系列)
- HG/T20519-2009 代替 HG/T 20519-1992 化工工艺设计施工图内容和深度统一规定
- HG/T20615-2009 钢制管法兰(Class系列)
- HG/T5624-2019 工业用四羟甲基硫酸磷
- HG20571-2014 代替 HG 20571-1995 化工企业安全卫生设计规范
- HG/T20613-2009 钢制管法兰用紧固件(PN系列)
- HG/T20553-2011 代替 HG 20553-1993 化工配管用无缝及焊接钢管尺寸选用系列
- HG/T20206-2017 代替 HG 20206-1992 化工机器安装工程施工及验收规范(中小型活塞式压缩机)
- HG/T21574-2018 代替 HG/T 21574-2008 化工设备吊耳设计选用规范
- HG20583-1998 钢制化工容器结构设计规定
- HG/T20634-2009 钢制管法兰用紧固件(Class系列)
- HG/T21547-2016 代替 HG 21547-1993 管道用钢制插板、垫环、8字盲板系列
- HG/T2373-2004 代替 HG/T 2373-1992 搪玻璃开式贮存容器
- HG/T20610-2009 钢制管法兰用缠绕式垫片(PN系列)
- HG/T20606-2009 钢制管法兰用非金属平垫片(PN系列)
- 行业新闻