- 您的位置:
- 标准下载网 >>
- 标准分类 >>
- 城镇建设行业标准(CJ) >>
- CJ/T 3078-1998 建筑缆索用高密度聚乙烯塑料
标准号:
CJ/T 3078-1998
标准名称:
建筑缆索用高密度聚乙烯塑料
标准类别:
城镇建设行业标准(CJ)
英文名称:
High-density polyethylene plastic for building cables标准状态:
已作废-
发布日期:
1998-12-03 -
实施日期:
1999-05-01 -
作废日期:
2009-04-01 出版语种:
简体中文下载格式:
.rar.pdf下载大小:
533.39 KB
中标分类号:
化工>>合成材料>>G32合成树脂、塑料
替代情况:
被CJ/T 297-2008代替
点击下载
标准简介:
标准下载解压密码:www.bzxz.net
本标准规定了建筑缆索用或符合其他相同要求用高密度聚乙烯塑料的产品、分类、技术要求、试验方法、检验规则和产品标志、包装、运输、贮存。本标准适用于以高密度聚乙烯树脂为主要原料,加入改性剂、抗氧剂、光稳定剂、炭黑或颜料等助剂,经混炼、塑化、造粒、制得的高密度聚乙烯塑料。 CJ/T 3078-1998 建筑缆索用高密度聚乙烯塑料 CJ/T3078-1998
部分标准内容:
工程建设标准全文信息系统
中华人民共和国城镇建设行业标准CJ/T3078—1998
建筑缆索用高密度聚乙烯塑料
Highdensitypolyethylene compoundsforconstructioncable
1998-12-03发布
工程建设标准全文信息系统
中华人民共和国建设部发布
1999-05-01
工程建设标准全文信息系统
CJ/T3078—1998
本标准能覆盖CJ3058-1996《塑料护套半平行钢丝拉索》中的护套塑料的条款要求。本标准由建设部标准定额研究所提出。本标准由建设部城镇道路桥梁标准技术归口单位北京市市政工程设计研究院归口。本标准由上海市政工程设计研究院、上海高分子功能材料研究所、机械工业部上海电缆研究所、上海浦江缆索有限公司负责起草。本标准主要起草人:马玉珍、曹正康、毛庆传、李骥安、罗国强。本标准委托上海市政工程设计研究院负责解释。工程建设标准全文信息系统
工程建设标准全文信息系统
中华人民共和国城镇建设行业标准建筑缆索用高密度聚乙烯塑料
High density polyethylene compoundsfor construction cable
1范围
CJ/T3078—1998
本标准规定了建筑缆索用或符合其他相同要求用高密度聚乙烯塑料(以下简称HDPE塑料)的产品分类、技术要求、试验方法、检验规则和产品标志、包装、运输、贮存。本标准适用手以高密度聚乙烯树脂为主要原料,加入改性剂、抗氧剂、光稳定剂、炭黑或颜料等助剂,经混炼、塑化、造粒制得的高密度聚乙烯塑料。2引用标准
下列标准所包含的条文,通过在本标准中引用而构成为本标准的条文。本标准出版时,所示版本均为有效。所有标准都会被修订,使用本标准的各方应探讨使用下列标准最新版本的可能性。GB/T1033—1986
GB/T1040—1992
GB/T1043—1979
GB/T1633—1979
GB/T1842—1980
GB/T2411—1980
塑料密度和相对密度试验方法
塑料拉伸试验方法
塑料简支梁冲击试验方法
热塑性塑料软化点(维卡)试验方法聚乙烯环境应力开裂试验方法
塑料邵氏硬度试验方法
GB/T2828一1986逐批检查计数抽样程序及抽样表(适用于连续批的检查)GB/T3682—1983热塑性塑料熔体流动速率试验方法GB/T5470—1985
GB/T7141—1992
GB/T8427—1987
塑料冲击脆化温度试验方法
塑料热空气暴露试验方法
纺织品耐光色牢度试验方法氙弧GB/T2951.35—1983电线电缆耐臭氧试验方法GB/T9352—1988
3热塑性塑料压缩试样的制备
GB12527—1990额定电压1kV及以下架空绝缘电缆GB15065—1994电线电缆用黑色聚乙烯塑料CJ3058—1996塑料护套半平行钢丝拉索3产品分类
3.1规格
产品为黑色或彩色圆柱形颗粒,直径为3~4mm,长度为2~4mm或体积相当的方形颗粒。3.2分类
按其颜色分为黑色和彩色(除黑色以外的其他颜色)两类。中华人民共和国建设部1998-12-03批准工程建设标准全文信息系统
1999-05-01实施
工程建设标准全文信息系统
4技术要求
4.1外观
颗粒均勾,表面光滑,无明显杂质,不允许有3颗及以上连粒。4.2物理力学性能
4.2.1建筑缆索用黑色HDPE塑料物理力学性能应符合表1规定。表1
熔体流动速率
拉伸强度
拉伸届服强度
断裂伸长率
拉伸弹性模量
冲击强度
软化温度
耐环境应力开裂
脆化温度
炭黑分散性
分散度
吸收系数
耐热老化100℃168h
拉伸强度变化率
断裂伸长率变化率
耐臭氧老化
延伸25%,温度24℃±8℃
臭氧浓度0.01~0.15mg/m,暴露1h人工气候老化
老化时间:0~1008h
拉伸强度变化率
断裂伸长率变化率
老化时间:504~1008h
拉伸强度变化率
断裂伸长率变化率
g/10min
ShoreD
建筑缆索用彩色HDPE塑料物理力学性能应符合表2规定。5试验方法
熔体流动速率
拉伸强度
拉伸届服强度
断裂伸长率
工程建设标准全文信息系统
8/10min
0.942~0.978
≥150
≥1500
≥400
无异常变化
0.9420.978
工程建设标准全文信息系统
拉伸弹性模量
冲击强度
软化温度
耐环境应力开裂
脆化温度
耐热老化100℃168h
拉伸强度变化率
断裂伸长率变化率
耐臭氧老化
延伸25%,温度24士8℃
臭氧浓度0.01~0.15mg/m,暴露1h人工气候老化
老化时间:0~1008h
拉伸强度变化率
断裂伸长率变化率
老化时间:504~1008h
拉伸强度变化率
断裂伸长率变化率
耐光色牢度
5.1外观及外形尺寸
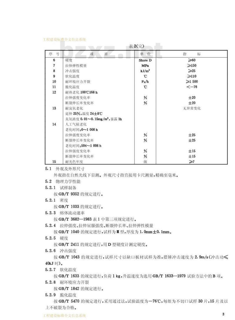
表2(完)
ShoreD
外观指在自然光线下目测。外观尺寸指直接用卡尺测量,精确至毫米。5.2物理力学性能
5.2.1试样制备
按GB/T9352的规定进行。
5.2.1密度
按GB/T1033的规定进行。
5.2.3熔体流动速率
按GB/T3682—1983表1中第三项规定进行。5.2.4拉伸强度、拉伸届服强度、断裂伸长率、拉伸弹性模量按GB/T1040的规定进行,试样为Ⅲ型,厚度为1.0mm士0.1mm。5.2.5硬度
按GB/T2411的规定进行,用D型硬度计测定硬度。5.2.6冲击强度
≥1500
无异常变化
按GB/T1043的规定进行,试样尺寸以缺口板材试样为准,摆锤冲击速度为2.9m/s(冲击功<40kJ时)。
5.2.7软化温度
按GB/T1633的规定进行,负荷1kg,升温速度为选用GB/T1633—1979试验方法中的B项。5.2.8耐环境应力开裂
按GB/T1842的规定进行。
5.2.9脆化温度此内容来自标准下载网
按GB/T5470的规定进行,采用通过法,试验温度为一76℃,每组为不切口试样30片,15片及以上不破裂为合格。
工程建设标准全文信息系统
工程建设标准全文信息系统
5.2.10炭黑分散性
在炭黑分散性中,分散度和吸收系数两项中任选一项。在仲裁时采用炭黑吸收系数法。5.2.10.1炭黑分散度
试验方法按GB15065—1994附录A规定进行。5.2.10.2炭黑吸收系数
试验方法按GB15065—1994附录B规定进行。5.2.11耐热老化
按GB/T7141的规定进行,老化温度100℃士2℃,时间168h。5.2.12耐臭氧老化
按GB/T2951.35—1983规定进行,延伸25%,温度24℃士8℃,臭氧浓度0.01~0.15mg/m3,暴露ih。
5.2.13人工气候老化
按GB12527—1990中附录A的规定进行,老化时间为1008h。5.2.14耐光色牢度
按GB/T8427—1987方法3的规定进行。6检验规则
6.1组批
建筑缆索用HDPE塑料以批为单位进行检验。同一批号原料,同一配方,同一工艺连续生产为批,每批重量不超过20t。
6.2检验分类
6.2.1出厂检验
6.2.1.1建筑缆索用黑色HDPE塑料出厂检验项目为4.1及4.2.1条中表1的1,2,3,4,56,8,9,12项。
6.2.1.2建筑缆索用彩色HDPE塑料出厂检验项目为4.1及4.2.2条中表2的1,2,3,4,5,6,8,9项。6.2.2型式检验
有下列情况之一者应进行型式检验,型式检验项目为技术要求中规定的全部项目:a)产品转厂生产的产品定型鉴定,b正式生产后,当配方,原材料,工艺改变,可能影响产品性能时c)正常生产时,一年至少进行一次检验;d)产品停产一年以上,恢复生产时;e)出厂检验结果与上次型式检验有较大差异时;f)用户提出进行型式检验的要求时;g)国家质量监督机构提出进行型式检验的要求时。6.3抽样
采取随机抽样的方法。
外观按GB/T2828规定抽样,见表3。从抽取的每袋样品中取0.5kg进行检验。物理力学性能检验以批为单位,在每批中任取1kg进行检验。6.4、合格批的判定规则
外观按GB/T2828规定进行,见表3。采用1次正常检查抽样方案,一般检查水平1,合格质量水平AQL6.5。
工程建设标准全文信息系统
工程建设标准全文信息系统
批量范围
91~150
151~280
281~500
501~1200
1201~3200
样本大小
合格质量水平(AQL)6.5
物理力学性能按表1或表2进行检查。检验结果若有不合格项目,应重新从原批中双倍抽样,对不合格项目进行复验。复验结果全部合格,则整批合格。反之,为不合格。7
标志、包装、运输及购存
7.1标志
在每个包装件上附有合格证,包装袋上应标明下列内容:a)产品名称及代号、标准号,
b)制造厂家、厂址;
c)注册商标;
d)生产日期及批号;
e)防热、防潮标志;
f)净质量。
7.2包装
建筑缆索用HDPE塑料的内袋用聚乙烯塑料薄膜袋,外袋用塑料编织袋或复合袋包装。每袋净质量25kg±0.2kg。
7.3运输
产品运输时不得在阳光下曝晒和雨淋。要保持清洁、干燥、不得污染,保持包装完整。7.4贮存
产品应贮存在清洁、阴凉、干燥、通风的库房内,贮存期从生产日期起为一年。工程建设标准全文信息系统
小提示:此标准内容仅展示完整标准里的部分截取内容,若需要完整标准请到上方自行免费下载完整标准文档。
中华人民共和国城镇建设行业标准CJ/T3078—1998
建筑缆索用高密度聚乙烯塑料
Highdensitypolyethylene compoundsforconstructioncable
1998-12-03发布
工程建设标准全文信息系统
中华人民共和国建设部发布
1999-05-01
工程建设标准全文信息系统
CJ/T3078—1998
本标准能覆盖CJ3058-1996《塑料护套半平行钢丝拉索》中的护套塑料的条款要求。本标准由建设部标准定额研究所提出。本标准由建设部城镇道路桥梁标准技术归口单位北京市市政工程设计研究院归口。本标准由上海市政工程设计研究院、上海高分子功能材料研究所、机械工业部上海电缆研究所、上海浦江缆索有限公司负责起草。本标准主要起草人:马玉珍、曹正康、毛庆传、李骥安、罗国强。本标准委托上海市政工程设计研究院负责解释。工程建设标准全文信息系统
工程建设标准全文信息系统
中华人民共和国城镇建设行业标准建筑缆索用高密度聚乙烯塑料
High density polyethylene compoundsfor construction cable
1范围
CJ/T3078—1998
本标准规定了建筑缆索用或符合其他相同要求用高密度聚乙烯塑料(以下简称HDPE塑料)的产品分类、技术要求、试验方法、检验规则和产品标志、包装、运输、贮存。本标准适用手以高密度聚乙烯树脂为主要原料,加入改性剂、抗氧剂、光稳定剂、炭黑或颜料等助剂,经混炼、塑化、造粒制得的高密度聚乙烯塑料。2引用标准
下列标准所包含的条文,通过在本标准中引用而构成为本标准的条文。本标准出版时,所示版本均为有效。所有标准都会被修订,使用本标准的各方应探讨使用下列标准最新版本的可能性。GB/T1033—1986
GB/T1040—1992
GB/T1043—1979
GB/T1633—1979
GB/T1842—1980
GB/T2411—1980
塑料密度和相对密度试验方法
塑料拉伸试验方法
塑料简支梁冲击试验方法
热塑性塑料软化点(维卡)试验方法聚乙烯环境应力开裂试验方法
塑料邵氏硬度试验方法
GB/T2828一1986逐批检查计数抽样程序及抽样表(适用于连续批的检查)GB/T3682—1983热塑性塑料熔体流动速率试验方法GB/T5470—1985
GB/T7141—1992
GB/T8427—1987
塑料冲击脆化温度试验方法
塑料热空气暴露试验方法
纺织品耐光色牢度试验方法氙弧GB/T2951.35—1983电线电缆耐臭氧试验方法GB/T9352—1988
3热塑性塑料压缩试样的制备
GB12527—1990额定电压1kV及以下架空绝缘电缆GB15065—1994电线电缆用黑色聚乙烯塑料CJ3058—1996塑料护套半平行钢丝拉索3产品分类
3.1规格
产品为黑色或彩色圆柱形颗粒,直径为3~4mm,长度为2~4mm或体积相当的方形颗粒。3.2分类
按其颜色分为黑色和彩色(除黑色以外的其他颜色)两类。中华人民共和国建设部1998-12-03批准工程建设标准全文信息系统
1999-05-01实施
工程建设标准全文信息系统
4技术要求
4.1外观
颗粒均勾,表面光滑,无明显杂质,不允许有3颗及以上连粒。4.2物理力学性能
4.2.1建筑缆索用黑色HDPE塑料物理力学性能应符合表1规定。表1
熔体流动速率
拉伸强度
拉伸届服强度
断裂伸长率
拉伸弹性模量
冲击强度
软化温度
耐环境应力开裂
脆化温度
炭黑分散性
分散度
吸收系数
耐热老化100℃168h
拉伸强度变化率
断裂伸长率变化率
耐臭氧老化
延伸25%,温度24℃±8℃
臭氧浓度0.01~0.15mg/m,暴露1h人工气候老化
老化时间:0~1008h
拉伸强度变化率
断裂伸长率变化率
老化时间:504~1008h
拉伸强度变化率
断裂伸长率变化率
g/10min
ShoreD
建筑缆索用彩色HDPE塑料物理力学性能应符合表2规定。5试验方法
熔体流动速率
拉伸强度
拉伸届服强度
断裂伸长率
工程建设标准全文信息系统
8/10min
0.942~0.978
≥150
≥1500
≥400
无异常变化
0.9420.978
工程建设标准全文信息系统
拉伸弹性模量
冲击强度
软化温度
耐环境应力开裂
脆化温度
耐热老化100℃168h
拉伸强度变化率
断裂伸长率变化率
耐臭氧老化
延伸25%,温度24士8℃
臭氧浓度0.01~0.15mg/m,暴露1h人工气候老化
老化时间:0~1008h
拉伸强度变化率
断裂伸长率变化率
老化时间:504~1008h
拉伸强度变化率
断裂伸长率变化率
耐光色牢度
5.1外观及外形尺寸
表2(完)
ShoreD
外观指在自然光线下目测。外观尺寸指直接用卡尺测量,精确至毫米。5.2物理力学性能
5.2.1试样制备
按GB/T9352的规定进行。
5.2.1密度
按GB/T1033的规定进行。
5.2.3熔体流动速率
按GB/T3682—1983表1中第三项规定进行。5.2.4拉伸强度、拉伸届服强度、断裂伸长率、拉伸弹性模量按GB/T1040的规定进行,试样为Ⅲ型,厚度为1.0mm士0.1mm。5.2.5硬度
按GB/T2411的规定进行,用D型硬度计测定硬度。5.2.6冲击强度
≥1500
无异常变化
按GB/T1043的规定进行,试样尺寸以缺口板材试样为准,摆锤冲击速度为2.9m/s(冲击功<40kJ时)。
5.2.7软化温度
按GB/T1633的规定进行,负荷1kg,升温速度为选用GB/T1633—1979试验方法中的B项。5.2.8耐环境应力开裂
按GB/T1842的规定进行。
5.2.9脆化温度此内容来自标准下载网
按GB/T5470的规定进行,采用通过法,试验温度为一76℃,每组为不切口试样30片,15片及以上不破裂为合格。
工程建设标准全文信息系统
工程建设标准全文信息系统
5.2.10炭黑分散性
在炭黑分散性中,分散度和吸收系数两项中任选一项。在仲裁时采用炭黑吸收系数法。5.2.10.1炭黑分散度
试验方法按GB15065—1994附录A规定进行。5.2.10.2炭黑吸收系数
试验方法按GB15065—1994附录B规定进行。5.2.11耐热老化
按GB/T7141的规定进行,老化温度100℃士2℃,时间168h。5.2.12耐臭氧老化
按GB/T2951.35—1983规定进行,延伸25%,温度24℃士8℃,臭氧浓度0.01~0.15mg/m3,暴露ih。
5.2.13人工气候老化
按GB12527—1990中附录A的规定进行,老化时间为1008h。5.2.14耐光色牢度
按GB/T8427—1987方法3的规定进行。6检验规则
6.1组批
建筑缆索用HDPE塑料以批为单位进行检验。同一批号原料,同一配方,同一工艺连续生产为批,每批重量不超过20t。
6.2检验分类
6.2.1出厂检验
6.2.1.1建筑缆索用黑色HDPE塑料出厂检验项目为4.1及4.2.1条中表1的1,2,3,4,56,8,9,12项。
6.2.1.2建筑缆索用彩色HDPE塑料出厂检验项目为4.1及4.2.2条中表2的1,2,3,4,5,6,8,9项。6.2.2型式检验
有下列情况之一者应进行型式检验,型式检验项目为技术要求中规定的全部项目:a)产品转厂生产的产品定型鉴定,b正式生产后,当配方,原材料,工艺改变,可能影响产品性能时c)正常生产时,一年至少进行一次检验;d)产品停产一年以上,恢复生产时;e)出厂检验结果与上次型式检验有较大差异时;f)用户提出进行型式检验的要求时;g)国家质量监督机构提出进行型式检验的要求时。6.3抽样
采取随机抽样的方法。
外观按GB/T2828规定抽样,见表3。从抽取的每袋样品中取0.5kg进行检验。物理力学性能检验以批为单位,在每批中任取1kg进行检验。6.4、合格批的判定规则
外观按GB/T2828规定进行,见表3。采用1次正常检查抽样方案,一般检查水平1,合格质量水平AQL6.5。
工程建设标准全文信息系统
工程建设标准全文信息系统
批量范围
91~150
151~280
281~500
501~1200
1201~3200
样本大小
合格质量水平(AQL)6.5
物理力学性能按表1或表2进行检查。检验结果若有不合格项目,应重新从原批中双倍抽样,对不合格项目进行复验。复验结果全部合格,则整批合格。反之,为不合格。7
标志、包装、运输及购存
7.1标志
在每个包装件上附有合格证,包装袋上应标明下列内容:a)产品名称及代号、标准号,
b)制造厂家、厂址;
c)注册商标;
d)生产日期及批号;
e)防热、防潮标志;
f)净质量。
7.2包装
建筑缆索用HDPE塑料的内袋用聚乙烯塑料薄膜袋,外袋用塑料编织袋或复合袋包装。每袋净质量25kg±0.2kg。
7.3运输
产品运输时不得在阳光下曝晒和雨淋。要保持清洁、干燥、不得污染,保持包装完整。7.4贮存
产品应贮存在清洁、阴凉、干燥、通风的库房内,贮存期从生产日期起为一年。工程建设标准全文信息系统
小提示:此标准内容仅展示完整标准里的部分截取内容,若需要完整标准请到上方自行免费下载完整标准文档。
标准图片预览:





- 其它标准
- 热门标准
- 城镇建设行业标准(CJ)
- CJJ/T104-2014 城镇供热直埋蒸汽管道技术规程
- CJ/T5001-1992 无轨电车气压控制开关
- CJ/T440-2013 无负压静音管中泵给水设备
- CJ/T112-2008 IC卡膜式燃气表
- CJJ/T206-2013 城市道路低吸热路面技术规范 含条文说明
- CJ/T442-2013 建筑排水低噪声硬聚氯乙烯(PVC-U)管材
- CJJ/T157-2010 城市三维建模技术规范
- CJ/T30-2013 热电式燃具熄火保护装置
- CJ/T282-2008 蝶形缓闭止回阀
- CJ/T3-1999 城市无轨电车和有轨电车供电线网电杆
- CJ/T351-2010 高位调蓄叠压供水设备
- CJ/T414-2012 城市轨道交通钢铝复合导电轨技术要求
- CJ/T417-2012 低地板有轨电车车辆通用技术条件
- CJ3001-1992 城市客渡轮通信设备配备标准
- CJ/T5010-1993 无轨电车底盘通用技术条件
- 行业新闻
请牢记:“bzxz.net”即是“标准下载”四个汉字汉语拼音首字母与国际顶级域名“.net”的组合。 ©2025 标准下载网 www.bzxz.net 本站邮件:bzxznet@163.com
网站备案号:湘ICP备2025141790号-2
网站备案号:湘ICP备2025141790号-2