- 您的位置:
- 标准下载网 >>
- 标准分类 >>
- 国家标准(GB) >>
- GB/T 38567-2020 港口物流作业数据交换通用技术规范
- 标准号: - GB/T 38567-2020
- 标准名称: - 港口物流作业数据交换通用技术规范
- 标准类别: - 国家标准(GB)
- 标准状态: 现行
- 出版语种: 简体中文
- 下载格式: .zip .pdf
- 下载大小: 1,021.90 KB
 标准简介/下载
标准简介/下载点击下载
标准简介:
					标准号:GB/T 38567-2020
标准名称:港口物流作业数据交换通用技术规范
英文名称:General specification for data interchange in port logistics operation
标准格式:PDF
发布时间:2020-03-31
实施时间:2020-10-01
标准大小:1.08M
标准介绍:本标准规定了港口物流作业中数据交换类型、数据交换原则、数据交换基木要求、数据交换规则、数据交换流程。
本标准适用于港口物流相关单位之间的数据交换。
本标准按照GB/T1.1-2009给出的规则起草本标准由中华人民共和国交通运输部提出
木标准由全国港口标准化技术委员会(SAC/TC530)归口。
本标准起草单位:交通运输部水运科学研究院
本标准主要起草人:倪鹏、张玉波、张永明、刘楠楠、程紫来、李继春
 标准内容
标准内容部分标准内容:
					
					ICS35.240.60
riiKAa~cJou aKAa
中华人民共和国国家标准
GB/T38567—2020
港口物流作业数据交换通用技术规范General specification for data interchange in port logistics operation2020-03-31发布
国家市场监督管理总局
国家标准化管理委员会
2020-10-01实施
GB/T38567—2020
术语和定义
数据交换类型
数据交换原则
数据交换基本要求
数据交换规则
数据交换流程
iiikAa~cJouakA
本标准按照GB/T1.1一2009给出的规则起草。本标准由中华人民共和国交通运输部提出。言
本标准由全国港口标准化技术委员会(SAC/TC530)归口。本标准起草单位:交通运输部水运科学研究院。本标准主要起草人:倪鹏、张玉波、张永明、刘楠楠、程紫来、李继春iiiKAacJouaKAa
GB/T38567—2020
1范围
港口物流作业数据交换通用技术规范iiiKAacJouakAa
GB/T38567—2020
本标准规定了港口物流作业中数据交换类型、数据交换原则、数据交换基本要求、数据交换规则、数据交换流程。
本标准适用于港口物流相关单位之间的数据交换术语和定义
下列术语和定义适用于本文件。2.1
对事实、概念或指令的一种形式化表示,适用于以人工或自动化方式进行通信、解释或处理,[GB/T18391.1—2009.定义3.12]2.2
message
数据交换与传输的数据单元,即一次性发送的数据块。2.3
electronicdata interchange;EDI电子数据交换
按照协议或规定,对具有一定结构特征的标准信息,经数据通信网络,在各自的电子计算机系统之间进行交换和处理。
数据交换类型
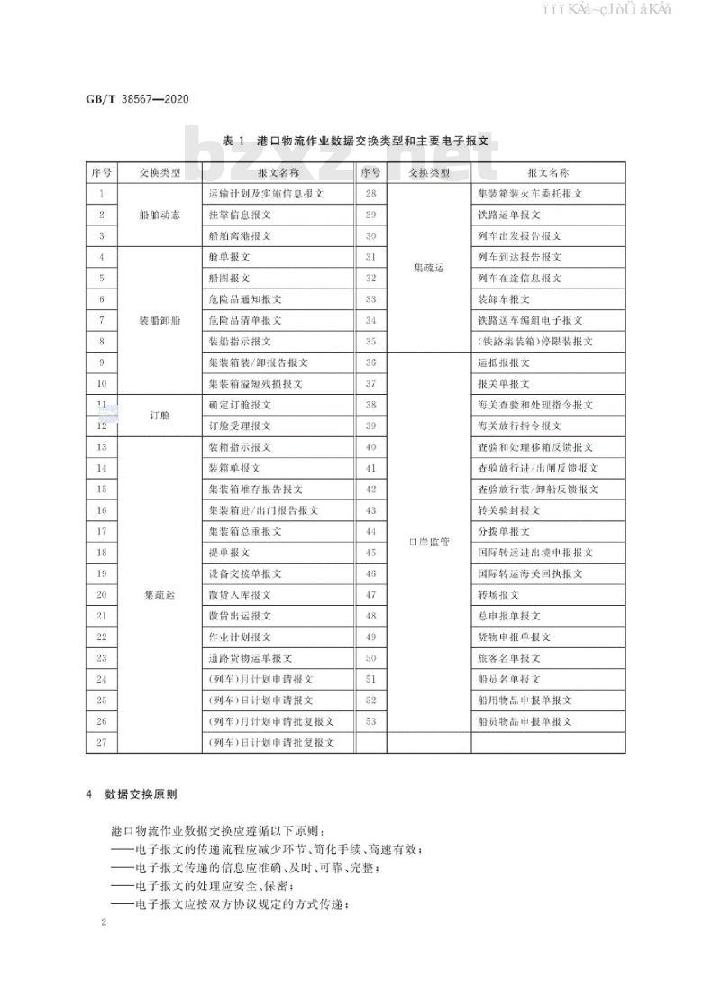
港口物流作业数据交换采用电子报文作为数据的载体,其类型和主要电子报文见表1。GB/T38567—2020
交换类型
船舶动态
装船卸船
集疏运
数据交换原则
表1港口物流作业数据交换类型和主要电子报文报文名称
运输计划及实施信息报文
挂靠信息报文
船舶离港报文
舱单报文
船图报文
危险品通知报文
危险品清单报文
装船指示报文
集装箱装/卸报告报文
集装箱溢短残损报文
确定订舱报文
订舱受理报文
装箱指示报文
装箱单报文
集装箱堆存报告报文
集装箱进/出门报告报文
集装箱总重报文
提单报文
设备交接单报文
散货人库报文
散货出运报文
作业计划报文
道路货物运单报文
(列车)月计划申请报文
(列车)日计划申请报文
(列车)月计划申请批复报文
(列车)日计划申请批复报文
港口物流作业数据交换应遵循以下原则序号
交换类型
iKAa~cJouaKAa
报文名称
集装箱装火车委托报文
铁路运单报文
列车出发报告报文
集疏蔬运
口岸监管
一电子报文的传递流程应减少环节,简化手续,高速有效:电子报文传递的信息应准确、及时、可靠、完整:一电子报文的处理应安全、保密:一电子报文应按双方协设规定的方式传递:2
列车到达报告报文
列车在途信息报文
装卸车报文
铁路送车编组电子报文
(铁路集装箱)停限装报文
运抵报报文
报关单报文
海关查验和处理指令报文
海关放行指令报文
查验和处理移箱反馈报文
查验放行进/出闸反馈报文
查验放行装/卸船反馈报文
转关验封报文
分拨单报文
国际转运进出境申报报文
国际转运海关回执报文
转场报文
总申报单报文
货物申报单报文
旅客名单报文
船员名单报文
船用物品申报单报文
船员物品申报单报文
iiKAa~cJouaKAa
GB/T38567—2020
一根据协议规定需要有回执的电子报文,接收方应将回执电子报文传给发送方。数据交换基本要求
5.1传输要求
5.1.1兼容性
应兼容多种文件格式,包括XML文件,平台文件,EDIFACT文件和二进制文件,并进行Base64编码转换后以文本文件格式的方式进行传输。应兼容多种传输协议.包括FTP、MQ、AS2、EMAIL相关协议,并支持协议扩展。5.1.2稳定性和可靠性
应按照交换节点所承载的应用项目运行保障的具体要求,提供相应服务,对于交换失败的数据要有重发机制,还应提供消息队列存储,事务控制,双机热备、错误处理等处理机制。5.1.3传输时效性
对于有时效性的数据,应保证数据的按时送达。5.1.4正确性
应保证数据在交换过程中内容不会发生变化。5.1.5安全性
应利用加密和加签等技术保证数据在存储、传输、处理过程中不被篡改。5.1.6传送唯一性
应保证数据仅有效传送一次。
5.2格式要求
5.2.1电子报文的字符编码宜采用UTF-8。5.2.2电子报文如需压缩,宜采用ZIP算法压缩后传输,压缩文件命名规则应与原报文一致5.2.3数据交换报文定义中,数值字段的内容应坚持实际值原则。数据交换规则
6.1运输计划及实施信息报文由船公司(承运人)或其船舶代理传递给集装箱码头、理货、货运代理或其货主。
6.2挂靠信息报文由船公司(承运人)或其船舶代理传递给港口调度、码头、引航、海关、海事6.3船舶离港报文由集装箱码头传递给理货、船公司(承运人)或其船舶代理。同时传递给海关、海事。6.4舱单(进口)报文由船公司(承运人)或其船代理传递给港口调度,集装箱码头、理货。同时传递给海关、海事;舱单(出口)报文由船公司(承运人)或其船舶代理传递给海关、理货、集装箱码头。6.5船图(进口)报文由船公司(承运人)或其船舶代理传递给港口调度、集装箱码头、理货;船图(出口)报文由理货传递给船公司(承运人)或其船舶代理。6.6危险品通知报文由船公司(承运人)或其船舶代理传递给港口调度、海事、集装箱码头、理货、货主GB/T38567—2020
或其货运代理。
iiiKAa~cJouaKAa
6.7危险品清单报文由船公司(承运人)或其船舶代理传递给港口调度、集装箱码头、理货、海事。6.8装船指示报文由船公司(承运人)或其船舶代理传递给港口调度,集装箱码头,理货,海关。6.9集装箱装/卸报告报文由理货传递给船公司(承运人)或其船舶代理、港口调度、集装箱码头。6.10集装箱溢短残损报文由理货传递给船公司(承运人)或其船舶代理、集装箱码头、海关、保险6.11装箱指示报文由货主或其货运代理传递给海关、船公司(承运人)或其船舶代理、集装箱码头、理货、场站、运输代理公司。
6.12装箱单报文由集装箱货运站、货运代理、场站传递给集装箱码头、货主、理货、船公司(承运人)或其船舶代理、海关。
6.13集装箱堆存报告报文由集装箱码头、场站传递给船公司(承运人)或其船舶代理、港口调度、海关。6.14集装箱进/出门报告报文由集装箱码头、场站传递给船公司(承运人)或其船舶代理、内陆转运中心、发货人、货运代理。
6.15确定订舱报文由货主或其货运代理传递给船公司(承运人)或其船舶代理。6.16订舱受理报文由船公司(承运人)或其船舶代理传递给货主或其货运代理。6.17集装箱总重报文由货主或货运代理传递给港口、船公司(承运人)或其船舶代理。6.18提单报文应由船公司(承运人)或其船舶代理传递给货主或货运代理。设备交接单报文由箱管单位传递给用箱人/运箱人、集装箱码头、场站。6.19
散货人库报文由散货码头传递给海关,货运代理或其货主。6.21
散货出运报文由散货码头传递给海关、货运代理或其货主。6.22
作业计划报文由散货码头传递给海关。6.23
道路货物运单报文由公路运输承运人传递给运输托运人,货运代理或其货主,码头,内陆场站。(列车)月计划申请报文由货主或货运代理传递给铁路部门。6.24
(列车)日计划申请报文由货主或货运代理传递给铁路部门。(列车)月计划申请批复报文由铁路部门传递给货运代理或其货主。(列车)日计划申请批复报文由铁路部门传递给货运代理或其货主。集装箱装火车委托报文由货主或货运代理传递给铁路部门。铁路运单报文由铁路运输承运人传递给货运代理或其货主,码头,内陆场站。列车出发报告报文由列车出发站点传递给货物目的站,船舶代理、码头列车到达报告报文由列车出发站点传递给货物目的站货运代理,理货及码头。列车在途信息报文由铁路部门传递给货运代理或其货主。6.33
装卸车报文由码头,铁路港站传递给货运代理或其货主。6.34
铁路送车编组电子报文由铁路部门传递给码头、港铁、铁路港站。(铁路集装箱)停限装报文由铁路部门传递给运输托运人,货运代理或其货主,码头,内陆场站。6.36运抵报报文由海关监管场所经营人传递给海关。6.37
报关单报文由货主或其货运代理,报关行传递给海关。海关查验和处理指令报文由海关传递给货主或其货运代理、理货、集装箱码头、查验堆场。6.38
海关放行指令报文由海关传递给货运代理或其货主、理货、集装箱码头、查验堆场。6.39
6.40查验和处理移箱反馈报文由集装箱码头、查验堆场传递给海关。6.41查验放行进/出闸反馈报文由集装箱码头传递给海关。6.42查验放行装/卸船反馈报文由集装箱码头传递给海关。6.43转关验封报文由海关传递给集装箱码头、查验堆场、理货。6.44分拨单报文由海关传递给集装箱码头、查验堆场、理货。6.45国际转运进出境申报报文由集装箱码头传递给海关。4
6.46国际转运海关回执报文由海关传递给集装箱码头、理货。6.47转场报文由集装箱码头、查验堆场传递给海关。6.48总申报单报文由船公司(承运人)或其船舶代理传递给海关、海事、边检。6.49货物申报单报文由船公司(承运人)或其船舶代理传递给海关、海事6.50
旅客名单报文由船公司(承运人)或其船舶代理传递给海关、海事,边检6.51
船员名单报文由船公司(承运人)或其船舶代理传递给海关、海事边检。6.52
船用物品申报单报文由船公司(承运人)或其船舶代理传递给海关,海事。6.53
iiiKAa~cJouaKAa
GB/T385672020
船员物品申报单报文由船公司(承运人)或其船舶代理传递给海关、海事、边检。7
数据交换流程
进口作业
7.1.1船公司(承运人)或其船舶代理通过EDI中心,向集装箱码头、理货、货运代理或其货主传递运输计划及实施信息报文。
7.1.2船公司(承运人)或其船舶代理通过EDI中心,向港口调度、码头、引航、海关、海事递给挂靠信息报文。
7.1.3船公司(承运人)或其船舶代理通过EDI中心·向港口调度、集装箱码头、理货传递舱单报文。7.1.4船公司(承运人)或其船舶代理通过EDI中心,向港口调度、集装箱码头、理货传递船图(进口)报文。
7.1.5船公司(承运人)或其船舶代理通过EDI中心,向港口调度,海事,集装箱码头,理货,货主或其货运代理传递危险品通知报文。
7.1.6船公司(承运人)或其船舶代理通过EDI中心,向港口调度、集装箱码头、外理、海事传递危险品清单报文。
7.1.7理货通过EDI中心,向船公司(承运人)或其船舶代理、港口调度、集装箱码头传递集装箱装/卸报告报文。
7.1.8理货通过EDI中心,向船公司(承运人)或其船舶代理、集装箱码头、海关、保险传递集装箱溢短残损报文
7.1.9集装箱码头、场站通过EDI中心,向船公司(承运人)或其船舶代理、港口调度、海关传递集装箱堆存报告报文。
7.1.10集装箱码头、场站通过EDI中心,向船公司(承运人)或其船舶代理、内陆转运中心、发货人、货运代理传递集装箱进/出门报告报文。7.1.11船公司(承运人)或其船舶代理通过EDI中心,向货主或货运代理传递提单报文。2公路运输承运人通过EDI中心,向运输托运人、货主、码头、内陆场站传递道路货物运单报文。7.1.12
3散货码头通过EDI中心,向海关、货主传递散货人库报文。7.1.13
散货码头通过EDI中心,向海关、货主传递散货出运报文。7.1.14
7.1.15散货码头通过EDI中心,向海关传递作业计划报文6货主或货运代理通过EDI中心,向铁路部门传递(列车)月计划申请报文。7.1.16
货主或货运代理通过EDI中心,向铁路部门传递(列车)日计划申请报文。7.1.18铁路部门通过EDI中心,向货运代理或其货主传递(列车)月计划申请批复报文。铁路部门通过EDI中心,向货运代理或其货主传递(列车)日计划申请批复报文。7.1.19
货主或货运代理通过EDI中心,向铁路部门传递集装箱装火车委托报文。7.1.20
铁路运输承运人通过EDI中心,向运输托运人货主、码头,内陆场站传递铁路运单报文。7.1.22
列车出发站点通过EDI中心,向货物目的地站船舶代理,码头传递列车出发报告报文。GB/T38567—2020
iiiKAa~cJouaKAa
7.1.23列车出发站点通过EDI中心,向货物目的地站、货运代理、理货及码头传递列车到达报告报文。7.1.24铁路部门通过EDI中心,向货运代理或其货主传递列车在途信息报文。7.1.25码头、铁路港站通过EDI中心,向货运代理或其货主传递装卸车报文。7.1.26铁路部门通过EDI中心,向码头、港铁、铁路港站传递铁路送车编组电子报文。7.1.27铁路部门通过EDI中心,向运输托运人、货运代理或其货主、码头、内陆场站传递(铁路集装箱)停限装报文。
海关监管场所经营人通过EDI中心,向海关传递运抵报报文。货运代理或其货主、报关行通过EDI中心,向海关传递报关单报文。7.1.29货
7.1.30海关通过EDI中心,向货主或其货运代理、理货、集装箱码头、查验堆场传递海关查验和处理指令报文。
海关通过EDI中心,向货运代理或其货主、理货、集装箱码头、查验堆场传递海关放行指令报文。
集装箱码头、查验堆场通过EDI中心,向海关传递查验和处理移箱反馈报文。集装箱码头通过EDI中心,向海关传递查验放行进/出闸反馈报文。7.1.33
集装箱码头通过EDI中心,向海关传递查验放行装/卸船反馈报文海关通过EDI中心,向集装箱码头、查验堆场、理货传递转关验封报文。海关通过EDI中心,向集装箱码头、查验堆场、理货传递分拨单报文。集装箱码头通过EDI中心,向海关传递国际转运进出境申报报文。海关通过EDI中心,向集装箱码头、查验堆场、理货传递国际转运海关回执报文。集装箱码头、查验堆场通过EDI中心,向海关传递转场报文。7.1.40
船公司(承运人)或其船舶代理通过EDI中心,向海关、海事、边检传递总申报单报文。7.1.41
船公司(承运人)或其船舶代理通过EDI中心,向海关、海事传递货物申报单报文。船公司(承运人)或其船舶代理通过EDI中心,向海关、海事、边检传递旅客名单报文。7.1.43
船公司(承运人)或其船舶代理通过EDI中心,向海关,海事、边检传递船员名单报文。7.1.44
船公司(承运人)或其船舶代理通过EDI中心,向海关、海事传递船用物品申报单报文7.1.45
船公司(承运人)或其船舶代理通过EDI中心,向海关,海事边检传递船员物品申报单报文7.2出口作业
7.2.1集装箱码头通过EDI中心,向理货、船公司(承运人)或其船舶代理、海关、海事传递船舶离港报文。
7.2.2船公司(承运人)或其船舶代理通过EDI中心,向海关、理货、集装箱码头传递舱单(出口)报文。7.2.3理货通过EDI中心,向船公司(承运人)或其船舶代理传递船图(出口)报文。7.2.4船公司(承运人)或其船舶代理通过EDI中心,向港口调度、海事、集装箱码头、理货、货主或其货运代理传递危险品通知报文。
7.2.5理货通过EDI中心,向船公司(承运人)或其船舶代理、港口调度、集装箱码头、海关、海事传递危险品(出口)清单报文。
7.2.6船公司(承运人)或其船舶代理通过EDI中心,向港口调度、集装箱码头、理货、海关传递装船指示报文。
7.2.7理货通过EDI中心,向船公司(承运人)或其船舶代理、港口调度、集装箱码头传递集装箱装/卸报告报文。
7.2.8理货通过EDI中心,向船公司(承运人)或其船舶代理、集装箱码头,海关、保险传递集装箱溢短残损报文。
7.2.9集装箱码头、场站通过EDI中心,向船公司(承运人)或其船舶代理、港口调度、海关传递集装箱堆荐存报告报文。
iiiKAa~cJouakAa
GB/T38567-2020
7.2.10集装箱码头、场站通过EDI中心·向船公司(承运人)或其船舶代理、内陆转运中心、发货人、货运代理传递集装箱进/出门报告报文。7.2.11货主或货运代理通过EDI中心,向港口、船公司(承运人)或其船舶代理传递集装箱总重报文。2箱管单位通过EDI中心,向用箱人/运箱人、集装箱码头、场站传递设备交接单报文7.2.12
3公路运输承运人通过EDI中心,向运输托运人、货主、码头、内陆场站传递道路货物运单报文。7.2.13
7.2.14散货码头通过EDI中心,向海关、货主传递散货人库报文。7.2.15
散货码头通过EDI中心,向海关,货主传递散货出运报文。7.2.16
散货码头通过EDI中心,向海关传递作业计划报文。货主或货运
货主或货运
过EDI中心,向铁路部门传递(列车)月计划申请报文。EDI中心,向铁路部门传递(列车)日计划申请报文铁路部门通过EDI中心,向货运代理或其货主传递(列车)月计划申请批复报文。铁路部门通过EDI中心,向货运代理或其货主传递(列车)日计划申请批复报文。货主或货运代理通过EDI中心,向铁路部门传递集装箱装火车委托报文。铁路运输承运人通过EDI中心,向运输托运人、货主、码头、内陆场站传递铁路运单报文。列车出发站点通过EDI中心,向货物目的地站、船舶代理、码头传递列车出发报告报文。列车出发站点通过ED中心,向货物目的地站,货运代理,理货及码头传递列车到达报告报文。铁路部门通过EDI中心,向货运代理或其货主传递列车在途信息报文。码头,铁路港站通过EDI中心,向货运代理或其货主传递装御车报文。铁路部门通过EDI中心,向码头、港铁、铁路港站传递铁路送车编组电子报文铁路部门通过EDI中心,向运输托运人、货运代理或其货主、码头、内陆场站传递(铁路集装)停限装报文
海关监管场所经营人通过EDI中心,向海关传递运抵报报文7.2.301
货主或其货运代理,报关行通过EDI中心,向海关传递报关单报文7.2.31海关通过EDI中心,向货主或其货运代理、理货、集装箱码头、查验堆场传递海关查验和处理指令报文。
报文。
海关通过EDI中心,向货运代理或其货主、理货、集装箱码头、查验堆场传递海关放行指令集装箱码头,查验堆场通过EDI中心·向海关传递查验和处理移箱反债报文。7.2.34集装箱码头通过EDI中心,向海关传递查验放行进/出闸反馈报文。7.2.35
集装箱码头通过EDI中心,向海关传递查验放行装/卸船反馈报文。海关通过EDI中心,向集装箱码头、查验堆场、理货传递转关验封报文。7.2.36
海关通过EDI中心,向集装箱码头,查验堆场、理货传递分拨单报文。集装箱码头通
口心,向海关传递国际转运进出境申报报文。海关通过EDI中心,向集装箱码头,查验堆场理货传递国际转运海关回执报文集装箱码头、查验堆场通过EDI中心,向海关传递转场报文。7.2.40wwW.bzxz.Net
船公司(承运人)或其船舶代理通过EDI中心,向海关,海事,边检传递总申报单报文。7.2.42
船公司(承运人)或其船舶代理通过EDI中心,向海关、海事传递货物申报单报文。船公司(承运人)或其船舶代理通过EDI中心,向海关、海事、边检传递旅客名单报文。船公司(承运人)或其船舶代理通过EDI中心,向海关、海事、边检传递船员名单报文。船公司(承运人)或其船舶代理通过EDI中心,向海关,海事传递船用物品申报单报文船公司(承运人)或其船舶代理通过EDI中心.向海关、海事、边检传递船员物品申报单报文。
小提示:此标准内容仅展示完整标准里的部分截取内容,若需要完整标准请到上方自行免费下载完整标准文档。
	 
	        
	      riiKAa~cJou aKAa
中华人民共和国国家标准
GB/T38567—2020
港口物流作业数据交换通用技术规范General specification for data interchange in port logistics operation2020-03-31发布
国家市场监督管理总局
国家标准化管理委员会
2020-10-01实施
GB/T38567—2020
术语和定义
数据交换类型
数据交换原则
数据交换基本要求
数据交换规则
数据交换流程
iiikAa~cJouakA
本标准按照GB/T1.1一2009给出的规则起草。本标准由中华人民共和国交通运输部提出。言
本标准由全国港口标准化技术委员会(SAC/TC530)归口。本标准起草单位:交通运输部水运科学研究院。本标准主要起草人:倪鹏、张玉波、张永明、刘楠楠、程紫来、李继春iiiKAacJouaKAa
GB/T38567—2020
1范围
港口物流作业数据交换通用技术规范iiiKAacJouakAa
GB/T38567—2020
本标准规定了港口物流作业中数据交换类型、数据交换原则、数据交换基本要求、数据交换规则、数据交换流程。
本标准适用于港口物流相关单位之间的数据交换术语和定义
下列术语和定义适用于本文件。2.1
对事实、概念或指令的一种形式化表示,适用于以人工或自动化方式进行通信、解释或处理,[GB/T18391.1—2009.定义3.12]2.2
message
数据交换与传输的数据单元,即一次性发送的数据块。2.3
electronicdata interchange;EDI电子数据交换
按照协议或规定,对具有一定结构特征的标准信息,经数据通信网络,在各自的电子计算机系统之间进行交换和处理。
数据交换类型
港口物流作业数据交换采用电子报文作为数据的载体,其类型和主要电子报文见表1。GB/T38567—2020
交换类型
船舶动态
装船卸船
集疏运
数据交换原则
表1港口物流作业数据交换类型和主要电子报文报文名称
运输计划及实施信息报文
挂靠信息报文
船舶离港报文
舱单报文
船图报文
危险品通知报文
危险品清单报文
装船指示报文
集装箱装/卸报告报文
集装箱溢短残损报文
确定订舱报文
订舱受理报文
装箱指示报文
装箱单报文
集装箱堆存报告报文
集装箱进/出门报告报文
集装箱总重报文
提单报文
设备交接单报文
散货人库报文
散货出运报文
作业计划报文
道路货物运单报文
(列车)月计划申请报文
(列车)日计划申请报文
(列车)月计划申请批复报文
(列车)日计划申请批复报文
港口物流作业数据交换应遵循以下原则序号
交换类型
iKAa~cJouaKAa
报文名称
集装箱装火车委托报文
铁路运单报文
列车出发报告报文
集疏蔬运
口岸监管
一电子报文的传递流程应减少环节,简化手续,高速有效:电子报文传递的信息应准确、及时、可靠、完整:一电子报文的处理应安全、保密:一电子报文应按双方协设规定的方式传递:2
列车到达报告报文
列车在途信息报文
装卸车报文
铁路送车编组电子报文
(铁路集装箱)停限装报文
运抵报报文
报关单报文
海关查验和处理指令报文
海关放行指令报文
查验和处理移箱反馈报文
查验放行进/出闸反馈报文
查验放行装/卸船反馈报文
转关验封报文
分拨单报文
国际转运进出境申报报文
国际转运海关回执报文
转场报文
总申报单报文
货物申报单报文
旅客名单报文
船员名单报文
船用物品申报单报文
船员物品申报单报文
iiKAa~cJouaKAa
GB/T38567—2020
一根据协议规定需要有回执的电子报文,接收方应将回执电子报文传给发送方。数据交换基本要求
5.1传输要求
5.1.1兼容性
应兼容多种文件格式,包括XML文件,平台文件,EDIFACT文件和二进制文件,并进行Base64编码转换后以文本文件格式的方式进行传输。应兼容多种传输协议.包括FTP、MQ、AS2、EMAIL相关协议,并支持协议扩展。5.1.2稳定性和可靠性
应按照交换节点所承载的应用项目运行保障的具体要求,提供相应服务,对于交换失败的数据要有重发机制,还应提供消息队列存储,事务控制,双机热备、错误处理等处理机制。5.1.3传输时效性
对于有时效性的数据,应保证数据的按时送达。5.1.4正确性
应保证数据在交换过程中内容不会发生变化。5.1.5安全性
应利用加密和加签等技术保证数据在存储、传输、处理过程中不被篡改。5.1.6传送唯一性
应保证数据仅有效传送一次。
5.2格式要求
5.2.1电子报文的字符编码宜采用UTF-8。5.2.2电子报文如需压缩,宜采用ZIP算法压缩后传输,压缩文件命名规则应与原报文一致5.2.3数据交换报文定义中,数值字段的内容应坚持实际值原则。数据交换规则
6.1运输计划及实施信息报文由船公司(承运人)或其船舶代理传递给集装箱码头、理货、货运代理或其货主。
6.2挂靠信息报文由船公司(承运人)或其船舶代理传递给港口调度、码头、引航、海关、海事6.3船舶离港报文由集装箱码头传递给理货、船公司(承运人)或其船舶代理。同时传递给海关、海事。6.4舱单(进口)报文由船公司(承运人)或其船代理传递给港口调度,集装箱码头、理货。同时传递给海关、海事;舱单(出口)报文由船公司(承运人)或其船舶代理传递给海关、理货、集装箱码头。6.5船图(进口)报文由船公司(承运人)或其船舶代理传递给港口调度、集装箱码头、理货;船图(出口)报文由理货传递给船公司(承运人)或其船舶代理。6.6危险品通知报文由船公司(承运人)或其船舶代理传递给港口调度、海事、集装箱码头、理货、货主GB/T38567—2020
或其货运代理。
iiiKAa~cJouaKAa
6.7危险品清单报文由船公司(承运人)或其船舶代理传递给港口调度、集装箱码头、理货、海事。6.8装船指示报文由船公司(承运人)或其船舶代理传递给港口调度,集装箱码头,理货,海关。6.9集装箱装/卸报告报文由理货传递给船公司(承运人)或其船舶代理、港口调度、集装箱码头。6.10集装箱溢短残损报文由理货传递给船公司(承运人)或其船舶代理、集装箱码头、海关、保险6.11装箱指示报文由货主或其货运代理传递给海关、船公司(承运人)或其船舶代理、集装箱码头、理货、场站、运输代理公司。
6.12装箱单报文由集装箱货运站、货运代理、场站传递给集装箱码头、货主、理货、船公司(承运人)或其船舶代理、海关。
6.13集装箱堆存报告报文由集装箱码头、场站传递给船公司(承运人)或其船舶代理、港口调度、海关。6.14集装箱进/出门报告报文由集装箱码头、场站传递给船公司(承运人)或其船舶代理、内陆转运中心、发货人、货运代理。
6.15确定订舱报文由货主或其货运代理传递给船公司(承运人)或其船舶代理。6.16订舱受理报文由船公司(承运人)或其船舶代理传递给货主或其货运代理。6.17集装箱总重报文由货主或货运代理传递给港口、船公司(承运人)或其船舶代理。6.18提单报文应由船公司(承运人)或其船舶代理传递给货主或货运代理。设备交接单报文由箱管单位传递给用箱人/运箱人、集装箱码头、场站。6.19
散货人库报文由散货码头传递给海关,货运代理或其货主。6.21
散货出运报文由散货码头传递给海关、货运代理或其货主。6.22
作业计划报文由散货码头传递给海关。6.23
道路货物运单报文由公路运输承运人传递给运输托运人,货运代理或其货主,码头,内陆场站。(列车)月计划申请报文由货主或货运代理传递给铁路部门。6.24
(列车)日计划申请报文由货主或货运代理传递给铁路部门。(列车)月计划申请批复报文由铁路部门传递给货运代理或其货主。(列车)日计划申请批复报文由铁路部门传递给货运代理或其货主。集装箱装火车委托报文由货主或货运代理传递给铁路部门。铁路运单报文由铁路运输承运人传递给货运代理或其货主,码头,内陆场站。列车出发报告报文由列车出发站点传递给货物目的站,船舶代理、码头列车到达报告报文由列车出发站点传递给货物目的站货运代理,理货及码头。列车在途信息报文由铁路部门传递给货运代理或其货主。6.33
装卸车报文由码头,铁路港站传递给货运代理或其货主。6.34
铁路送车编组电子报文由铁路部门传递给码头、港铁、铁路港站。(铁路集装箱)停限装报文由铁路部门传递给运输托运人,货运代理或其货主,码头,内陆场站。6.36运抵报报文由海关监管场所经营人传递给海关。6.37
报关单报文由货主或其货运代理,报关行传递给海关。海关查验和处理指令报文由海关传递给货主或其货运代理、理货、集装箱码头、查验堆场。6.38
海关放行指令报文由海关传递给货运代理或其货主、理货、集装箱码头、查验堆场。6.39
6.40查验和处理移箱反馈报文由集装箱码头、查验堆场传递给海关。6.41查验放行进/出闸反馈报文由集装箱码头传递给海关。6.42查验放行装/卸船反馈报文由集装箱码头传递给海关。6.43转关验封报文由海关传递给集装箱码头、查验堆场、理货。6.44分拨单报文由海关传递给集装箱码头、查验堆场、理货。6.45国际转运进出境申报报文由集装箱码头传递给海关。4
6.46国际转运海关回执报文由海关传递给集装箱码头、理货。6.47转场报文由集装箱码头、查验堆场传递给海关。6.48总申报单报文由船公司(承运人)或其船舶代理传递给海关、海事、边检。6.49货物申报单报文由船公司(承运人)或其船舶代理传递给海关、海事6.50
旅客名单报文由船公司(承运人)或其船舶代理传递给海关、海事,边检6.51
船员名单报文由船公司(承运人)或其船舶代理传递给海关、海事边检。6.52
船用物品申报单报文由船公司(承运人)或其船舶代理传递给海关,海事。6.53
iiiKAa~cJouaKAa
GB/T385672020
船员物品申报单报文由船公司(承运人)或其船舶代理传递给海关、海事、边检。7
数据交换流程
进口作业
7.1.1船公司(承运人)或其船舶代理通过EDI中心,向集装箱码头、理货、货运代理或其货主传递运输计划及实施信息报文。
7.1.2船公司(承运人)或其船舶代理通过EDI中心,向港口调度、码头、引航、海关、海事递给挂靠信息报文。
7.1.3船公司(承运人)或其船舶代理通过EDI中心·向港口调度、集装箱码头、理货传递舱单报文。7.1.4船公司(承运人)或其船舶代理通过EDI中心,向港口调度、集装箱码头、理货传递船图(进口)报文。
7.1.5船公司(承运人)或其船舶代理通过EDI中心,向港口调度,海事,集装箱码头,理货,货主或其货运代理传递危险品通知报文。
7.1.6船公司(承运人)或其船舶代理通过EDI中心,向港口调度、集装箱码头、外理、海事传递危险品清单报文。
7.1.7理货通过EDI中心,向船公司(承运人)或其船舶代理、港口调度、集装箱码头传递集装箱装/卸报告报文。
7.1.8理货通过EDI中心,向船公司(承运人)或其船舶代理、集装箱码头、海关、保险传递集装箱溢短残损报文
7.1.9集装箱码头、场站通过EDI中心,向船公司(承运人)或其船舶代理、港口调度、海关传递集装箱堆存报告报文。
7.1.10集装箱码头、场站通过EDI中心,向船公司(承运人)或其船舶代理、内陆转运中心、发货人、货运代理传递集装箱进/出门报告报文。7.1.11船公司(承运人)或其船舶代理通过EDI中心,向货主或货运代理传递提单报文。2公路运输承运人通过EDI中心,向运输托运人、货主、码头、内陆场站传递道路货物运单报文。7.1.12
3散货码头通过EDI中心,向海关、货主传递散货人库报文。7.1.13
散货码头通过EDI中心,向海关、货主传递散货出运报文。7.1.14
7.1.15散货码头通过EDI中心,向海关传递作业计划报文6货主或货运代理通过EDI中心,向铁路部门传递(列车)月计划申请报文。7.1.16
货主或货运代理通过EDI中心,向铁路部门传递(列车)日计划申请报文。7.1.18铁路部门通过EDI中心,向货运代理或其货主传递(列车)月计划申请批复报文。铁路部门通过EDI中心,向货运代理或其货主传递(列车)日计划申请批复报文。7.1.19
货主或货运代理通过EDI中心,向铁路部门传递集装箱装火车委托报文。7.1.20
铁路运输承运人通过EDI中心,向运输托运人货主、码头,内陆场站传递铁路运单报文。7.1.22
列车出发站点通过EDI中心,向货物目的地站船舶代理,码头传递列车出发报告报文。GB/T38567—2020
iiiKAa~cJouaKAa
7.1.23列车出发站点通过EDI中心,向货物目的地站、货运代理、理货及码头传递列车到达报告报文。7.1.24铁路部门通过EDI中心,向货运代理或其货主传递列车在途信息报文。7.1.25码头、铁路港站通过EDI中心,向货运代理或其货主传递装卸车报文。7.1.26铁路部门通过EDI中心,向码头、港铁、铁路港站传递铁路送车编组电子报文。7.1.27铁路部门通过EDI中心,向运输托运人、货运代理或其货主、码头、内陆场站传递(铁路集装箱)停限装报文。
海关监管场所经营人通过EDI中心,向海关传递运抵报报文。货运代理或其货主、报关行通过EDI中心,向海关传递报关单报文。7.1.29货
7.1.30海关通过EDI中心,向货主或其货运代理、理货、集装箱码头、查验堆场传递海关查验和处理指令报文。
海关通过EDI中心,向货运代理或其货主、理货、集装箱码头、查验堆场传递海关放行指令报文。
集装箱码头、查验堆场通过EDI中心,向海关传递查验和处理移箱反馈报文。集装箱码头通过EDI中心,向海关传递查验放行进/出闸反馈报文。7.1.33
集装箱码头通过EDI中心,向海关传递查验放行装/卸船反馈报文海关通过EDI中心,向集装箱码头、查验堆场、理货传递转关验封报文。海关通过EDI中心,向集装箱码头、查验堆场、理货传递分拨单报文。集装箱码头通过EDI中心,向海关传递国际转运进出境申报报文。海关通过EDI中心,向集装箱码头、查验堆场、理货传递国际转运海关回执报文。集装箱码头、查验堆场通过EDI中心,向海关传递转场报文。7.1.40
船公司(承运人)或其船舶代理通过EDI中心,向海关、海事、边检传递总申报单报文。7.1.41
船公司(承运人)或其船舶代理通过EDI中心,向海关、海事传递货物申报单报文。船公司(承运人)或其船舶代理通过EDI中心,向海关、海事、边检传递旅客名单报文。7.1.43
船公司(承运人)或其船舶代理通过EDI中心,向海关,海事、边检传递船员名单报文。7.1.44
船公司(承运人)或其船舶代理通过EDI中心,向海关、海事传递船用物品申报单报文7.1.45
船公司(承运人)或其船舶代理通过EDI中心,向海关,海事边检传递船员物品申报单报文7.2出口作业
7.2.1集装箱码头通过EDI中心,向理货、船公司(承运人)或其船舶代理、海关、海事传递船舶离港报文。
7.2.2船公司(承运人)或其船舶代理通过EDI中心,向海关、理货、集装箱码头传递舱单(出口)报文。7.2.3理货通过EDI中心,向船公司(承运人)或其船舶代理传递船图(出口)报文。7.2.4船公司(承运人)或其船舶代理通过EDI中心,向港口调度、海事、集装箱码头、理货、货主或其货运代理传递危险品通知报文。
7.2.5理货通过EDI中心,向船公司(承运人)或其船舶代理、港口调度、集装箱码头、海关、海事传递危险品(出口)清单报文。
7.2.6船公司(承运人)或其船舶代理通过EDI中心,向港口调度、集装箱码头、理货、海关传递装船指示报文。
7.2.7理货通过EDI中心,向船公司(承运人)或其船舶代理、港口调度、集装箱码头传递集装箱装/卸报告报文。
7.2.8理货通过EDI中心,向船公司(承运人)或其船舶代理、集装箱码头,海关、保险传递集装箱溢短残损报文。
7.2.9集装箱码头、场站通过EDI中心,向船公司(承运人)或其船舶代理、港口调度、海关传递集装箱堆荐存报告报文。
iiiKAa~cJouakAa
GB/T38567-2020
7.2.10集装箱码头、场站通过EDI中心·向船公司(承运人)或其船舶代理、内陆转运中心、发货人、货运代理传递集装箱进/出门报告报文。7.2.11货主或货运代理通过EDI中心,向港口、船公司(承运人)或其船舶代理传递集装箱总重报文。2箱管单位通过EDI中心,向用箱人/运箱人、集装箱码头、场站传递设备交接单报文7.2.12
3公路运输承运人通过EDI中心,向运输托运人、货主、码头、内陆场站传递道路货物运单报文。7.2.13
7.2.14散货码头通过EDI中心,向海关、货主传递散货人库报文。7.2.15
散货码头通过EDI中心,向海关,货主传递散货出运报文。7.2.16
散货码头通过EDI中心,向海关传递作业计划报文。货主或货运
货主或货运
过EDI中心,向铁路部门传递(列车)月计划申请报文。EDI中心,向铁路部门传递(列车)日计划申请报文铁路部门通过EDI中心,向货运代理或其货主传递(列车)月计划申请批复报文。铁路部门通过EDI中心,向货运代理或其货主传递(列车)日计划申请批复报文。货主或货运代理通过EDI中心,向铁路部门传递集装箱装火车委托报文。铁路运输承运人通过EDI中心,向运输托运人、货主、码头、内陆场站传递铁路运单报文。列车出发站点通过EDI中心,向货物目的地站、船舶代理、码头传递列车出发报告报文。列车出发站点通过ED中心,向货物目的地站,货运代理,理货及码头传递列车到达报告报文。铁路部门通过EDI中心,向货运代理或其货主传递列车在途信息报文。码头,铁路港站通过EDI中心,向货运代理或其货主传递装御车报文。铁路部门通过EDI中心,向码头、港铁、铁路港站传递铁路送车编组电子报文铁路部门通过EDI中心,向运输托运人、货运代理或其货主、码头、内陆场站传递(铁路集装)停限装报文
海关监管场所经营人通过EDI中心,向海关传递运抵报报文7.2.301
货主或其货运代理,报关行通过EDI中心,向海关传递报关单报文7.2.31海关通过EDI中心,向货主或其货运代理、理货、集装箱码头、查验堆场传递海关查验和处理指令报文。
报文。
海关通过EDI中心,向货运代理或其货主、理货、集装箱码头、查验堆场传递海关放行指令集装箱码头,查验堆场通过EDI中心·向海关传递查验和处理移箱反债报文。7.2.34集装箱码头通过EDI中心,向海关传递查验放行进/出闸反馈报文。7.2.35
集装箱码头通过EDI中心,向海关传递查验放行装/卸船反馈报文。海关通过EDI中心,向集装箱码头、查验堆场、理货传递转关验封报文。7.2.36
海关通过EDI中心,向集装箱码头,查验堆场、理货传递分拨单报文。集装箱码头通
口心,向海关传递国际转运进出境申报报文。海关通过EDI中心,向集装箱码头,查验堆场理货传递国际转运海关回执报文集装箱码头、查验堆场通过EDI中心,向海关传递转场报文。7.2.40wwW.bzxz.Net
船公司(承运人)或其船舶代理通过EDI中心,向海关,海事,边检传递总申报单报文。7.2.42
船公司(承运人)或其船舶代理通过EDI中心,向海关、海事传递货物申报单报文。船公司(承运人)或其船舶代理通过EDI中心,向海关、海事、边检传递旅客名单报文。船公司(承运人)或其船舶代理通过EDI中心,向海关、海事、边检传递船员名单报文。船公司(承运人)或其船舶代理通过EDI中心,向海关,海事传递船用物品申报单报文船公司(承运人)或其船舶代理通过EDI中心.向海关、海事、边检传递船员物品申报单报文。
小提示:此标准内容仅展示完整标准里的部分截取内容,若需要完整标准请到上方自行免费下载完整标准文档。
 标准图片预览
标准图片预览 标准图片预览:





- 热门标准
- GB国家标准
- GB/T21666-2008 尿吸收辅助器具 评价的一般指南
- GB/T2828.1-2012 计数抽样检验程序 第1部分:按接收质量限(AQL)检索的逐批检验抽样计划
- GB/T32999-2016 表面化学分析 深度剖析 用机械轮廓仪栅网复型法测量溅射速率
- GB/T39454-2020 国际贸易业务数据规范货物跟踪与追溯
- GB/T13589-2007 锌及锌合金废料
- GB28355-2012 食品添加剂 水杨酸甲酯(柳酸甲酯)
- GB/T13070-1991 铀矿石中铀的测定 电位滴定法
- GB/T38948-2020 沥青混合料低温抗裂性能评价方法
- GB/T38604.4-2020 公共信息导向系统 评价要求 第4部分:公共汽电车车站
- GB/T19561-2004 寒地节能日光温室建造规程
- GB/T7574-1987 信息处理交换用磁带标号和文卷结构
- GB/T24715-2009 氧源转换器
- GB14880-2012 食品营养强化剂使用标准
- GB/T10006-2021 塑料 薄膜和薄片 摩擦系数的测定
- GB/T38774-2020 永磁调速器 通用技术规范
- 行业新闻
请牢记:“bzxz.net”即是“标准下载”四个汉字汉语拼音首字母与国际顶级域名“.net”的组合。 ©2025 标准下载网 www.bzxz.net 本站邮件:bzxznet@163.com
网站备案号:湘ICP备2025141790号-2
网站备案号:湘ICP备2025141790号-2
