- 您的位置:
- 标准下载网 >>
- 标准分类 >>
- 纺织行业标准(FZ) >>
- FZ/T 64070-2019 衬纬经编针织拉毛粘合衬
标准号:
FZ/T 64070-2019
标准名称:
衬纬经编针织拉毛粘合衬
标准类别:
纺织行业标准(FZ)
标准状态:
现行出版语种:
简体中文下载格式:
.zip .pdf下载大小:
395.97 KB
点击下载
标准简介:
标准号:FZ/T 64070-2019
标准名称:衬纬经编针织拉毛粘合衬
英文名称:Adhesive-bonded weft-inserted warp knitted interlining with napping
标准格式:PDF
发布时间:2019-05-02
实施时间:2019-11-01
标准大小:404K
标准介绍:本标准规定了衬纬经编针织拉毛粘合衬的术语和定义、产品分类、技术要求、试验和检验方法、检验规则、标志和包装。
本标准适用于本白、漂白、有色衬纬经编针织拉毛粘合衬
2规范性引用文件
下列文件对于本文件的应用是必不可少的。凡是注日期的引用文件,仅注日期的版本适用于本文
件,凡是不注日期的引用文件,其最新版本(包括所有的修改单)适用于本文件
纺织品色牢度试验评定变色用灰色样卡
GB/T4666纺织品织物长度和幅宽的测定
GB/T5708纺织品针织物术语
GB/T8170数值修约规则与极限数值的表示和判定
GB18401国家纺织产品基本安全技术规范
GB/T19976-2005纺织品顶破强力的测定钢球法
GB/T24117针织物疵点的描述术语
GB/T28465服装衬布检验规则
本标准按照GB/T11-2009给出的规则起草
本标准由中国纺织工业联合会提出。
本标准由全国纺织品标准化技术委员会棉纺织品分技术委员会(SAC/TC209/SC10)归口。本标准起草单位:晟合新材料科技(嘉善)有限公司、上海市纺织工业技术监督所、长兴县志纬服装辅料有限公司、江苏欣捷衬布有限公司淅江纺织服装职业技术学院、泰州万邦无纺业有限公司、中国产业用纺织品行业协会
本标准主要起草人:罗明、盛秋辉、张宝庆、章华、陈松梅、张鹏、高从越、李桂梅、虞康伟
部分标准内容:
中华人民共和国纺织行业标准
FZ/T64070—2019
衬纬经编针织拉毛粘合衬
Adhesive-bonded weft-inserted warp knitted interlining with napping2019-05-02发布
中华人民共和国工业和信息化部2019-11-01实施
本标准按照GB/T1.1—2009给出的规则起草。本标准由中国纺织工业联合会提出。FZ/T64070—2019
本标推由全国纺织品标准化技术委员会棉纺织品分技术委员会(SAC/TC209/SC10)归口。本标准起草单位:晟合新材料科技(嘉善)有限公司、上海市纺织工业技术监督所、长兴县志纬服装辅料有限公司、江苏欣捷村布有限公司、浙江纺织服装职业技术学院、泰州万邦无纺业有限公司、中国产业用纺织品行业协会。
本标准主要起草人:罗明,盛秋辉、张宝庆,章华、陈松梅、张鹏、高从越、李桂梅、虞康伟。I
1范围
衬纬经编针织拉毛粘合衬
FZ/T64070-2019
本标准规定了村纬经编针织拉毛粘合衬的术语和定义、产品分类,技术要求,试验和检验方法、检验规则、标志和包装。
本标准适用于本白、漂白、有色村纬经编针织拉毛粘合村。2规范性引用文件
下列文件对于本文件的应用是必不可少的。凡是注日期的引用文件,仅注日期的版本适用于本文件。凡是不注日期的引用文件,其最新版本(包括所有的修改单)适用于本文件,GB/T250
GB/T4666
GB/T5708
GB/T8170
GB18401
纺织品色牢度试验评定变色用灰色样卡纺织品织物长度和辐宽的测定
纺织品针织物术语
数值修约规则与极限数值的表示和判定国家纺织产品基本安全技术规范GB/T19976—2005纺织品顶破强力的测定钢球法
GB/T24117
GB/T28465
GB31701
针织物概点的描述
服装村布检验规则
要幼儿及儿童纺织产品安全技术规范GB/T31902
GB/T31903
FZ/T01082
FZ/T01083
FZ/T01085
FZ/T01110
FZ/T60031
FZ/T60034
服装衬布外观疵点检验方法
服装村布产品命名规则、标志和包装粘合衬干热尺寸变化试验方法
粘合村干洗后的外观及尽寸变化试验方法粘合村剥离强力试验方法
粘合村粘合压烫后的渗胶试验方法服装用村经蒸汽熨烫后尺寸变化试验方法粘合衬掉粉试验方法
FZ/T70006—2004针织物拉伸弹性回复率试验方法FZ/T70010
3术语和定义
针织物平方米干燥重量的测定
GB/T5708,GB/T24117中界定的以及下列术语和定义适用于本文件。3.1
村纬经编针织拉毛粘合村
adhesive-bonded weft-inserted warp knitted interlining with napping经向为涤纶牵伸丝,纬向为涤纶、粘胶纤维、漆粘混纺纱线等原料制成的全幅村纬经编织物为基布,经机械拉毛、涂层等加工而成的粘合衬村1
FZ/T64070—2019
产品分类
衬纬经编针织拉毛粘合衬按基布原料,可分为谦纶村、涤粘村、粘胶村。4.1
4.2村纬经编针织拉毛粘合衬按漂染加工工艺,可分为本白村,漂白村和有色村,5技术要求
5.1分等规定
5.1.1产品的品等分为优等品,一等品、合格品,低于合格品的为不合格品。5.1.2产品的评等分为理化性能和外观质量两个方面。理化性能包括平方米干燥质量偏差率,顶破强力,剩离强力、组合试样干热尺寸变化率、组合试样干洗尺寸变化率,组合试样蒸汽熨烫尺寸变化率,纬向塑性变形率,组合试样干洗后外观变化、组合试样热熔胶渗胶、安全性能。外观质量包括幅宽偏差,色差,纬斜、局部性疵点,散布性症点,每卷充许段数和段长。衬纬经编针织拉毛粘合衬的理化性能按批评等,外观质量按卷评等,综合评等按其中最低的等5.1.3
级评定。
理化性能Www.bzxZ.net
产品的安全性能应符合GB18401或GB31701的规定。衬纬经编针织拉毛粘合衬的理化性能分等规定按表1。表1理化性能分等规定
平方米干燥质量偏差率/%
顶破强力/N
剩离强力/N
试样宽度5cm
试样宽度2.5cm
组合试样干热尽寸变化率/%
组合试样干洗尺寸变化率/%
组合试样蒸汽熨盈尺寸变化率/%韩向塑性变形率/%
组合试样干洗后外观变化/级
组合试样热培胶渗胶
干洗前
干洗后
干洗前
千洗后
经纬向
优等品
-4.0~+4.0
-2.0~+0.5
-2.0~+0.5
-1.5~+0.5
—08+0.5
正面稳胶不充许
一等品
-5.0~+5.0
—2.0~+0.5
—2.0~+1.0
-1.0~+0.5
正面落胶不允许
合格品
-6.0~+6.0
—2.5~+0.5
正面渗胶不允许
注:剥离强力考核指标,按照贸易要求,选择试样宽度5cm或2.5cm的考核要求。有争议时,以试样宽度5cm为罹,
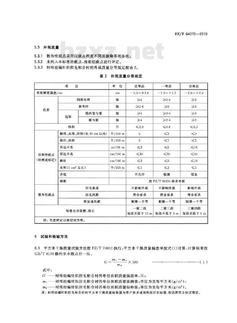
5.3外观质量
敢布性旗点采用以追点程度不同逐级降等的办法5.3.2
未列人本标准的疵点,按相似症点进行评定。村纬经编针织拉毛粘合衬的外观质量分等规定按表2。5.3.3
有效幅宽信差/cm
同类布样
局部性疵点
(结辩或标记)
散布性链点
参考样
箱内卷与器
箱与籍
鲲纬、夹纬、并韩(长20em以内)油污、油纱
吊边不良
切边不良
爽漏c1cm左右)
拉毛条花
拉毛风格
明显通匹痣
每卷允许段数、段长
注:色差评定以涂层面为准,
6试验和检验方法
外观质量分等规定
个/100m
个/100m
m/100m
em/100m
em/100m
个/100m
优等品
≥3-4
不允许
一等品
FZ/T64070—2019
合格品
-2.0~+2.0
按FZ/T60034要求考核
不影响外观
特合要求
顺降一个等
一剪三段
每段不低于10m
不影响外观
特合要求
顺降一个等
三剪三段
每段不低于5m
影响外观
符合要求
顺降一个等
三剪四段
每段不于5m
6.1平方米干燥质量试验方法按FZ/T70010执行,平方米干燥质量偏差率按式(1)计算,计算结果按GB/T8170修约至小数点后一位。式中
G=m-m。
一一村纬经编针织拉毛精合封的单位面积质量偏差率,%:m
......l)
衬纬经编针织拉毛粘合衬的单位面积质量实测值,单位为克每平方米(g/m\));封纬经编针织拉毛粘合村的单位面积质量标称值,单位为克每平方米(g/m)。注:村纬经编针织拉毛粘合村的单方米干燥质量标称值为客户要求或面料设计目标值,按供需双方协议商定:FZ/T64070—2019
顶破强力试验方法接GB/T19976—2005执行,球的直径25mm。剥离强力试验方法按FZ/T01085执行。组合试样干热尺寸变化率试验方法按FZ/T01082执行。组合试样干洗涤后外观及干洗尺寸变化率试验方法按FZ/T01083执行。组合试样蒸汽熨贸尺寸变化率试验方法按F2/T60031执行。纬向塑性变形率试验方法按FZ/T70006一2004中8.3执行。采用定力一次拉伸,预定力为25N。组合试样热熔胶渗胶试验方法按FZ/T01110执行。幅宽检验方法按GB/T4666执行。6.10
色差检验方法按GB/T250执行。
掉粉检验方法按FZ/T60034执行。外观质量检验方法按GB/T31902执行。拉毛风格检验:将生产样与客户来样或设计样风格对比评定。检验规则
产品检验规则按GB/T28465热行。8标志和包装
标志和包装按殿GB/T31903执行。9其他
特殊品种或用户有特殊要求的,由供求双方协议商定。
小提示:此标准内容仅展示完整标准里的部分截取内容,若需要完整标准请到上方自行免费下载完整标准文档。
标准图片预览:





- 其它标准
- 热门标准
- FZ纺织行业标准
- FZ/T62005-2003 被、被套
- FZ/T22007-2012 超高支精梳羊绒机织纱
- FZ/T64021-2011 彩色非织造粘合衬
- FZ/T24024-2017 精梳单经单纬毛织品
- FZ/T42007-2001 生丝/氨纶包缠丝
- FZ/T70001-2003 针织和编结绒线试验方法
- FZ/T20018-2000 毛纺织品中二氯甲烷可溶性物质的测定
- FZ/T92042-1995 边字提花装置
- FZ/T71008-2008 半精纺毛针织纱线
- FZ/T01093-2008 机织物结构分析方法 织物中拆下纱线线密度的测定
- FZ/T70005-2006 毛纺织品伸长和回复性试验方法
- FZ/T22002—2021 粗梳机织毛纱
- FZ/T93053-2019 转杯纺纱机转杯
- FZ/T64058-2016 汽车隔音隔热垫用再加工纤维毡
- FZ/T97016-1997 提花经编机
- 行业新闻
网站备案号:湘ICP备2025141790号-2