- 您的位置:
- 标准下载网 >>
- 标准分类 >>
- 轻工行业标准(QB) >>
- QB/T 2342-1997 干法静电复印纸
标准号:
QB/T 2342-1997
标准名称:
干法静电复印纸
标准类别:
轻工行业标准(QB)
英文名称:
Dry process electrostatic copy paper标准状态:
已作废-
实施日期:
1998-09-01 -
作废日期:
2007-05-01 出版语种:
简体中文下载格式:
.rar.pdf下载大小:
114.45 KB
中标分类号:
轻工、文化与生活用品>>造纸>>Y32纸
替代情况:
替代ZB Y32004-86;被QB/T 2342-2006代替采标情况:
JCP O60-1981 NEQ
部分标准内容:
QB/T2342
2—1997
本标准是ZBY32004—1986《干法静电复印纸》的修订。内容主要有如下变动:
—根据GB/T1.1—1993《标准化工作导则第1单元:标准的起草与表述规则第1部分:标准编写的基本规定》进行编写;
一采用了23℃、50%相对湿度的大气条件。技术要求中对有关指标进行了相应调整:将“挺度”由积累数据改为型式检验项目指标;一调整了“紧度”“平滑度”“定量”、“白度”等部分指标;一检验规则采用GB/T2828《逐批检查计数抽样程序及抽样表(适用于连续批的检查)》规定进行。
本标准非等效采用美国JCPO-60静电复印纸标准(1981年12月1日)。自本标准实施之日起,原专业标准ZBY32004—1986《干法静电复印纸》作废。本标准由中国轻工总会食品适纸部提出。本标准由全国造纸标准化中心归口。本标准起草单位:北京造纸一厂。本标准主要起草人:裘刚毅、何德忠、海文玲、李淑华、王华佳。本标准首次发布于1986年。
1范围
中华人民共和国轻工行业标准
干法静电复印纸
本标准规定了干法静电复印纸的技术规范。本标准适用于干法静电复印机使用的纸。2引用标准
QB/T 2342—1997
下列标准所包含的条文,通过在本标准中引用而构成为本标准的条文。本标准出版时,所示版本均为有效。所有标准都会被修订,使用本标准的各方应探讨使用下列标准最新版本的可能性。GB/T450-1989纸和纸板试样的采取GB/T451.1-1989纸和纸板尺寸及偏斜度的测定法GB/T 451. 2-1989
GB/T 451.3---1989
GB/T 453—1989
GB/T 456—1989
GB/T 460—1989
GB/T 462—1989
纸和纸板定量的测定法
纸和纸板厚度的测定法
纸和纸板抗张强度的测定法(恒速加荷法)纸和纸板平滑度的测定法(别克法)纸和纸板施胶度的测定法(墨水划线法)纸和纸板水分的定法
GB/T 1541—1989
GB/T 1543—1988
GB/T 2828-1987
GB/T 7974—1987
纸和纸板尘埃度的测定法
纸不透明度测定法(纸背衬)
逐批检查计数抽样程序及抽样表(适用于连续批的检查)纸及纸板白度测定法(漫射/垂直法)GB/T 10342—1989
GB/T 10739-1989
GB/T 12909--1991
GB/T 12914—1991
3产品分类
纸张的包装和标志
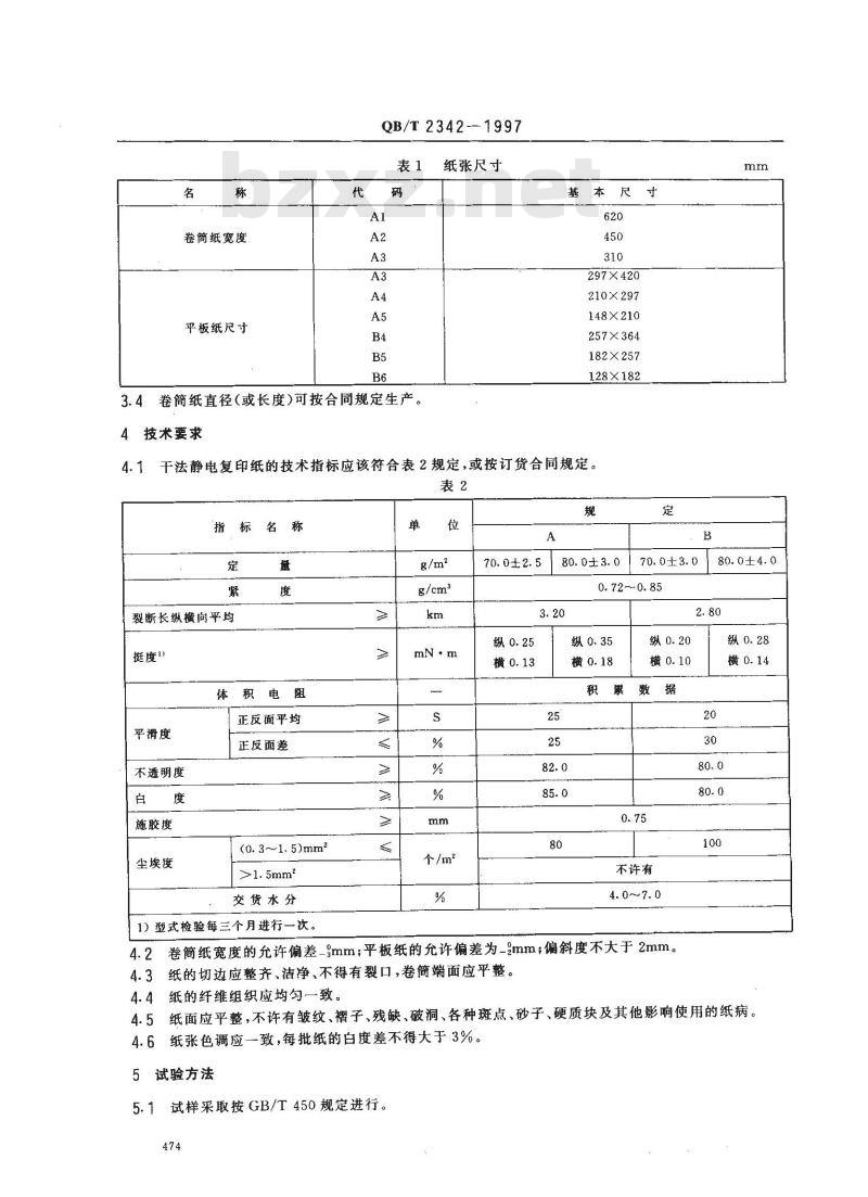
纸浆、纸和纸板试样处理和试验的标准大气纸和纸板弯曲挺度的测定法(共振法)纸和纸板抗张强度的测定法(恒速拉伸法)3.1干法静电复印纸分为平板纸和卷筒纸。3.2干法静电复印纸按质量分为A等品和B等品。3.3纸张尺寸应符合表1规定或按订货合同规定生产。中国轻工总会1998-01-16批准
TKAoNi KAca-
1998-09-01实施
卷筒纸宽度
平板纸尺寸
QB/T 2342--1997
3.4卷简纸直径(或长度)可按合同规定生产技术要求
纸张尺寸
基本尺寸
297×420
210×297
148X210
257×364
182X257
128X182
干法静电复印纸的技术指标应该符合表2规定,或按订货合同规定。4.1
指标名称
双断长纵横向平均
挺度1
体积电阻
平滑度
不透明度
施胶度
尘埃度
正反面平均
正反面差
(0.3~1.5)mm2
交货水分
1)型式检验每三个月进行一次。单
个/m2
70.0±2.5
80.0±3.0
70.0±3.0
0.72~0.85
80.0±4.0
不许有
4.2卷筒纸宽度的允许偏差-9mm;平板纸的允许偏差为-2mm;偏斜度不大于2mm。纸的切边应整齐、洁净、不得有裂口,卷简端面应平整。4.3
纸的纤维组织应均匀一致。
4.5纸面应平整,不许有皱纹、褶子、残缺、破洞、各种斑点、砂子、硬质块及其他影响使用的纸病4.6纸张色调应一致,每批纸的白度差不得大于3%。5试验方法
试样采取按GB/T450规定进行。
QB/T2342—1997
5.2试样的处理和测试按GB/T10739规定进行。5.3纸张尺寸、偏斜度按GB/T451.1规定进行。5.4定量按GB/T451.2规定进行。紧度按GB/T451.3规定进行。
5.6裂断长按GB/T453或GB/T12914规定进行,仲裁时按GB/T12914规定进行。挺度按GB/T12909规定进行。
平滑度按GB/T456规定进行。
5.9不透明度按GB/T1543规定进行。5.10
白度按GB/T7974规定进行。
施胶度按GB/T460规定进行。
尘埃度按GB/T1541规定进行。
交货水分按GB/T462规定进行。
6检验规则
6.1生产厂应保证产品符合本标准要求,交货时应附产品质量合格证。6.2以一次交货数为-批,但不得多于150箱。交收检验抽样按GB/T2828规定进行,样本单位为箱,其抽样方案及批质量判定应符合表3规6.3
1~25
26~90
91~150
样本大小
13(26)
二次正常检查水平1
B类不合格品
C类不合格品
不合格分类
B类不合格免费标准bzxz.net
不透明度
C类不合格
毅断长
平滑度
随胶度
尘埃度
交货水分
外观质量
6.4需方有权按本标准的全部或部分技术要求进行验收,经供需双方商定,可以增加或减少某些技术性能及指标,需方有要求时,供方应提供型式检验报告。6.5需方对某些产品如有异议,应在到货一个月内通知供方共同进行检验。如符合本标准要求则判为批合格,由需方负责处理;如不符合本标准要求,则判为批不合格,由供方负责处理。7标志、包装、运输、贮存
7.1平板纸包装
a)平板纸每500张为一包,用具有防潮性能的纸或其他材料包好、封牢。b)外包装用瓦楞纸箱。纸箱接口用胶带粘牢。7.2卷筒纸包装
a)卷筒纸先卷一层塑料薄膜,再卷一层包装纸,卷筒简两头加堵头。b)卷简纸外包装用瓦楞纸箱。纸箱接口用粘胶带粘牢。7.3交货时,每包平板纸或每轴卷简纸应附一张产品合格证。475
TKAONi KAca-
QB/T2342-1997
1经供需双方协商,可采用其他包装方式,也可按GB/T10342的规定进行。7.4
5纸张应妥善保管,以防雨雪和地面潮湿的影响。7.5
产品运输时使用有篷而洁净的运输工具。不许将纸箱从高处扔下。
小提示:此标准内容仅展示完整标准里的部分截取内容,若需要完整标准请到上方自行免费下载完整标准文档。
2—1997
本标准是ZBY32004—1986《干法静电复印纸》的修订。内容主要有如下变动:
—根据GB/T1.1—1993《标准化工作导则第1单元:标准的起草与表述规则第1部分:标准编写的基本规定》进行编写;
一采用了23℃、50%相对湿度的大气条件。技术要求中对有关指标进行了相应调整:将“挺度”由积累数据改为型式检验项目指标;一调整了“紧度”“平滑度”“定量”、“白度”等部分指标;一检验规则采用GB/T2828《逐批检查计数抽样程序及抽样表(适用于连续批的检查)》规定进行。
本标准非等效采用美国JCPO-60静电复印纸标准(1981年12月1日)。自本标准实施之日起,原专业标准ZBY32004—1986《干法静电复印纸》作废。本标准由中国轻工总会食品适纸部提出。本标准由全国造纸标准化中心归口。本标准起草单位:北京造纸一厂。本标准主要起草人:裘刚毅、何德忠、海文玲、李淑华、王华佳。本标准首次发布于1986年。
1范围
中华人民共和国轻工行业标准
干法静电复印纸
本标准规定了干法静电复印纸的技术规范。本标准适用于干法静电复印机使用的纸。2引用标准
QB/T 2342—1997
下列标准所包含的条文,通过在本标准中引用而构成为本标准的条文。本标准出版时,所示版本均为有效。所有标准都会被修订,使用本标准的各方应探讨使用下列标准最新版本的可能性。GB/T450-1989纸和纸板试样的采取GB/T451.1-1989纸和纸板尺寸及偏斜度的测定法GB/T 451. 2-1989
GB/T 451.3---1989
GB/T 453—1989
GB/T 456—1989
GB/T 460—1989
GB/T 462—1989
纸和纸板定量的测定法
纸和纸板厚度的测定法
纸和纸板抗张强度的测定法(恒速加荷法)纸和纸板平滑度的测定法(别克法)纸和纸板施胶度的测定法(墨水划线法)纸和纸板水分的定法
GB/T 1541—1989
GB/T 1543—1988
GB/T 2828-1987
GB/T 7974—1987
纸和纸板尘埃度的测定法
纸不透明度测定法(纸背衬)
逐批检查计数抽样程序及抽样表(适用于连续批的检查)纸及纸板白度测定法(漫射/垂直法)GB/T 10342—1989
GB/T 10739-1989
GB/T 12909--1991
GB/T 12914—1991
3产品分类
纸张的包装和标志
纸浆、纸和纸板试样处理和试验的标准大气纸和纸板弯曲挺度的测定法(共振法)纸和纸板抗张强度的测定法(恒速拉伸法)3.1干法静电复印纸分为平板纸和卷筒纸。3.2干法静电复印纸按质量分为A等品和B等品。3.3纸张尺寸应符合表1规定或按订货合同规定生产。中国轻工总会1998-01-16批准
TKAoNi KAca-
1998-09-01实施
卷筒纸宽度
平板纸尺寸
QB/T 2342--1997
3.4卷简纸直径(或长度)可按合同规定生产技术要求
纸张尺寸
基本尺寸
297×420
210×297
148X210
257×364
182X257
128X182
干法静电复印纸的技术指标应该符合表2规定,或按订货合同规定。4.1
指标名称
双断长纵横向平均
挺度1
体积电阻
平滑度
不透明度
施胶度
尘埃度
正反面平均
正反面差
(0.3~1.5)mm2
交货水分
1)型式检验每三个月进行一次。单
个/m2
70.0±2.5
80.0±3.0
70.0±3.0
0.72~0.85
80.0±4.0
不许有
4.2卷筒纸宽度的允许偏差-9mm;平板纸的允许偏差为-2mm;偏斜度不大于2mm。纸的切边应整齐、洁净、不得有裂口,卷简端面应平整。4.3
纸的纤维组织应均匀一致。
4.5纸面应平整,不许有皱纹、褶子、残缺、破洞、各种斑点、砂子、硬质块及其他影响使用的纸病4.6纸张色调应一致,每批纸的白度差不得大于3%。5试验方法
试样采取按GB/T450规定进行。
QB/T2342—1997
5.2试样的处理和测试按GB/T10739规定进行。5.3纸张尺寸、偏斜度按GB/T451.1规定进行。5.4定量按GB/T451.2规定进行。紧度按GB/T451.3规定进行。
5.6裂断长按GB/T453或GB/T12914规定进行,仲裁时按GB/T12914规定进行。挺度按GB/T12909规定进行。
平滑度按GB/T456规定进行。
5.9不透明度按GB/T1543规定进行。5.10
白度按GB/T7974规定进行。
施胶度按GB/T460规定进行。
尘埃度按GB/T1541规定进行。
交货水分按GB/T462规定进行。
6检验规则
6.1生产厂应保证产品符合本标准要求,交货时应附产品质量合格证。6.2以一次交货数为-批,但不得多于150箱。交收检验抽样按GB/T2828规定进行,样本单位为箱,其抽样方案及批质量判定应符合表3规6.3
1~25
26~90
91~150
样本大小
13(26)
二次正常检查水平1
B类不合格品
C类不合格品
不合格分类
B类不合格免费标准bzxz.net
不透明度
C类不合格
毅断长
平滑度
随胶度
尘埃度
交货水分
外观质量
6.4需方有权按本标准的全部或部分技术要求进行验收,经供需双方商定,可以增加或减少某些技术性能及指标,需方有要求时,供方应提供型式检验报告。6.5需方对某些产品如有异议,应在到货一个月内通知供方共同进行检验。如符合本标准要求则判为批合格,由需方负责处理;如不符合本标准要求,则判为批不合格,由供方负责处理。7标志、包装、运输、贮存
7.1平板纸包装
a)平板纸每500张为一包,用具有防潮性能的纸或其他材料包好、封牢。b)外包装用瓦楞纸箱。纸箱接口用胶带粘牢。7.2卷筒纸包装
a)卷筒纸先卷一层塑料薄膜,再卷一层包装纸,卷筒简两头加堵头。b)卷简纸外包装用瓦楞纸箱。纸箱接口用粘胶带粘牢。7.3交货时,每包平板纸或每轴卷简纸应附一张产品合格证。475
TKAONi KAca-
QB/T2342-1997
1经供需双方协商,可采用其他包装方式,也可按GB/T10342的规定进行。7.4
5纸张应妥善保管,以防雨雪和地面潮湿的影响。7.5
产品运输时使用有篷而洁净的运输工具。不许将纸箱从高处扔下。
小提示:此标准内容仅展示完整标准里的部分截取内容,若需要完整标准请到上方自行免费下载完整标准文档。
标准图片预览:





- 热门标准
- 轻工行业标准(QB)
- QB/T5302-2018 生活用干纸巾流延聚乙烯(CPE) 包装膜
- QB/T2833-2006 运动营养食品 能量控制食品
- QB/T1640-1992 陶瓷模用石膏粉物理性能测试方法
- QB/T1334-2013 水嘴通用技术条件
- QB/T4701-2014 毛发护理器具环境意识设计导则
- QB/T1272-2012 毛皮 化学试验样品的准备
- QB/T2421-1998 铝及铝合金不粘锅
- QB/T1949-2004 扬琴
- QB/T4427-2012 芸香浸膏 枫香树脂提取物
- QB/T2049.5-1994 电光源玻壳K型玻壳尺寸系列
- QB6005-1992 麦芽厂设计规范
- QB/T2173-2001 尼龙拉链
- QB/T2172-1995 注塑拉链
- QB/T2816-2006 工业用缝纫机单(双)针下送料立柱式平缝机机头
- QB/T2059-1994 照相放大灯泡
- 行业新闻
请牢记:“bzxz.net”即是“标准下载”四个汉字汉语拼音首字母与国际顶级域名“.net”的组合。 ©2025 标准下载网 www.bzxz.net 本站邮件:bzxznet@163.com
网站备案号:湘ICP备2025141790号-2
网站备案号:湘ICP备2025141790号-2