- 您的位置:
- 标准下载网 >>
- 标准分类 >>
- 化工行业标准(HG) >>
- HG∕T 5035-2016 硝基苯加氢制苯胺催化剂催化性能试验方法
标准号:
HG∕T 5035-2016
标准名称:
硝基苯加氢制苯胺催化剂催化性能试验方法
标准类别:
化工行业标准(HG)
标准状态:
现行出版语种:
简体中文下载格式:
.rar .pdf下载大小:
部分标准内容:
ICs 71. 100. 99
备案号:56396-2016
中华人民共和国化工行业标准
HG/T5035—2016
硝基苯加氢制苯胺催化剂
催化性能试验方法
Test method of catalytic performanccin the catalyst for nitrobenzene hydrogenation to aniline2016-10-22发布
2017-04-01实施
中华大辰和工业和信息化发布
本标推接照GB/T 1、1
2009给出的规则起草
本标准出中国石油和化学1.业联合会提用HG/T5035—2016
本标准由全回化学标准化技术委员会化催化剂分技术委员会(SAC/TC63/SC10)归口。本标准起草单位:南化集团研究院、汀苏省产品避量监督检验研究院,本标准主要起草人:殷玉圣、洪华、邱爱玲、陈延浩、曾飞。ta)
1IG/T5035—2016
硝基苯加氧制苯胺催化剂催化性能试验方法警告一一本标准中使用的部分试剂具有毒性或腐蚀性,部分操作具有危险性。本标准并未揭示所有可能的安全问题,使用者操作时应小心谨慎并有责任采取适当的安全和健康措施。1范围
本标准规定了硝基米排氢制苯胺催化剂催化性能试验方法。本标准适用于以铜为活性组分、通过游解吸附制备,上要川丁流化床的硝基苯加氛制米胺摧化剂,
2规范性引用文件
下列文件对于本义件的应用是必不可少的,凡是注1期的引文件,仪注日期的版本用于本文件。凡是不注印期的用义件,其最新版本(包括所付的修收单)适用于本文件。GB/T6003.1诚验筛技术要求和检验第1部分:金压丝编织网试验筛3/6678化工产品采样总侧
3原理
硝片苯在定温度、压力及催化剂作用下与氢气反成生成苯胺,其化学皮应程式如:CsH.NO +- H: + C, H:NH, - 54+kJ/mol通过测定反应前、后硝基苯和举胺的质最分数计算出其硝基苯转化率即满性和县胺选择性。以此丧征摧化剂的催批推能
4试验装置
4.1流程
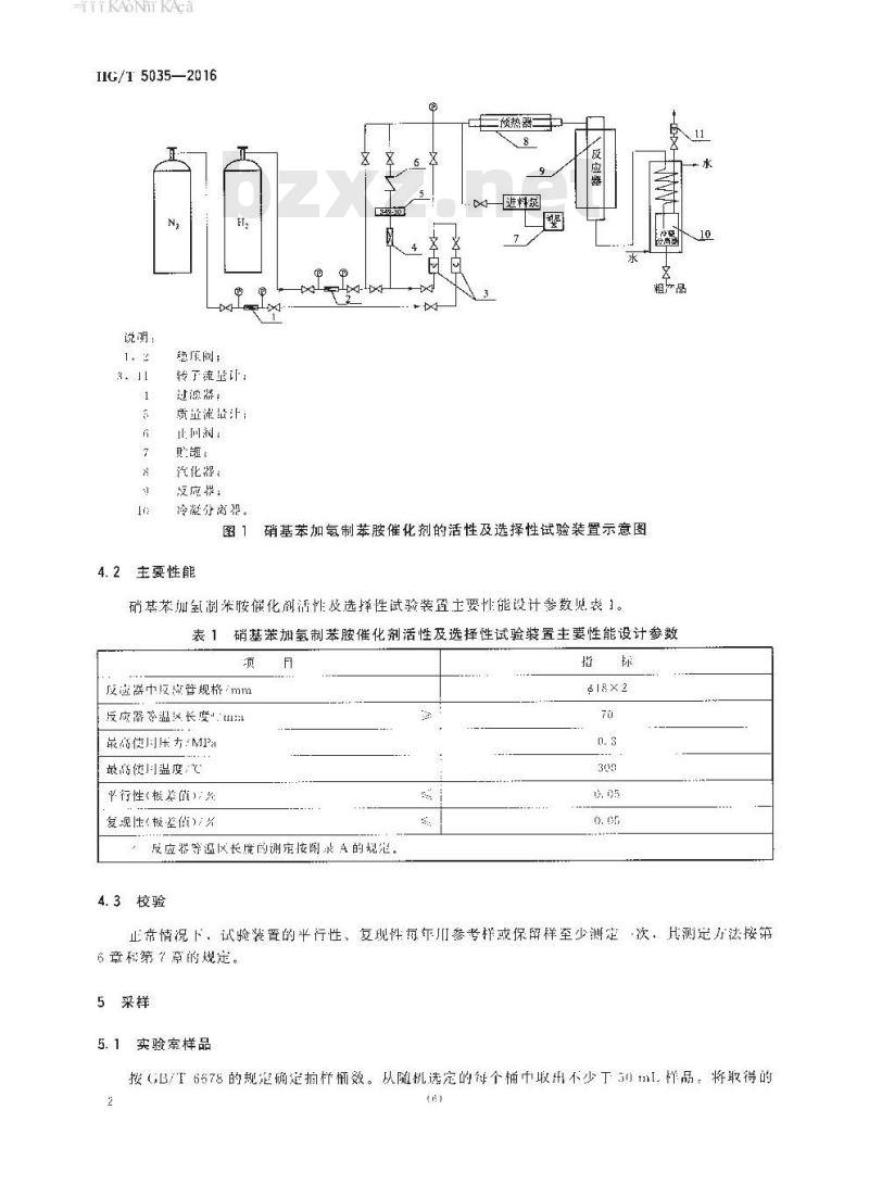
俏基苯加氛制腰催化剂的活性及选择性试验装置示意图见图1。5
KAONIKAca
IIG/T5035—2016
说明:
急压阀;
转下流量
过滤器:
质量流汁:
川润:
汽化器,
短府很,
冷凝分离提。
4.2主要性能
进料菜
硝基苯加氢制苯胺催化剂的活性及选择性试验装置示意图硝基苯加氢制采胺催化剂活性及选择性试验装置主要性能设计参数见表!。1
粗产品
表1硝基苯加氢制苯胺催化剂活性及选择性试验装置主要性能设计参数顶
皮虚器中反点管规格mm
反应器等温区长度m
最高使压:M1Pa
最高使月温度
平行性(被差值):为
复现性(被垫值)/兴
反应器等温区长度的测定按阐求A的规宠。4.3校验
$18×2
止常情况下,试验装置的平行性、复现性每年川参考样或保留样至少测定-次,H测定力法接第6章程第章的规定。
5采样
5.1实验室样品
按(B/678的规定确定拍杆数。从随机选定的得个桶中取出不少于50mL样品。将取得的2
KAoNiKAcabZxz.net
样品充分混介均句,以四分法缩分成1L的样量、装人样品瓶内,密封,5.2试样
HG/T5035—2016
将适尺实验室样品用孔径为125n的试验筛(衍合(G13/T6003.1中R-0/3系列)筛分,取筛上物,按附录B的规定测定其堆积密度。5.3试料
根据试样的堆积密度称取6ml.对应质常的试样、精确至0.1,待用。6试验步骤
6.1试料的装填
在反应器的反应管底部垫层不锈钢丝网,将处理干净的有英砂(150um-18)装入反应管内,敲实填紧至规定心寸。再在石英砂上加·层不锈钢丝网,将催化剂试料(见5.3)分次小心倒人友应管内,轻轻敲出管使催化剂床层装填紧谢,测员其催化剂床层的装填高度:然片加上-层不锈钢丝网,用有英砂填充至臀口。拧紧反应管所。将反应器接人系统。6.2试漏
打开氮气总阀:向系统内通入氮气,并稳定在0.?MPa。关闭系统进、出口阀门,如在0.h内压力下降小于0.02MPa,则视为系统密封。打开系统出阀,伸系统降牟常乐:将测温热电偶折人热电偶套管内:使其热端位气体人催化剂床层内51I处,6.3升温还原
向反应露器内通人氢氮混个气「氛气为1.52.岁(以体积分数计):其余为氮气]:空逃为100Ch1,系统求力为常压。按表2的条件进行升温还原。表2升温还原条件
室温~·160
150~-220
6.4活性及选择性的测定
升温速率
所需时间
还原结束后:切断氮气源,同时启动硝基苯进料泵,按硝基苯液体空速1.5,·将其送人温度为180℃的汽化器内,完全汽化后进人反应器。控制并调节其系统压力为0.20M1a、活性测定温度为160℃,氯气与硝基苯的摩东比为:1。打并分离器山口阀,将水排净后闭阀门。待试验条件稳定2h后。每隔2h收集一次分离物并进行分析,连续:次硝基苯转化率的极差值和米胺选择性的被差值均不大下0.05%时,可以结束试验,6.5停车
试验结束后,切断系统的电源:关闭原料总阀,系统排气降压.向时排放冷凝分离器中的冷(7)
KAOMiKAca
1IG/T5035—-2016
7硝基苯和苯胺质蛋分数的测定
色谱操作条件
检测器:氢火熔检测器:
色谱柱:Agilent1905]J-213:325℃,规格为30m×320μm×1in氮气流量:.5 mL/min;
氢气流晟:30ml./nin:
空气流量:300 uml./min:
柱温:初始温度150℃保持5min,然后以30℃min的升温迷率升到250保持】min,再在4 min内升到 280 ℃:
汽化室湿温度:250%:
离子室温度:300℃:
进样量:1μl。
7.2样品测定
分别以6,4所收集的分离产物为被测样。用微常注射需吸取1样品,注人色谱仪,测定硝基举和苯胺的涤面积,以归化法进行定显。7.3结果计算
7. 3. 1 活性
催化剂活性以基苯转化索E计,按公式()计算:E
—原料中硝基苯的质最分数,以表示:一产物中硝基苯的质量分数,以表示。x100
取3次连续测定结果的算术平均值作为测定结果:3次连续测定结果的极差值应不人F0.05%7. 3.2选择性
苯胺选摔性Y,按公式(2)让算:Y- 00
武中:
--产物中苯胺的质量分数,以归表示;原料中苯胺的质分数,以%表示;'1
原料中硝基苯的质量分数,以乐表示:产物中硝基苯的质母分数,以与表示,++++++.+(2)
取3次连续测定结架的算术平均值作为测定结果,次连续测定结果的极差值应不大于0.07%+
YKAONiKAca
A.1装填
附录A
【规范性附录
反应器等温区长度的测定
HG/T5035—-2016
在反应器底部势-层不锈钢丝网,装满150utn-~180m的有i英砂,敲实,拧紧封头螺母。将反应器接到活性试验装置中,试床、试漏益合格:向热电偶套管内插人热电偶。A.2测定步骤
向反应器内通人原料气汽并升温,将温度、压力、空速及原料气体积比挖制在催化剂活性试验的条件下,待条件稳定2小届并始测定等温区。具体按下列步骤进行:a)将热电偶插人反应器热电套管内的适当位置,记下热电偶插人反应器热电偶套管内的民度和相应的温度(即原点处的温度),将热电偶沿反应器热电偶套管尚外拉,详拉10m1,等待2min~3min,记录稳定后的温度,直至温度相差2以上为止,随后币将热电偶间套管内插人:方法同,直到热电偶插到原点位置为测定次。按1述步骤重复测定一次:取两次测定的共间区间为该温度下的等温区)将反应器温度升至22恒温,待条件稳定2h后,按的步骤测定220)℃下的等湿区,)取160和220的共同区间作为该反应器的等温区,该区间长度即为反成幕等温区长度,单位为m等温区内的溢度举值应不大于1.,等温区长度应不小于70m,若所测量温度品示不山等溢区,需将反应器拆下,调整电炉丝的疏密位置,然后重测等温区。A.3等温区的确定
根抛测得的等温区长度确定反应器底部装填石英砂的高度和催化剂试料装填高度,并计算出热电偶的插人长度。
KAONiKAca
11G/T5035—2016
B.1试样的堆积
附录B
【规范性附录]
催化剂堆积密度的测定
将适量的试样(则5.2)。分成若下份,依次加人251L录筒内,每加次均需将至筒上下振动若干次,直牟试样在量简内的位害不变为振实,反复操作,立至振实的试样最为10mL:B.2试样的称量
称最振实的Im.战样的质品,精确至C.1,B.3堆积密度的计算
催化剂璀积缔度(.数值以克每竞升(g/ml.)表示,按公式(B.1)计算:—
式中:
的?-25ml.量筒和10n。试样的质量的数值单位为克(g);w一25ml。量简的质量的效值,单位为克();试样的体积的数值,单位为室升(n.)。计符结渠保留3位有效数学。
取两次平行测定结果的算术半均侦作为测定结果,平行测定结果的绝对差应不大下2.0。tin
小提示:此标准内容仅展示完整标准里的部分截取内容,若需要完整标准请到上方自行免费下载完整标准文档。
备案号:56396-2016
中华人民共和国化工行业标准
HG/T5035—2016
硝基苯加氢制苯胺催化剂
催化性能试验方法
Test method of catalytic performanccin the catalyst for nitrobenzene hydrogenation to aniline2016-10-22发布
2017-04-01实施
中华大辰和工业和信息化发布
本标推接照GB/T 1、1
2009给出的规则起草
本标准出中国石油和化学1.业联合会提用HG/T5035—2016
本标准由全回化学标准化技术委员会化催化剂分技术委员会(SAC/TC63/SC10)归口。本标准起草单位:南化集团研究院、汀苏省产品避量监督检验研究院,本标准主要起草人:殷玉圣、洪华、邱爱玲、陈延浩、曾飞。ta)
1IG/T5035—2016
硝基苯加氧制苯胺催化剂催化性能试验方法警告一一本标准中使用的部分试剂具有毒性或腐蚀性,部分操作具有危险性。本标准并未揭示所有可能的安全问题,使用者操作时应小心谨慎并有责任采取适当的安全和健康措施。1范围
本标准规定了硝基米排氢制苯胺催化剂催化性能试验方法。本标准适用于以铜为活性组分、通过游解吸附制备,上要川丁流化床的硝基苯加氛制米胺摧化剂,
2规范性引用文件
下列文件对于本义件的应用是必不可少的,凡是注1期的引文件,仪注日期的版本用于本文件。凡是不注印期的用义件,其最新版本(包括所付的修收单)适用于本文件。GB/T6003.1诚验筛技术要求和检验第1部分:金压丝编织网试验筛3/6678化工产品采样总侧
3原理
硝片苯在定温度、压力及催化剂作用下与氢气反成生成苯胺,其化学皮应程式如:CsH.NO +- H: + C, H:NH, - 54+kJ/mol通过测定反应前、后硝基苯和举胺的质最分数计算出其硝基苯转化率即满性和县胺选择性。以此丧征摧化剂的催批推能
4试验装置
4.1流程
俏基苯加氛制腰催化剂的活性及选择性试验装置示意图见图1。5
KAONIKAca
IIG/T5035—2016
说明:
急压阀;
转下流量
过滤器:
质量流汁:
川润:
汽化器,
短府很,
冷凝分离提。
4.2主要性能
进料菜
硝基苯加氢制苯胺催化剂的活性及选择性试验装置示意图硝基苯加氢制采胺催化剂活性及选择性试验装置主要性能设计参数见表!。1
粗产品
表1硝基苯加氢制苯胺催化剂活性及选择性试验装置主要性能设计参数顶
皮虚器中反点管规格mm
反应器等温区长度m
最高使压:M1Pa
最高使月温度
平行性(被差值):为
复现性(被垫值)/兴
反应器等温区长度的测定按阐求A的规宠。4.3校验
$18×2
止常情况下,试验装置的平行性、复现性每年川参考样或保留样至少测定-次,H测定力法接第6章程第章的规定。
5采样
5.1实验室样品
按(B/678的规定确定拍杆数。从随机选定的得个桶中取出不少于50mL样品。将取得的2
KAoNiKAcabZxz.net
样品充分混介均句,以四分法缩分成1L的样量、装人样品瓶内,密封,5.2试样
HG/T5035—2016
将适尺实验室样品用孔径为125n的试验筛(衍合(G13/T6003.1中R-0/3系列)筛分,取筛上物,按附录B的规定测定其堆积密度。5.3试料
根据试样的堆积密度称取6ml.对应质常的试样、精确至0.1,待用。6试验步骤
6.1试料的装填
在反应器的反应管底部垫层不锈钢丝网,将处理干净的有英砂(150um-18)装入反应管内,敲实填紧至规定心寸。再在石英砂上加·层不锈钢丝网,将催化剂试料(见5.3)分次小心倒人友应管内,轻轻敲出管使催化剂床层装填紧谢,测员其催化剂床层的装填高度:然片加上-层不锈钢丝网,用有英砂填充至臀口。拧紧反应管所。将反应器接人系统。6.2试漏
打开氮气总阀:向系统内通入氮气,并稳定在0.?MPa。关闭系统进、出口阀门,如在0.h内压力下降小于0.02MPa,则视为系统密封。打开系统出阀,伸系统降牟常乐:将测温热电偶折人热电偶套管内:使其热端位气体人催化剂床层内51I处,6.3升温还原
向反应露器内通人氢氮混个气「氛气为1.52.岁(以体积分数计):其余为氮气]:空逃为100Ch1,系统求力为常压。按表2的条件进行升温还原。表2升温还原条件
室温~·160
150~-220
6.4活性及选择性的测定
升温速率
所需时间
还原结束后:切断氮气源,同时启动硝基苯进料泵,按硝基苯液体空速1.5,·将其送人温度为180℃的汽化器内,完全汽化后进人反应器。控制并调节其系统压力为0.20M1a、活性测定温度为160℃,氯气与硝基苯的摩东比为:1。打并分离器山口阀,将水排净后闭阀门。待试验条件稳定2h后。每隔2h收集一次分离物并进行分析,连续:次硝基苯转化率的极差值和米胺选择性的被差值均不大下0.05%时,可以结束试验,6.5停车
试验结束后,切断系统的电源:关闭原料总阀,系统排气降压.向时排放冷凝分离器中的冷(7)
KAOMiKAca
1IG/T5035—-2016
7硝基苯和苯胺质蛋分数的测定
色谱操作条件
检测器:氢火熔检测器:
色谱柱:Agilent1905]J-213:325℃,规格为30m×320μm×1in氮气流量:.5 mL/min;
氢气流晟:30ml./nin:
空气流量:300 uml./min:
柱温:初始温度150℃保持5min,然后以30℃min的升温迷率升到250保持】min,再在4 min内升到 280 ℃:
汽化室湿温度:250%:
离子室温度:300℃:
进样量:1μl。
7.2样品测定
分别以6,4所收集的分离产物为被测样。用微常注射需吸取1样品,注人色谱仪,测定硝基举和苯胺的涤面积,以归化法进行定显。7.3结果计算
7. 3. 1 活性
催化剂活性以基苯转化索E计,按公式()计算:E
—原料中硝基苯的质最分数,以表示:一产物中硝基苯的质量分数,以表示。x100
取3次连续测定结果的算术平均值作为测定结果:3次连续测定结果的极差值应不人F0.05%7. 3.2选择性
苯胺选摔性Y,按公式(2)让算:Y- 00
武中:
--产物中苯胺的质量分数,以归表示;原料中苯胺的质分数,以%表示;'1
原料中硝基苯的质量分数,以乐表示:产物中硝基苯的质母分数,以与表示,++++++.+(2)
取3次连续测定结架的算术平均值作为测定结果,次连续测定结果的极差值应不大于0.07%+
YKAONiKAca
A.1装填
附录A
【规范性附录
反应器等温区长度的测定
HG/T5035—-2016
在反应器底部势-层不锈钢丝网,装满150utn-~180m的有i英砂,敲实,拧紧封头螺母。将反应器接到活性试验装置中,试床、试漏益合格:向热电偶套管内插人热电偶。A.2测定步骤
向反应器内通人原料气汽并升温,将温度、压力、空速及原料气体积比挖制在催化剂活性试验的条件下,待条件稳定2小届并始测定等温区。具体按下列步骤进行:a)将热电偶插人反应器热电套管内的适当位置,记下热电偶插人反应器热电偶套管内的民度和相应的温度(即原点处的温度),将热电偶沿反应器热电偶套管尚外拉,详拉10m1,等待2min~3min,记录稳定后的温度,直至温度相差2以上为止,随后币将热电偶间套管内插人:方法同,直到热电偶插到原点位置为测定次。按1述步骤重复测定一次:取两次测定的共间区间为该温度下的等温区)将反应器温度升至22恒温,待条件稳定2h后,按的步骤测定220)℃下的等湿区,)取160和220的共同区间作为该反应器的等温区,该区间长度即为反成幕等温区长度,单位为m等温区内的溢度举值应不大于1.,等温区长度应不小于70m,若所测量温度品示不山等溢区,需将反应器拆下,调整电炉丝的疏密位置,然后重测等温区。A.3等温区的确定
根抛测得的等温区长度确定反应器底部装填石英砂的高度和催化剂试料装填高度,并计算出热电偶的插人长度。
KAONiKAca
11G/T5035—2016
B.1试样的堆积
附录B
【规范性附录]
催化剂堆积密度的测定
将适量的试样(则5.2)。分成若下份,依次加人251L录筒内,每加次均需将至筒上下振动若干次,直牟试样在量简内的位害不变为振实,反复操作,立至振实的试样最为10mL:B.2试样的称量
称最振实的Im.战样的质品,精确至C.1,B.3堆积密度的计算
催化剂璀积缔度(.数值以克每竞升(g/ml.)表示,按公式(B.1)计算:—
式中:
的?-25ml.量筒和10n。试样的质量的数值单位为克(g);w一25ml。量简的质量的效值,单位为克();试样的体积的数值,单位为室升(n.)。计符结渠保留3位有效数学。
取两次平行测定结果的算术半均侦作为测定结果,平行测定结果的绝对差应不大下2.0。tin
小提示:此标准内容仅展示完整标准里的部分截取内容,若需要完整标准请到上方自行免费下载完整标准文档。
标准图片预览:





- 热门标准
- 行业标准
- HG/T20518-2008 化工粉体工程设计通用规范
- HG/T3985-2007 聚四氟乙烯波纹管膨胀节
- HG∕T5056-2016 GB 7544在天然橡胶胶乳避孕套质量管理中的使用指南
- HG/T3219-2009 代替 HG/T 3219-1999 搪玻璃平面阀
- HG/T3459-2003 化学试剂 顺丁烯二酸酐
- HG/T2017-2011 代替 HG/T 2017-2000 普通运动鞋
- HG/T2257-2011 代替 HG/T 2257-1991 照相化学品 成色剂挥发分的测定
- HG/T21529-2014 代替 HG/T 21529-2005 板式平焊法兰手孔
- HG/T2956.5-2001 硼镁矿石中氧化亚铁含量的测定重铬酸钾 容量法
- HG/T2371-2003 代替 HG/T 2371-1992 搪玻璃开式搅拌容器
- HG/T2225-2010 代替 HG/T 2225-2001 工业硫酸铝
- HG/T2044-2020 代替 HG/T 2044-2003 机械密封用喷涂氧化铬密封环技术条件
- HG/T2343-2012 硫化促进剂 ETU
- HG/T3531-2011 代替 HG/T 3531-2003 工业循环冷却水污垢和腐蚀产物中水分含量的测定
- HG/T3415-2010 代替 HG/T 3415-2001 红色基 B(2-甲氧基-4-硝基苯胺)
- 行业新闻
请牢记:“bzxz.net”即是“标准下载”四个汉字汉语拼音首字母与国际顶级域名“.net”的组合。 ©2025 标准下载网 www.bzxz.net 本站邮件:bzxznet@163.com
网站备案号:湘ICP备2025141790号-2
网站备案号:湘ICP备2025141790号-2