- 您的位置:
- 标准下载网 >>
- 标准分类 >>
- 化工行业标准(HG) >>
- HG∕T 5033-2016 铂系苯加氢制环己烷催化剂活性试验方法
标准号:
HG∕T 5033-2016
标准名称:
铂系苯加氢制环己烷催化剂活性试验方法
标准类别:
化工行业标准(HG)
标准状态:
现行出版语种:
简体中文下载格式:
.rar .pdf下载大小:
部分标准内容:
1Cs 71. 100. 99
备案号:56394—2016
中华人民共和国化工行业标准
HG/T 5033—2016
铂系苯加氢制环己烷催化剂
活性试验方法
Test method of activity
for platinum series gas phase benzcnc hydrogenation catalysts2016-10-22发布
2017-04-01实施
中华人民共利国工业和信息化部发布前言
本标准按照(G13/T1.12009 给出的规则起草本标准出中国石油和化学工业联合会提出。HG/T5033—2016
本标准由金国化学标准化技术委员会化.T催化剂分技术委员会(SAC/TC63/SCtO)归ET。本标起草单位:南化集闭研究院、江苏省产品质量监督检验研究院,本标准主娶起草人:李忠丁、苏玉倩、墓琴、陈延浩、陆建国,1范围
铂系苯加氢制环已烷催化剂活性试验方法标准现定了铂系苯加氯制环己烷催化剂活性试验方法HG/T5033—2016
本标准适用于以铂为主要活性组分,主要爪]以苯或含苯的有机物为原料制环已烷的铂系米加氧催化剂。
2规范性引用文件
下列文件对于本文件的应用是必不可少的,凡是注日期的引用文件,仅注日期的版本适用于本义件:凡是不注日期的引用文件,其最新版本(位括所有的修改单)适爪下和文件(F13/16003.1试验筛技术要求和检验第1部分:金属丝编织网试验饰GB/T6678化T产品采样总则
3原理
苯在定温度、压力及催化剂作川下与氯气反应生成环已烧。其化学反应方程式茹下:sT
2t. aJ taut
通过测定反应前后举和坏已烷的质量分数计算比其米转化率即活性和坏已烷选择性,以此表征催化剂的催化性能
4试验装置
4.1流程
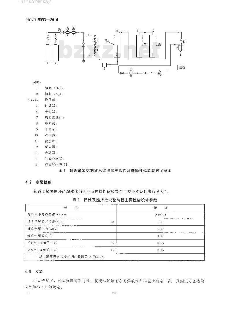
铂系苯卵氢制环已烷催化剂活性及选择性试验装置示意图见图!,633
KAONIKAca
HG/T5033—2016
说明:
钢瓶(H)
钢瓶(N);
稳压阀:
过滤器:
干燥辟:
质证流量计;
中闲:
平流泵:
汽化器;
两热扩;
反应路:
冷凝器:
气液分离器:
湿或气体流世计
图1铂系苯加氢制环已烷催化剂活性及选择性试验装置示意图4.2主要性能
铂系苯加氛制坏己烷催化剂活性及选择性试验装置让要性能设计参数贴表1.表1
反应器中反应管规格/mm
反应器等混x长度\in[l
最高使用低力MP
最高使用温度/~
行(披差值坚
复现(段杭)
活性及选择性试验装置主要性能设计参数标
反湿器等源风长度的测定按谢录A的规定4.3校验
正常情说下,试验装置的半行性、复现性每年川参考样或保留样至少测定-次,其测定方法接第6 章和第 7 章的规定。bzxz.net
TYKAONiKAca
5采样
5.1实验室样品
1IG/T5033—2016
控(/16678的规定确定州群桶数,从随机选定的每个桶中取出不少」50ml.样品。将取得的样品充分混合均勺,以四分法缩分成「1.的样量装人样品瓶内,密村。5.2试样
取适量实验室样品,用孔径为2.8mm的试验筛(符合GB/T6003.1中R40/3系列)筛去粉尘,碎粒,按附录B的规定测定其堆积密度。5.3试料
根据试样的堆积密度称取30nl.对应质量的试样,精确至(.」g,待用。6试验步骤
6.1试料的装填
在反应器的反应管底部垫一层不锈钢丝网、将处理上净的瓷环($3mm×3mm)装入反应管内。敲实填充至测定等温区时所确定的位置,再在瓷环上加一层不锈钢丝网,将催化剂试料(见5.3)分次小心例人反应管内,轻轻敲击管壁使催化剂床层装填紧密。测员其继化剂床层的装填高度。然后加1层不锈钢丝:用瓷环填充至管口。扩紧反应器螺,将反应器接入试验系统。6.2试漏
打开氮气总阀,尚系统内通入氮气,稳定在3.0MPa。关闭系统进、出口阀门,如在0.5h内压力下降小于0.1MP,则视为系统密封,打开系统出口阀,使系统降至常压。将测温热电偶插人热电僧套管内,使其热端位于气体入口催化剂床层界面处,6.3升温还原
向反应器内通入氢微混合气「氢气为25(以体积分数计):其余为氮气].空速为1009h!,系统压力为常压。按表2的条件进行升温还原。表 2 催化剂升温还原条件
室温~150
150--200
200--17
6.4活性及选择性的测定
升温速率
「然降温
所需时间
还原结桌后,切断氮气:控制氢流量为3:09m1L/nuit。启动平流录,将苯送人温度约200%的汽化器中,完全汽化后进人反应器。控制调节反应器压力为3.0MP、活性测定温度为170、(
KAOiKAca
HG/T 5033--2016
波空速为2心h1。打开液分离器口阀,将体排净后关闭阅门:待试验条件稳宠21后。每隔2h收集一次分离产物,对琴和坏己烷进行分析,当连续3次苯转化率的极差值和坏己烷选择性的极差值均不大于0.05终时,以结束试验6.5停车
试验结束店,切断系统的电源,关闭原料总阀,系统排气降压,同时排放气筱分离器中的冷凝物。
7苯、环己烷质量分数的测定
7.1色谱操作条件
色谱柱:DR·WAX3℃mE细柱:
杜温度:69 :
检测器温度:200
汽化温度:150℃
载气(lle)流速:67 n:l/min:分流比:29:1;
7.2样品测定
以6。所收集的分离产物为被测样品,用微注射器吸取.叫I样品,润人包谱仪、测苯和环记烧峰面积,以叮化法进行定量。7.3结果计算
7.3.1活性
化剂活性以苯转化率E计,按公式(1)计算:E--\2×100 %
原料中苯的质量分数,以%表示:产物中苯的质量分数:以表示。(1)
取3次连续测定结果的算术平均值作为测定结果,3次连续测定结果的极差值应不大于0.05%。7. 3.2选择性
环己烷选摔性Y,按公式(2)计算:Y= Ino
式中:
产物中环己烷的压量分数以表示!一一原料中环己烧的质量分数,以表尔;—原料中苯的质量分数,以表示;t
产物中苯的质是分数,以表示。(2)
取3次连续测定结果的算术平均作为测定结架。3次连续测定结果的被差估应不人于0.05tH)
YKAONiKAca
A.1装填
附录A
【规范性附录’
反应器等温区长度的测定
HG/T5033—2016
在反应器底部垫层不锈钢丝网,装满$3nm3mm的瓷环,敲实,紧封头螺丹,将反应器接到活性试验装置中,试斥、试溺至合格:间热电偶套管内人热电偏。A.2测定步骤
向反应器内通人原料气并升温,将温度、力、空速及原料气体积比控制在催化剂活性试验的条件下,待条件稳定2h后开始测定等温区:其体按下列步骤进行:孔)将热电偶插入反应器热电偶套管内的适当位置,记下热电偶插人反成器热电偏套管内的长度和相应的温度(即原点处的温度)。将热电沿反应器热电偶套管间外拉,每拉出10mm,等待min~-3nir,记录稳定后的温度:点至温度和差以为正。随后再将热电偶向套管内插入,方法同上:占到热电偶插到原点位置为测定·次,按上述步骤重复浏定次,取两次测定的共同区间为该温度下等温区。h)将反应器温度升至200℃恒敲,待条件稳定2hi:按a)的步骤测定200:下的等温区。)取170和200的其同区间作为该反应器的等温区,该区间长度即为反应器等温区长度单位为 等温区内的温度差值成不大于1℃.等温[x度应不小于90 nm若所测量温度显示不出等温区,需将反应需拆下,调整电炉丝的疏密位置,然后重测等温文,A.3等温区的确定
根据测得的等温区长度确定反应底部装旗瓷环的高度和催化剂试料装填高度,计算比热电偶的插人长度,
KAONiKAca
HG/T 5033—2016
B.1试样的堆积
附录B
【规范性附录】
催化剂堆积密度的测定
将适量的试样(见5.2)分成若于份,依次加人250ИL量筒内,每加一次均需将尺筒上下振动若下次,直牟试样在尺简内的位置不变为振实,反复操作,占至振实的试样量为100nl,死.2试样的称量
称尺振实的100ml.试样的质低,精确至0.1g:R.3堆积密度的计算
催化剂堆积密度,数值以克毫升(gm.)表示,按公式(BI)计算:!—W:
25ml.最筒和10cml试样的质量的效侦,单位为克(g):250ml.些简的质量的数值.单位为克(g);一试样的体积的数值,单位为寇理(m,)。结果保留位有效数学。
取两次平行测定结果的算术均估作为测定结果,卵行测定结果的绝剂差值应不大于2.06
小提示:此标准内容仅展示完整标准里的部分截取内容,若需要完整标准请到上方自行免费下载完整标准文档。
备案号:56394—2016
中华人民共和国化工行业标准
HG/T 5033—2016
铂系苯加氢制环己烷催化剂
活性试验方法
Test method of activity
for platinum series gas phase benzcnc hydrogenation catalysts2016-10-22发布
2017-04-01实施
中华人民共利国工业和信息化部发布前言
本标准按照(G13/T1.12009 给出的规则起草本标准出中国石油和化学工业联合会提出。HG/T5033—2016
本标准由金国化学标准化技术委员会化.T催化剂分技术委员会(SAC/TC63/SCtO)归ET。本标起草单位:南化集闭研究院、江苏省产品质量监督检验研究院,本标准主娶起草人:李忠丁、苏玉倩、墓琴、陈延浩、陆建国,1范围
铂系苯加氢制环已烷催化剂活性试验方法标准现定了铂系苯加氯制环己烷催化剂活性试验方法HG/T5033—2016
本标准适用于以铂为主要活性组分,主要爪]以苯或含苯的有机物为原料制环已烷的铂系米加氧催化剂。
2规范性引用文件
下列文件对于本文件的应用是必不可少的,凡是注日期的引用文件,仅注日期的版本适用于本义件:凡是不注日期的引用文件,其最新版本(位括所有的修改单)适爪下和文件(F13/16003.1试验筛技术要求和检验第1部分:金属丝编织网试验饰GB/T6678化T产品采样总则
3原理
苯在定温度、压力及催化剂作川下与氯气反应生成环已烧。其化学反应方程式茹下:sT
2t. aJ taut
通过测定反应前后举和坏已烷的质量分数计算比其米转化率即活性和坏已烷选择性,以此表征催化剂的催化性能
4试验装置
4.1流程
铂系苯卵氢制环已烷催化剂活性及选择性试验装置示意图见图!,633
KAONIKAca
HG/T5033—2016
说明:
钢瓶(H)
钢瓶(N);
稳压阀:
过滤器:
干燥辟:
质证流量计;
中闲:
平流泵:
汽化器;
两热扩;
反应路:
冷凝器:
气液分离器:
湿或气体流世计
图1铂系苯加氢制环已烷催化剂活性及选择性试验装置示意图4.2主要性能
铂系苯加氛制坏己烷催化剂活性及选择性试验装置让要性能设计参数贴表1.表1
反应器中反应管规格/mm
反应器等混x长度\in[l
最高使用低力MP
最高使用温度/~
行(披差值坚
复现(段杭)
活性及选择性试验装置主要性能设计参数标
反湿器等源风长度的测定按谢录A的规定4.3校验
正常情说下,试验装置的半行性、复现性每年川参考样或保留样至少测定-次,其测定方法接第6 章和第 7 章的规定。bzxz.net
TYKAONiKAca
5采样
5.1实验室样品
1IG/T5033—2016
控(/16678的规定确定州群桶数,从随机选定的每个桶中取出不少」50ml.样品。将取得的样品充分混合均勺,以四分法缩分成「1.的样量装人样品瓶内,密村。5.2试样
取适量实验室样品,用孔径为2.8mm的试验筛(符合GB/T6003.1中R40/3系列)筛去粉尘,碎粒,按附录B的规定测定其堆积密度。5.3试料
根据试样的堆积密度称取30nl.对应质量的试样,精确至(.」g,待用。6试验步骤
6.1试料的装填
在反应器的反应管底部垫一层不锈钢丝网、将处理上净的瓷环($3mm×3mm)装入反应管内。敲实填充至测定等温区时所确定的位置,再在瓷环上加一层不锈钢丝网,将催化剂试料(见5.3)分次小心例人反应管内,轻轻敲击管壁使催化剂床层装填紧密。测员其继化剂床层的装填高度。然后加1层不锈钢丝:用瓷环填充至管口。扩紧反应器螺,将反应器接入试验系统。6.2试漏
打开氮气总阀,尚系统内通入氮气,稳定在3.0MPa。关闭系统进、出口阀门,如在0.5h内压力下降小于0.1MP,则视为系统密封,打开系统出口阀,使系统降至常压。将测温热电偶插人热电僧套管内,使其热端位于气体入口催化剂床层界面处,6.3升温还原
向反应器内通入氢微混合气「氢气为25(以体积分数计):其余为氮气].空速为1009h!,系统压力为常压。按表2的条件进行升温还原。表 2 催化剂升温还原条件
室温~150
150--200
200--17
6.4活性及选择性的测定
升温速率
「然降温
所需时间
还原结桌后,切断氮气:控制氢流量为3:09m1L/nuit。启动平流录,将苯送人温度约200%的汽化器中,完全汽化后进人反应器。控制调节反应器压力为3.0MP、活性测定温度为170、(
KAOiKAca
HG/T 5033--2016
波空速为2心h1。打开液分离器口阀,将体排净后关闭阅门:待试验条件稳宠21后。每隔2h收集一次分离产物,对琴和坏己烷进行分析,当连续3次苯转化率的极差值和坏己烷选择性的极差值均不大于0.05终时,以结束试验6.5停车
试验结束店,切断系统的电源,关闭原料总阀,系统排气降压,同时排放气筱分离器中的冷凝物。
7苯、环己烷质量分数的测定
7.1色谱操作条件
色谱柱:DR·WAX3℃mE细柱:
杜温度:69 :
检测器温度:200
汽化温度:150℃
载气(lle)流速:67 n:l/min:分流比:29:1;
7.2样品测定
以6。所收集的分离产物为被测样品,用微注射器吸取.叫I样品,润人包谱仪、测苯和环记烧峰面积,以叮化法进行定量。7.3结果计算
7.3.1活性
化剂活性以苯转化率E计,按公式(1)计算:E--\2×100 %
原料中苯的质量分数,以%表示:产物中苯的质量分数:以表示。(1)
取3次连续测定结果的算术平均值作为测定结果,3次连续测定结果的极差值应不大于0.05%。7. 3.2选择性
环己烷选摔性Y,按公式(2)计算:Y= Ino
式中:
产物中环己烷的压量分数以表示!一一原料中环己烧的质量分数,以表尔;—原料中苯的质量分数,以表示;t
产物中苯的质是分数,以表示。(2)
取3次连续测定结果的算术平均作为测定结架。3次连续测定结果的被差估应不人于0.05tH)
YKAONiKAca
A.1装填
附录A
【规范性附录’
反应器等温区长度的测定
HG/T5033—2016
在反应器底部垫层不锈钢丝网,装满$3nm3mm的瓷环,敲实,紧封头螺丹,将反应器接到活性试验装置中,试斥、试溺至合格:间热电偶套管内人热电偏。A.2测定步骤
向反应器内通人原料气并升温,将温度、力、空速及原料气体积比控制在催化剂活性试验的条件下,待条件稳定2h后开始测定等温区:其体按下列步骤进行:孔)将热电偶插入反应器热电偶套管内的适当位置,记下热电偶插人反成器热电偏套管内的长度和相应的温度(即原点处的温度)。将热电沿反应器热电偶套管间外拉,每拉出10mm,等待min~-3nir,记录稳定后的温度:点至温度和差以为正。随后再将热电偶向套管内插入,方法同上:占到热电偶插到原点位置为测定·次,按上述步骤重复浏定次,取两次测定的共同区间为该温度下等温区。h)将反应器温度升至200℃恒敲,待条件稳定2hi:按a)的步骤测定200:下的等温区。)取170和200的其同区间作为该反应器的等温区,该区间长度即为反应器等温区长度单位为 等温区内的温度差值成不大于1℃.等温[x度应不小于90 nm若所测量温度显示不出等温区,需将反应需拆下,调整电炉丝的疏密位置,然后重测等温文,A.3等温区的确定
根据测得的等温区长度确定反应底部装旗瓷环的高度和催化剂试料装填高度,计算比热电偶的插人长度,
KAONiKAca
HG/T 5033—2016
B.1试样的堆积
附录B
【规范性附录】
催化剂堆积密度的测定
将适量的试样(见5.2)分成若于份,依次加人250ИL量筒内,每加一次均需将尺筒上下振动若下次,直牟试样在尺简内的位置不变为振实,反复操作,占至振实的试样量为100nl,死.2试样的称量
称尺振实的100ml.试样的质低,精确至0.1g:R.3堆积密度的计算
催化剂堆积密度,数值以克毫升(gm.)表示,按公式(BI)计算:!—W:
25ml.最筒和10cml试样的质量的效侦,单位为克(g):250ml.些简的质量的数值.单位为克(g);一试样的体积的数值,单位为寇理(m,)。结果保留位有效数学。
取两次平行测定结果的算术均估作为测定结果,卵行测定结果的绝剂差值应不大于2.06
小提示:此标准内容仅展示完整标准里的部分截取内容,若需要完整标准请到上方自行免费下载完整标准文档。
标准图片预览:





- 热门标准
- 行业标准
- HG/T3514-1999 分散剂 WA
- HG/T21519-2005 垂直吊盖板式平焊法兰人孔
- HG/T20701.9-2000 容器、换热器和特殊设备专业工程设计规定编制说明
- HG/T3029-1999 乙酸纤维素模塑时粘度下降测定方法
- HG3024-1989 照相能对苯二酚
- HG20234-1993 化工建设项目进口设备、材料检验大纲
- HG/T2110-1991 翻胎硫化机
- HG/T2992-198297 直接铜盐蓝2R(原GB/T 1649-1982)
- HG/T2230-2006 水处理剂 十二烷基二甲基苄基氯化铵
- HG/T20505-2000 过程测量与控制仪表的功能标志及图形符号(附条文说明)
- HG/T20570.18-1995 阀门的设置
- HG/T21579-1995 聚丙烯/玻璃钢(PP/FRP)复合管及管件
- HG2958.5-1988 天青石矿石中硅含量的测定 钼蓝分光光度法
- HG/T3117-1998 耐酸陶瓷容器
- HG/T3921-2006 化学试剂 采样及验收规则
- 行业新闻
请牢记:“bzxz.net”即是“标准下载”四个汉字汉语拼音首字母与国际顶级域名“.net”的组合。 ©2025 标准下载网 www.bzxz.net 本站邮件:bzxznet@163.com
网站备案号:湘ICP备2025141790号-2
网站备案号:湘ICP备2025141790号-2