- 您的位置:
- 标准下载网 >>
- 标准分类 >>
- 国家标准(GB) >>
- GB∕T 33313-2016 儿童雨靴(鞋)
标准号:
GB∕T 33313-2016
标准名称:
儿童雨靴(鞋)
标准类别:
国家标准(GB)
标准状态:
现行出版语种:
简体中文下载格式:
.rar .pdf下载大小:
部分标准内容:
ICS 61.060
中华人民共和国国家标准
GB/T 33313--2016
儿童雨靴(鞋)
Children's rain boots(shoes)2016-12-13发布
中华人民共和国国家质量监督检验检疫总局中国国家标准化管理委员会
2017-07-01实施
本标准按照GB/T1.1-—2009给出的规则起草。本标准由中国石油和化学工业联会提出。GB/T33313--2016
本标准出全国橡胶与橡胶制品标准化技术委员会胶鞋分技术委员会(SAC/TC35/SC9)归口。本标准起常单位:福建省荫田市欣达鞋业有限公司、青岛环球集团股份有限公司、三六一度(中国)有限公司、上海同力鞋业有限公司、莆田出人境检验检疫局综合技术服务中心、台州宝利特鞋业有限公司、远宏(福建)实业有限公司、茂泰(福建)鞋材有限公司、福建泉州匹克体育用品有限公司。本标准主要起草人:戴建辉、唐振华、马燕红、唐朝阳、马庆华、孙旭、林伟、陈卫军、陈绍华、张志雷、徐美机、陈继东、李华伟、罗显发。1范围
儿童雨靴 (鞋)
GB/T 33313--2016
本标谁规定了儿童雨靴(鞋)的术语和定义、分类、要求,试验方法、检验规则、标志、包装、运输和贮存。
本标准适用于以橡胶或其他聚合物为主要材料制成的,供儿童穿用的雨靴(鞋)。2规范性引用文件
下列文件对于术文件的应用是必不可少的。凡是注日期的引用文件,仅注日期的版本适用于本文件。凡是不注日期的引用文件,其最新版本(包括所有的修改单)适用于本文件。GB/T528—2009硫化橡胶或热塑性橡胶拉伸应力应变性能的测定GB/T531.1—2008硫化橡胶或热塑性橡胶压人硬度试验方法第1部分:邵氏硬度计法(邵尔硬度)
GB/T1689:·2014硫化橡胶耐磨性能的测定(用阿克隆磨耗试验机)GB/T2941—2006橡胶物理试验方法试样制备和调节通用程序GB/T3293.1鞋号
GB6675.2·-2014玩具安金第2部分:机械与物理性能GB/T21396—2008鞋类成鞋试验方法帮底粘合度GB25038胶鞋键康安全技术规范
HG/T2198—2011硫化橡胶物现试验方法的一般要求HG/T2403胶鞋检验规则、标志、包装、运输、贮存HG/T36642015胶面胶靴(鞋)耐渗水试验方法鞋类耐黄变试验方法
HG/T 3689—2014
HG/T378020051
鞋类静态防滑性能试验方法
HG/T4805--2015胶鞋胶制部件与织物粘合强度的测定3术语和定义
下列术语和定义适用于本文件。3.1
底板厚度base thickness
外底扣除花纹后最薄的厚度(见图1)。底板导度
图 1底板厚度示意图
KAONiKAca
GB/T 33313-2016
4分类
4.1雨靴
鞋口在脚踝以上的丽天或防水穿用的鞋。4.2雨鞋
鞋口在脚踝以下的天或防水穿用的鞋。5要求
5.1 鞋号型号
鞋号、型号符合GB/F3293.1的要求。5.2物理安全性能
物理安全性能应符合表1规定,
物理安全性能要求
检验部位
外底(前学)
物理性能
断针检测
可触及的锐利边缘(鞋上装饰件等部件)可触及的锐利尖端(上装饰件等部件))防滑性能(湿式)
物理性能要求应符合表2规定。
表 2物理性能要求
检验部位
批(鞋)面
靴(鞋)面与鞋型布
懋帮与底\
白色或浅色部件
,注射雨靴(鞋)不测该项日。
拉伸强度/MPa
抗断独长率/%
硬度/ShareA
磨耗最/cm
漆膜伸长率/%
粘合强度/(N/mm)
粘合强度/(N/mm)
耐黄变性能/级
不应检出
不应有
不应有
KAONiKAca
5.4健康安全性能
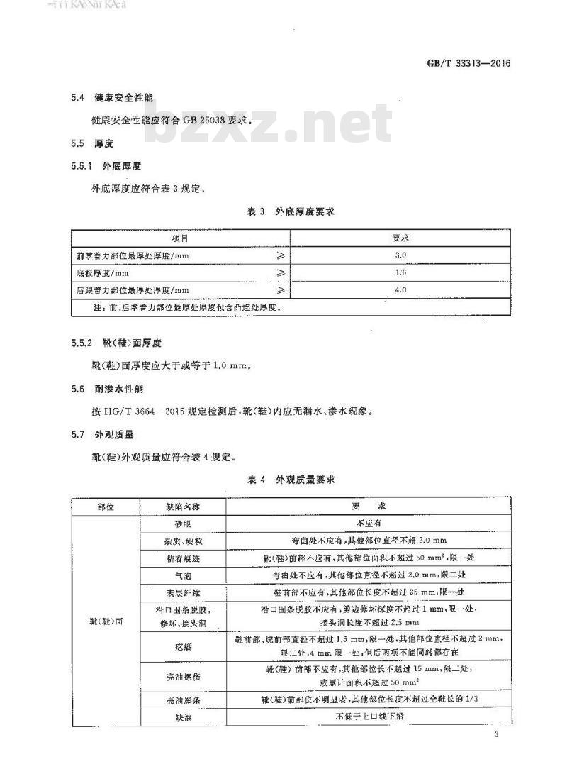
健康安金性能应符合GB25038要求。5.5厚度
5.5.1外底厚度
外底厚度应符合表3规定,
表 3外底厚度要求
前学着力部位最厚处厚度/mm
底板原度/tnn
后跟若力部位最厚处厚度/mm
注:前、后掌着力部位最厚处厚斑包含凸起处厚度。5.5.2
靴(鞋)面厚度
靴(鞋)面厚度应大于或等于 1.0 mm,5.6耐渗水性能
按HG/T36642015规定检测后,靴(鞋)内应无漏水、渗水现象。5.7外观质量
靴(鞋)外观质量应符合表4规定。表4外观质量要求
靴(鞋)面
缺陷名称
杂质、硬粒
粘着痕迹
表层纤维
沿口围脱胶,
修坏、接头洞
亮油擦伤
亮油影条
不应有
GB/T 33313—2016
弯曲处不应有,其他部位直径不超2.0mm靴(鞋)前部不应有,其他部位面积不超过50mm,限处弯曲处不应有,其他部位直径不超过2.0mm,限二处鞋前郝不应有,其他部位长度不过25mm,限处沿口围条脱胶不应有,剪边修坏深度不超过1mm,限一处,接头洞长度不超过2.5mm
鞋前部、统前部直径不超过1.5mm,限一处,其他部位直径不超过2mm,限:二处,4 mn 限一处,但后两项不能同时都存在靴(鞋)前部不应有,其他部位长不超过15 mm,限二处,或累计而积不超过50mm
靴(鞋)前部位不明显者,其他部位长度不翅过全鞋长的1/3不低于 E口线\下沿
KAONiKAca
GB/T 33313—2016
缺陷名称
与靴(鞋)雨脱壳
破菏开线
(鞋)里布
内底布
庶后跟
靴(鞋)
与内底脱尧
亞斜脱空
高低不平
与外脱壳
与外腐弹开
切边气孔
砂粒杂质气泡
粘着症迹
切边气孔
外底后跟花纹长短
统口高低不乎
表4(续)
累计面积不超过400mm,但不推案小于统口处直径不超过 6 m,限一处,开线长度不超过 8 tt,限一处果计面积不超过 600mm
不应有
长度不超过统四周长1/2,深度不过25mm累计面积不超过300 mm
累计面积不超过 100 mm
边缘脱空不超过 6 mm
高或低不超过2 mm,限三处
累计面积不超过200 mm
不应有
直径不超过1.5mm,限四处
不应有
弯曲处不应有,其部位言径不超过3 m,限二处,高或深度不超过外底厚度1/3
面积不超过 400 mm2,限一处,花纹基本清晰直径不超过 2 rmm,限四处
同效靴(鞋)差距不超过4mm
同双靴上口处高低差不超过5mm
不应有
注:表中未列入的质量缺陷,按表中类似项目处理,严重影响美观或穿若的应为不合格品,6试验方法
物理安全性能
断针检测.用金属检测仪(灵度为1.2 mm)进行检测。可触及锐利边缘的测试,按GB6675.2—2014中5.8规定执行。可触及锐利尖端的測试,按GB6675.2—2014中5.9规定执行。外底防滑性能按HG/T3780—2005中8.2规定执行。物理性能
橡胶物理性能试验方法的一般要求橡胶物理性能试验方法的一般要求按HG/T2198一2011的规定执行,其巾成品试样取样可顺外底长度方向裁取,
-TYKAONIKAca
6,2,2试验条件
GB/T 33313—2016
橡胶试样停放和试验的标准温度、湿度和时问按GB/T2941一2006的规定执行,其中试验前放置时间不应少于 6 h。
6.2.3拉伸性能,拉断伸长率
按GB/T528—一2009规定执行,试样形状规定为I型哑铃状。若从成品上无法制取厚度达到测试方法标准要求的试样时,按试样实际厚度试验,但需在试验报告中注明。6.2.4硬度
按GB/T531.1··2008规定执行,如试片厚度达不到要求时,可多层重叠直至达到试验厚度要求。6,2.5磨耗是
按GB/T1689一2014规定执行。应保证磨面为外底差地面,试片长度不够时,应顺外底方向搭接,若从成品上无法制取厚度达到测试方法标准要求的试样时,按试样实际厚度试验,但需在试验报告中注明。
6.2.6漆膜伸长率
按附录A规定执行。
6.2.7粘合强度
6.2.7.1靴(鞋)面与鞋里布粘合强度按HG/T4805一2015规定执行。试样取片位置:鞋取两腮,靴取两侧的纵向,各取一个样,有效宽度为(10士0.5)mm,长为100mm~200mm,沿试样在有效宽度将试样割透至40mm~50mm长(即试样有效试验长度),再用小刀沿试样一端将鞋里和鞋面剥开约20mm。6.2.7.2鞋帮与鞋底粘合强度
按GB/T21396—2008规定行。
6.2.8耐黄变性能
白色或浅色部件耐黄变性能按HG/T3689—2014中A方法规定执行,试验时间为6h。6.3健廉安全性能
按 GB25038规定执行。bZxz.net
6.4厚度
6.4.1外底厚度
从样品靴(鞋)上切取鞋底,切除鞋底的边缘部分,剥离内底和中底,以炭得外底胶片,沿外底胶片织向中心轴线解剖,用游标卡尺分别测量前掌着力处、后跟着力处和底板厚度最薄处的厚度,所得数据取最小值,保小数点后一位。
6.4.2鞋面厚度
从样品靴(鞋)的鞋帮上剪取一坎试样,刺除鞋里等其他材料,得到快鞋面。用橡胶测厚仪测鞋面5
KAOiKAca
GB/T33313—2016
厚度,所得数据取最小值,保南小数点店一位。6.5耐渗水性能
按HG/T3664—2015规定执行。
6.6外观质盘
外观质量检验应在光线充足,避免阳光直射的场所进行,检验力法以目测为主,必要时可使用量具或其他有效手段。
检验规则、标志、包装、运输、购存检验规则、标志、包装、运输、贮存按HG/T2403规定执行。6
rKAONiKAca
A.1设备
附录A
(规范性附录)
漆膜伸长率的测定
GB/T33313—2016
拉力机。有恒定拉伸速度,能指示或最好能记录试样断裂时所施加的最大负荷。试验机的2个夹具的中心线与拉力方向应重合,夹具的正面边沿垂直于拉力的方问,2个夹持面在同-平面上,夹持试样时,既不使试样滑动,又不割伤和磨损试样,夹具应略宽于试样。拉押时夹具的速度为100mm/min+10 mm/min.
A.2试样
切取长为120mm~125mm,宽为(10士0.2)mm厚为原成品厚度的试片,并在试片上标上问距为(100士0.5)mm的两条标线。
A.3试验步骤
调整拉力机夹持器之间的距离为100mm后,将试样准确地按标线夹在夹持器下,夹持器运行速度为(100士10)mm/min,当试片仲长至漆膜呈现辉浊现象,并有第一裂口出现时试验结束。A.4结果表示
漆膜仲长率E(%)按式(A.1)计算:E=4=L ×100%
式中:
F漆膜伸长率;
L。.试片原标线间的距离,单位为毫米(mm);L,一漆膜出现第一个裂口时,试片标线的距离,单位为毫米(mm)。...( A.1)
每双靴(鞋)做两条试片,取两次试验的算术平均值为最终试验结果。两个试样结果与平均值的差异成在士10%以内,香则应重新进行试验。
小提示:此标准内容仅展示完整标准里的部分截取内容,若需要完整标准请到上方自行免费下载完整标准文档。
中华人民共和国国家标准
GB/T 33313--2016
儿童雨靴(鞋)
Children's rain boots(shoes)2016-12-13发布
中华人民共和国国家质量监督检验检疫总局中国国家标准化管理委员会
2017-07-01实施
本标准按照GB/T1.1-—2009给出的规则起草。本标准由中国石油和化学工业联会提出。GB/T33313--2016
本标准出全国橡胶与橡胶制品标准化技术委员会胶鞋分技术委员会(SAC/TC35/SC9)归口。本标准起常单位:福建省荫田市欣达鞋业有限公司、青岛环球集团股份有限公司、三六一度(中国)有限公司、上海同力鞋业有限公司、莆田出人境检验检疫局综合技术服务中心、台州宝利特鞋业有限公司、远宏(福建)实业有限公司、茂泰(福建)鞋材有限公司、福建泉州匹克体育用品有限公司。本标准主要起草人:戴建辉、唐振华、马燕红、唐朝阳、马庆华、孙旭、林伟、陈卫军、陈绍华、张志雷、徐美机、陈继东、李华伟、罗显发。1范围
儿童雨靴 (鞋)
GB/T 33313--2016
本标谁规定了儿童雨靴(鞋)的术语和定义、分类、要求,试验方法、检验规则、标志、包装、运输和贮存。
本标准适用于以橡胶或其他聚合物为主要材料制成的,供儿童穿用的雨靴(鞋)。2规范性引用文件
下列文件对于术文件的应用是必不可少的。凡是注日期的引用文件,仅注日期的版本适用于本文件。凡是不注日期的引用文件,其最新版本(包括所有的修改单)适用于本文件。GB/T528—2009硫化橡胶或热塑性橡胶拉伸应力应变性能的测定GB/T531.1—2008硫化橡胶或热塑性橡胶压人硬度试验方法第1部分:邵氏硬度计法(邵尔硬度)
GB/T1689:·2014硫化橡胶耐磨性能的测定(用阿克隆磨耗试验机)GB/T2941—2006橡胶物理试验方法试样制备和调节通用程序GB/T3293.1鞋号
GB6675.2·-2014玩具安金第2部分:机械与物理性能GB/T21396—2008鞋类成鞋试验方法帮底粘合度GB25038胶鞋键康安全技术规范
HG/T2198—2011硫化橡胶物现试验方法的一般要求HG/T2403胶鞋检验规则、标志、包装、运输、贮存HG/T36642015胶面胶靴(鞋)耐渗水试验方法鞋类耐黄变试验方法
HG/T 3689—2014
HG/T378020051
鞋类静态防滑性能试验方法
HG/T4805--2015胶鞋胶制部件与织物粘合强度的测定3术语和定义
下列术语和定义适用于本文件。3.1
底板厚度base thickness
外底扣除花纹后最薄的厚度(见图1)。底板导度
图 1底板厚度示意图
KAONiKAca
GB/T 33313-2016
4分类
4.1雨靴
鞋口在脚踝以上的丽天或防水穿用的鞋。4.2雨鞋
鞋口在脚踝以下的天或防水穿用的鞋。5要求
5.1 鞋号型号
鞋号、型号符合GB/F3293.1的要求。5.2物理安全性能
物理安全性能应符合表1规定,
物理安全性能要求
检验部位
外底(前学)
物理性能
断针检测
可触及的锐利边缘(鞋上装饰件等部件)可触及的锐利尖端(上装饰件等部件))防滑性能(湿式)
物理性能要求应符合表2规定。
表 2物理性能要求
检验部位
批(鞋)面
靴(鞋)面与鞋型布
懋帮与底\
白色或浅色部件
,注射雨靴(鞋)不测该项日。
拉伸强度/MPa
抗断独长率/%
硬度/ShareA
磨耗最/cm
漆膜伸长率/%
粘合强度/(N/mm)
粘合强度/(N/mm)
耐黄变性能/级
不应检出
不应有
不应有
KAONiKAca
5.4健康安全性能
健康安金性能应符合GB25038要求。5.5厚度
5.5.1外底厚度
外底厚度应符合表3规定,
表 3外底厚度要求
前学着力部位最厚处厚度/mm
底板原度/tnn
后跟若力部位最厚处厚度/mm
注:前、后掌着力部位最厚处厚斑包含凸起处厚度。5.5.2
靴(鞋)面厚度
靴(鞋)面厚度应大于或等于 1.0 mm,5.6耐渗水性能
按HG/T36642015规定检测后,靴(鞋)内应无漏水、渗水现象。5.7外观质量
靴(鞋)外观质量应符合表4规定。表4外观质量要求
靴(鞋)面
缺陷名称
杂质、硬粒
粘着痕迹
表层纤维
沿口围脱胶,
修坏、接头洞
亮油擦伤
亮油影条
不应有
GB/T 33313—2016
弯曲处不应有,其他部位直径不超2.0mm靴(鞋)前部不应有,其他部位面积不超过50mm,限处弯曲处不应有,其他部位直径不超过2.0mm,限二处鞋前郝不应有,其他部位长度不过25mm,限处沿口围条脱胶不应有,剪边修坏深度不超过1mm,限一处,接头洞长度不超过2.5mm
鞋前部、统前部直径不超过1.5mm,限一处,其他部位直径不超过2mm,限:二处,4 mn 限一处,但后两项不能同时都存在靴(鞋)前部不应有,其他部位长不超过15 mm,限二处,或累计而积不超过50mm
靴(鞋)前部位不明显者,其他部位长度不翅过全鞋长的1/3不低于 E口线\下沿
KAONiKAca
GB/T 33313—2016
缺陷名称
与靴(鞋)雨脱壳
破菏开线
(鞋)里布
内底布
庶后跟
靴(鞋)
与内底脱尧
亞斜脱空
高低不平
与外脱壳
与外腐弹开
切边气孔
砂粒杂质气泡
粘着症迹
切边气孔
外底后跟花纹长短
统口高低不乎
表4(续)
累计面积不超过400mm,但不推案小于统口处直径不超过 6 m,限一处,开线长度不超过 8 tt,限一处果计面积不超过 600mm
不应有
长度不超过统四周长1/2,深度不过25mm累计面积不超过300 mm
累计面积不超过 100 mm
边缘脱空不超过 6 mm
高或低不超过2 mm,限三处
累计面积不超过200 mm
不应有
直径不超过1.5mm,限四处
不应有
弯曲处不应有,其部位言径不超过3 m,限二处,高或深度不超过外底厚度1/3
面积不超过 400 mm2,限一处,花纹基本清晰直径不超过 2 rmm,限四处
同效靴(鞋)差距不超过4mm
同双靴上口处高低差不超过5mm
不应有
注:表中未列入的质量缺陷,按表中类似项目处理,严重影响美观或穿若的应为不合格品,6试验方法
物理安全性能
断针检测.用金属检测仪(灵度为1.2 mm)进行检测。可触及锐利边缘的测试,按GB6675.2—2014中5.8规定执行。可触及锐利尖端的測试,按GB6675.2—2014中5.9规定执行。外底防滑性能按HG/T3780—2005中8.2规定执行。物理性能
橡胶物理性能试验方法的一般要求橡胶物理性能试验方法的一般要求按HG/T2198一2011的规定执行,其巾成品试样取样可顺外底长度方向裁取,
-TYKAONIKAca
6,2,2试验条件
GB/T 33313—2016
橡胶试样停放和试验的标准温度、湿度和时问按GB/T2941一2006的规定执行,其中试验前放置时间不应少于 6 h。
6.2.3拉伸性能,拉断伸长率
按GB/T528—一2009规定执行,试样形状规定为I型哑铃状。若从成品上无法制取厚度达到测试方法标准要求的试样时,按试样实际厚度试验,但需在试验报告中注明。6.2.4硬度
按GB/T531.1··2008规定执行,如试片厚度达不到要求时,可多层重叠直至达到试验厚度要求。6,2.5磨耗是
按GB/T1689一2014规定执行。应保证磨面为外底差地面,试片长度不够时,应顺外底方向搭接,若从成品上无法制取厚度达到测试方法标准要求的试样时,按试样实际厚度试验,但需在试验报告中注明。
6.2.6漆膜伸长率
按附录A规定执行。
6.2.7粘合强度
6.2.7.1靴(鞋)面与鞋里布粘合强度按HG/T4805一2015规定执行。试样取片位置:鞋取两腮,靴取两侧的纵向,各取一个样,有效宽度为(10士0.5)mm,长为100mm~200mm,沿试样在有效宽度将试样割透至40mm~50mm长(即试样有效试验长度),再用小刀沿试样一端将鞋里和鞋面剥开约20mm。6.2.7.2鞋帮与鞋底粘合强度
按GB/T21396—2008规定行。
6.2.8耐黄变性能
白色或浅色部件耐黄变性能按HG/T3689—2014中A方法规定执行,试验时间为6h。6.3健廉安全性能
按 GB25038规定执行。bZxz.net
6.4厚度
6.4.1外底厚度
从样品靴(鞋)上切取鞋底,切除鞋底的边缘部分,剥离内底和中底,以炭得外底胶片,沿外底胶片织向中心轴线解剖,用游标卡尺分别测量前掌着力处、后跟着力处和底板厚度最薄处的厚度,所得数据取最小值,保小数点后一位。
6.4.2鞋面厚度
从样品靴(鞋)的鞋帮上剪取一坎试样,刺除鞋里等其他材料,得到快鞋面。用橡胶测厚仪测鞋面5
KAOiKAca
GB/T33313—2016
厚度,所得数据取最小值,保南小数点店一位。6.5耐渗水性能
按HG/T3664—2015规定执行。
6.6外观质盘
外观质量检验应在光线充足,避免阳光直射的场所进行,检验力法以目测为主,必要时可使用量具或其他有效手段。
检验规则、标志、包装、运输、购存检验规则、标志、包装、运输、贮存按HG/T2403规定执行。6
rKAONiKAca
A.1设备
附录A
(规范性附录)
漆膜伸长率的测定
GB/T33313—2016
拉力机。有恒定拉伸速度,能指示或最好能记录试样断裂时所施加的最大负荷。试验机的2个夹具的中心线与拉力方向应重合,夹具的正面边沿垂直于拉力的方问,2个夹持面在同-平面上,夹持试样时,既不使试样滑动,又不割伤和磨损试样,夹具应略宽于试样。拉押时夹具的速度为100mm/min+10 mm/min.
A.2试样
切取长为120mm~125mm,宽为(10士0.2)mm厚为原成品厚度的试片,并在试片上标上问距为(100士0.5)mm的两条标线。
A.3试验步骤
调整拉力机夹持器之间的距离为100mm后,将试样准确地按标线夹在夹持器下,夹持器运行速度为(100士10)mm/min,当试片仲长至漆膜呈现辉浊现象,并有第一裂口出现时试验结束。A.4结果表示
漆膜仲长率E(%)按式(A.1)计算:E=4=L ×100%
式中:
F漆膜伸长率;
L。.试片原标线间的距离,单位为毫米(mm);L,一漆膜出现第一个裂口时,试片标线的距离,单位为毫米(mm)。...( A.1)
每双靴(鞋)做两条试片,取两次试验的算术平均值为最终试验结果。两个试样结果与平均值的差异成在士10%以内,香则应重新进行试验。
小提示:此标准内容仅展示完整标准里的部分截取内容,若需要完整标准请到上方自行免费下载完整标准文档。
标准图片预览:





- 热门标准
- 国家标准
- GB∕T22777-2019 数码信息历
- GB/T43831-2024 棉及化纤纯纺、混纺本色布检验、标志与包装
- GB/T42639-2023 潮间带调查规范
- GB/T43749-2024 微束分析 电子探针显微分析 无水碳酸盐矿物的定量分析方法
- GB15146.2-1994 反应堆外易裂变材料的核临界安全易裂变材料操作、加工、处理的基本技术准则与次临界限值
- GB/T26416.3-2022 稀土铁合金化学分析方法 第3部分:钙、镁、铝、镍、锰量的测定 电感耦合等离子体发射光谱法
- GB/T24496-2009 钢筋混凝土大板间有连接筋并用混凝土浇灌的键槽式竖向接缝 实验室力学试验 平面内切向荷载的影响
- GB/T4701.12-2024 钛铁 钛含量的测定 二安替吡啉甲烷分光光度法
- GB5585.2-1985 电工用铜、铝及其合金母线 第2部分:铜母线
- GB/T39045-2020 行政许可满意度测评指南
- GB/T16606.3-2009 快递封装用品 第3部分:包装袋
- GB/T42459-2023 信息技术 系统间远程通信和信息交换 局域网和城域网 特定要求 站点和媒体访问控制连通性发现
- GB∕T2351-2021 流体传动系统及元件 硬管外径和软管内径
- GB/T39826-2021 精细陶瓷 界面弯曲强度测定 四点弯曲法
- GB/T38691-2020 石油炼制催化剂比表面积测试方法
- 行业新闻
请牢记:“bzxz.net”即是“标准下载”四个汉字汉语拼音首字母与国际顶级域名“.net”的组合。 ©2025 标准下载网 www.bzxz.net 本站邮件:bzxznet@163.com
网站备案号:湘ICP备2025141790号-2
网站备案号:湘ICP备2025141790号-2