- 您的位置:
- 标准下载网 >>
- 标准分类 >>
- 轻工行业标准(QB) >>
- QB/T 1713-1993 提花纸板
标准号:
QB/T 1713-1993
标准名称:
提花纸板
标准类别:
轻工行业标准(QB)
英文名称:
Jacquard paperboard标准状态:
现行-
发布日期:
1993-04-15 -
实施日期:
1994-12-01 出版语种:
简体中文下载格式:
.rar.pdf下载大小:
70.27 KB
中标分类号:
轻工、文化与生活用品>>造纸>>Y31纸浆与纸板
替代情况:
QB 604-1973采标情况:
ГОСТ 3246-1974
点击下载
标准简介:
标准下载解压密码:www.bzxz.net
本标准规定了提花纸板的产品分类、技术要求、试验方法、检验规则和标志、包装、运输、贮存。本标准适用于供纺织工业制造提花机上打孔卡片用的提花纸板。 QB/T 1713-1993 提花纸板 QB/T1713-1993
部分标准内容:
中华人民共和国轻工行业标准
是花纸板
主题内容与适用范围
QB/T 1713-- -1993
本标准规定了提花纸板的产品分类、技术要求、试验方法、检验规则和标志、包装、运输、贮存。本标准适用于供纺织工业制造提花机上打孔卡片用的提花纸板。2引用标准
GB/T450纸和纸板试样的采取
纸和纸板尺寸及偏斜度的测定法GB/T 451.1
GB/T451.2纸和纸板定量的测定法GB/T451.3纸和纸板厚度的测定法GB/T 453
GB/T 459
GB/T 462
纸和纸板抗张强度的测定法(恒速加荷法)纸伸缩性的测定法
纸和纸板水分的测定法
纸和纸板吸水性的测定法(可勃法)GB/T 1540
GB/T2679.3纸和纸板挺度的測定GB/T 2828
GB/T 10342
GB/T 10739
3产品分类
逐批检查计数抽样程序及抽样表(适用于连续批的检查)纸张的包装和标志
试样处理和试验的标准大气bzxz.net
纸浆、纸和纸板
3.1提花纸板按质量分为B等和C等。3.2提花纸板为平板纸板。
4技术要求与试验方法
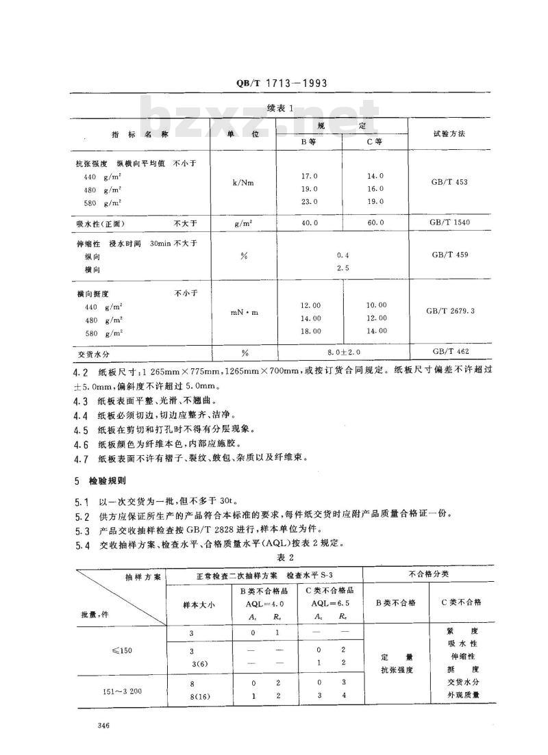
提花纸板的技术指标必须符合表1规定。4.1
指标名称
不小于
中华人民共和国轻工业部1993-04-15批准表1
440±20
480±20
580±20
GB/T 451. 2
GB/T 451.3
试验方法
1993-12-01实施
指标名称
抗张强度纵横向平均值不小于
440g/m2
480g/m2
580g/m2
吸水性(正面)
不大于
伸缩性浸水时间30min不大于
横向挺度
440g/m2
480g/m2
580g/m2
交货水分
不小于
QB/T 1713-1993
续表1
试验方法
GB/T 453
GB/T1540
GB/T459
GB/T 2679. 3
GB/T462
4.2纸板尺寸:1265mm×775mm,1265mm×700mm,或按订货合同规定。纸板尺寸偏差不许超过±5.0mm,偏斜度不许超过5.0mm。4.3纸板表面平整、光滑、不翘曲。纸板必须切边,切边应整齐、洁净。4.4
纸板在剪切和打孔时不得有分层现象。4.5
纸板颜色为纤维本色,内部应施胶。4.6
4.7纸板表面不许有褶子、裂纹、鼓包、杂质以及纤维束。5检验规则
以一次交货为一批,但不多于30t。5.1
供方应保证所生产的产品符合本标准的要求,每件纸交货时应附产品质量合格证一份。5.2
5.3产品交收抽样检查按GB/T2828进行,样本单位为件。5.4交收抽样方案、检查水平、合格质量水平(AQL)按表2规定。表2
抽样方案
批量,件
151~3 200
正常检查二次抽样方案检查水平 S-3B类不合格品
样本大小
C类不合格品
不合格分类
B类不合格
抗张强度
C类不合格
吸水性
伸缩性
交货水分
外观质量
QB/T1713—1993
5.5试样的采取按GB/T450规定进行,试样检查前处理按GB/T10739规定进行。5.6需方有权按本标准进行验收,如对批质量有异议,应在到货后三个月内通知供方共同复验,如不符合本标准的要求,应判为批不合格,由供方负责处理;如符合本标准要求,由需方负责处理。6标志、包装、运输、贮存
6.1纸板的包装和标志按GB/T10342规定进行,并作如下补充:6.1.1纸板每件净重为250kg,或按与用户协商的张数计。6.1.2不同牌号、厚度、尺寸、等级的纸板应分别包装。6.2纸板应妥善保管,防止受风,雨、雪和地面湿气的影响。6.3‘运输时应用有篷而洁净的运输工具。6.4纸件不许由高处往下扔。
附加说明:
本标准由轻工业部造纸工业司提出。本标准由全国造纸标准化中心归口。本标准由辽阳工业纸板厂负责起草。本标准主要起草人李锡香、蒸荣德、张加良、李兰芬、刘妹。自本标准实施之日起,原轻工业部部标准GB604-1973《提花纸板》作废。本标准参照『OCT3246—-1974《提花纸板》。347
小提示:此标准内容仅展示完整标准里的部分截取内容,若需要完整标准请到上方自行免费下载完整标准文档。
是花纸板
主题内容与适用范围
QB/T 1713-- -1993
本标准规定了提花纸板的产品分类、技术要求、试验方法、检验规则和标志、包装、运输、贮存。本标准适用于供纺织工业制造提花机上打孔卡片用的提花纸板。2引用标准
GB/T450纸和纸板试样的采取
纸和纸板尺寸及偏斜度的测定法GB/T 451.1
GB/T451.2纸和纸板定量的测定法GB/T451.3纸和纸板厚度的测定法GB/T 453
GB/T 459
GB/T 462
纸和纸板抗张强度的测定法(恒速加荷法)纸伸缩性的测定法
纸和纸板水分的测定法
纸和纸板吸水性的测定法(可勃法)GB/T 1540
GB/T2679.3纸和纸板挺度的測定GB/T 2828
GB/T 10342
GB/T 10739
3产品分类
逐批检查计数抽样程序及抽样表(适用于连续批的检查)纸张的包装和标志
试样处理和试验的标准大气bzxz.net
纸浆、纸和纸板
3.1提花纸板按质量分为B等和C等。3.2提花纸板为平板纸板。
4技术要求与试验方法
提花纸板的技术指标必须符合表1规定。4.1
指标名称
不小于
中华人民共和国轻工业部1993-04-15批准表1
440±20
480±20
580±20
GB/T 451. 2
GB/T 451.3
试验方法
1993-12-01实施
指标名称
抗张强度纵横向平均值不小于
440g/m2
480g/m2
580g/m2
吸水性(正面)
不大于
伸缩性浸水时间30min不大于
横向挺度
440g/m2
480g/m2
580g/m2
交货水分
不小于
QB/T 1713-1993
续表1
试验方法
GB/T 453
GB/T1540
GB/T459
GB/T 2679. 3
GB/T462
4.2纸板尺寸:1265mm×775mm,1265mm×700mm,或按订货合同规定。纸板尺寸偏差不许超过±5.0mm,偏斜度不许超过5.0mm。4.3纸板表面平整、光滑、不翘曲。纸板必须切边,切边应整齐、洁净。4.4
纸板在剪切和打孔时不得有分层现象。4.5
纸板颜色为纤维本色,内部应施胶。4.6
4.7纸板表面不许有褶子、裂纹、鼓包、杂质以及纤维束。5检验规则
以一次交货为一批,但不多于30t。5.1
供方应保证所生产的产品符合本标准的要求,每件纸交货时应附产品质量合格证一份。5.2
5.3产品交收抽样检查按GB/T2828进行,样本单位为件。5.4交收抽样方案、检查水平、合格质量水平(AQL)按表2规定。表2
抽样方案
批量,件
151~3 200
正常检查二次抽样方案检查水平 S-3B类不合格品
样本大小
C类不合格品
不合格分类
B类不合格
抗张强度
C类不合格
吸水性
伸缩性
交货水分
外观质量
QB/T1713—1993
5.5试样的采取按GB/T450规定进行,试样检查前处理按GB/T10739规定进行。5.6需方有权按本标准进行验收,如对批质量有异议,应在到货后三个月内通知供方共同复验,如不符合本标准的要求,应判为批不合格,由供方负责处理;如符合本标准要求,由需方负责处理。6标志、包装、运输、贮存
6.1纸板的包装和标志按GB/T10342规定进行,并作如下补充:6.1.1纸板每件净重为250kg,或按与用户协商的张数计。6.1.2不同牌号、厚度、尺寸、等级的纸板应分别包装。6.2纸板应妥善保管,防止受风,雨、雪和地面湿气的影响。6.3‘运输时应用有篷而洁净的运输工具。6.4纸件不许由高处往下扔。
附加说明:
本标准由轻工业部造纸工业司提出。本标准由全国造纸标准化中心归口。本标准由辽阳工业纸板厂负责起草。本标准主要起草人李锡香、蒸荣德、张加良、李兰芬、刘妹。自本标准实施之日起,原轻工业部部标准GB604-1973《提花纸板》作废。本标准参照『OCT3246—-1974《提花纸板》。347
小提示:此标准内容仅展示完整标准里的部分截取内容,若需要完整标准请到上方自行免费下载完整标准文档。
标准图片预览:



- 其它标准
- 上一篇: QB 1872-1993 服装用皮革
- 下一篇: QB/T 1709-1993 工业羊皮纸
- 热门标准
- 轻工行业标准(QB)
- QB/T2212.16-1996 建筑工具(泥瓦类)椭圆形砌铲
- QB/T2613.2-2003 防爆工具 防爆用錾子
- QB/T2381-1998 亮金水亮钯金水
- QB/T2096.2-1995 桌虎钳燕尾桌虎钳
- QB/T1865-1993 胶印轮转油墨(黑)
- QB/T1788-2006 洋茉莉醛
- QB/T1224-2007 衣料用液体洗涤剂
- QB/T1788-2014 洋茉莉醛(胡椒醛)
- QB/T2588-2003 卸箱机
- QB1800-1993 树兰花油
- QB/T1535-1992 机械闹种
- QB/T1466-2000 皮鞋油
- QB/T3812.6-1999 皮革 撕裂力的测定
- QB/T1911-2007 钟表用铅黄铜板和带
- QB/T4355-2012 自镇流双端荧光灯 性能要求
- 行业新闻
请牢记:“bzxz.net”即是“标准下载”四个汉字汉语拼音首字母与国际顶级域名“.net”的组合。 ©2025 标准下载网 www.bzxz.net 本站邮件:bzxznet@163.com
网站备案号:湘ICP备2025141790号-2
网站备案号:湘ICP备2025141790号-2