- 您的位置:
- 标准下载网 >>
- 标准分类 >>
- 轻工行业标准(QB) >>
- QB/T 2203-1996 图画纸
标准号:
QB/T 2203-1996
标准名称:
图画纸
标准类别:
轻工行业标准(QB)
英文名称:
Drawing paper标准状态:
现行-
发布日期:
1996-03-22 -
实施日期:
1996-12-01 出版语种:
简体中文下载格式:
.rar.pdf下载大小:
98.61 KB
中标分类号:
轻工、文化与生活用品>>造纸>>Y32纸
替代情况:
QB 162-79
点击下载
标准简介:
标准下载解压密码:www.bzxz.net
本标准规定了图画纸的技术规范。本标准适用于供中小学生铅笔绘画或彩画用的图画纸。 QB/T 2203-1996 图画纸 QB/T2203-1996
部分标准内容:
QB/T 2203—1996
本标准对QB162—1979《图画纸》进行了确认,其内容主要改变如下:根据GB/T1.1--1993《标准化工作导则第1单元:标准的起草与表述规则第1部分:标准编写的基本规定》进行编写。
采用了23℃、50%相对湿度的大气条件,因此对物理指标裂断长、耐折度进行了相应的调整,技术要求与原标准水平相当。
一尘埃度按GB/T1541—1989《纸和纸板尘埃度的测定法》规定的面积方法,与原标准长度方法的标准水平基本一致。
在检验规则中采用GB/T28281987《逐批检查计数抽样程序及抽样表(适用于连续批的检查)》规定的方法。
技术指标水平分等由一号、二号改为B、C二等。本标准由中国轻工总会食品造纸部提出。本标准由全国造纸标准化中心归口。本标准起草单位:保定钞票纸厂。本标准主要起草人:曹秀痕、齐玉兰。自本标准实施之日起,原轻工业部部标准QB162-1979《图画纸》作废。411
1范围
中华人民共和国轻工行业标准
本标准规定了图画纸的技术规范。本标准适用于供中小学生铅笔绘画或彩画用的图画纸。2引用标准
QB/T2203—1996
下列标准所包含的条文,通过在本标准中引用而构成为本标准的条文。本标准出版时,所示版本均为有效。所有标准都会被修订,使用本标准的各方应探讨使用下列标准最新版本的可能性。GB/T450--1989纸和纸板试样的采取GB/T 451.2—1989
GB/T 451.3—1989
GB/T 453--1989
GB/T 457--1989
GB/T 460—1989
纸和纸板定量的测定法
纸和纸板厚度的测定法
纸和纸板抗张强度的测定法(恒速加荷法)纸耐折度的测定法
纸和纸板施胶度的测定法(墨水划线法)GB/T 1541—1989
GB/T 2828-1987
GB/T 7974--1987
纸和纸板尘埃度的测定法
逐批检查计数抽样程序及抽样表(适用于连续批的检查)纸及纸板白度测定法(射/垂直法)GB/T 8940.1—1988
GB/T 10342—1989
GB/T 10739—1989
3产品分类
45/0定向反射法
纸和纸板白度测定法
纸张的包装和标志
纸浆、纸和纸板
3.1图画纸按质量水平分为B、C二等。2图画纸为平板纸。
4技术要求
试样处理和试验的标准大气
图画纸的技术指标应符合表1规定,或按订货合同规定。表1
指标名称
中国轻工总会1996-03-22批准
100±4
120±5
150±8
100±4
120±5免费标准bzxz.net
150±8
1996-12-01实施
裂断长
指标名称
纵横向平均
纵横向平均
耐折度
施胶度
尘埃度
0.5mm2~2. 0 mm2的尘埃
大于2.0mm2的尘埃
交货水分
耐擦次数
QB/T2203-1996
表1(完)
不小于
不小于
不小于
不小于
不低于
不多于
不少于
个/m2
不许有
不许有
4.2平板纸尺寸:787mm×1092mm、546mm×787mm、394mm×546mm或按订货合同的规定,尺寸误差不许超过士3mm,偏斜度不许超过 3 mm。4.3纸张的纤维组织均勾,应符合订货合同规定的纸样。4.4纸的切进应整齐洁净。
4.5纸张可不经压光。
4.6纸面不应有皱纹、折子、透明点、残缺、裂口、砂粒、硬质块等影响使用的外观纸病。4.7有下列情况列为二等品,但不得同时超过两项。a)定量超过规定土2g/m2以内者;b)白度低于规定3%以内者;
c)尘埃度超过规定20%以内者;d)纸的等级、定量、尺寸应在订货合同中规定。5试验方法
试样的采取按GB/T450规定进行。5.1
以下试验在GB/T10739规定的条件下进行。定量按GB/T 451.2规定进行测定。紧度按GB/T451.3规定进行测定。裂断长按GB/T453规定进行测定。耐折度按GB/T457规定进行测定。5.6
施胶度按GB/T460规定进行测定。白度按GB/T8940.1或GB/T7974规定进行测定,仲裁时按GB/T7974规定进行测定。尘埃度按GB/T1541规定进行测定。5.9
5.10交货水分按GB/T462规定进行测定。5.11在测定耐擦性时,先用HB绘图铅笔画上长度为50 mm、宽度为 0.5mm~1. 0mm的线条,再用绘图橡皮擦去线条,按标准规定次数反复进行,最后在同一位置上再用标准墨汁画上宽度为1.5mm、长度为50mm的线条,线条不应有带毛刺或有扩散渗透现象。413
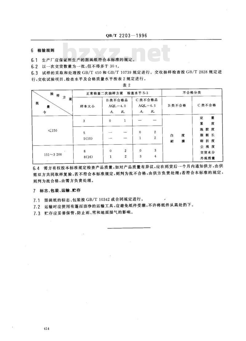
6检验规则
QB/T 2203—1996
6.1生产厂应保证所生产的图画纸符合本标准的规定。6.2以一次交货数量为一批,但不得多于30t。6.3试样的采取和处理按GB/T450和GB/T10739规定进行。交收抽样检查按GB/T2828规定进行,交收试验项目、检查水平及合格质量水平按表2规定进行。表2
抽样方
≤150
151~3200
正常检查二次抽样方案检查水平S-3B类不合格品
样本大小
C类不合格品
不合格分类
C类不合格
B类不合格
施胶度
裂断长
耐折度
尘埃度
交货水分
外观质量
6.4需方有权按本标准规定检查产品质量,如对产品质量有异议,应在到货后一个月内通知供方,由供需双方共同取样复验,若不符合本标准规定,则判为批不合格,由供方负责处理;若符合本标准的规定,则判为批合格,由需方负责处理。7标志、包装、运输、贮存
图画纸的标志、包装按GB/T10342或合同规定进行。7.1
7.2运输时应使用有篷而洁净的运输工具,应避免纸件受潮,不许将纸件从高处扔下。7.3贮存应妥善保管,防止雨、雪和地面湿气的影响。414
小提示:此标准内容仅展示完整标准里的部分截取内容,若需要完整标准请到上方自行免费下载完整标准文档。
本标准对QB162—1979《图画纸》进行了确认,其内容主要改变如下:根据GB/T1.1--1993《标准化工作导则第1单元:标准的起草与表述规则第1部分:标准编写的基本规定》进行编写。
采用了23℃、50%相对湿度的大气条件,因此对物理指标裂断长、耐折度进行了相应的调整,技术要求与原标准水平相当。
一尘埃度按GB/T1541—1989《纸和纸板尘埃度的测定法》规定的面积方法,与原标准长度方法的标准水平基本一致。
在检验规则中采用GB/T28281987《逐批检查计数抽样程序及抽样表(适用于连续批的检查)》规定的方法。
技术指标水平分等由一号、二号改为B、C二等。本标准由中国轻工总会食品造纸部提出。本标准由全国造纸标准化中心归口。本标准起草单位:保定钞票纸厂。本标准主要起草人:曹秀痕、齐玉兰。自本标准实施之日起,原轻工业部部标准QB162-1979《图画纸》作废。411
1范围
中华人民共和国轻工行业标准
本标准规定了图画纸的技术规范。本标准适用于供中小学生铅笔绘画或彩画用的图画纸。2引用标准
QB/T2203—1996
下列标准所包含的条文,通过在本标准中引用而构成为本标准的条文。本标准出版时,所示版本均为有效。所有标准都会被修订,使用本标准的各方应探讨使用下列标准最新版本的可能性。GB/T450--1989纸和纸板试样的采取GB/T 451.2—1989
GB/T 451.3—1989
GB/T 453--1989
GB/T 457--1989
GB/T 460—1989
纸和纸板定量的测定法
纸和纸板厚度的测定法
纸和纸板抗张强度的测定法(恒速加荷法)纸耐折度的测定法
纸和纸板施胶度的测定法(墨水划线法)GB/T 1541—1989
GB/T 2828-1987
GB/T 7974--1987
纸和纸板尘埃度的测定法
逐批检查计数抽样程序及抽样表(适用于连续批的检查)纸及纸板白度测定法(射/垂直法)GB/T 8940.1—1988
GB/T 10342—1989
GB/T 10739—1989
3产品分类
45/0定向反射法
纸和纸板白度测定法
纸张的包装和标志
纸浆、纸和纸板
3.1图画纸按质量水平分为B、C二等。2图画纸为平板纸。
4技术要求
试样处理和试验的标准大气
图画纸的技术指标应符合表1规定,或按订货合同规定。表1
指标名称
中国轻工总会1996-03-22批准
100±4
120±5
150±8
100±4
120±5免费标准bzxz.net
150±8
1996-12-01实施
裂断长
指标名称
纵横向平均
纵横向平均
耐折度
施胶度
尘埃度
0.5mm2~2. 0 mm2的尘埃
大于2.0mm2的尘埃
交货水分
耐擦次数
QB/T2203-1996
表1(完)
不小于
不小于
不小于
不小于
不低于
不多于
不少于
个/m2
不许有
不许有
4.2平板纸尺寸:787mm×1092mm、546mm×787mm、394mm×546mm或按订货合同的规定,尺寸误差不许超过士3mm,偏斜度不许超过 3 mm。4.3纸张的纤维组织均勾,应符合订货合同规定的纸样。4.4纸的切进应整齐洁净。
4.5纸张可不经压光。
4.6纸面不应有皱纹、折子、透明点、残缺、裂口、砂粒、硬质块等影响使用的外观纸病。4.7有下列情况列为二等品,但不得同时超过两项。a)定量超过规定土2g/m2以内者;b)白度低于规定3%以内者;
c)尘埃度超过规定20%以内者;d)纸的等级、定量、尺寸应在订货合同中规定。5试验方法
试样的采取按GB/T450规定进行。5.1
以下试验在GB/T10739规定的条件下进行。定量按GB/T 451.2规定进行测定。紧度按GB/T451.3规定进行测定。裂断长按GB/T453规定进行测定。耐折度按GB/T457规定进行测定。5.6
施胶度按GB/T460规定进行测定。白度按GB/T8940.1或GB/T7974规定进行测定,仲裁时按GB/T7974规定进行测定。尘埃度按GB/T1541规定进行测定。5.9
5.10交货水分按GB/T462规定进行测定。5.11在测定耐擦性时,先用HB绘图铅笔画上长度为50 mm、宽度为 0.5mm~1. 0mm的线条,再用绘图橡皮擦去线条,按标准规定次数反复进行,最后在同一位置上再用标准墨汁画上宽度为1.5mm、长度为50mm的线条,线条不应有带毛刺或有扩散渗透现象。413
6检验规则
QB/T 2203—1996
6.1生产厂应保证所生产的图画纸符合本标准的规定。6.2以一次交货数量为一批,但不得多于30t。6.3试样的采取和处理按GB/T450和GB/T10739规定进行。交收抽样检查按GB/T2828规定进行,交收试验项目、检查水平及合格质量水平按表2规定进行。表2
抽样方
≤150
151~3200
正常检查二次抽样方案检查水平S-3B类不合格品
样本大小
C类不合格品
不合格分类
C类不合格
B类不合格
施胶度
裂断长
耐折度
尘埃度
交货水分
外观质量
6.4需方有权按本标准规定检查产品质量,如对产品质量有异议,应在到货后一个月内通知供方,由供需双方共同取样复验,若不符合本标准规定,则判为批不合格,由供方负责处理;若符合本标准的规定,则判为批合格,由需方负责处理。7标志、包装、运输、贮存
图画纸的标志、包装按GB/T10342或合同规定进行。7.1
7.2运输时应使用有篷而洁净的运输工具,应避免纸件受潮,不许将纸件从高处扔下。7.3贮存应妥善保管,防止雨、雪和地面湿气的影响。414
小提示:此标准内容仅展示完整标准里的部分截取内容,若需要完整标准请到上方自行免费下载完整标准文档。
标准图片预览:




- 其它标准
- 热门标准
- 轻工行业标准(QB)
- QB/T5247-2018 箱包配件塑料插扣耐 用性能试验方法
- QB/T2518—2001 地毯用毛纱
- QB/T2856-2007 毛革服装
- QB/T3712-1999 家用缝纫机卷边压脚
- QB/T2425-1998 封箱用再湿性牛皮纸胶粘带
- QB/T1873-2004 鞋面用皮革
- QB/T1788-2014 洋茉莉醛(胡椒醛)
- QB/T1335.1-2012 油画颜料
- QB/T3520-1999 500kV油纸套管绝缘纸
- QB/T3607-1999 油浸鲅鱼罐头
- QB/T2161-1995 儿童推车整车通用技术条件
- QB/T2130-1995 日用陶瓷彩烤辊道窑热平衡、热效率测定与计算方法
- QB/T2222-1996 合成鞣剂测试方法
- QB/T2333-1997 防晒化妆品中紫外线吸收剂定量测定高效液相色谱法
- QB/T2664-2004 搪瓷浴缸
- 行业新闻
请牢记:“bzxz.net”即是“标准下载”四个汉字汉语拼音首字母与国际顶级域名“.net”的组合。 ©2025 标准下载网 www.bzxz.net 本站邮件:bzxznet@163.com
网站备案号:湘ICP备2025141790号-2
网站备案号:湘ICP备2025141790号-2