- 您的位置:
- 标准下载网 >>
- 标准分类 >>
- 轻工行业标准(QB) >>
- QB/T 3507-1999 电子计算机连续记录格式原纸
标准号:
QB/T 3507-1999
标准名称:
电子计算机连续记录格式原纸
标准类别:
轻工行业标准(QB)
英文名称:
Computer continuous recording format base paper标准状态:
现行-
发布日期:
1999-04-21 -
实施日期:
1999-04-21 出版语种:
简体中文下载格式:
.rar.pdf下载大小:
98.32 KB
中标分类号:
轻工、文化与生活用品>>造纸>>Y32纸
替代情况:
原标准号ZB Y32003-1986
点击下载
标准简介:
标准下载解压密码:www.bzxz.net
本标准规定了电子计算机连续记录格式原纸的产品分类、技术要求、试验方法、检验规则和标志、包装、运输、贮存的要求。本标准适用于供加工生产电子计算机连续记录格式纸的原纸。 QB/T 3507-1999 电子计算机连续记录格式原纸 QB/T3507-1999
部分标准内容:
中华人民共和国轻工行业标准
电子计算机连续记录格式原纸
Base paper for computer
in continuous recording forms主题内容与适用范围bzxz.net
QB/T 3507—1999
代替ZBY32003—1986
本标准规定了电子计算机连续记录格式原纸的产品分类、技术要求、试验方法、检验规则和标志、包装、运输、贮存的要求。
本标准适用于供加工生产电子计算机连续记录格式纸的原纸。2产品分类
2.1电子计算机连续记录格式原纸为卷简纸。卷筒宽度为1050、830mm,或按合同规定生产。宽度偏差不许超过士3mm。
2.2卷简直径为(750士50)mm或按合同规定生产。3技术要求
3.1电子计算机连续记录格式原纸的技术指标必须符合表1规定。表1电子计算机连续格式原纸技术指标指标名称
横幅定量差
抗张强度
撕裂度
平滑度
施胶度
尘埃度
0.3~1.5mm2的尘埃
大于 1.5mm2的尘埃
交货水分
不小于
不小于
不小于
不小于
不小于
不小于
不多于
不大于
国家轻工业局1999-04-21批准
(kgf/15mm)
个/m2
积累数据
2.00(3. 06)
1.30(1.99)
80.0~~90.0
不许有
积累数据
2.80(4.28)
1.60(2.45)
80.0~90.0
不许有
1999-03-01实施
纸张的纤维组织应均勾。
QB/T3507—1999
卷筒两边松紧一致,端面应平整,不得有裂口,锯齿形不超过3mm,弓形不超过15mm。3.3
纸的切边应整齐洁净。
纸面应平整,不许有折子、皱纹、硬质块、破洞、条痕、透光点、裂口、斑点等影响使用的纸病。3.6有下列情况者列为二等品,但不得同时超过两项。3.6.1
定量超过允许偏差范围士2%以内者。3.6.2平滑度低于规定15%以内者。3.6.3抗张强度低于规定10%以内者。3.6.4尘埃度超过规定20%以内者。3.6.5接头数超过规定1个者。
4试验方法
4.1定量、紧度
按GB/T451《纸与纸板尺寸、偏斜度、定量、厚度及紧度的测定法》规定进行测定。4.2抗张强度
按GB/T453《纸与纸板抗张强度和伸长率的测定法》规定进行测定。4.3撕裂度
按GB/T 455《纸与纸板撕裂度的测定法》规定进行测定。4.4平滑度
按GB/T456《纸平滑度的测定法(别克式测定仪)》规定进行测定。4.5白度
按GB/T1542《纸与纸板白度的测定法(蓝光法)》规定测定。4.6施胶度
按GB/T460《纸与纸板施胶度的测定法(墨水划线法)》规定进行测定。4.7尘埃度
按GB/T1541《纸与纸板尘埃度的测定法(面积法)》规定进行测定。4.8灰分
按GB/T463《纸与纸板灰分的测定法》规定进行测定。4.9交货水分
按GB/T462《纸与纸板水分的测定法》规定进行测定。5检验规则
5.1电子计算机连续记录格式原纸交收试验的单位产品为卷简。5.2交收试验的抽样检查按GB/T2828《逐批检查计数抽样程序及抽样表(适用于连续批的检查)》规定进行。
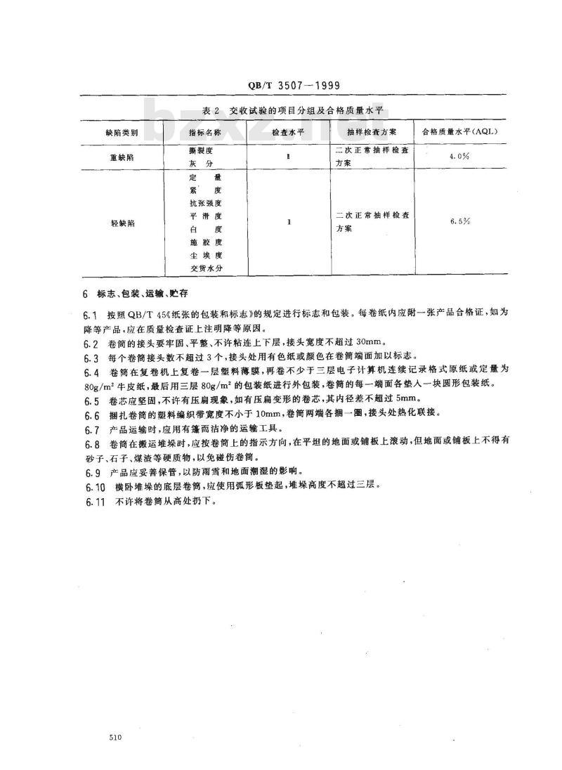
5.3从样本单位中采取试样及处理应按GB/T450《纸与纸板平均试样的采取及检验前试样的处理方法》中“(2)每个包装单位中平均试样的采取”及“二、试验前试样的空气调理”的规定进行。5.4交收试验项目的分组、检查水平、抽样方案及合格质量水平(AQIL)按表2规定。509
TTiKAoNhiKAca
缺陷类别
重缺陷
轻缺陷
QB/T 3507-1999
表2交收试验的项目分组及合格质量水平指标名称
撕裂度
抗张强度
平滑度
施胶度
尘埃度
交货水分
6标志、包装、运输、贮存
检查水平
抽样检查方案
三次正常抽样检查
二次正常抽样检查
合格质量水平(AQL)
6.1按照QB/T45《纸张的包装和标志》的规定进行标志和包装。每卷纸内应附一张产品合格证,如为降等产品,应在质量检查证上注明降等原因。6.2卷简的接头要牢固、平整、不许粘连上下层,接头宽度不超过30mm。6.3每个卷简接头数不超过3个,接头处用有色纸或颜色在卷简端面加以标志。6.4卷简在复卷机上复卷一层塑料薄膜,再卷不少于三层电子计算机连续记录格式原纸或定量为80g/m2牛皮纸,最后用三层80g/m2的包装纸进行外包装,卷筒的每一端面各垫人一块圆形包装纸。6.5卷芯应坚固,不许有压扁现象,如有压扁变形的卷芯,其内径差不超过5mm。6.6捆扎卷简的塑料编织带宽度不小于10mm,卷简两端各捆一圈,接头处热化联接。6.7产品运输时,应用有篷而洁净的运输工具。6.8卷简在搬运堆垛时,应按卷简上的指示方向,在平坦的地面或铺板上滚动,但地面或铺板上不得有砂子、石子、煤渣等硬质物,以免碰伤卷简。6.9产品应妥善保管,以防雨雪和地面潮湿的影响。6.10横卧堆垛的底层卷筒简,应使用弧形板垫起,堆垛高度不超过三层。6.11不许将卷筒从高处扔下。
A1仪器、工具
10cm×10cm样板。
感量为0.01g的天平。
A2步骤
QB/T 3507--1999
附录A
横帼定量差测定方法
(补充件)
沿卷简宽度方向均勾地取10cm×10cm的单层纸样,1050mm的简宽取八点,830mm的筒宽取四点,对纸样编号,用感量为0.01g的天平称重。A3计算
计算最大值与最小值之差,结果以克/米?表示。附加说明:
本标推由轻工业部造纸工业局提出。本标准由轻工业部造纸工业科学研究所归口。本标准由北京造纸一厂负责起草。511
riKAoNiKAca
小提示:此标准内容仅展示完整标准里的部分截取内容,若需要完整标准请到上方自行免费下载完整标准文档。
电子计算机连续记录格式原纸
Base paper for computer
in continuous recording forms主题内容与适用范围bzxz.net
QB/T 3507—1999
代替ZBY32003—1986
本标准规定了电子计算机连续记录格式原纸的产品分类、技术要求、试验方法、检验规则和标志、包装、运输、贮存的要求。
本标准适用于供加工生产电子计算机连续记录格式纸的原纸。2产品分类
2.1电子计算机连续记录格式原纸为卷简纸。卷筒宽度为1050、830mm,或按合同规定生产。宽度偏差不许超过士3mm。
2.2卷简直径为(750士50)mm或按合同规定生产。3技术要求
3.1电子计算机连续记录格式原纸的技术指标必须符合表1规定。表1电子计算机连续格式原纸技术指标指标名称
横幅定量差
抗张强度
撕裂度
平滑度
施胶度
尘埃度
0.3~1.5mm2的尘埃
大于 1.5mm2的尘埃
交货水分
不小于
不小于
不小于
不小于
不小于
不小于
不多于
不大于
国家轻工业局1999-04-21批准
(kgf/15mm)
个/m2
积累数据
2.00(3. 06)
1.30(1.99)
80.0~~90.0
不许有
积累数据
2.80(4.28)
1.60(2.45)
80.0~90.0
不许有
1999-03-01实施
纸张的纤维组织应均勾。
QB/T3507—1999
卷筒两边松紧一致,端面应平整,不得有裂口,锯齿形不超过3mm,弓形不超过15mm。3.3
纸的切边应整齐洁净。
纸面应平整,不许有折子、皱纹、硬质块、破洞、条痕、透光点、裂口、斑点等影响使用的纸病。3.6有下列情况者列为二等品,但不得同时超过两项。3.6.1
定量超过允许偏差范围士2%以内者。3.6.2平滑度低于规定15%以内者。3.6.3抗张强度低于规定10%以内者。3.6.4尘埃度超过规定20%以内者。3.6.5接头数超过规定1个者。
4试验方法
4.1定量、紧度
按GB/T451《纸与纸板尺寸、偏斜度、定量、厚度及紧度的测定法》规定进行测定。4.2抗张强度
按GB/T453《纸与纸板抗张强度和伸长率的测定法》规定进行测定。4.3撕裂度
按GB/T 455《纸与纸板撕裂度的测定法》规定进行测定。4.4平滑度
按GB/T456《纸平滑度的测定法(别克式测定仪)》规定进行测定。4.5白度
按GB/T1542《纸与纸板白度的测定法(蓝光法)》规定测定。4.6施胶度
按GB/T460《纸与纸板施胶度的测定法(墨水划线法)》规定进行测定。4.7尘埃度
按GB/T1541《纸与纸板尘埃度的测定法(面积法)》规定进行测定。4.8灰分
按GB/T463《纸与纸板灰分的测定法》规定进行测定。4.9交货水分
按GB/T462《纸与纸板水分的测定法》规定进行测定。5检验规则
5.1电子计算机连续记录格式原纸交收试验的单位产品为卷简。5.2交收试验的抽样检查按GB/T2828《逐批检查计数抽样程序及抽样表(适用于连续批的检查)》规定进行。
5.3从样本单位中采取试样及处理应按GB/T450《纸与纸板平均试样的采取及检验前试样的处理方法》中“(2)每个包装单位中平均试样的采取”及“二、试验前试样的空气调理”的规定进行。5.4交收试验项目的分组、检查水平、抽样方案及合格质量水平(AQIL)按表2规定。509
TTiKAoNhiKAca
缺陷类别
重缺陷
轻缺陷
QB/T 3507-1999
表2交收试验的项目分组及合格质量水平指标名称
撕裂度
抗张强度
平滑度
施胶度
尘埃度
交货水分
6标志、包装、运输、贮存
检查水平
抽样检查方案
三次正常抽样检查
二次正常抽样检查
合格质量水平(AQL)
6.1按照QB/T45《纸张的包装和标志》的规定进行标志和包装。每卷纸内应附一张产品合格证,如为降等产品,应在质量检查证上注明降等原因。6.2卷简的接头要牢固、平整、不许粘连上下层,接头宽度不超过30mm。6.3每个卷简接头数不超过3个,接头处用有色纸或颜色在卷简端面加以标志。6.4卷简在复卷机上复卷一层塑料薄膜,再卷不少于三层电子计算机连续记录格式原纸或定量为80g/m2牛皮纸,最后用三层80g/m2的包装纸进行外包装,卷筒的每一端面各垫人一块圆形包装纸。6.5卷芯应坚固,不许有压扁现象,如有压扁变形的卷芯,其内径差不超过5mm。6.6捆扎卷简的塑料编织带宽度不小于10mm,卷简两端各捆一圈,接头处热化联接。6.7产品运输时,应用有篷而洁净的运输工具。6.8卷简在搬运堆垛时,应按卷简上的指示方向,在平坦的地面或铺板上滚动,但地面或铺板上不得有砂子、石子、煤渣等硬质物,以免碰伤卷简。6.9产品应妥善保管,以防雨雪和地面潮湿的影响。6.10横卧堆垛的底层卷筒简,应使用弧形板垫起,堆垛高度不超过三层。6.11不许将卷筒从高处扔下。
A1仪器、工具
10cm×10cm样板。
感量为0.01g的天平。
A2步骤
QB/T 3507--1999
附录A
横帼定量差测定方法
(补充件)
沿卷简宽度方向均勾地取10cm×10cm的单层纸样,1050mm的简宽取八点,830mm的筒宽取四点,对纸样编号,用感量为0.01g的天平称重。A3计算
计算最大值与最小值之差,结果以克/米?表示。附加说明:
本标推由轻工业部造纸工业局提出。本标准由轻工业部造纸工业科学研究所归口。本标准由北京造纸一厂负责起草。511
riKAoNiKAca
小提示:此标准内容仅展示完整标准里的部分截取内容,若需要完整标准请到上方自行免费下载完整标准文档。
标准图片预览:




- 其它标准
- 热门标准
- 轻工行业标准(QB)
- QB/T2212.16-1996 建筑工具(泥瓦类)椭圆形砌铲
- QB/T2613.2-2003 防爆工具 防爆用錾子
- QB/T3802-1999 化工用硬聚氯乙烯管件
- QB/T1959-1994 手用缝纫针
- QB/T3669-1999 惯性振动筛
- QB/T3812.1-1999 皮革 试验室样品 部位和标志
- QB/T5256-2018 品牌培育管理体系实施指南轻工行业
- QB/T4818-2015 无纺壁纸原纸
- QB/T2442.2-1999 夹扭剪切两用钳 电工钳
- QB1800-1993 树兰花油
- QB1603-1992 糖水莲子罐头
- QB/T2381-1998 亮金水亮钯金水
- QB/T1466-2000 皮鞋油
- QB3699-1999 造纸工业企业安全技术规程
- QB/T3519-1999 110-330KV高压电缆纸
- 行业新闻
请牢记:“bzxz.net”即是“标准下载”四个汉字汉语拼音首字母与国际顶级域名“.net”的组合。 ©2025 标准下载网 www.bzxz.net 本站邮件:bzxznet@163.com
网站备案号:湘ICP备2025141790号-2
网站备案号:湘ICP备2025141790号-2