- 您的位置:
- 标准下载网 >>
- 标准分类 >>
- 国家标准(GB) >>
- GB/T 8740-2013 铸造轴承合金锭
标准号:
GB/T 8740-2013
标准名称:
铸造轴承合金锭
标准类别:
国家标准(GB)
标准状态:
现行出版语种:
简体中文下载格式:
.rar .pdf下载大小:
部分标准内容:
ICS 77.150.60
中华人民共和国国家标准
GB/T 8740---2013
代替G13/T874C:2005
铸造轴承合金锭
Casting bearing alloy ingots2013-11-27 发布
中华人民共和国国家质量监督检验检疫总局中国国家标准化管理委员会
2014-08-01实施
本标准是按照CB/T 1.1一2009给出的规则起草的。GB/T8740—2013
本标准代替GB/T87402C05《铸造轴承合金锭》,与GB/T87402005相比,本标准主要变化茹下:
牌号出9个增加至11个。基合金增加SnSb9Cu?牌号;铅基合金增加PlShlGSn16Cm2牌号。
化学分作了个别修改,SnSb11Cu6牌号中的铋由≤0.05%修改为≤0.08%;SnSb11Cu5牌号中的碑中≤多0.05修改为≤0.1%,一一在要求中删除了品物理性能。同时在试验方法中删除了物理性能的测试方法!一增圳了产品的牛产取样要求:本标准中S5h1Cu1,5n$68Cu1两个牌号修改来用ASTMB23:2000(R2005)%!氏轴承价金*标雅中 UNS-L13910、UNS-L13890 两 个 牌 号;SnSb8Cu8、PbSbl6Sn1Asl、PbSb15Sn1c、PbSb15Sn5、PhSh1Cn6五个牌号等同采用ASTMB323:2000(R2005)《巴氏轴承合金\标准中UNS-L13840、LNSL53620,UNS-L53585,UNS-L5356s,UNS-L53346 五个牌 号; S1Sb5Cu7、SnSbI1Cu6,SnSh12Phl0Cu4个牌号的杂质限量采用ASIMB23:2000(R2005)《巴氏轴承合金》标准中UNSL13840的杂质限量、PbSb16Sn16u2的杂质限量采用ASTMB23:20C0(R2005)巴氏轴至会金$称准中UVSL53315的杂质限量。与ASTMB32牌号对照丧见附录A,对应牌号的物理性能测试数据见附录B本标准与ASTMB23:2000(R2C05)巴氏轴承合金》标准相比,有如下不同:$nSb1Cu1,Snsb8Cu4两个牌号中铁的限量由≤0.08%修改为≤0.06%;锡基增加 SnSb9Cu7、SnSb11Cu6,SnSb12Pb10Cu4 =个牌号,删除UNS L13370(SnSb6Cus)牌号:铅基增PbSh16Sn16Cu2牌号;本标准由全国有色金属标准化技术委员会(SAC/TC213)归口。本标准负责越草单位:云南锡业集团有限责任公司。本标准参加起草单位:广西华锡集团股份有银公司.云南锣业锡材有限公司,本标准主要起节人:白家强,李志红,汤粉兰,谭勇、刘宝权、岁佩珍,赵玲彦.赵永善。本标准所代替的历次版本发布情况为:GB/T 8740—2005 ;
GB/T 8740 -1988.
1范围
铸造轴承合金锭
CB/T 8740—2013
本标准规定了铸造锡基、铅基轴承合金锭产品的要求,试验方法、检验规则及标志、包装、运输、则疗及质量证明书与合同(或订货单)内容本标雅适用于锡、铅、锑、铜等金属作主原料,火法精炼生产的铸造基、铅基轴承合金锭!2规范性引用文件
下列文件对丁本文件的应用是必不可少的。凡是注日期的引用文件,仪注日期的版本而于本文件,凡是不注日期的引用文件,其最新版本(包括所有的修改单)适用于本文件。GB/T8170数值修约规则与极限数值的表示和判定YS/T475(所有部分)铸造轴承合金化学分析方法3要求
3.1产品分类
铸造轴承合金按红成金的主要成分分为两类共11个牌号,见表1。3.2化学成分
3.2.1铸造轴承合金锭的化学成分应符合表1的规定,3.2.2需方如对化学成分有特殊要求对,可由供需双方商议。3.3表面质量
铸造轴承合金锭表面应洁净,无熔渣、灰渣、毛刺、非金属夹杂物和明品分层,3.4锭形、锭重
铸造轴承合金锭按图1浇铸,每锭重量:锡基合金锭 2kg士0,2 kg、铅基合金绽34试验方法
4.1铸造输承合金链的化学成分仲裁分析方法按YS/T475的规定进行。4.2铸造轴承合金锭如需要检测表1规定之外的元索,由供需双力协商确定分析方法,4.3铸造轴承合金锭的表面质量用目视检测,4.4铸造轴承合金锭单锭重量采用相成精度要求的测量设备进行测量。1
GB/T8740—2013
0 2000
0s00'o
90)')
O G00'0
o900'0
0 500'0
0 ccO\O
GS00'0
osou'c
090~05
0t[~-08\
080°0
3901-5
1oc*91~-00't1
[oc\gt-co\t
10G:21--00'S
C9c~-0s7
0201-~086
0021-~00S
2\T~-08'0
0311~50'6
localcootbzxz.net
00#-00
CS'8-C52
00'g-~002
'gco\T
groyasus
5检验规则
5.1检查和验收
GB/T 8740-—2013
5,1.1铸造轴承合金链应由供方技术监督部门进行检验,保证产品质量符合本标准或合同(或订货单)的规定,并填写质量证明书,
5.1.2需方可对收到的产品进行质量检验,如检验结果与本标准或合同(或订货单)的规定不符、应在产品收到之日起60日内提出,由供需双方协商解决。如需仲裁,仲裁取样在需方出供需双方其同进行。5.2组批
铸造轴承合金锭应成批提交验收,每批应由相同原料和相同生产配料号生产的同一牌号的产品组成,每批重量不得超过5000kg
5.3检验项目
每批产品应进行化学成分,外观质量和重量的检验。5.4铸造轴承合金锭取、制样方法5.4.1生产取样
供方在铸造轴承合金锭生产过程中川从说铸前和浇铸末的均勾态金属中取样用于化学成分分析,样量不少于20Cg:
5.4.2仲裁取样和制备
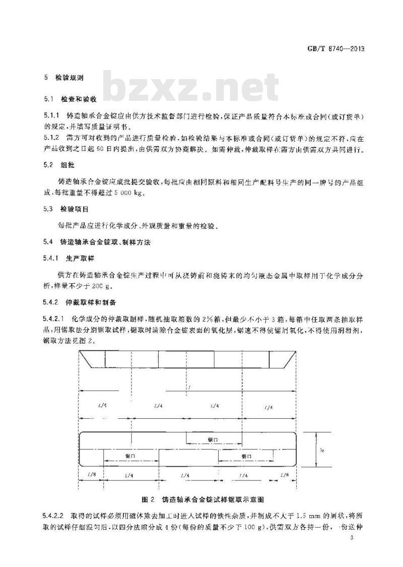
5.4.2.1化学成分的仲裁取制样,随机抽取箱数的2%箱,但最少不小于3箱,每中任取两条抽取样品,用锯取法分别锯取试样,锯取时清除合金锭表面的氧化层,锅速不得使辑消氧化,不得使用润滑剂,锯取方法见图2。
图2铸造轴承合金锭试样锯取示意图5.4.2.2取得的试样必须用磁体除去加工时进人试样的铁性杂质,并制成不人于1.5 mm的屑状,将所取的试祥存细混匀后,以四分法缩分战1份(每份的质量不少下100),供需双方各持一份,·份送仲3
GB/T 8740—2913
裁,其1一份作备是
5.5检验结果判定
5.5.1检验结果的数值修约和判定按GB/T8170的规定进行。5.5.2化学成分仲裁分析结果与术标准或合同(或订货单)的规定不符时,按批判不介格,5,5.3表面质量及单锭重量与本标准或合同(或订货单)的规定不符时,按锭判不合格。6标志包装、运和驼存
6.1标志
6.1.1每链(块)产品上成浇铸或打邸上生产厂名称、商标。6.1.2合金锭包装成箱,箱上应注明供方名称、厂址、商标、产品名称和牌号、批号及净重。6.2包装,运输和贮存
6.2.1采用木箱包装或纸箱包装后木托盘打托包装,并用钢带加固扎紧,需方对产品包装有特殊要求时,可山供需双方协商。
6.2.2运输和贮存
运输和贮存讨应防止雨琳、受潮、接触化学药品及散包。3质登证明书
每批产品都应附有质量证明书,其上注明:供方名称和商标、地址、电话、传真:产品名称和牌号;
批号:
净重和件数:
分析检验结果和技术监督部门印记:f)
本标淮编号;
)出!H期。
7合同(或订货单)内容
本标准所列铸造轴承合金锭的合同(或订货单)应括下列内容:)产品名称:
1)牌号;
c)锭(条)形、尺、杂质含量等殊要求:d)包装形式;
e)数量:
本标湘编号:
)其他。
附录A
(资料性附录)
铸造轴承合金牌号对照表
GB/T 8740-—2013
我国GB/T8740《造轴承合金锭》与ASTMI323《白色金展轴承合金(通称\巴比特合金”)标准规范》牌号对比见表A.1,
表A1GB/T8740与ASTMB23:2000(R2005)牌号对照表GB/T 874C牌号
SnSbCu1
SnSteCus
SnStgCu?
SrSh11Cu6
SnSht2Phl:Ct
PhSh163nlAsl
PbSb16Sn16Cu2
Pbsh15Snl3
PbSb15Sns
PESheSna
ASTM 23:200C 牌号
UNS-L13S10
UNS 113890
UNS-LI3840
LNS-L.362
UNS-1.53585
UNS-1.53565
UNS·L53246
GB/T B740—2013
附录B
(资料性附录)
锡基、铅基轴承合金物理性能
造锡基、铅基轴承合金主要用于制造涡轮、压缩机、电气机械和齿轮等普通轴承。物理性能的测试是以ASTMF23:2(C00标准附录中的方法作为参考进行验证性的试验,经验证测试,各牌号的合金锭的布氏硬度、抗压强度、屈服强度、抗拉强度等物理性能测试值与ASTMB23:20C0巴氏轴承合金》标雅附录中所列的试验结果基本相符衍。这些物理性能的结果因成分的变化、落铸溢度和浇铸方法的不同而行在一定的差值,个别情况其至出现较大的偏养。表B.1所列为一组按标准配制、在一定的温度下浇铸的样品的物理性能测试数据,所有数据均根据试验,验证数据进行过修正。表B.1的数据不是称推中的内容,只作为参考资料,供购买者选择使用轴承合金时作参考。表B.1锡基、铅基轴承合金的成分和物理性能浇铸
S:Sb4Cu1
SrSo8Cu4
S-Sh8Cus
SrSh9Cuz
SnSbllCus
$nSb12Fb10Cu4
PEsh165:1As1
PbSbl5Sn.o
PhSb155n5
PbSbloSne
PhSh15Sn16Cn2
温度/
主要成分/%
注1:布氏硬度的试验方法为GB/T 231x金属材料C.
验证测试
布氏硬煌
抗压强度/
尽服强度/
抗拉强度/
布试硬度试验3;抗正强度的试验方法为GB/T7311金属材料室温压缩试验方法》,展服强度、抗拉强度试验方法为GB/T 228,1*金展材料注2:布氏硬度.压强度、屈服强度.抗拉强度试验的室内温度10℃,~25℃。室温拉伸试验方法,
注3:供布氏硬守试验的试栏是丑产舒锭的横缺面切制知的尽的试块。供抗压试验的试样是川造件加T为直经 13 mm、长 38 mrn 的试缺。 供屈服强度和抗拉强度的试样,足用铸造件机加T为直径 10 mm,为效长度15cmm的条彤试样,
注4:而民碰度值是使用-个鼠径10 m班的钢球和5c0 kg的负荷对试样施加 30 s形成的 3个片症的均值。注5:抗压强度值是形减试样长度25的变形所需的与位负荷:注6:届服强度值是试样的一个确定测量长度的3.125变形时所需约前位负荷,注7:抗拉强度慎是将样拉渐时所需的单位负荷GB/T 8740-2013
印即H期: 2014年9[1 F009A
印华人民共
国家标雅
铸造轴承合金锭
CB/T 8740- 2013
中国标准出版社出版发行
北京市朝附区和平里西街甲 25(100029)『京市西城区三里河北街15号(190045)网址spc.net.tn
总编室:(010)64275323发行中心:(G10)31780235读齐服务部:(010)683236-16
中国标准出版社秦皇岛印刷!印刷各地新华书店经销
开本 88G×1230 1/16
2011年4月第 -版
即张0.75
字数 字
2911年4月第钦印刷
书号:155066·148572定价
如有印装差错
白本社发行中心调换
版权专有侵权必究
举报电话:(010)68510107
小提示:此标准内容仅展示完整标准里的部分截取内容,若需要完整标准请到上方自行免费下载完整标准文档。
中华人民共和国国家标准
GB/T 8740---2013
代替G13/T874C:2005
铸造轴承合金锭
Casting bearing alloy ingots2013-11-27 发布
中华人民共和国国家质量监督检验检疫总局中国国家标准化管理委员会
2014-08-01实施
本标准是按照CB/T 1.1一2009给出的规则起草的。GB/T8740—2013
本标准代替GB/T87402C05《铸造轴承合金锭》,与GB/T87402005相比,本标准主要变化茹下:
牌号出9个增加至11个。基合金增加SnSb9Cu?牌号;铅基合金增加PlShlGSn16Cm2牌号。
化学分作了个别修改,SnSb11Cu6牌号中的铋由≤0.05%修改为≤0.08%;SnSb11Cu5牌号中的碑中≤多0.05修改为≤0.1%,一一在要求中删除了品物理性能。同时在试验方法中删除了物理性能的测试方法!一增圳了产品的牛产取样要求:本标准中S5h1Cu1,5n$68Cu1两个牌号修改来用ASTMB23:2000(R2005)%!氏轴承价金*标雅中 UNS-L13910、UNS-L13890 两 个 牌 号;SnSb8Cu8、PbSbl6Sn1Asl、PbSb15Sn1c、PbSb15Sn5、PhSh1Cn6五个牌号等同采用ASTMB323:2000(R2005)《巴氏轴承合金\标准中UNS-L13840、LNSL53620,UNS-L53585,UNS-L5356s,UNS-L53346 五个牌 号; S1Sb5Cu7、SnSbI1Cu6,SnSh12Phl0Cu4个牌号的杂质限量采用ASIMB23:2000(R2005)《巴氏轴承合金》标准中UNSL13840的杂质限量、PbSb16Sn16u2的杂质限量采用ASTMB23:20C0(R2005)巴氏轴至会金$称准中UVSL53315的杂质限量。与ASTMB32牌号对照丧见附录A,对应牌号的物理性能测试数据见附录B本标准与ASTMB23:2000(R2C05)巴氏轴承合金》标准相比,有如下不同:$nSb1Cu1,Snsb8Cu4两个牌号中铁的限量由≤0.08%修改为≤0.06%;锡基增加 SnSb9Cu7、SnSb11Cu6,SnSb12Pb10Cu4 =个牌号,删除UNS L13370(SnSb6Cus)牌号:铅基增PbSh16Sn16Cu2牌号;本标准由全国有色金属标准化技术委员会(SAC/TC213)归口。本标准负责越草单位:云南锡业集团有限责任公司。本标准参加起草单位:广西华锡集团股份有银公司.云南锣业锡材有限公司,本标准主要起节人:白家强,李志红,汤粉兰,谭勇、刘宝权、岁佩珍,赵玲彦.赵永善。本标准所代替的历次版本发布情况为:GB/T 8740—2005 ;
GB/T 8740 -1988.
1范围
铸造轴承合金锭
CB/T 8740—2013
本标准规定了铸造锡基、铅基轴承合金锭产品的要求,试验方法、检验规则及标志、包装、运输、则疗及质量证明书与合同(或订货单)内容本标雅适用于锡、铅、锑、铜等金属作主原料,火法精炼生产的铸造基、铅基轴承合金锭!2规范性引用文件
下列文件对丁本文件的应用是必不可少的。凡是注日期的引用文件,仪注日期的版本而于本文件,凡是不注日期的引用文件,其最新版本(包括所有的修改单)适用于本文件。GB/T8170数值修约规则与极限数值的表示和判定YS/T475(所有部分)铸造轴承合金化学分析方法3要求
3.1产品分类
铸造轴承合金按红成金的主要成分分为两类共11个牌号,见表1。3.2化学成分
3.2.1铸造轴承合金锭的化学成分应符合表1的规定,3.2.2需方如对化学成分有特殊要求对,可由供需双方商议。3.3表面质量
铸造轴承合金锭表面应洁净,无熔渣、灰渣、毛刺、非金属夹杂物和明品分层,3.4锭形、锭重
铸造轴承合金锭按图1浇铸,每锭重量:锡基合金锭 2kg士0,2 kg、铅基合金绽3
4.1铸造输承合金链的化学成分仲裁分析方法按YS/T475的规定进行。4.2铸造轴承合金锭如需要检测表1规定之外的元索,由供需双力协商确定分析方法,4.3铸造轴承合金锭的表面质量用目视检测,4.4铸造轴承合金锭单锭重量采用相成精度要求的测量设备进行测量。1
GB/T8740—2013
0 2000
0s00'o
90)')
O G00'0
o900'0
0 500'0
0 ccO\O
GS00'0
osou'c
090~05
0t[~-08\
080°0
3901-5
1oc*91~-00't1
[oc\gt-co\t
10G:21--00'S
C9c~-0s7
0201-~086
0021-~00S
2\T~-08'0
0311~50'6
localcootbzxz.net
00#-00
CS'8-C52
00'g-~002
'gco\T
groyasus
5检验规则
5.1检查和验收
GB/T 8740-—2013
5,1.1铸造轴承合金链应由供方技术监督部门进行检验,保证产品质量符合本标准或合同(或订货单)的规定,并填写质量证明书,
5.1.2需方可对收到的产品进行质量检验,如检验结果与本标准或合同(或订货单)的规定不符、应在产品收到之日起60日内提出,由供需双方协商解决。如需仲裁,仲裁取样在需方出供需双方其同进行。5.2组批
铸造轴承合金锭应成批提交验收,每批应由相同原料和相同生产配料号生产的同一牌号的产品组成,每批重量不得超过5000kg
5.3检验项目
每批产品应进行化学成分,外观质量和重量的检验。5.4铸造轴承合金锭取、制样方法5.4.1生产取样
供方在铸造轴承合金锭生产过程中川从说铸前和浇铸末的均勾态金属中取样用于化学成分分析,样量不少于20Cg:
5.4.2仲裁取样和制备
5.4.2.1化学成分的仲裁取制样,随机抽取箱数的2%箱,但最少不小于3箱,每中任取两条抽取样品,用锯取法分别锯取试样,锯取时清除合金锭表面的氧化层,锅速不得使辑消氧化,不得使用润滑剂,锯取方法见图2。
图2铸造轴承合金锭试样锯取示意图5.4.2.2取得的试样必须用磁体除去加工时进人试样的铁性杂质,并制成不人于1.5 mm的屑状,将所取的试祥存细混匀后,以四分法缩分战1份(每份的质量不少下100),供需双方各持一份,·份送仲3
GB/T 8740—2913
裁,其1一份作备是
5.5检验结果判定
5.5.1检验结果的数值修约和判定按GB/T8170的规定进行。5.5.2化学成分仲裁分析结果与术标准或合同(或订货单)的规定不符时,按批判不介格,5,5.3表面质量及单锭重量与本标准或合同(或订货单)的规定不符时,按锭判不合格。6标志包装、运和驼存
6.1标志
6.1.1每链(块)产品上成浇铸或打邸上生产厂名称、商标。6.1.2合金锭包装成箱,箱上应注明供方名称、厂址、商标、产品名称和牌号、批号及净重。6.2包装,运输和贮存
6.2.1采用木箱包装或纸箱包装后木托盘打托包装,并用钢带加固扎紧,需方对产品包装有特殊要求时,可山供需双方协商。
6.2.2运输和贮存
运输和贮存讨应防止雨琳、受潮、接触化学药品及散包。3质登证明书
每批产品都应附有质量证明书,其上注明:供方名称和商标、地址、电话、传真:产品名称和牌号;
批号:
净重和件数:
分析检验结果和技术监督部门印记:f)
本标淮编号;
)出!H期。
7合同(或订货单)内容
本标准所列铸造轴承合金锭的合同(或订货单)应括下列内容:)产品名称:
1)牌号;
c)锭(条)形、尺、杂质含量等殊要求:d)包装形式;
e)数量:
本标湘编号:
)其他。
附录A
(资料性附录)
铸造轴承合金牌号对照表
GB/T 8740-—2013
我国GB/T8740《造轴承合金锭》与ASTMI323《白色金展轴承合金(通称\巴比特合金”)标准规范》牌号对比见表A.1,
表A1GB/T8740与ASTMB23:2000(R2005)牌号对照表GB/T 874C牌号
SnSbCu1
SnSteCus
SnStgCu?
SrSh11Cu6
SnSht2Phl:Ct
PhSh163nlAsl
PbSb16Sn16Cu2
Pbsh15Snl3
PbSb15Sns
PESheSna
ASTM 23:200C 牌号
UNS-L13S10
UNS 113890
UNS-LI3840
LNS-L.362
UNS-1.53585
UNS-1.53565
UNS·L53246
GB/T B740—2013
附录B
(资料性附录)
锡基、铅基轴承合金物理性能
造锡基、铅基轴承合金主要用于制造涡轮、压缩机、电气机械和齿轮等普通轴承。物理性能的测试是以ASTMF23:2(C00标准附录中的方法作为参考进行验证性的试验,经验证测试,各牌号的合金锭的布氏硬度、抗压强度、屈服强度、抗拉强度等物理性能测试值与ASTMB23:20C0巴氏轴承合金》标雅附录中所列的试验结果基本相符衍。这些物理性能的结果因成分的变化、落铸溢度和浇铸方法的不同而行在一定的差值,个别情况其至出现较大的偏养。表B.1所列为一组按标准配制、在一定的温度下浇铸的样品的物理性能测试数据,所有数据均根据试验,验证数据进行过修正。表B.1的数据不是称推中的内容,只作为参考资料,供购买者选择使用轴承合金时作参考。表B.1锡基、铅基轴承合金的成分和物理性能浇铸
S:Sb4Cu1
SrSo8Cu4
S-Sh8Cus
SrSh9Cuz
SnSbllCus
$nSb12Fb10Cu4
PEsh165:1As1
PbSbl5Sn.o
PhSb155n5
PbSbloSne
PhSh15Sn16Cn2
温度/
主要成分/%
注1:布氏硬度的试验方法为GB/T 231x金属材料C.
验证测试
布氏硬煌
抗压强度/
尽服强度/
抗拉强度/
布试硬度试验3;抗正强度的试验方法为GB/T7311金属材料室温压缩试验方法》,展服强度、抗拉强度试验方法为GB/T 228,1*金展材料注2:布氏硬度.压强度、屈服强度.抗拉强度试验的室内温度10℃,~25℃。室温拉伸试验方法,
注3:供布氏硬守试验的试栏是丑产舒锭的横缺面切制知的尽的试块。供抗压试验的试样是川造件加T为直经 13 mm、长 38 mrn 的试缺。 供屈服强度和抗拉强度的试样,足用铸造件机加T为直径 10 mm,为效长度15cmm的条彤试样,
注4:而民碰度值是使用-个鼠径10 m班的钢球和5c0 kg的负荷对试样施加 30 s形成的 3个片症的均值。注5:抗压强度值是形减试样长度25的变形所需的与位负荷:注6:届服强度值是试样的一个确定测量长度的3.125变形时所需约前位负荷,注7:抗拉强度慎是将样拉渐时所需的单位负荷GB/T 8740-2013
印即H期: 2014年9[1 F009A
印华人民共
国家标雅
铸造轴承合金锭
CB/T 8740- 2013
中国标准出版社出版发行
北京市朝附区和平里西街甲 25(100029)『京市西城区三里河北街15号(190045)网址spc.net.tn
总编室:(010)64275323发行中心:(G10)31780235读齐服务部:(010)683236-16
中国标准出版社秦皇岛印刷!印刷各地新华书店经销
开本 88G×1230 1/16
2011年4月第 -版
即张0.75
字数 字
2911年4月第钦印刷
书号:155066·148572定价
如有印装差错
白本社发行中心调换
版权专有侵权必究
举报电话:(010)68510107
小提示:此标准内容仅展示完整标准里的部分截取内容,若需要完整标准请到上方自行免费下载完整标准文档。
标准图片预览:





- 其它标准
- 热门标准
- 国家标准
- GB/T2828.1-2012 计数抽样检验程序 第1部分:按接收质量限(AQL)检索的逐批检验抽样计划
- GB/T228.1-2021 金属材料 拉伸试验 第1部分:室温试验方法
- GB/T7534-1987 工业用挥发性有机液体沸程的测定
- GB/T3836.1-2021 爆炸性环境 第1部分:设备 通用要求
- GB/T4100-2015 陶瓷砖
- GB/T10125-2021 人造气氛腐蚀试验 盐雾试验
- GB/T50772-2012 木结构工程施工规范
- GB/T30835-2014 锂离子电池用炭复合磷酸铁锂正极材料
- GB5226.1-2019 机械电气安全 机械电气设备 第1部分:通用技术条件
- GB50666-2011 混凝土结构工程施工规范
- GB/T15449-1995 管壳额定开关用场效应晶体管空白详细规范
- GB/T18204.4-2000 公共场所毛巾、床上卧具微生物检验方法细菌总数测定
- GB8552-1987 电子器件详细规范 低功率非线绕固定电阻器 RJ13型金属膜固定电阻器评定水平E(可供认证用)
- GB/T11379-2008 金属覆盖层 工程用铬电镀层
- GB50303-2015 建筑电气工程施工质量验收规范
- 行业新闻
请牢记:“bzxz.net”即是“标准下载”四个汉字汉语拼音首字母与国际顶级域名“.net”的组合。 ©2025 标准下载网 www.bzxz.net 本站邮件:bzxznet@163.com
网站备案号:湘ICP备2025141790号-2
网站备案号:湘ICP备2025141790号-2