- 您的位置:
- 标准下载网 >>
- 标准分类 >>
- 国家标准(GB) >>
- GB/T 152.2-2014 紧固件 沉头螺钉用沉孔
标准号:
GB/T 152.2-2014
标准名称:
紧固件 沉头螺钉用沉孔
标准类别:
国家标准(GB)
标准状态:
现行出版语种:
简体中文下载格式:
.rar .pdf下载大小:
部分标准内容:
ICS 21.060.10
中华人民共和国国家标准
GB/T152.2—2014
部分代替G13/T152.21988
紧固件
沉头螺钉用沉孔
Fasteners-Countersinks for countersunk head screws(ISO 15065:2005,Countcrsinks for cauntersunk hcad screws with headconfiguration in eccardance with IS0 772l,M0D)2014-06-24发布
中华人民共和国国家质量监督检验检疫总局中国国家标准化管理委员会
2015-03-01实施
GB/T 152.2--2014
GB/T152的本部分是\紧固件通孔皮沉孔”系列国家标准之一,该系列标准包括:GB/T 152.1
GB/T 152.2
G3/T 1:2.3
-GB/T152.4
GB/T 152.5
GB/T 5277
紧固件
紧固件
紧固件
紧固件
紫固件
紧固件www.bzxz.net
铆钉用通孔;
沉头螺钉用沉孔:
圆柱头用沉孔;
六角头螺栓和六角螺母用沉孔;沉头木螺钉用沉孔;
螺栓和螺钉通孔。
本部分是(GFI3/T 152的第2部分。本部分按照 GB/T 1.1—2009给出的规则起堂。本部分部分代替(GB/1152.21988紧固件头用孔本部分与GB/I152.21988相比主要变化如下:作为独立标准、修改了标准名称;-:增加引用标准;
取消M12,M1、M16和M20,增加5.5 mm的规格(现表1),不包含沉头木螺针及半沉头木螺钉用沉孔的内容(见GB/T152.21988表3);增加了标记方法和图纸表示方法(第4章科第5章)。本部分修改采用ISO15055:2C05″头部形状符合IS07721的沉头螺钉用沉孔》(英文版):主要修改如下:
修改标准名称;
在引用文件中.用我国标推代替国际标准(第2章);一取消与引用标准重复的参考文献。本部分山中国机械工业联合会提出。本部分由全国紧件标准化技术委员会(SAC/T85)付口。本部分负责起章单位中机牛产力促进中心本部分所代替标准的历次版本发布情况为:-.- GB 1521959,GB 1521976;
--—GB/T 152.2—1988。
1范围
紧固件
沉头螺钉用沉孔
GB/T152.2—2014
GB/1\1F2的本部分规定「头部形状符合GB/T5279的沉头螺钉、半沉头螺钉、沉头自攻螺钉及半沉头白攻螺钉用沉孔的型式、尺寸与标记,规范性引用文件
下列文件对十本文件的应用是必不可少的,凡是注日期的引用文件,仪证H期的版本适用于本文件,凡是不注H期的引用文件,其最新版本(包括所有的修改单)适用丁本文件,GB/T5277紫固件螺栓和燃钉通孔(GB/T5277—198,VTSO273:1979)GB/T5279沉头螺钉头部形状和测量(GB/T52791985.id11SO7721:1983)3尺寸
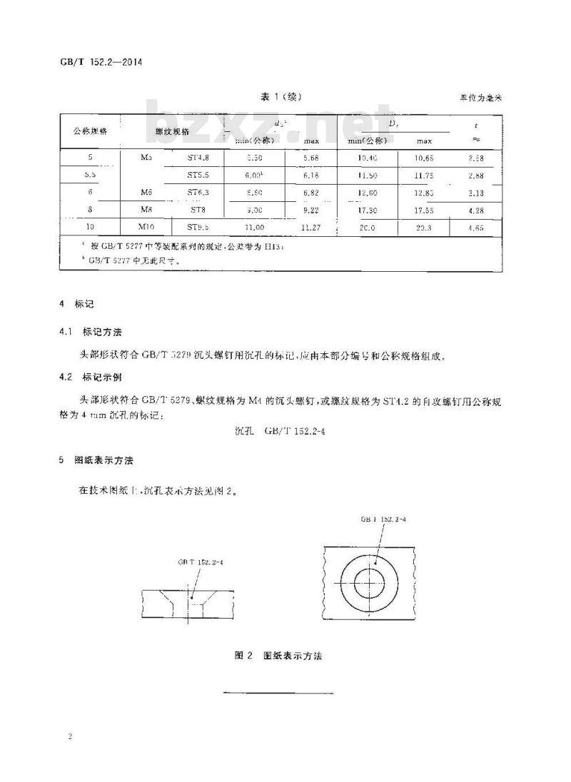
沉孔的型式尺寸见图1和表1。
90°11
图沉孔
表 1尺寸
公称规格
螺纹规格
min(公称)
:(公称)
单位为老米
GB/T 152.2—2014
公称燃格
螺纹规格
表1(续)
(公称)
:按GB/T5277中等装配系列的规定.公举带为HI13:GB/T5277中无此尺寸。
4标记
标记方法
nint公称)
头部形欣符合GB/T127\沉头螺钉用沉孔的标记,成由本部分编导和公称规格组成,4.2标记示例
兰位为老米
头部形状符合CB/T5279、螺纹规格为M1的沉头螺钉,或纹规格为ST4.2的自改螺钉用公称规格为4tm沉孔.的标记:
沉孔GB/T152.2-4
图纸表示方法
在技术图纸「沉孔表示方法见阁2。GB.1 152.2-4
GA T 152. 2-4
图纸表示方法
GB/T152.2-2014
打印H斯:11年8月HF009A
中华人民共
国家标滩
紧固件沉头螺钉用沉孔
GI3/T 152.2 -2014
中国标推出版社出版发行
北京市朝阳区和平单西街2号(100029)北京市西城区兰里河北街16号(100345)网. spc.nct.cn
总编室:(510)64275323发行中心:(013)51780235读者服务部:(C10)68523946
中国标准出版社秦皇岛印刷厂印剧各地新华书店经销
1/16印张0.3
F不 889× 123C
字数6千字
版2014个8!次印别
2014年8片第
电:155066-149360是价
如有印装差错由本社发行中心调换版权专有侵权必究
举报电话:(010)68510107
小提示:此标准内容仅展示完整标准里的部分截取内容,若需要完整标准请到上方自行免费下载完整标准文档。
中华人民共和国国家标准
GB/T152.2—2014
部分代替G13/T152.21988
紧固件
沉头螺钉用沉孔
Fasteners-Countersinks for countersunk head screws(ISO 15065:2005,Countcrsinks for cauntersunk hcad screws with headconfiguration in eccardance with IS0 772l,M0D)2014-06-24发布
中华人民共和国国家质量监督检验检疫总局中国国家标准化管理委员会
2015-03-01实施
GB/T 152.2--2014
GB/T152的本部分是\紧固件通孔皮沉孔”系列国家标准之一,该系列标准包括:GB/T 152.1
GB/T 152.2
G3/T 1:2.3
-GB/T152.4
GB/T 152.5
GB/T 5277
紧固件
紧固件
紧固件
紧固件
紫固件
紧固件www.bzxz.net
铆钉用通孔;
沉头螺钉用沉孔:
圆柱头用沉孔;
六角头螺栓和六角螺母用沉孔;沉头木螺钉用沉孔;
螺栓和螺钉通孔。
本部分是(GFI3/T 152的第2部分。本部分按照 GB/T 1.1—2009给出的规则起堂。本部分部分代替(GB/1152.21988紧固件头用孔本部分与GB/I152.21988相比主要变化如下:作为独立标准、修改了标准名称;-:增加引用标准;
取消M12,M1、M16和M20,增加5.5 mm的规格(现表1),不包含沉头木螺针及半沉头木螺钉用沉孔的内容(见GB/T152.21988表3);增加了标记方法和图纸表示方法(第4章科第5章)。本部分修改采用ISO15055:2C05″头部形状符合IS07721的沉头螺钉用沉孔》(英文版):主要修改如下:
修改标准名称;
在引用文件中.用我国标推代替国际标准(第2章);一取消与引用标准重复的参考文献。本部分山中国机械工业联合会提出。本部分由全国紧件标准化技术委员会(SAC/T85)付口。本部分负责起章单位中机牛产力促进中心本部分所代替标准的历次版本发布情况为:-.- GB 1521959,GB 1521976;
--—GB/T 152.2—1988。
1范围
紧固件
沉头螺钉用沉孔
GB/T152.2—2014
GB/1\1F2的本部分规定「头部形状符合GB/T5279的沉头螺钉、半沉头螺钉、沉头自攻螺钉及半沉头白攻螺钉用沉孔的型式、尺寸与标记,规范性引用文件
下列文件对十本文件的应用是必不可少的,凡是注日期的引用文件,仪证H期的版本适用于本文件,凡是不注H期的引用文件,其最新版本(包括所有的修改单)适用丁本文件,GB/T5277紫固件螺栓和燃钉通孔(GB/T5277—198,VTSO273:1979)GB/T5279沉头螺钉头部形状和测量(GB/T52791985.id11SO7721:1983)3尺寸
沉孔的型式尺寸见图1和表1。
90°11
图沉孔
表 1尺寸
公称规格
螺纹规格
min(公称)
:(公称)
单位为老米
GB/T 152.2—2014
公称燃格
螺纹规格
表1(续)
(公称)
:按GB/T5277中等装配系列的规定.公举带为HI13:GB/T5277中无此尺寸。
4标记
标记方法
nint公称)
头部形欣符合GB/T127\沉头螺钉用沉孔的标记,成由本部分编导和公称规格组成,4.2标记示例
兰位为老米
头部形状符合CB/T5279、螺纹规格为M1的沉头螺钉,或纹规格为ST4.2的自改螺钉用公称规格为4tm沉孔.的标记:
沉孔GB/T152.2-4
图纸表示方法
在技术图纸「沉孔表示方法见阁2。GB.1 152.2-4
GA T 152. 2-4
图纸表示方法
GB/T152.2-2014
打印H斯:11年8月HF009A
中华人民共
国家标滩
紧固件沉头螺钉用沉孔
GI3/T 152.2 -2014
中国标推出版社出版发行
北京市朝阳区和平单西街2号(100029)北京市西城区兰里河北街16号(100345)网. spc.nct.cn
总编室:(510)64275323发行中心:(013)51780235读者服务部:(C10)68523946
中国标准出版社秦皇岛印刷厂印剧各地新华书店经销
1/16印张0.3
F不 889× 123C
字数6千字
版2014个8!次印别
2014年8片第
电:155066-149360是价
如有印装差错由本社发行中心调换版权专有侵权必究
举报电话:(010)68510107
小提示:此标准内容仅展示完整标准里的部分截取内容,若需要完整标准请到上方自行免费下载完整标准文档。
标准图片预览:





- 其它标准
- 热门标准
- 国家标准
- GB/T2828.1-2012 计数抽样检验程序 第1部分:按接收质量限(AQL)检索的逐批检验抽样计划
- GB/T29863-2023 服装制图
- GB/T3836.1-2021 爆炸性环境 第1部分:设备 通用要求
- GB50367-2013 混凝土结构加固设计规范
- GB/T228.1-2021 金属材料 拉伸试验 第1部分:室温试验方法
- GB5009.225-2023 食品安全国家标准 酒和食用酒精中乙醇浓度的测定
- GB/T18204.4-2000 公共场所毛巾、床上卧具微生物检验方法细菌总数测定
- GB/T23892.3-2009 滑动轴承 稳态条件下流体动压可倾瓦块止推轴承 第3部分:可倾瓦块止推轴承计算的许用值
- GB/T9145-2003 普通螺纹 中等精度、优选系列的极限尺寸
- GB/T11839-1989 二氧化铀芯块中硼的测定 姜黄素萃取光度法
- GB/T12053-1989 光学识别用字母数字字符集 第一部分:OCR-A字符集印刷图象的形状和尺寸
- GB5725-2009 安全网
- GB/T18380.33-2022 电缆和光缆在火焰条件下的燃烧试验 第33部分:垂直安装的成束电线电缆火焰垂直蔓延试验 A类
- GB/T9239-1988 刚性转子平衡品质 许用不平衡的确定
- GB/T15917.3-1995 金属镝及氧化镝化学分析方法 对氯苯基荧光酮--溴化十六烷基三甲基胺分光光度法测定钽量
- 行业新闻
请牢记:“bzxz.net”即是“标准下载”四个汉字汉语拼音首字母与国际顶级域名“.net”的组合。 ©2025 标准下载网 www.bzxz.net 本站邮件:bzxznet@163.com
网站备案号:湘ICP备2025141790号-2
网站备案号:湘ICP备2025141790号-2