- 您的位置:
- 标准下载网 >>
- 标准分类 >>
- 轻工行业标准(QB) >>
- QB/T 4513-2013 文件资料袋
标准号:
QB/T 4513-2013
标准名称:
文件资料袋
标准类别:
轻工行业标准(QB)
标准状态:
现行出版语种:
简体中文下载格式:
.rar .pdf下载大小:
相关标签:
文件
部分标准内容:
ICS35.240.20
分类号:Y54
备案号:41655-2013
中华人民共和国轻工行业标准
QB/T4513—2013
文件资料袋
Document data bag
2013-07-22发布
中华人民共和国工业和信息化部2013-12-01实施
本标准按照GB/T1.1一2009给出的规则起草。本标准由中国轻工业联合会提出。本标准由全国文体用品标准化中心归口。QB/T4513-2013
本标准负责起草单位:深圳市齐心文具股份有限公司、樱花(福建)包装文具有限公司、得力集团有限公司、广东华隆文具有限公司。本标准参加起草单位:三木控股集团有限公司、广博集团股份有限公司、瑞教集团有限公司、厦门市华测检测技术股份有限公司。本标准主要起草人:康红兵、关永瑞、汪剑波、寇伟、刘本清、徐腾、陈瑞教、李春龙。范围
文件资料袋
QB/T4513—2013此内容来自标准下载网
本标准规定了文件资料袋的术语和定义、要求、试验方法、检验规则,及标志、包装、运输、贮存。本标准适用于文件套、拉链袋、按扣袋、活页袋及类似产品。2规范性引用文件
下列文件对于本文件的应用是必不可少的。凡是注日期的引用文件,仅注日期的版本适用于本文件。凡是不注日期的引用文件,其最新版本(包括所有的修改单)适用于本文件。GB/T191包装储运图示标志
GB/T2828.1计数抽样检验程序第1部分:按接收质量限(AQL)检索的逐批检验抽样计划GB/T2829周期检验计数抽样程序及表(适用于对过程稳定性的检验)GB/T6543运输包装用单瓦楞纸箱和双瓦楞纸箱3术语和定义
下列术语和定义适用于本文件。3.1
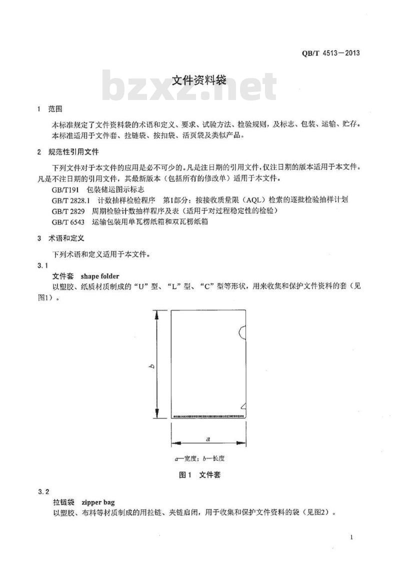
文件套shapefolder
以塑胶、纸质材质制成的“U”型、“L”型、“C”型等形状,用来收集和保护文件资料的套(见图1)。
a一宽度;b—长度
图1文件套
拉链袋zipperbag
以塑胶、布料等材质制成的用拉链、夹链启闭,用于收集和保护文件资料的袋(见图2)。QB/T4513-2013
a)拉链袋A款式
按扣袋buttonbag
宽度:
一长度
拉链袋
拉链袋B款式
以塑胶、纸质等材料制成,以按扣、绳子、粘扣等形式闭合,用来收集和保护文件资料的袋(见图3)a—宽度:b—长度
a按扣袋A款式
活页袋sheetprotectors
图3按扣袋
b)按扣袋8款式
用塑胶材质制成,具备装订功能或分类功能,用来收集和保护文件资料的袋(见图4)2
4要求
4.1外观
000000000009
000000000
)活页袋A款式
a-宽度:6长度
图4活页袋
4.1.1文件资料袋应整体光洁,不应有皱折、破损及明显刮伤。4.1.2印刷的字符和图案应清晰、准确。4.1.3结合点应清晰平整。
4.2尺寸
4.2.1基本规格、尺寸
b)活页袋B款式
QB/T4513-2013
文件套、拉链袋、按扣袋、活页袋的基本规格、尺寸见图1、图2、图3、图4和表1。表
文件资料袋基本规格、尺寸
文件套
拉链袋
按扣袋
活页袋
A4(横式)
A4(竖式)
215~238
/230~250
320~342
350~375
310342
220~250
230~245
300~315
345~365
-230~250
240~260
220~250
310~342
300~306
板材厚度
单位为毫米
注:除A4规格、部分F/C规格外,其他规格的产品尺寸参数,依据对应资料的尺寸,再加上承载资料所必须的放宽幅度,针对性地进行具体设置。3
QB/T4513-2013
4.2.2四边垂直角度的极限偏差为(90土1)。。4.3性能
4.3.1耐温性能
4.3.1.1文件套、拉链袋、按扣袋在-15℃~+65℃环境下不应出现变形、脆化、开裂。4.3.1.2活页袋在-15℃~+45℃环境下不应出现变形、脆化、开裂。4.3.2结合性能
4.3.2.1文件套、拉链袋、按扣袋的结合力不应小于16N。4.3.2.2活页袋的结合力不应小于8N。4.3.3拉链性能
拉链拉次至少应为200次。拉链往返拉合顺畅,不应有阻滞感、拉链破损等现象。4.3.4开合性能
资料袋所用的绳子、粘接物质等应使用性能良好,开合方便,使用开合中不应出现迟滞感。4.3.5按扣性能
4.3.5.1按扣抗疲劳次数至少应为600次,按扣与板材结合处不应有破裂、脱落。4.3.5.2按扣袋经高低温试验后,抗疲劳次数不应少于300次,按扣与板材结合处不应有破裂、脱落。5试验方法
5.1外观
感官测定。
5.2尺寸
5.2.1厚度测试用量程(0~25)mm外径千分尺,测10个试样,每个试样测试不同位置3个点,取算术平均值。其他基本尺寸用钢直尺测量。5.2.2四边垂直角度用角度尺测量。5.3性能
5.3.1耐温性能
5.3.1.1将文件套、拉链袋、纽扣袋放入低温箱,在-15℃的温度下保持4h,取出试样在常温下放置30min后观察。再将其放入恒温恒湿实验箱中,在相对湿度(50土5)%,温度65℃下保持4h,取出试样在常温下放置30min后观察。
5.3.1.2将活页袋放入低温箱,在-15℃的温度下保持4h,取出试样在常温下放置30min后观察。再将其放入。将上述样品在常温下放置30min,再将其放入恒温恒湿实验箱中,在45℃的温度下保持4h,取出后观察。恒温恒湿实验箱中,在相对湿度(50土5)%,温度45℃下保持4h,取出试样在常温下放置30min后观察。
5.3.2结合牢度
5.3.2.1取1段宽度为15mm的结合线试样,将其固定,在试样结合线上放1条长度为20mm、直径为1.7mm的硬质圆形铁线,铁线两端露出试样结合线,在铁线中心位下方向下施加16N的力1min,观察结合位是否出现损坏(见图5)。4
热合线
图5文件套、拉链袋、纽扣袋结合性能试验5.3.2.2活页袋的结合性能
QB/T4513—2013
取1段宽度为15mm的结合线试样,将其固定,在结合试样线上放1条长度为20mm、直径为1.7mm的硬质圆形铁线,铁线两端露出试样结合线。在铁线中心位下方向下施加8N的力1min,观察结合位是否出现损坏(见图6)。
热合线
活页袋结合性能试验
QB/T4513-2013
5.3.3拉链性能
将拉链袋放置在-15℃低温箱中保持4h,取出试样,常温放置60min后,拉合拉链100次(拉合往返为1次),检查是否灵活顺畅。再将拉链袋放置在65℃高温下保持4h,取出试样,常温放置60min后,拉合拉链100次,检查是否灵活顺畅。5.3.4开合性能
资料袋所用的绳子、粘结物按实际操作开合,并用感官检验。5.3.5按扣性能
5.3.5.1对按扣袋的按扣开合600次(开合往返为1次)后,检查其是否出现破裂、脱落。5.3.5.2将按扣袋放置在-15℃低温箱中保持4h,取出试样,常温放置60min后,拉合拉链150次(开合为1次),检查是否出现破裂、脱落。再将按扣袋放置在65℃高温下保持4h,取出试样,常温放置60min后,拉合拉链150次,检查是否出现破裂、脱落。6检验规则
6.1检验形式
产品检验分出厂检验和型式检验。检验采用计件法,产品单位为个。6.2出厂检验
6.2.1每批产品应经过生产厂家品质部门的检验,合格后方可出厂。6.2.2出厂检验的抽样方案,按GB/T2828.1中特殊检验水平S-2、正常检验一次抽样方案进行。6.2.3出厂检验的检验项目、要求、试验方法、AQL值见表2。表2出厂检验
不合格品分类
6.3型式检验
检验项目
开合性能
型式检验的样本应在出厂检验的合格批中随机抽取。要求
试验方法
AQL值
6.3.1正常生产时,型式检验应每12个月进行1次,发生下列情形之一时,也应进行型式检验:当设计、工艺、材料有所改变可能影响产品质量时:与上次型式检验有较大差异时:停产3个月以上重新生产时;
国家质量监督部门提出型式检验要求时。型式检验的抽样按GB/T2829进行,采用判别水平I的一次抽样方案。6.3.2
型式检验的检验项目、要求、试验方法见表3。表3型式检验
不合格品分类
检验项目
耐温性
热合牢度
拉链性能
按扣抗疲劳次数
试验方法
RQL值
7标志、包装、运输、购存
7.1标志
QB/T4513—2013
产品外包装或其包装箱应标有产品名称、型号、生产企业名称、地址、商标、数量、合格证(或合格章)、采用标准编号。纸箱标志应符合GB/T191的规定。7.2包装
产品包装结构应合理,包装物应完整无损、干燥、清洁、牢固。包装纸箱应符合GB/T6543的规定。7.3运输
产品在运输过程中应保持清洁、干燥,轻装、轻卸,避免日晒、雨淋、受潮。7.4贮存
产品应放置在干燥、通风的地方,且堆放不应过高,防止纸箱压坏。1
QB/T4513-2013
中华人民共和国
轻工行业标准
文件资料袋
QB/T4513—2013
中国轻工业出版社出版发行
地址:北京东长安街6号
邮政编码:100740
发行电话:(010)65241695
网址:http:/chlip.com.cnEmail:club@chlip.com.cn
轻工业标准化编辑出版委员会编辑地址:北京西城区下斜街29号
邮政编码:100053
电话:(010)68049923/24/25
版权所有
侵权必究
书号:155019·4079
印数:1-200册
小提示:此标准内容仅展示完整标准里的部分截取内容,若需要完整标准请到上方自行免费下载完整标准文档。
分类号:Y54
备案号:41655-2013
中华人民共和国轻工行业标准
QB/T4513—2013
文件资料袋
Document data bag
2013-07-22发布
中华人民共和国工业和信息化部2013-12-01实施
本标准按照GB/T1.1一2009给出的规则起草。本标准由中国轻工业联合会提出。本标准由全国文体用品标准化中心归口。QB/T4513-2013
本标准负责起草单位:深圳市齐心文具股份有限公司、樱花(福建)包装文具有限公司、得力集团有限公司、广东华隆文具有限公司。本标准参加起草单位:三木控股集团有限公司、广博集团股份有限公司、瑞教集团有限公司、厦门市华测检测技术股份有限公司。本标准主要起草人:康红兵、关永瑞、汪剑波、寇伟、刘本清、徐腾、陈瑞教、李春龙。范围
文件资料袋
QB/T4513—2013此内容来自标准下载网
本标准规定了文件资料袋的术语和定义、要求、试验方法、检验规则,及标志、包装、运输、贮存。本标准适用于文件套、拉链袋、按扣袋、活页袋及类似产品。2规范性引用文件
下列文件对于本文件的应用是必不可少的。凡是注日期的引用文件,仅注日期的版本适用于本文件。凡是不注日期的引用文件,其最新版本(包括所有的修改单)适用于本文件。GB/T191包装储运图示标志
GB/T2828.1计数抽样检验程序第1部分:按接收质量限(AQL)检索的逐批检验抽样计划GB/T2829周期检验计数抽样程序及表(适用于对过程稳定性的检验)GB/T6543运输包装用单瓦楞纸箱和双瓦楞纸箱3术语和定义
下列术语和定义适用于本文件。3.1
文件套shapefolder
以塑胶、纸质材质制成的“U”型、“L”型、“C”型等形状,用来收集和保护文件资料的套(见图1)。
a一宽度;b—长度
图1文件套
拉链袋zipperbag
以塑胶、布料等材质制成的用拉链、夹链启闭,用于收集和保护文件资料的袋(见图2)。QB/T4513-2013
a)拉链袋A款式
按扣袋buttonbag
宽度:
一长度
拉链袋
拉链袋B款式
以塑胶、纸质等材料制成,以按扣、绳子、粘扣等形式闭合,用来收集和保护文件资料的袋(见图3)a—宽度:b—长度
a按扣袋A款式
活页袋sheetprotectors
图3按扣袋
b)按扣袋8款式
用塑胶材质制成,具备装订功能或分类功能,用来收集和保护文件资料的袋(见图4)2
4要求
4.1外观
000000000009
000000000
)活页袋A款式
a-宽度:6长度
图4活页袋
4.1.1文件资料袋应整体光洁,不应有皱折、破损及明显刮伤。4.1.2印刷的字符和图案应清晰、准确。4.1.3结合点应清晰平整。
4.2尺寸
4.2.1基本规格、尺寸
b)活页袋B款式
QB/T4513-2013
文件套、拉链袋、按扣袋、活页袋的基本规格、尺寸见图1、图2、图3、图4和表1。表
文件资料袋基本规格、尺寸
文件套
拉链袋
按扣袋
活页袋
A4(横式)
A4(竖式)
215~238
/230~250
320~342
350~375
310342
220~250
230~245
300~315
345~365
-230~250
240~260
220~250
310~342
300~306
板材厚度
单位为毫米
注:除A4规格、部分F/C规格外,其他规格的产品尺寸参数,依据对应资料的尺寸,再加上承载资料所必须的放宽幅度,针对性地进行具体设置。3
QB/T4513-2013
4.2.2四边垂直角度的极限偏差为(90土1)。。4.3性能
4.3.1耐温性能
4.3.1.1文件套、拉链袋、按扣袋在-15℃~+65℃环境下不应出现变形、脆化、开裂。4.3.1.2活页袋在-15℃~+45℃环境下不应出现变形、脆化、开裂。4.3.2结合性能
4.3.2.1文件套、拉链袋、按扣袋的结合力不应小于16N。4.3.2.2活页袋的结合力不应小于8N。4.3.3拉链性能
拉链拉次至少应为200次。拉链往返拉合顺畅,不应有阻滞感、拉链破损等现象。4.3.4开合性能
资料袋所用的绳子、粘接物质等应使用性能良好,开合方便,使用开合中不应出现迟滞感。4.3.5按扣性能
4.3.5.1按扣抗疲劳次数至少应为600次,按扣与板材结合处不应有破裂、脱落。4.3.5.2按扣袋经高低温试验后,抗疲劳次数不应少于300次,按扣与板材结合处不应有破裂、脱落。5试验方法
5.1外观
感官测定。
5.2尺寸
5.2.1厚度测试用量程(0~25)mm外径千分尺,测10个试样,每个试样测试不同位置3个点,取算术平均值。其他基本尺寸用钢直尺测量。5.2.2四边垂直角度用角度尺测量。5.3性能
5.3.1耐温性能
5.3.1.1将文件套、拉链袋、纽扣袋放入低温箱,在-15℃的温度下保持4h,取出试样在常温下放置30min后观察。再将其放入恒温恒湿实验箱中,在相对湿度(50土5)%,温度65℃下保持4h,取出试样在常温下放置30min后观察。
5.3.1.2将活页袋放入低温箱,在-15℃的温度下保持4h,取出试样在常温下放置30min后观察。再将其放入。将上述样品在常温下放置30min,再将其放入恒温恒湿实验箱中,在45℃的温度下保持4h,取出后观察。恒温恒湿实验箱中,在相对湿度(50土5)%,温度45℃下保持4h,取出试样在常温下放置30min后观察。
5.3.2结合牢度
5.3.2.1取1段宽度为15mm的结合线试样,将其固定,在试样结合线上放1条长度为20mm、直径为1.7mm的硬质圆形铁线,铁线两端露出试样结合线,在铁线中心位下方向下施加16N的力1min,观察结合位是否出现损坏(见图5)。4
热合线
图5文件套、拉链袋、纽扣袋结合性能试验5.3.2.2活页袋的结合性能
QB/T4513—2013
取1段宽度为15mm的结合线试样,将其固定,在结合试样线上放1条长度为20mm、直径为1.7mm的硬质圆形铁线,铁线两端露出试样结合线。在铁线中心位下方向下施加8N的力1min,观察结合位是否出现损坏(见图6)。
热合线
活页袋结合性能试验
QB/T4513-2013
5.3.3拉链性能
将拉链袋放置在-15℃低温箱中保持4h,取出试样,常温放置60min后,拉合拉链100次(拉合往返为1次),检查是否灵活顺畅。再将拉链袋放置在65℃高温下保持4h,取出试样,常温放置60min后,拉合拉链100次,检查是否灵活顺畅。5.3.4开合性能
资料袋所用的绳子、粘结物按实际操作开合,并用感官检验。5.3.5按扣性能
5.3.5.1对按扣袋的按扣开合600次(开合往返为1次)后,检查其是否出现破裂、脱落。5.3.5.2将按扣袋放置在-15℃低温箱中保持4h,取出试样,常温放置60min后,拉合拉链150次(开合为1次),检查是否出现破裂、脱落。再将按扣袋放置在65℃高温下保持4h,取出试样,常温放置60min后,拉合拉链150次,检查是否出现破裂、脱落。6检验规则
6.1检验形式
产品检验分出厂检验和型式检验。检验采用计件法,产品单位为个。6.2出厂检验
6.2.1每批产品应经过生产厂家品质部门的检验,合格后方可出厂。6.2.2出厂检验的抽样方案,按GB/T2828.1中特殊检验水平S-2、正常检验一次抽样方案进行。6.2.3出厂检验的检验项目、要求、试验方法、AQL值见表2。表2出厂检验
不合格品分类
6.3型式检验
检验项目
开合性能
型式检验的样本应在出厂检验的合格批中随机抽取。要求
试验方法
AQL值
6.3.1正常生产时,型式检验应每12个月进行1次,发生下列情形之一时,也应进行型式检验:当设计、工艺、材料有所改变可能影响产品质量时:与上次型式检验有较大差异时:停产3个月以上重新生产时;
国家质量监督部门提出型式检验要求时。型式检验的抽样按GB/T2829进行,采用判别水平I的一次抽样方案。6.3.2
型式检验的检验项目、要求、试验方法见表3。表3型式检验
不合格品分类
检验项目
耐温性
热合牢度
拉链性能
按扣抗疲劳次数
试验方法
RQL值
7标志、包装、运输、购存
7.1标志
QB/T4513—2013
产品外包装或其包装箱应标有产品名称、型号、生产企业名称、地址、商标、数量、合格证(或合格章)、采用标准编号。纸箱标志应符合GB/T191的规定。7.2包装
产品包装结构应合理,包装物应完整无损、干燥、清洁、牢固。包装纸箱应符合GB/T6543的规定。7.3运输
产品在运输过程中应保持清洁、干燥,轻装、轻卸,避免日晒、雨淋、受潮。7.4贮存
产品应放置在干燥、通风的地方,且堆放不应过高,防止纸箱压坏。1
QB/T4513-2013
中华人民共和国
轻工行业标准
文件资料袋
QB/T4513—2013
中国轻工业出版社出版发行
地址:北京东长安街6号
邮政编码:100740
发行电话:(010)65241695
网址:http:/chlip.com.cnEmail:club@chlip.com.cn
轻工业标准化编辑出版委员会编辑地址:北京西城区下斜街29号
邮政编码:100053
电话:(010)68049923/24/25
版权所有
侵权必究
书号:155019·4079
印数:1-200册
小提示:此标准内容仅展示完整标准里的部分截取内容,若需要完整标准请到上方自行免费下载完整标准文档。
标准图片预览:





- 其它标准
- 上一篇: QB/T 4512-2013 文件管理盒
- 下一篇: QB/T 4535-2013 织物柔顺剂
- 热门标准
- 行业标准
- QB/T2833-2006 运动营养食品 能量控制食品
- QB/T1819-1993 R6纸板电池生产线
- QB/T2058-1994 照相灯泡
- QB/T1949-2004 扬琴
- QB/T2956-2008 皮鞋外底
- QB2176-1995 非公路自行车安全要求
- QB/T2173-2001 尼龙拉链
- QB/T2421-1998 铝及铝合金不粘锅
- QB/T1753.3-1993 轻机产品图样及设计文件规定格式及填写要求
- QB/T4704-2014 腿脚按摩器
- QB/T2674-2004 皮鞋试穿检验规则
- QB/T1272-2012 毛皮 化学试验样品的准备
- QB/T1660-1992 猪鬃
- QB/T4427-2012 芸香浸膏 枫香树脂提取物
- QB6005-1992 麦芽厂设计规范
- 行业新闻
请牢记:“bzxz.net”即是“标准下载”四个汉字汉语拼音首字母与国际顶级域名“.net”的组合。 ©2025 标准下载网 www.bzxz.net 本站邮件:bzxznet@163.com
网站备案号:湘ICP备2025141790号-2
网站备案号:湘ICP备2025141790号-2