- 您的位置:
- 标准下载网 >>
- 标准分类 >>
- 国家标准(GB) >>
- GB/T 28713.1-2012 管壳式热交换器用强化传热元件 第1部分:螺纹管
标准号:
GB/T 28713.1-2012
标准名称:
管壳式热交换器用强化传热元件 第1部分:螺纹管
标准类别:
国家标准(GB)
标准状态:
现行出版语种:
简体中文下载格式:
.rar .pdf下载大小:
部分标准内容:
ICS 23. 040. 10
中华人民共和国国家标准
GB/T28713.1-2012
管壳式热交换器用强化传热元件第1部分:螺纹管
Enhanced heat transfer elements used in tube-shell heat exchangers-Part 1:Threaded tubes
2012-09-03发布
中华人民共和国国家质量监督检验检疫总局中国国家标准化管理委员会
2013-01-01实施
GB/T28713《管壳式热交换器用强化传热元件》分为3个部分:第1部分:螺纹管;
-第2部分:不锈钢波纹管;
第3部分:波节管,
本部分为GB/T28713的第1部分。本部分按照 GB/T 1.1—2009 给出的规则起草。本部分由全国锅炉压力容器标准化技术委员会(SAC/TC262)提出并归几。GB/T 28713.12012
本部分起草单位:甘肃蓝科石化高新装备股份有限公司、上海蓝滨石化设备有限责任公司。本部分击要起草人·张丰,邹建东.赵亮,陈战杨1范围
管壳式热交换器用强化传热元件第1部分:螺纹管
GB/T 28713.1—2012
GB/T28713的本部分规定了管壳式热交换器用螺纹管的基本参数及技术要求。本部分适用于管外总热阻(包括介质膜热阻和污垢热阻)为控制热阻的传热场台。本部分不适用于管外固体粉含量较高或易于结焦的场合。2规范性引用文件
下列文件对于本文件的应用是必不可少的。凡是注日期的引用文件,仅注日期的版本适用于本文件。凡是不注日期的引用文件,其最新版本(包括所有的修改单)适用于本文件。GB151管壳式换热器
GB/T241金属管液压试验方法
GB5310高压锅炉用无缝钢管
GB6479商压化肥设备用无缝钢管GB9948布油裂化用无缝钢管
GB13296铸炉、热交换器用不锈钢无缝钢管3术语、定义和符号
3. 1术语和定义
GB 151界定的以及下列术语和定义适用于本文件:3. 1.1
螺纹管 threaded tubes
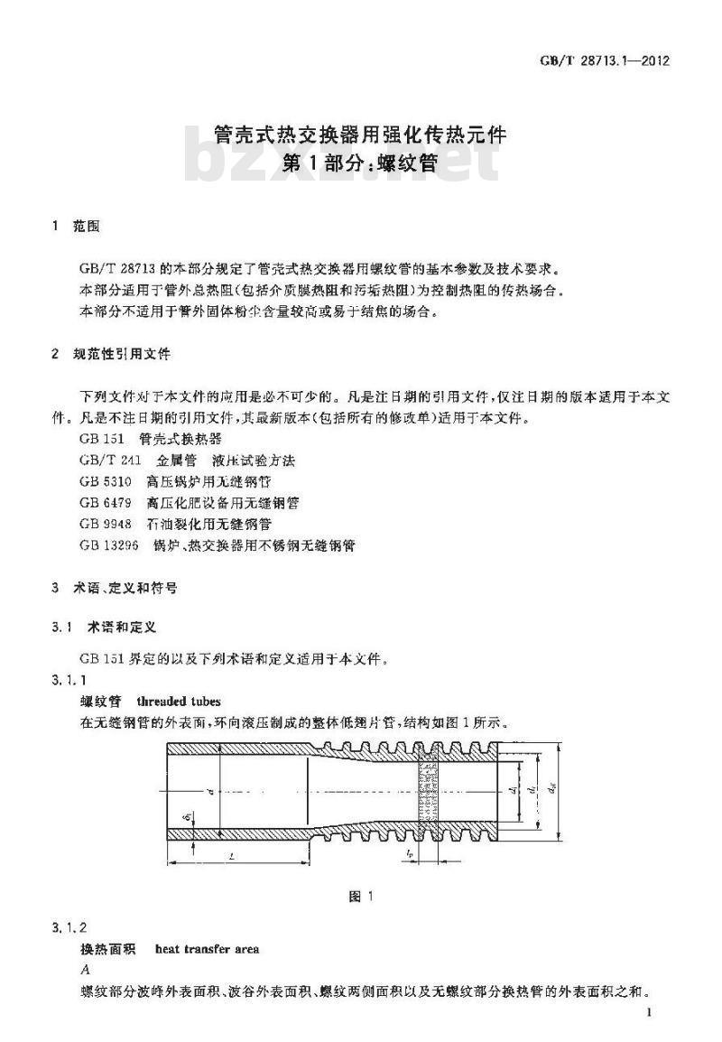
在无缝钢管的外表面,环向滚压制成的整体低翅片管,结构如图1所示。R
换热面积
heat transfer area
螺纹部分波峰外表面积,波谷外表面积、螺纹两侧面积以及无螺纹部分换热管的外表面积之和。1
GB/T 28713.1—2012
翘化比fin ratiobzxz.net
螺纹管换热面积与滚压前基管外表面积的比值。3.2符号
下列符号适用于本文件。
螺纹管外径(基管外径),mm;-螺纹管当童直径(图中阴影部分面积与螺距之比):-螺纹管内径(螺纹部分管内径),m均;d,-\-螺纹管根径(螺纹部分波谷的直径),mm;dat
螺纹管齿顶圆直径(螺纹部分波峰的直径)),mm;无螺纹部分的基管端部长度,也;一螺距,螺纹部分-一个波峰的中心到相邻一个波峰的中心的距离,mm;螺纹管壁厚(基管肇厚):mm。螺纹管基本参数
螺纹管基本参数应符合表1的规定;当需方有要求时,可变更d×8,螺纹参数可参照本部分确定。表1
钢管尺寸
dxa/mm
19 ×2
5技术要求
螺纹管尺寸/mm
不小于
5.1加工螺纹管用钢管应有质量证明书;无质量证明书或其检验项日不符合要求者,制造厂应进行复验,不合格的钢管不得使用。
5.2加工螺纹管的钢管为10号或20号冷拔无缝钢管及奥氏体不锈钢无缝管,应优先选用10号钢管。2
GB/T28713.1—2012
钢管的化学成分,力学性能应分别符合标准GB5310、GB6479、GB9948.GB13296的有关规定。5.3螺纹管还应符合GB151的有关要求。5.4螺管的尺寸偏差应符合表2的规定,每米最少螺纹数应符合表3的规定,表2
螺距p/mm
每米最少螺纹数
de:/mm
5.5螺纹管两端应各留出一段不加工螺纹的基管段,其长度L为管板厚度加30mm,订货合同未作规定时,按120mm供货。
5.6螺纹表面不得有起皮、镶入物等缺陷。5.7螺纹管的直线度允差应不大于1.5mm/m。5.8螺纹管两端应切成直角,并清除毛刺。5.9经供需双方协商可逐根进行液压试验。6检验与试验方法
6.1螺纹管外表面应在充分照明条件下逐根目视检查6.2螺纹管的尺寸应采用符合精度要求的量具进行检验。每30根(不足300根按300根计)应随机抽样3根进行尺寸检验,其检验项目及结果应符合第5章的规定。当任何一根不合格时,应另抽6根逊行检验。如仍有两根不合格时,则该批应进行逐根检验,不合格者应去除。6.3液压试验按照GB/T241进行,7包装与质量证明书
7.1螺纹管的包装方式由制造」确定,应符合下列要求:a)防雨永;
b)不损伤螺纹表面,不使螺纹管变形;c)包装箱倒放、侧放时,螺纹管在箱内应不松动。7.2经检验合格的螺纹管,制造厂应填写产品合格证。连同钢管的质量证明弱一起装箱发运,产品合格证至少应包括下列各项:
a)钢管规格;
b)螺纹管基本参数:
c)检验项目及其检验结果!
d)检验日期及检验者姓名或代号:e)制造且期,
制造厂名称。
GB/T 28713. 1-2012
打印日期:2013年5月30日F009A中华人民共和国
国家标雅
管壳式热交换器用强化传热元件第1部分:螺纹管
GB/T 28713.1—2012
中国标淮出版社出版发行
北京市朝阳区和平里西街甲2号(100013)北京市西城区三里河北街16号(100045)网址: spc. net cn
总编室:(010)64275323发行中心:(010)51780235政者服务部:(010)68523946
中国标准出版社秦皇岛印刷厂印刷各地新华书店经销
开本880×12301/16印张0.5数7千字2013 年 5 月第一版 2013 年 5 月第一次印别*
书号:1550661-45863定价14.00元如有印装差错由本社发行中心调换版权专有侵权必究
举报电话:(C10)68510107
TKANKAca-
小提示:此标准内容仅展示完整标准里的部分截取内容,若需要完整标准请到上方自行免费下载完整标准文档。
中华人民共和国国家标准
GB/T28713.1-2012
管壳式热交换器用强化传热元件第1部分:螺纹管
Enhanced heat transfer elements used in tube-shell heat exchangers-Part 1:Threaded tubes
2012-09-03发布
中华人民共和国国家质量监督检验检疫总局中国国家标准化管理委员会
2013-01-01实施
GB/T28713《管壳式热交换器用强化传热元件》分为3个部分:第1部分:螺纹管;
-第2部分:不锈钢波纹管;
第3部分:波节管,
本部分为GB/T28713的第1部分。本部分按照 GB/T 1.1—2009 给出的规则起草。本部分由全国锅炉压力容器标准化技术委员会(SAC/TC262)提出并归几。GB/T 28713.12012
本部分起草单位:甘肃蓝科石化高新装备股份有限公司、上海蓝滨石化设备有限责任公司。本部分击要起草人·张丰,邹建东.赵亮,陈战杨1范围
管壳式热交换器用强化传热元件第1部分:螺纹管
GB/T 28713.1—2012
GB/T28713的本部分规定了管壳式热交换器用螺纹管的基本参数及技术要求。本部分适用于管外总热阻(包括介质膜热阻和污垢热阻)为控制热阻的传热场台。本部分不适用于管外固体粉含量较高或易于结焦的场合。2规范性引用文件
下列文件对于本文件的应用是必不可少的。凡是注日期的引用文件,仅注日期的版本适用于本文件。凡是不注日期的引用文件,其最新版本(包括所有的修改单)适用于本文件。GB151管壳式换热器
GB/T241金属管液压试验方法
GB5310高压锅炉用无缝钢管
GB6479商压化肥设备用无缝钢管GB9948布油裂化用无缝钢管
GB13296铸炉、热交换器用不锈钢无缝钢管3术语、定义和符号
3. 1术语和定义
GB 151界定的以及下列术语和定义适用于本文件:3. 1.1
螺纹管 threaded tubes
在无缝钢管的外表面,环向滚压制成的整体低翅片管,结构如图1所示。R
换热面积
heat transfer area
螺纹部分波峰外表面积,波谷外表面积、螺纹两侧面积以及无螺纹部分换热管的外表面积之和。1
GB/T 28713.1—2012
翘化比fin ratiobzxz.net
螺纹管换热面积与滚压前基管外表面积的比值。3.2符号
下列符号适用于本文件。
螺纹管外径(基管外径),mm;-螺纹管当童直径(图中阴影部分面积与螺距之比):-螺纹管内径(螺纹部分管内径),m均;d,-\-螺纹管根径(螺纹部分波谷的直径),mm;dat
螺纹管齿顶圆直径(螺纹部分波峰的直径)),mm;无螺纹部分的基管端部长度,也;一螺距,螺纹部分-一个波峰的中心到相邻一个波峰的中心的距离,mm;螺纹管壁厚(基管肇厚):mm。螺纹管基本参数
螺纹管基本参数应符合表1的规定;当需方有要求时,可变更d×8,螺纹参数可参照本部分确定。表1
钢管尺寸
dxa/mm
19 ×2
5技术要求
螺纹管尺寸/mm
不小于
5.1加工螺纹管用钢管应有质量证明书;无质量证明书或其检验项日不符合要求者,制造厂应进行复验,不合格的钢管不得使用。
5.2加工螺纹管的钢管为10号或20号冷拔无缝钢管及奥氏体不锈钢无缝管,应优先选用10号钢管。2
GB/T28713.1—2012
钢管的化学成分,力学性能应分别符合标准GB5310、GB6479、GB9948.GB13296的有关规定。5.3螺纹管还应符合GB151的有关要求。5.4螺管的尺寸偏差应符合表2的规定,每米最少螺纹数应符合表3的规定,表2
螺距p/mm
每米最少螺纹数
de:/mm
5.5螺纹管两端应各留出一段不加工螺纹的基管段,其长度L为管板厚度加30mm,订货合同未作规定时,按120mm供货。
5.6螺纹表面不得有起皮、镶入物等缺陷。5.7螺纹管的直线度允差应不大于1.5mm/m。5.8螺纹管两端应切成直角,并清除毛刺。5.9经供需双方协商可逐根进行液压试验。6检验与试验方法
6.1螺纹管外表面应在充分照明条件下逐根目视检查6.2螺纹管的尺寸应采用符合精度要求的量具进行检验。每30根(不足300根按300根计)应随机抽样3根进行尺寸检验,其检验项目及结果应符合第5章的规定。当任何一根不合格时,应另抽6根逊行检验。如仍有两根不合格时,则该批应进行逐根检验,不合格者应去除。6.3液压试验按照GB/T241进行,7包装与质量证明书
7.1螺纹管的包装方式由制造」确定,应符合下列要求:a)防雨永;
b)不损伤螺纹表面,不使螺纹管变形;c)包装箱倒放、侧放时,螺纹管在箱内应不松动。7.2经检验合格的螺纹管,制造厂应填写产品合格证。连同钢管的质量证明弱一起装箱发运,产品合格证至少应包括下列各项:
a)钢管规格;
b)螺纹管基本参数:
c)检验项目及其检验结果!
d)检验日期及检验者姓名或代号:e)制造且期,
制造厂名称。
GB/T 28713. 1-2012
打印日期:2013年5月30日F009A中华人民共和国
国家标雅
管壳式热交换器用强化传热元件第1部分:螺纹管
GB/T 28713.1—2012
中国标淮出版社出版发行
北京市朝阳区和平里西街甲2号(100013)北京市西城区三里河北街16号(100045)网址: spc. net cn
总编室:(010)64275323发行中心:(010)51780235政者服务部:(010)68523946
中国标准出版社秦皇岛印刷厂印刷各地新华书店经销
开本880×12301/16印张0.5数7千字2013 年 5 月第一版 2013 年 5 月第一次印别*
书号:1550661-45863定价14.00元如有印装差错由本社发行中心调换版权专有侵权必究
举报电话:(C10)68510107
TKANKAca-
小提示:此标准内容仅展示完整标准里的部分截取内容,若需要完整标准请到上方自行免费下载完整标准文档。
标准图片预览:





- 热门标准
- 国家标准
- GB/T2828.1-2012 计数抽样检验程序 第1部分:按接收质量限(AQL)检索的逐批检验抽样计划
- GB/T8566-2022 系统与软件工程 软件生存周期过程
- GB/T30917—2014 /ISo 29941:2010 天然胶乳橡胶避孕套中可迁移亚硝胺的测定
- GB/T9124.1-2019 钢制管法兰 第1部分:PN 系列
- GB/T1182-2018 产品几何技术规范(GPS) 几何公差 形状、方向、位置和跳动公差标注
- GB/T12777-1999 金属波纹管膨胀节通用技术条件
- GB/T29633.4-2020 南极地名 第4部分:罗马字母拼写
- GB/T5169.15—2015 /IEC 60695-11-3;2012 电工电子产品着火危险试验第15部分:试验火焰500 W火焰装置和确认试验方法
- GB4706.3-1986 家用和类似用途电器的安全食物搅碎器及类似用途电器的特殊要求
- GB15193.5-2003 骨髓细胞微核试验
- GB15985-1995 丝虫病诊断标准及处理原则
- GB19159-2003 车用液化石油气
- GB/T7407-1997 中国及世界主要海运贸易港口代码
- GB14287.4-2014 电气火灾监控系统 第4部分:故障电弧探测器
- GB/T43929-2024 空间用纤维光学器件测试指南
- 行业新闻
请牢记:“bzxz.net”即是“标准下载”四个汉字汉语拼音首字母与国际顶级域名“.net”的组合。 ©2025 标准下载网 www.bzxz.net 本站邮件:bzxznet@163.com
网站备案号:湘ICP备2025141790号-2
网站备案号:湘ICP备2025141790号-2