- 您的位置:
- 标准下载网 >>
- 标准分类 >>
- 国家标准(GB) >>
- GB/T 26940-2011 牡蛎干
 标准内容
标准内容部分标准内容:
					
					ICS 67. 120. 30
中华人民共和国国家标准
GB/T26940--2011
牡蛎干
Dried oysters
2011-09-29发布
中华人民共和国国家质量监督检验检疫总局中国国家标准化管理委员会
2012-02-01实施
本标由广东省质最技术监督局提出。前言
GB/T26940—2011
本标准出全国水产标准化技术委员会水产品加工分技术委员会(SAC/TC156/SC3)归本标准起草单位:广东省湛江市质量技术监督标准与编码所、广东海洋大学。本标准主要起草人:窦兴德、刘明成、章建设、童银洪、黄和、雷晓凌。1
TYiKAoNYKAca
1范围
牡蛎手
GB/T 26940—2011
本标准规定了牡蛎干的要求、试验方法、检验规则、标签、包装、贮存和运输要求。本标准适用于养殖或野生牡蛎(()streQspp.)为原料,经取肉、漂洗、加盐蒸煮(或未经蒸煮)、干燥、分选等工序制成的干牡,
2规范性引用文件
下列文件中的条款通过本标谁的引用而成为本标雅的条款,凡是注且期的引用文件,其随后所有的修改单(不包括勘误的内容)或修订版均不适用于本标准,然而,鼓励根据本标准达成协议的各方研究是否可使用这些文件的最新版本,凡是不注H期的引用文件,其最新版本适用于本标准。GB2733鲜,冻动物性水产品卫生标准GB5009.3食品安全国家标准食品中水分的测定GB/T5009.37·2003食用植物油卫生标推的分析方法GB 5749生活饮用水卫生标准
GB7718预包装食品标签通则
GB10111动物性水产干制品卫生标准SC/T3009—1999水产品加工质量管理规范SC/T3011水产品中盐分的测定
SC/T3016水产品抽样方法
2水产品中挥发性盐基氮的测定
SC/T 3032
JJF1070定量包装商品净含量计量检捡验规则3要求
3.1原料
应使用未受污染或经净化处理的鲜活牡蛎,应符合GB2733中的规定。3.2生产用水
应符合GB5749的规定,
3. 3生产加工条件
生产加1企业应符合SC/T3009-1999第一篇中规定,3.4规格
产品规格见表1,同一规格的牡蛎干,应大小均勾-致。表1产品规格
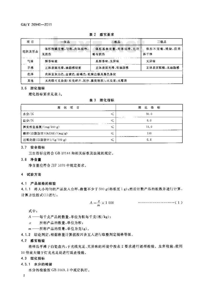
3.5感官要求
感官要求见表2。
181~350
单位为粒每千克
GB/T 26940—2011
组织及形态
一级品
体形饱满完整,匀称,肉体洁净,
无损伤
鲜香味浓
正体表面光滑,油脂感较重
表 2感官要求
二级品
体形基本完整,肉体洁净,允许
略有损伤
具鲜香味,无异味
正体表面光滑,有油脂感
肉体呈灰白色、金黄色、棕褐色,轮廓边缘具黑色条纹尤肉眼可见杂质贝壳碎片、泥沙、藻类物质);无虫害;尤霉斑理化指标
理化指标要求见表 3。
表3理化指标
理化项目
水分/%
盐分/%
挥发性盐基氮/酸价(以脂肪计)(KOH)/(mg/g)
过氧化值(以脂肪计)/(g/100 g)安全指标
卫生指标应符合GB1014和相关标准及法规的规定。3.8净含量
净含量应符合 JJF 1070 中规定要求。4试验方法
4.1产品规格的检验
三级品
体形不完整,残缺,但肉
体干净
无异味
正休表面粗糙,无油脂感
理化指标
4.1.1将人小均匀的产品放人台秤,称量不少于500g(称准至1g)然后计数产品的粒数并进行计算让算方法按式(1)进行:
A=×1000
式中:
A—每千克产品的数量,单位为粒每千克(粒/kg);所称产品的数量,单位为粒;
所称产品的质量,单位为克(g),4.1.2结论判定:根据称量计算值按四舍五人进行取整判定规格等级。4.2感官检验
将样品平摊于白瓷盘内,光线充足,无异味的环境中按表2要求进行逐项检验。虫害检验:使用10 倍放大镜于灯光充足处进行观查检验。4.3理化指标
4.3.1水分的检验
水分的检验按GB 5009.3中规定执行。2
TYIKAONYKAca
4.3.2盐分的捡验免费标准bzxz.net
盐分的检验按 SC/T 3011 中规定执行,4.3.3挥发性盐基氨的检验
挥发性盐基氮的检验按SC/T3032中规定执行。4.3.4酸价测定
酸价测定按GB/T5009.37—2003中4.1规定执行,4.3.5过氧化值测定
过氧化值测定按GB/T5009.37-2003中1.2规定执行。4. 4卫生指标的检验
卫生指标的检验按GB 10144的规定执行,4. 5净含量偏差的检验
净含量检验按JJF 1070 中规定执行。5检验规如
5.1组批规则与抽样方法
5.1.1组批规则
GB/T 26940—2011
以向一海域或同一养殖场的原料,在向一加工条件下,以间-天或间--班组加工的产品组成批,按批抽样:或以交货批组成检验批。5. 1,2抽样方法
抽样方法按SC/T3016中规定执行。5.2检验分类
5.2. 1出厂检验
每批产品应进行出厂检验。出厂检验由生产单位质量检验部门执行,检验项月:产品规格、感官要求、理化指标和净含:检验合格签发检验合格证,产品凭检验合格证人库或出!。5.2.2型式检验
有下列情况之一-时,应进行型式检验,检验项日为本标准中规定的全部项目。a)长期停产,恢复生产时;
b)原料变化或改变主要生产工艺及生产条件,可能影响产品质最安全时;c)国家质量监督机构提出进行型式检验要求时;d)山厂检验与上次型式检验有较大差异时:e)每年应进行-次周期性检验。5.3判定规则
5. 3. 1所检项目的检验结果均应符合标准中要求,每批平均净含量不得低于标示量5.3.2检验结果中若有一项指标不符合标准规定时,允许加倍抽样将此项目复检一次,按复检结果判定本批产品是否合格。
5.3.3检验结果中如有两项或两项以上指标不符合标准规定时,则判本批产品不合格。5.3.4检验结果中,理化指标和安全指标中有·-项不符合本标准规定要求时,则判本批产品不合格,不得复检。
6标签、包装、运输、贮存
6.1标签
销传包装的标签应符合GB7718的规定。内容包括:品名规格、净含量、质量等级产品标准代GB/T26940—2011
号、生产者或经销者名称、地址、加工日期、批号、保质期、贮藏条件及其他需说明的事项。6.2包装
6.2.1内包装材料要求
内包装材料要求如下:
a)直接与产品接触的包装应使用食品用包装材料;b)包装材料应向国家主管机构许可的食品包装材料企业购进。6.2.2运输包装要求
运输包装宜来用防挤压箱体,内衬食品用塑料袋6.2.3销售包装要求
销售包装宜采用食品用塑料袋、纸盒等包装:包装应牢固、严密,包装材料卫生,清洁。6.3运输
运输工具应清洁、卫生、防雨,运输中应防止受潮、口嗮、虫害、有害物质的污染及其他损害,装卸时应防止机械损伤。
6.4贮存
本品长期贮藏时,宜低于4下贮存;防止受潮,日晒、虫害、有害物质的污染及其他损害。-YTKAONYKAca
小提示:此标准内容仅展示完整标准里的部分截取内容,若需要完整标准请到上方自行免费下载完整标准文档。 
	 
	        
	      中华人民共和国国家标准
GB/T26940--2011
牡蛎干
Dried oysters
2011-09-29发布
中华人民共和国国家质量监督检验检疫总局中国国家标准化管理委员会
2012-02-01实施
本标由广东省质最技术监督局提出。前言
GB/T26940—2011
本标准出全国水产标准化技术委员会水产品加工分技术委员会(SAC/TC156/SC3)归本标准起草单位:广东省湛江市质量技术监督标准与编码所、广东海洋大学。本标准主要起草人:窦兴德、刘明成、章建设、童银洪、黄和、雷晓凌。1
TYiKAoNYKAca
1范围
牡蛎手
GB/T 26940—2011
本标准规定了牡蛎干的要求、试验方法、检验规则、标签、包装、贮存和运输要求。本标准适用于养殖或野生牡蛎(()streQspp.)为原料,经取肉、漂洗、加盐蒸煮(或未经蒸煮)、干燥、分选等工序制成的干牡,
2规范性引用文件
下列文件中的条款通过本标谁的引用而成为本标雅的条款,凡是注且期的引用文件,其随后所有的修改单(不包括勘误的内容)或修订版均不适用于本标准,然而,鼓励根据本标准达成协议的各方研究是否可使用这些文件的最新版本,凡是不注H期的引用文件,其最新版本适用于本标准。GB2733鲜,冻动物性水产品卫生标准GB5009.3食品安全国家标准食品中水分的测定GB/T5009.37·2003食用植物油卫生标推的分析方法GB 5749生活饮用水卫生标准
GB7718预包装食品标签通则
GB10111动物性水产干制品卫生标准SC/T3009—1999水产品加工质量管理规范SC/T3011水产品中盐分的测定
SC/T3016水产品抽样方法
2水产品中挥发性盐基氮的测定
SC/T 3032
JJF1070定量包装商品净含量计量检捡验规则3要求
3.1原料
应使用未受污染或经净化处理的鲜活牡蛎,应符合GB2733中的规定。3.2生产用水
应符合GB5749的规定,
3. 3生产加工条件
生产加1企业应符合SC/T3009-1999第一篇中规定,3.4规格
产品规格见表1,同一规格的牡蛎干,应大小均勾-致。表1产品规格
3.5感官要求
感官要求见表2。
181~350
单位为粒每千克
GB/T 26940—2011
组织及形态
一级品
体形饱满完整,匀称,肉体洁净,
无损伤
鲜香味浓
正体表面光滑,油脂感较重
表 2感官要求
二级品
体形基本完整,肉体洁净,允许
略有损伤
具鲜香味,无异味
正体表面光滑,有油脂感
肉体呈灰白色、金黄色、棕褐色,轮廓边缘具黑色条纹尤肉眼可见杂质贝壳碎片、泥沙、藻类物质);无虫害;尤霉斑理化指标
理化指标要求见表 3。
表3理化指标
理化项目
水分/%
盐分/%
挥发性盐基氮/
过氧化值(以脂肪计)/(g/100 g)安全指标
卫生指标应符合GB1014和相关标准及法规的规定。3.8净含量
净含量应符合 JJF 1070 中规定要求。4试验方法
4.1产品规格的检验
三级品
体形不完整,残缺,但肉
体干净
无异味
正休表面粗糙,无油脂感
理化指标
4.1.1将人小均匀的产品放人台秤,称量不少于500g(称准至1g)然后计数产品的粒数并进行计算让算方法按式(1)进行:
A=×1000
式中:
A—每千克产品的数量,单位为粒每千克(粒/kg);所称产品的数量,单位为粒;
所称产品的质量,单位为克(g),4.1.2结论判定:根据称量计算值按四舍五人进行取整判定规格等级。4.2感官检验
将样品平摊于白瓷盘内,光线充足,无异味的环境中按表2要求进行逐项检验。虫害检验:使用10 倍放大镜于灯光充足处进行观查检验。4.3理化指标
4.3.1水分的检验
水分的检验按GB 5009.3中规定执行。2
TYIKAONYKAca
4.3.2盐分的捡验免费标准bzxz.net
盐分的检验按 SC/T 3011 中规定执行,4.3.3挥发性盐基氨的检验
挥发性盐基氮的检验按SC/T3032中规定执行。4.3.4酸价测定
酸价测定按GB/T5009.37—2003中4.1规定执行,4.3.5过氧化值测定
过氧化值测定按GB/T5009.37-2003中1.2规定执行。4. 4卫生指标的检验
卫生指标的检验按GB 10144的规定执行,4. 5净含量偏差的检验
净含量检验按JJF 1070 中规定执行。5检验规如
5.1组批规则与抽样方法
5.1.1组批规则
GB/T 26940—2011
以向一海域或同一养殖场的原料,在向一加工条件下,以间-天或间--班组加工的产品组成批,按批抽样:或以交货批组成检验批。5. 1,2抽样方法
抽样方法按SC/T3016中规定执行。5.2检验分类
5.2. 1出厂检验
每批产品应进行出厂检验。出厂检验由生产单位质量检验部门执行,检验项月:产品规格、感官要求、理化指标和净含:检验合格签发检验合格证,产品凭检验合格证人库或出!。5.2.2型式检验
有下列情况之一-时,应进行型式检验,检验项日为本标准中规定的全部项目。a)长期停产,恢复生产时;
b)原料变化或改变主要生产工艺及生产条件,可能影响产品质最安全时;c)国家质量监督机构提出进行型式检验要求时;d)山厂检验与上次型式检验有较大差异时:e)每年应进行-次周期性检验。5.3判定规则
5. 3. 1所检项目的检验结果均应符合标准中要求,每批平均净含量不得低于标示量5.3.2检验结果中若有一项指标不符合标准规定时,允许加倍抽样将此项目复检一次,按复检结果判定本批产品是否合格。
5.3.3检验结果中如有两项或两项以上指标不符合标准规定时,则判本批产品不合格。5.3.4检验结果中,理化指标和安全指标中有·-项不符合本标准规定要求时,则判本批产品不合格,不得复检。
6标签、包装、运输、贮存
6.1标签
销传包装的标签应符合GB7718的规定。内容包括:品名规格、净含量、质量等级产品标准代GB/T26940—2011
号、生产者或经销者名称、地址、加工日期、批号、保质期、贮藏条件及其他需说明的事项。6.2包装
6.2.1内包装材料要求
内包装材料要求如下:
a)直接与产品接触的包装应使用食品用包装材料;b)包装材料应向国家主管机构许可的食品包装材料企业购进。6.2.2运输包装要求
运输包装宜来用防挤压箱体,内衬食品用塑料袋6.2.3销售包装要求
销售包装宜采用食品用塑料袋、纸盒等包装:包装应牢固、严密,包装材料卫生,清洁。6.3运输
运输工具应清洁、卫生、防雨,运输中应防止受潮、口嗮、虫害、有害物质的污染及其他损害,装卸时应防止机械损伤。
6.4贮存
本品长期贮藏时,宜低于4下贮存;防止受潮,日晒、虫害、有害物质的污染及其他损害。-YTKAONYKAca
小提示:此标准内容仅展示完整标准里的部分截取内容,若需要完整标准请到上方自行免费下载完整标准文档。
 标准图片预览
标准图片预览 标准图片预览:





- 其它标准
- 热门标准
- 国家标准
- GB/T21666-2008 尿吸收辅助器具 评价的一般指南
- GB/T32999-2016 表面化学分析 深度剖析 用机械轮廓仪栅网复型法测量溅射速率
- GB/T38604.4-2020 公共信息导向系统 评价要求 第4部分:公共汽电车车站
- GB/T13589-2007 锌及锌合金废料
- GB28355-2012 食品添加剂 水杨酸甲酯(柳酸甲酯)
- GB/T39454-2020 国际贸易业务数据规范货物跟踪与追溯
- GB/T38948-2020 沥青混合料低温抗裂性能评价方法
- GB/T13070-1991 铀矿石中铀的测定 电位滴定法
- GB14880-2012 食品营养强化剂使用标准
- GB/T39755.2-2021 电子文件管理能力体系第2部分:评估规范
- GB/T43912-2024 铸造机械 再制造 通用技术规范
- GB/T9003-1988 调音台基本特性测量方法
- GB/T19561-2004 寒地节能日光温室建造规程
- GB/T7574-1987 信息处理交换用磁带标号和文卷结构
- GB/T24235-2009 直接还原炉料用铁矿石 低温还原粉化率和金属化率的测定 气体直接还原法
- 行业新闻
请牢记:“bzxz.net”即是“标准下载”四个汉字汉语拼音首字母与国际顶级域名“.net”的组合。 ©2025 标准下载网 www.bzxz.net 本站邮件:bzxznet@163.com
网站备案号:湘ICP备2025141790号-2
网站备案号:湘ICP备2025141790号-2
