- 您的位置:
- 标准下载网 >>
- 标准分类 >>
- 国家标准(GB) >>
- GB/T 7113.3-2011 绝缘软管 第3部分:聚氯乙烯玻璃纤维软管
标准号:
GB/T 7113.3-2011
标准名称:
绝缘软管 第3部分:聚氯乙烯玻璃纤维软管
标准类别:
国家标准(GB)
标准状态:
现行出版语种:
简体中文下载格式:
.rar .pdf下载大小:
部分标准内容:
ICS 29. 035. 99
中华人民共和国国家标准
GB/T 7113, 3-2011
绝缘软管
第3部分:聚氯乙烯玻璃纤维软管Flexible insulating sleevingPart 3: Glass textile sleeing with PvC coating(IEC 60684-3-406:2003,Flexible insulating sleevingPart 3 Specifications for individual typcs of slccving-Sheets 406.Glass textile sleeving withPVC coating,MOD)2011-12-30发布
中华人民共和国国家质量监督检验检疫总局中国国家标准化管理委员会
2012-05-01实施
GB/T7113绝缘软管\分为以下几个部分:第1部分:定义和一般要求;
一第2部分:试验方法
第3部分:辜氯艺烯玻璃纤维软管第4部分:丙烯酸酯玻璃纤继软管:第5部分:硅橡胶玻璃纤维软管,—第6部分:氨脂(PUR)皱璃纤维软算;本部分为 GB/T 7113的第 3部分,本部分按照GB/T1.1—2009给出的规厕起草。GB/T 7113.3—2011
本部分使用重新起草法修改采用IFC60684-3-406:2003&绝缘软管第3帮分:各种型号软管规范第406篇:聚氯乙烯玻璃软管》。考虑到我国国情,在采用IEC60684-3-406;2003时,本部分做了一些修改。有关技术性差异已编人正文中并在它们所涉及的条款的页边空白处用垂直单线标识,在附录A中给出了这些技术性差异及其原因的一览表以供参考。
为便于使用,对于IEC60681-3-406:2003本部分还做了下列编辑性修改;a)删除了IEC60681-3-106,2003的目次,前言和引言,b)
将“规范性引用支件”一章中列出的注日期的、但正文中引用时文未注期的引用文件,一律加注期:
将表1、表4中的标称内径数值用“0\补齐为小数点后两位数,以便与内径公差数值小数点后c)
的位数相同,同时补充了表4的一个脚注以注明大管径软管弯曲试验使用6Ⅱmm直径芯伴时所用的试样;
d》将表2、表3,表5的“最大或最小”及“要求\这两列合并,并在相应处用符号\≤”或\≥”表示;
e)将“±2 K”改为\±2 \;f)增加了资料性附录 A以指导使用。请注意本文件的基些内容可能涉及专利。本文件的发布机构不承担识别这些专利的责任。本部分由中国电器工业协会提出。本部分由全国绝缘材料标准化技术委员会(SAC/TC51)归口。本部分起草单位:杭州萧山绝缘材料厂,常熟江南玻璃纤维有限公司、桂林电器科学研究院。本部分主要起草人:马林泉、张胜样、张志刚、张波。I
TTTKAONYKACA
1范围
绝缘软管
第3部分·聚氰乙烯玻璃纤维软管GB/T 7113. 3--2011
GB/T7I13的本部分规了具有柔软案氧乙烯(PVC)或其共案物或混合物连续涂层的编织或针织E型玻璃纤维软管的要求。实践证明,该类软管适合于105心及以下使用。该类软管的内径通常在0.30 mm至25.00mm之间,并具有下列颜色:需色白色、红色,黄色、蓝色、棕色、绿色、灰色、色、粉红色及黄/绿色。除了本部分所列出的尺寸或颜色,其他的尺寸或颜色可根据客户的需求定制。这些产品,如果除尺寸之外其他性能都符合表 2,表 5 和表3(适用时)所列的要求,则应视为符合本部分。凡符合本部分要求的材料,均已达到既定的性能水平。然而,用户在针对某一特定用途选择材料时,宜依据该应用所必需的实标要求来选择,而不证仅依据本部分。2规范性引用文件
下列文件对于本文件的应用是必不可少的,凡是注日期的引文件,仅注日期的版本适用于本义件。凡是不注日期的引文件,其最新版本(包括所有的修改单)适用于本文件:GB/T2423.16—2008电工电子产品环境试验第2部分:试验方法试验J及导则:长霉(IEC60068-2-10.2005,IDT)
GB/T71132003绝缘软管定义及一般要求(IEC60684-1:1980,M0D)GB/T7113.2-2005绝缘软管试验方法(IFC60684-2:1997,M0D)GB/I13534--2009额包标志的代码(IEC60757:1983,IDT)3命名
软管应通过如下命名方式予以标识:7113.3 -4
产品说明
标准代号一
顺序号
有涂层纺织纤维管代号一
区分号
在本部分中,区分号为06、07、08,有涂层纺织纤维管代号“4\加上区分号\06\、\07\、\08”组成的“406”“407”、“408”分别对应丁“高击穿电压”“中等击穿电压”“低击穿电压”品种型号。在上述标识的后而还可用颜色的缩写标注软管的颜色,但任何用来表示颜色的缩写应符合GB/T13534一2009的规定。NC表示“本色/不若色”。无缩写时,可写山颜色的全称。1
TTKANYKACA
CB/T 7113.3—2011
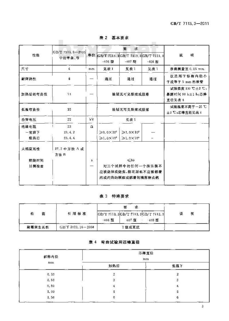
4要求
4.1基本要求
带规尺寸的软管除了应满足 GB/T 7113—2003 的规定要求外,还应满足表 1、表 2 和表 5 的要求。4.2
特殊要求
如果提供的软管具有表3中规定的任何特性,则还应符合表3中应的要求。5合格判断
软管是否符合本部分的要求,遵常应根据标称内径为10.00mm的黑色软管的结果为准。表 1尺寸要求
内径公差
标称内径
GB/T 7113.3-406 型
般小值
最大值
壁厚。
GB/T 7113. 3-407 型
最小值
斑大值
GB/T 7113. 3-408 型
最小值
:对于非标准标称内径的软管,至少应其有和相邻较大标准标称内径软管同样大的壁厚。对于标称内径小于0.30mm的较管,其壁厚至少与0.30mm款管的壁厚相同TTTKAONTKACA
耐焊热性
加热后的弯曲性
低湿弯曲性
击穿电压
绝缘电阻
一室温下
湿热后
火焰荧舜性
盤烧时间
目测检查
耐酶菌生长性
GB/T7113.2—2005
中的意象、号
27. 2 中方法 A 或
方法R
基本要求
单位GB/T7113.3GB/T7113.3GB/T7113.3-406型
引用标准
GB/T 2123. 16—200H
见装】
-407型
见表1
-408型
见表1
涂层无可见裂痕或脱落
涂层无可见裂痕或脱
见表5
对三个试样中的任何一个指示旗不应被烧掉或烧焦,棉花层世不应被普的或灼热的题粒或燃普的消落物点燃表 3 特殊要求
CB/T7113.3GB/T7113.3/GB/T7113.3-型
407型
1级或更优
表 4弯曲试验用芯直径
标称内径
加热后
TTTKONTKACA
芯榉直径
CB/T 7113. 3—2011
准确测量至 0. 0.5 tn m
议适用于标称内径小
于或等于 5 mm 的较管
试验温度 130 ±2 ℃r
亲体时间 96 h士1 h;芯林
直径见表4
试验温度不高于—25℃
±2芯样宜径见表 4
低温下
GB/T 7113.3—2011
标称内径
试样:5 mm 宽的条样
GB/T 7113. 2
击穿电压试验方法免费标准bzxz.net
弹丸檀
直芯接/1o0 mm电板
--高溢下
湿热后
--2005 中的
章,条号
表4 (续)
加热后
表5对击穿电压的要求
GB/T 7113. 3-406 型
最低值
芯棒直径
击穿电压
GR/T 7113. 3-40′ 型
最低值
低温下
GB/T7113,3-408型
最低值
击穿电压应按上述给出的方法之一在室温下,高溢下和显热处理后测定。施加电压的速度应为 500 V/s 或在10 5~209之间达到所要求的击穿电压值。高温下试验应在130 亡±2下进行。TTKAONKACA
附录A
(资料性附录)
本部分与 IEC 60684-3-406:2003 技术性差异及其原因表 A.1给出了本部分与IEC 60684-3-406:2003技术性差异及其原因。GB/T 7113. 3—2011
表A.1本部分与1EC60684-3-406:2003技术性差异及其原因本规范章、录编号
技术性差异
[E60684-3406:2003中引用的
IEC 60684-1:2003是最新版本的标准,而本部分引用的国家标准
GB/T 7113--2003是由 IEC 60684-1:引用了采用 IEC 60684-1: 1980 的国家标准GB/T 7113—2003+而非 IEC 60684-1:2003命名依据GB/T71)3.-2003进行,相对商单1980的版本转化而来的,但经核对主要技术内容未变,不会对本部分的使用造成影响,改为方便使用仍引用此国家标准
IEC606843-406,2003中的命名过于繁杂,不适合我国国情
小提示:此标准内容仅展示完整标准里的部分截取内容,若需要完整标准请到上方自行免费下载完整标准文档。
中华人民共和国国家标准
GB/T 7113, 3-2011
绝缘软管
第3部分:聚氯乙烯玻璃纤维软管Flexible insulating sleevingPart 3: Glass textile sleeing with PvC coating(IEC 60684-3-406:2003,Flexible insulating sleevingPart 3 Specifications for individual typcs of slccving-Sheets 406.Glass textile sleeving withPVC coating,MOD)2011-12-30发布
中华人民共和国国家质量监督检验检疫总局中国国家标准化管理委员会
2012-05-01实施
GB/T7113绝缘软管\分为以下几个部分:第1部分:定义和一般要求;
一第2部分:试验方法
第3部分:辜氯艺烯玻璃纤维软管第4部分:丙烯酸酯玻璃纤继软管:第5部分:硅橡胶玻璃纤维软管,—第6部分:氨脂(PUR)皱璃纤维软算;本部分为 GB/T 7113的第 3部分,本部分按照GB/T1.1—2009给出的规厕起草。GB/T 7113.3—2011
本部分使用重新起草法修改采用IFC60684-3-406:2003&绝缘软管第3帮分:各种型号软管规范第406篇:聚氯乙烯玻璃软管》。考虑到我国国情,在采用IEC60684-3-406;2003时,本部分做了一些修改。有关技术性差异已编人正文中并在它们所涉及的条款的页边空白处用垂直单线标识,在附录A中给出了这些技术性差异及其原因的一览表以供参考。
为便于使用,对于IEC60681-3-406:2003本部分还做了下列编辑性修改;a)删除了IEC60681-3-106,2003的目次,前言和引言,b)
将“规范性引用支件”一章中列出的注日期的、但正文中引用时文未注期的引用文件,一律加注期:
将表1、表4中的标称内径数值用“0\补齐为小数点后两位数,以便与内径公差数值小数点后c)
的位数相同,同时补充了表4的一个脚注以注明大管径软管弯曲试验使用6Ⅱmm直径芯伴时所用的试样;
d》将表2、表3,表5的“最大或最小”及“要求\这两列合并,并在相应处用符号\≤”或\≥”表示;
e)将“±2 K”改为\±2 \;f)增加了资料性附录 A以指导使用。请注意本文件的基些内容可能涉及专利。本文件的发布机构不承担识别这些专利的责任。本部分由中国电器工业协会提出。本部分由全国绝缘材料标准化技术委员会(SAC/TC51)归口。本部分起草单位:杭州萧山绝缘材料厂,常熟江南玻璃纤维有限公司、桂林电器科学研究院。本部分主要起草人:马林泉、张胜样、张志刚、张波。I
TTTKAONYKACA
1范围
绝缘软管
第3部分·聚氰乙烯玻璃纤维软管GB/T 7113. 3--2011
GB/T7I13的本部分规了具有柔软案氧乙烯(PVC)或其共案物或混合物连续涂层的编织或针织E型玻璃纤维软管的要求。实践证明,该类软管适合于105心及以下使用。该类软管的内径通常在0.30 mm至25.00mm之间,并具有下列颜色:需色白色、红色,黄色、蓝色、棕色、绿色、灰色、色、粉红色及黄/绿色。除了本部分所列出的尺寸或颜色,其他的尺寸或颜色可根据客户的需求定制。这些产品,如果除尺寸之外其他性能都符合表 2,表 5 和表3(适用时)所列的要求,则应视为符合本部分。凡符合本部分要求的材料,均已达到既定的性能水平。然而,用户在针对某一特定用途选择材料时,宜依据该应用所必需的实标要求来选择,而不证仅依据本部分。2规范性引用文件
下列文件对于本文件的应用是必不可少的,凡是注日期的引文件,仅注日期的版本适用于本义件。凡是不注日期的引文件,其最新版本(包括所有的修改单)适用于本文件:GB/T2423.16—2008电工电子产品环境试验第2部分:试验方法试验J及导则:长霉(IEC60068-2-10.2005,IDT)
GB/T71132003绝缘软管定义及一般要求(IEC60684-1:1980,M0D)GB/T7113.2-2005绝缘软管试验方法(IFC60684-2:1997,M0D)GB/I13534--2009额包标志的代码(IEC60757:1983,IDT)3命名
软管应通过如下命名方式予以标识:7113.3 -4
产品说明
标准代号一
顺序号
有涂层纺织纤维管代号一
区分号
在本部分中,区分号为06、07、08,有涂层纺织纤维管代号“4\加上区分号\06\、\07\、\08”组成的“406”“407”、“408”分别对应丁“高击穿电压”“中等击穿电压”“低击穿电压”品种型号。在上述标识的后而还可用颜色的缩写标注软管的颜色,但任何用来表示颜色的缩写应符合GB/T13534一2009的规定。NC表示“本色/不若色”。无缩写时,可写山颜色的全称。1
TTKANYKACA
CB/T 7113.3—2011
4要求
4.1基本要求
带规尺寸的软管除了应满足 GB/T 7113—2003 的规定要求外,还应满足表 1、表 2 和表 5 的要求。4.2
特殊要求
如果提供的软管具有表3中规定的任何特性,则还应符合表3中应的要求。5合格判断
软管是否符合本部分的要求,遵常应根据标称内径为10.00mm的黑色软管的结果为准。表 1尺寸要求
内径公差
标称内径
GB/T 7113.3-406 型
般小值
最大值
壁厚。
GB/T 7113. 3-407 型
最小值
斑大值
GB/T 7113. 3-408 型
最小值
:对于非标准标称内径的软管,至少应其有和相邻较大标准标称内径软管同样大的壁厚。对于标称内径小于0.30mm的较管,其壁厚至少与0.30mm款管的壁厚相同TTTKAONTKACA
耐焊热性
加热后的弯曲性
低湿弯曲性
击穿电压
绝缘电阻
一室温下
湿热后
火焰荧舜性
盤烧时间
目测检查
耐酶菌生长性
GB/T7113.2—2005
中的意象、号
27. 2 中方法 A 或
方法R
基本要求
单位GB/T7113.3GB/T7113.3GB/T7113.3-406型
引用标准
GB/T 2123. 16—200H
见装】
-407型
见表1
-408型
见表1
涂层无可见裂痕或脱落
涂层无可见裂痕或脱
见表5
对三个试样中的任何一个指示旗不应被烧掉或烧焦,棉花层世不应被普的或灼热的题粒或燃普的消落物点燃表 3 特殊要求
CB/T7113.3GB/T7113.3/GB/T7113.3-型
407型
1级或更优
表 4弯曲试验用芯直径
标称内径
加热后
TTTKONTKACA
芯榉直径
CB/T 7113. 3—2011
准确测量至 0. 0.5 tn m
议适用于标称内径小
于或等于 5 mm 的较管
试验温度 130 ±2 ℃r
亲体时间 96 h士1 h;芯林
直径见表4
试验温度不高于—25℃
±2芯样宜径见表 4
低温下
GB/T 7113.3—2011
标称内径
试样:5 mm 宽的条样
GB/T 7113. 2
击穿电压试验方法免费标准bzxz.net
弹丸檀
直芯接/1o0 mm电板
--高溢下
湿热后
--2005 中的
章,条号
表4 (续)
加热后
表5对击穿电压的要求
GB/T 7113. 3-406 型
最低值
芯棒直径
击穿电压
GR/T 7113. 3-40′ 型
最低值
低温下
GB/T7113,3-408型
最低值
击穿电压应按上述给出的方法之一在室温下,高溢下和显热处理后测定。施加电压的速度应为 500 V/s 或在10 5~209之间达到所要求的击穿电压值。高温下试验应在130 亡±2下进行。TTKAONKACA
附录A
(资料性附录)
本部分与 IEC 60684-3-406:2003 技术性差异及其原因表 A.1给出了本部分与IEC 60684-3-406:2003技术性差异及其原因。GB/T 7113. 3—2011
表A.1本部分与1EC60684-3-406:2003技术性差异及其原因本规范章、录编号
技术性差异
[E60684-3406:2003中引用的
IEC 60684-1:2003是最新版本的标准,而本部分引用的国家标准
GB/T 7113--2003是由 IEC 60684-1:引用了采用 IEC 60684-1: 1980 的国家标准GB/T 7113—2003+而非 IEC 60684-1:2003命名依据GB/T71)3.-2003进行,相对商单1980的版本转化而来的,但经核对主要技术内容未变,不会对本部分的使用造成影响,改为方便使用仍引用此国家标准
IEC606843-406,2003中的命名过于繁杂,不适合我国国情
小提示:此标准内容仅展示完整标准里的部分截取内容,若需要完整标准请到上方自行免费下载完整标准文档。
标准图片预览:





- 其它标准
- 热门标准
- 国家标准
- GB/T2828.1-2012 计数抽样检验程序 第1部分:按接收质量限(AQL)检索的逐批检验抽样计划
- GB/T228.1-2021 金属材料 拉伸试验 第1部分:室温试验方法
- GB50367-2013 混凝土结构加固设计规范
- GB/T18204.4-2000 公共场所毛巾、床上卧具微生物检验方法细菌总数测定
- GB/T12053-1989 光学识别用字母数字字符集 第一部分:OCR-A字符集印刷图象的形状和尺寸
- GB/T23892.3-2009 滑动轴承 稳态条件下流体动压可倾瓦块止推轴承 第3部分:可倾瓦块止推轴承计算的许用值
- GB/T9145-2003 普通螺纹 中等精度、优选系列的极限尺寸
- GB/T11839-1989 二氧化铀芯块中硼的测定 姜黄素萃取光度法
- GB50209-2002 建筑地面工程施工质量验收规范
- GB/T6122.1-2002 圆角铣刀 第1部分:型式和尺寸
- GB/T7433-1987 对称电缆载波通信系统抗无线电广播和通信干扰的指标
- GB5725-2009 安全网
- GB/T9239-1988 刚性转子平衡品质 许用不平衡的确定
- GB/T15917.3-1995 金属镝及氧化镝化学分析方法 对氯苯基荧光酮--溴化十六烷基三甲基胺分光光度法测定钽量
- GB/T38780-2020 竹席
- 行业新闻
请牢记:“bzxz.net”即是“标准下载”四个汉字汉语拼音首字母与国际顶级域名“.net”的组合。 ©2025 标准下载网 www.bzxz.net 本站邮件:bzxznet@163.com
网站备案号:湘ICP备2025141790号-2
网站备案号:湘ICP备2025141790号-2