- 您的位置:
- 标准下载网 >>
- 标准分类 >>
- 地方标准(DB) >>
- DB11/T 286-2005 保护地黄瓜霜霉病测报调查规范
标准号:
DB11/T 286-2005
标准名称:
保护地黄瓜霜霉病测报调查规范
标准类别:
地方标准(DB)
标准状态:
现行出版语种:
简体中文下载格式:
.rar .pdf下载大小:
部分标准内容:
ICS65.020.20
备案号:17040-2005
北銀京東市東地銀
方标准
DB11/T2862005
保护地黄瓜霜霉病测报调查规范The standard for investigation on forecast ofCucumber
downy mildew in protected cultivation2005-05-10发布
2005-06-10实施
北京市质量技术监督局发布
DB11/T286—2005
本标准附录A为资料性附录。
本标准由北京市农业局提出。
本标准起草单位:北京市植物保护站。本标准主要起草人:张芸、师迎春。0
1范围
保护地黄瓜霜霉病测报调查规范DB11/T286—2005
本标准规定了黄瓜霜霉病(参见附录A)测报调查的术语和定义、发生程度分级指标、调查方法和资料收集与归档。
本标准适用于保护地黄瓜霜霉病的测报调查。2术语和定义
下列述语和定义适用于本标准。2.1
系统调查systematicsurvey
为掌握病虫发生消长动态,进行定点、定时、定方法的连续调查。2.2
普查extensivesurvey
为了解病虫整体发生情况,在较大范围内进行的多点调查。2.3
病棚率percentage of tunnels with diseased plants发病棚数占调查棚数的百分率。2.4
病株率percentageofdiseasedplants发病株数占调查株数的百分率。2.5
发病级别diseaserating
用分级法表示植株的发病程度。0级:无病叶。
1级:病叶占全株总叶片1/4以下,病斑面积多占所在叶片面积的1/4以下。2级:病叶占全株总叶片1/4以下,病斑面积多占所在叶片面积的1/4~1/2或病叶占全株总叶片1/4~1/2,病斑面积多占所在叶片面积的1/4以下。3级:病叶占全株总叶片1/2~3/4,病斑面积多占所在叶片面积的1/2以上,但病叶尚未干枯或死亡。
4级:全株大多数叶片干枯或死亡。2.6
病情指数diseaseindex
表示发病的平均水平。计算公式为:DI-
式中:
(siXni)
病情指数:
某一发病级别
相应发病级别的病株数;
DB11/T286—2005
调查总株数:
一最高病级级别。
发生面积比率percentageof areawithdisease保护地黄瓜发病面积占其种植面积的百分率。发生程度分级指标
发生程度
发生面积比率(a)(%)
平均病情指数(b)
调查方法
4.1系统调查
保护地黄瓜霜霉病发生程度分级指标1
a≤40
中等偏轻
4056015中等偏重
8040选择1~2个感病、不施药的棚室(不施对霜霉病有效的药剂),或在棚室内留出10余行,始终不施药,并用塑料布与其它行隔离,于黄瓜定植缓苗后先进行全田普查,发现病株后再采用平行线10点取样,每点固定5株,共调查50株,5天调查一次,直至采收盛后期。记载各级发病株数、管理情况,调查结果填入表2;调查期间棚室内放置温、湿度自记仪,从每日1时开始,每隔3小时记录一次温湿度,整理汇总后与结露和天气状况一起填入表3。表21
保护地黄瓜霜霉病系统调查记载表年份:
地点:
棚类型:
各级病株数
叠夜温差(℃)
品种:
表3棚内小气候情况汇总表
平均温度
注:天气状况包括:阴、晴、雨、雪、雾、多云等。2
平均相对
湿度(%)
定植期:bZxz.net
近5天管理情况(最高及最低温
度、浇水及施肥日期、施肥种类及数量)
露时数
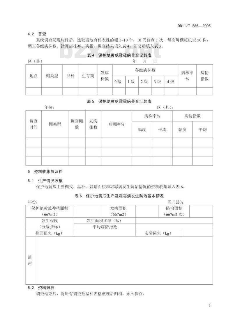
4.2普查
DB11/T286-2005
系统调查发现病株后,选取当地有代表性的棚5~10个,10天普查1次,每次每棚随机查50株,调查各级病株数、计算病株率、病指,调查结果填入表4,汇总后填入表5。表4
区 ((县)
棚类型
年份:
棚类型
5资料收集与归档
生产情况收集
生育期
保护地黄瓜霜霉病普查记载表
年月日
各级病株数
表5保护地黄瓜霜霉病普查汇总表调查棚
病棚率%
区(县):
病株率%
病株率
病情指数
保护地黄瓜主要棚式、品种、栽培面积和霜霉病发生防治情况的资料收集填入表6。表6保护地黄瓜生产及霜霉病发生防治基本情况年份:
保护地黄瓜种植面积
(667m2)
发生程度
(分级指标)
挽回损失(kg)
5.2资料归档
发病面积
(667m2)
发生面积比率(%)
平均病情指数
调查结束后,将所有调查数据和表格整理后归档,永久保存。区(县):
防治面积
(667m2次)
实际损失(kg)
DB11/T2862005
A.1症状描述
附录A
(资料性附录)
黄瓜霜霉病症状描述与识别
黄瓜霜霉病主要为害叶片,幼苗到成株均发病。苗期子叶易感病,开始子叶正面出现不规则褪绿。逐渐呈枯黄的病斑,潮湿时子叶背面产生灰黑色霉层,随病情发展子叶很快变黄干枯。成株期发病,多由下部叶片开始,逐渐向上发展。初期叶正面出现水浸状浅绿色斑点,病斑扩大后受叶脉限制呈多角形由黄色变成淡褐色,潮湿时病斑背面有紫灰色霉层。病情严重时,病斑连接成片,全叶干枯卷缩,除顶端少量新叶外,全株叶片枯死。A.2病原菌识别
黄瓜霜霉病由鞭毛菌亚门假霜霉属真菌Pseudoperonosporacubensis(Berk.etCurt.)Rostov.侵染引起。孢囊梗自气孔伸出,单生或束生,无色,基部稍膨大,上部呈3-5次锐角分枝,分枝末端着生一个孢子囊,孢子囊卵形或椭圆形,顶端有乳头状突起,淡褐或紫褐色,单胞。孢子囊在水中萌发产生游动孢子,游动孢子在水中游动片刻,鞭毛收缩成静孢子,静孢子萌发产生芽管。低湿时孢子囊可直接萌发长出芽管。
小提示:此标准内容仅展示完整标准里的部分截取内容,若需要完整标准请到上方自行免费下载完整标准文档。
备案号:17040-2005
北銀京東市東地銀
方标准
DB11/T2862005
保护地黄瓜霜霉病测报调查规范The standard for investigation on forecast ofCucumber
downy mildew in protected cultivation2005-05-10发布
2005-06-10实施
北京市质量技术监督局发布
DB11/T286—2005
本标准附录A为资料性附录。
本标准由北京市农业局提出。
本标准起草单位:北京市植物保护站。本标准主要起草人:张芸、师迎春。0
1范围
保护地黄瓜霜霉病测报调查规范DB11/T286—2005
本标准规定了黄瓜霜霉病(参见附录A)测报调查的术语和定义、发生程度分级指标、调查方法和资料收集与归档。
本标准适用于保护地黄瓜霜霉病的测报调查。2术语和定义
下列述语和定义适用于本标准。2.1
系统调查systematicsurvey
为掌握病虫发生消长动态,进行定点、定时、定方法的连续调查。2.2
普查extensivesurvey
为了解病虫整体发生情况,在较大范围内进行的多点调查。2.3
病棚率percentage of tunnels with diseased plants发病棚数占调查棚数的百分率。2.4
病株率percentageofdiseasedplants发病株数占调查株数的百分率。2.5
发病级别diseaserating
用分级法表示植株的发病程度。0级:无病叶。
1级:病叶占全株总叶片1/4以下,病斑面积多占所在叶片面积的1/4以下。2级:病叶占全株总叶片1/4以下,病斑面积多占所在叶片面积的1/4~1/2或病叶占全株总叶片1/4~1/2,病斑面积多占所在叶片面积的1/4以下。3级:病叶占全株总叶片1/2~3/4,病斑面积多占所在叶片面积的1/2以上,但病叶尚未干枯或死亡。
4级:全株大多数叶片干枯或死亡。2.6
病情指数diseaseindex
表示发病的平均水平。计算公式为:DI-
式中:
(siXni)
病情指数:
某一发病级别
相应发病级别的病株数;
DB11/T286—2005
调查总株数:
一最高病级级别。
发生面积比率percentageof areawithdisease保护地黄瓜发病面积占其种植面积的百分率。发生程度分级指标
发生程度
发生面积比率(a)(%)
平均病情指数(b)
调查方法
4.1系统调查
保护地黄瓜霜霉病发生程度分级指标1
a≤40
中等偏轻
4056015中等偏重
8040选择1~2个感病、不施药的棚室(不施对霜霉病有效的药剂),或在棚室内留出10余行,始终不施药,并用塑料布与其它行隔离,于黄瓜定植缓苗后先进行全田普查,发现病株后再采用平行线10点取样,每点固定5株,共调查50株,5天调查一次,直至采收盛后期。记载各级发病株数、管理情况,调查结果填入表2;调查期间棚室内放置温、湿度自记仪,从每日1时开始,每隔3小时记录一次温湿度,整理汇总后与结露和天气状况一起填入表3。表21
保护地黄瓜霜霉病系统调查记载表年份:
地点:
棚类型:
各级病株数
叠夜温差(℃)
品种:
表3棚内小气候情况汇总表
平均温度
注:天气状况包括:阴、晴、雨、雪、雾、多云等。2
平均相对
湿度(%)
定植期:bZxz.net
近5天管理情况(最高及最低温
度、浇水及施肥日期、施肥种类及数量)
露时数
4.2普查
DB11/T286-2005
系统调查发现病株后,选取当地有代表性的棚5~10个,10天普查1次,每次每棚随机查50株,调查各级病株数、计算病株率、病指,调查结果填入表4,汇总后填入表5。表4
区 ((县)
棚类型
年份:
棚类型
5资料收集与归档
生产情况收集
生育期
保护地黄瓜霜霉病普查记载表
年月日
各级病株数
表5保护地黄瓜霜霉病普查汇总表调查棚
病棚率%
区(县):
病株率%
病株率
病情指数
保护地黄瓜主要棚式、品种、栽培面积和霜霉病发生防治情况的资料收集填入表6。表6保护地黄瓜生产及霜霉病发生防治基本情况年份:
保护地黄瓜种植面积
(667m2)
发生程度
(分级指标)
挽回损失(kg)
5.2资料归档
发病面积
(667m2)
发生面积比率(%)
平均病情指数
调查结束后,将所有调查数据和表格整理后归档,永久保存。区(县):
防治面积
(667m2次)
实际损失(kg)
DB11/T2862005
A.1症状描述
附录A
(资料性附录)
黄瓜霜霉病症状描述与识别
黄瓜霜霉病主要为害叶片,幼苗到成株均发病。苗期子叶易感病,开始子叶正面出现不规则褪绿。逐渐呈枯黄的病斑,潮湿时子叶背面产生灰黑色霉层,随病情发展子叶很快变黄干枯。成株期发病,多由下部叶片开始,逐渐向上发展。初期叶正面出现水浸状浅绿色斑点,病斑扩大后受叶脉限制呈多角形由黄色变成淡褐色,潮湿时病斑背面有紫灰色霉层。病情严重时,病斑连接成片,全叶干枯卷缩,除顶端少量新叶外,全株叶片枯死。A.2病原菌识别
黄瓜霜霉病由鞭毛菌亚门假霜霉属真菌Pseudoperonosporacubensis(Berk.etCurt.)Rostov.侵染引起。孢囊梗自气孔伸出,单生或束生,无色,基部稍膨大,上部呈3-5次锐角分枝,分枝末端着生一个孢子囊,孢子囊卵形或椭圆形,顶端有乳头状突起,淡褐或紫褐色,单胞。孢子囊在水中萌发产生游动孢子,游动孢子在水中游动片刻,鞭毛收缩成静孢子,静孢子萌发产生芽管。低湿时孢子囊可直接萌发长出芽管。
小提示:此标准内容仅展示完整标准里的部分截取内容,若需要完整标准请到上方自行免费下载完整标准文档。
标准图片预览:





- 其它标准
- 热门标准
- 地方标准
- DB53/T246.29-2008 保山香料烟综合标准 第29部分:质量追踪
- DB32/T1296-2008 盆栽一品红生产技术规程
- DB35/T823-2008 白芽奇兰茶 精制加工技术规范
- DB65/T2931-2009 无公害食品 阿魏菇培养基投入品要求
- DB13/T921-2007 无公害果品 蜜梨生产技术规程
- DB34/T146-1997 三练薄荷素油
- DB22/T2586-2016 定制式活动义齿
- DB44/554-2008 咸蛋黄
- DB11/T157.8-2008 虹鳟养殖技术规范 第8部分:常见病诊治与安全用药
- DB46/T70-2012 黄灯笼辣椒
- DB33/T689.1-2008 水稻灰飞虱测撤防治 第1部分:水稻灰飞虱测报调金规范
- DB51/T928-2009 无公害川贝母产地环境条件
- DB53/T277.41-2008 陆良优质烤烟综合标准 第41部分:标准立式炉烤房建造技术规程
- DB53/T272.9-2008 楚雄烤烟综合标准 第9部分: 烤烟苗期病毒病防控技术规程
- DB37/T1054-2008 良好农业规范 出口糯玉米操作指南
- 行业新闻
请牢记:“bzxz.net”即是“标准下载”四个汉字汉语拼音首字母与国际顶级域名“.net”的组合。 ©2025 标准下载网 www.bzxz.net 本站邮件:bzxznet@163.com
网站备案号:湘ICP备2025141790号-2
网站备案号:湘ICP备2025141790号-2