- 您的位置:
- 标准下载网 >>
- 标准分类 >>
- 煤炭行业标准(MT) >>
- MT/T 375.3-1994 矿用菱镁混凝土制品 窄轨轨枕
标准号:
MT/T 375.3-1994
标准名称:
矿用菱镁混凝土制品 窄轨轨枕
标准类别:
煤炭行业标准(MT)
标准状态:
现行-
发布日期:
1994-11-16 -
实施日期:
1994-12-01 出版语种:
简体中文下载格式:
.rar.pdf下载大小:
155.64 KB
点击下载
标准简介:
标准下载解压密码:www.bzxz.net
本标准规定了菱镁混凝土轨枕的技术要求、试验方法、检验规则、标志、包装、运输和贮存。本标准适用于矿山用菱镁混凝土窄轨轨枕。 MT/T 375.3-1994 矿用菱镁混凝土制品 窄轨轨枕 MT/T375.3-1994
部分标准内容:
中华人民共和国煤炭行业标准
矿用菱镁混凝土制品
窄轨轨枕
主题内容与适应范围
MT/T375.3—94
本标准规定了菱镁混凝土轨枕的技术要求、试验方法、检验规则、标志、包装、运输和贮存。本标准适用于矿山用菱镁混凝土窄轨轨枕。2引用标准
MT/T375.1矿用菱镁混凝土制品通用技术条件MT/T375.2矿用菱镁混凝土制品梯形支架技术条件3术语
3.1菱镁混凝土轨枕magnesiumoxychlorideconcretetie由配筋菱镁混凝土制成的,用于铺枕钢轨的条形制品。3.2疲劳试验应力比fatigueratio,stressratio又称疲劳荷载循环特征值。在疲劳试验中,最小荷载(或应力)与最大荷载(或应力)的比值,以n一Omin /omax表示。
4产品分类
4.1轨枕分类及外形尺寸范围见表1。中华人民共和国煤炭工业部1994-11-16批准1994-12-01实施
窄轨菱镁
混凝土轨
762 mm
窄轨菱镁
混凝土轨
窄轨菱镁
混凝土轨
5技术要求
MT/T375.3—94
形状及尺寸范围
1100~1200
1100~1200
1300 ~1400
1300~1.400
1:0(0 ~ 1 600
1500~1600
110 --
140~170
140-170
-140 -170
160~200
160200
20 ~14
160~200
140~~
180~250
180~250
5.1产品应符合本标准的要求,并应按经规定程序批准的图样和技术文件制造。5.2原材料应符合MT/T375.1中4.1条的规定。188
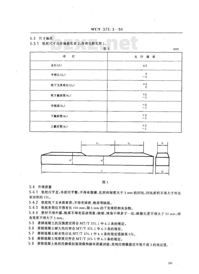
5.3尺寸偏差
MT/T 375.3-94
5.3.1轨枕尺寸允许偏差见表2,各部名称见图1。表2
总长(L)
中部长(L,)
轨下支承面长(L2)
轨下截面高(hi)
中部高(h2)
下截面宽(b2)
上截面宽(b1)
5.4外观质量
允许偏差
5.4.1轨枕应平直,各面应平整,不得有裂缝、孔洞和深度大于3mm的凹坑,凹坑面积不得大于所在面面积的5%。
5.4.2轨枕轨下支承面肩部,不得有掉肩、粉肩等缺陷。5.4.3轨枕各部位不得有长100mm,深5mm的干灰堆积和夹杂物。5.4.4筋材不得外露,轨面不得有返卤现象,缺棱、掉角不得多于一处,缺棱长度不得大于50mm,掉角宽度不得大于5mm。
5.5菱镁混凝土抗压强度应符合MT/T375.1中4.2条的规定。5.6菱镁混凝土耐久性应符合MT/T375.1中4.3条的规定。5.7菱镁混凝土耐水性应比MT/T375.1中4.4条的规定值提高5%。5.8菱镁混凝土视密度应符合MT/T375.1中4.5条的规定。5.9菱镁混凝土轨枕经静载抗裂荷载和破坏荷载试验,其相应荷载值应不低于表3的规定值。189
检验部位
轨下截面,kN
中间截面,kN
MT/T 375.3---94
抗裂荷载
5.10菱镁混凝土轨枕经疲劳性能试验后应符合下列要求:5.10.1卸荷回零时,试验截面的最大残余裂缝宽度不得大于0.05mm。5.10.2试件破坏荷载应不低于表3相应破坏荷载的80%。6试验方法
6.1外观质量按MT/T375.2中5.1的规定进行检查。6.2尺寸偏差按MT/T375.2中5.2条的规定进行测量。6.3抗压强度按MT/T375.1中5.1条的规定进行测定。6.4耐久性按MT/T375.1中5.2条的规定进行测定。6.5耐水性按MT/T375.1中5.3条的规定进行测定。6.6视密度按MT/T375.1中5.4条的规定进行测定。6.7静载抗裂及破坏荷载试验方法6.7.1仪器
破坏荷载
万能材料试验机或液压脉动疲劳试验机:最大加载能力大于200kN,并有辅助设施。或具有相a.
应功能的加载装置。
b.刻度式放大镜:放大倍数不低于5倍。6.7.2试件
应抽取外观质量和尺寸偏差合格的、龄期为28d的试件进行试验。6.7.3试验步骤
6.7.3.1按图2和表4的规定做好加载准备工作。图2
轨枕类型
安放尺寸
MT/T 375.3—94
6.7.3.2用材料试验机在P处直接分级加载,直至出现裂缝和试件破坏。6.7.3.3用刻度放大镜观测裂缝宽度。6.8疲劳性能试验方法
6.8.1仪器
液压脉动疲劳试验机:最大加载能力大于200kN,脉动频率5~10Hz或功能相当的其他疲劳试验设备。
b。刻度放大镜:分度值为0.01mm,放大倍数大于20倍。6.8.2试件
抗压强度和静载抗裂试验合格后,再抽取外观质量和尺寸偏差合格的、龄期28d的轨枕进行试验。6.8.3疲劳试验条件
疲劳试验时各有关参数应符合表5的规定。表5
加载部位
试验参数
疲劳荷载上限(Pox),kN
疲劳试验应力比(n=Cmin/amax)疲劳试验作用次数
加载振动频率,Hz
6.8.4试验步骤
轨枕类型
轨下截面
6.8.4.1按图·2,表4的规定做好疲劳强度试验准备工作。C
1×106
6.8.4.2按表5中各参数的规定操作液压脉动疲劳试验机,对轨枕进行疲劳试验。中间截面
6.8.4.3疲劳试验作用次数达到1×10°次后,卸载回零,用刻度放大镜观察裂缝宽度。然后进行破坏荷载试验。
7检验规则
7.1出厂检验
7.1.1产品自检由制造厂质量检验部门负责进行,检验合格并由负责人及检验人签发合格证后方可出。
7.1.2出厂检验项目见表6。
7.2型式检验
7.2.1由煤炭工业部质量监督检验机构负责,从外观及尺寸检查合格的产品中抽样检验。191
MT/T 375.3-94
7.2.2有下列情况之时,应进行产品型式检验:a.
新产品或老产品转厂生产的试制定型鉴定;正式生产后如结构、材料、配方、工艺有较大改变,可能影响产品性能时;正常生产时,每年进行一次,年产量1000m2以上者,每半年进行一次;产品停产后,恢复生产时;
出厂检验结果与上次型式检验有较大差异时;质量监督机构提出进行型式检验的要求时。7.2.3产品型式检验项目见表6。7.3组批和抽样
7.3.1制品
对同一品种、同一规格的产品每1000根轨枕为一批。每批随机抽二件进行静载抗裂试验和破坏荷载试验,再抽取二件进行疲劳强度试验。7.3.2试件
按MT/T375.1中5.1.3.1,5.1.3.2条的规定制作试件,进行抗压强度、耐久性、耐水性、视密度试验。
检验类别
检验项目
尺寸偏差
外观质量
抗压强度
耐久性
耐水性
视密度bzxZ.net
静载抗裂及破坏荷载
疲劳性能
技术要求
5.4.1,5.4.2
5.4.3.5.4.4
注:①如果测定环境条件达不到本标准要求时,测定结果只作参考,在报告中应注明。②“√”表示检验,“--\表示不检。7.4判定规则
7.4.1试验结果不符合5.5,5.6,5.7,5.8,5.9,5.10条中任一项的技术要求时,应再加倍抽取试件,进行复检,若再发现一根项不合格,则判该批产品为不合格。7.4.2试验结果不符合5.3.1,5.4.1,5.4.2,5.4.3,5.4.4中任二项的技术要求时,应加倍抽取试件,进行复检,若再发现一根项不合格,则判该批产品为不合格。8标志、包装、运输、贮存
8.1每根轨枕应用不褪色标志,标明制造厂名、产品规格、生产日期。192
产品可采用捆扎方式包装。
8.3装卸、运输时,不得抛掷。
MT/T375.3-94
8.4产品存放的场地应坚实、平坦。不同规格的产品应分别堆放,也可按井字形架放,垛高不宜超过2 m。
附加说明:
本标准由煤炭工业部煤矿专用设备标准化技术委员会提出本标准由煤炭工业部煤矿专用设备标准化技术委员会井巷设备分会归口。本标准由煤炭科学研究总院北京建井研究所起草。本标准主要起草人王惠云、屠丽南、郭爱民、郭建明。本标准委托煤炭科学研究总院北京建井研究所负责解释。193
小提示:此标准内容仅展示完整标准里的部分截取内容,若需要完整标准请到上方自行免费下载完整标准文档。
矿用菱镁混凝土制品
窄轨轨枕
主题内容与适应范围
MT/T375.3—94
本标准规定了菱镁混凝土轨枕的技术要求、试验方法、检验规则、标志、包装、运输和贮存。本标准适用于矿山用菱镁混凝土窄轨轨枕。2引用标准
MT/T375.1矿用菱镁混凝土制品通用技术条件MT/T375.2矿用菱镁混凝土制品梯形支架技术条件3术语
3.1菱镁混凝土轨枕magnesiumoxychlorideconcretetie由配筋菱镁混凝土制成的,用于铺枕钢轨的条形制品。3.2疲劳试验应力比fatigueratio,stressratio又称疲劳荷载循环特征值。在疲劳试验中,最小荷载(或应力)与最大荷载(或应力)的比值,以n一Omin /omax表示。
4产品分类
4.1轨枕分类及外形尺寸范围见表1。中华人民共和国煤炭工业部1994-11-16批准1994-12-01实施
窄轨菱镁
混凝土轨
762 mm
窄轨菱镁
混凝土轨
窄轨菱镁
混凝土轨
5技术要求
MT/T375.3—94
形状及尺寸范围
1100~1200
1100~1200
1300 ~1400
1300~1.400
1:0(0 ~ 1 600
1500~1600
110 --
140~170
140-170
-140 -170
160~200
160200
20 ~14
160~200
140~~
180~250
180~250
5.1产品应符合本标准的要求,并应按经规定程序批准的图样和技术文件制造。5.2原材料应符合MT/T375.1中4.1条的规定。188
5.3尺寸偏差
MT/T 375.3-94
5.3.1轨枕尺寸允许偏差见表2,各部名称见图1。表2
总长(L)
中部长(L,)
轨下支承面长(L2)
轨下截面高(hi)
中部高(h2)
下截面宽(b2)
上截面宽(b1)
5.4外观质量
允许偏差
5.4.1轨枕应平直,各面应平整,不得有裂缝、孔洞和深度大于3mm的凹坑,凹坑面积不得大于所在面面积的5%。
5.4.2轨枕轨下支承面肩部,不得有掉肩、粉肩等缺陷。5.4.3轨枕各部位不得有长100mm,深5mm的干灰堆积和夹杂物。5.4.4筋材不得外露,轨面不得有返卤现象,缺棱、掉角不得多于一处,缺棱长度不得大于50mm,掉角宽度不得大于5mm。
5.5菱镁混凝土抗压强度应符合MT/T375.1中4.2条的规定。5.6菱镁混凝土耐久性应符合MT/T375.1中4.3条的规定。5.7菱镁混凝土耐水性应比MT/T375.1中4.4条的规定值提高5%。5.8菱镁混凝土视密度应符合MT/T375.1中4.5条的规定。5.9菱镁混凝土轨枕经静载抗裂荷载和破坏荷载试验,其相应荷载值应不低于表3的规定值。189
检验部位
轨下截面,kN
中间截面,kN
MT/T 375.3---94
抗裂荷载
5.10菱镁混凝土轨枕经疲劳性能试验后应符合下列要求:5.10.1卸荷回零时,试验截面的最大残余裂缝宽度不得大于0.05mm。5.10.2试件破坏荷载应不低于表3相应破坏荷载的80%。6试验方法
6.1外观质量按MT/T375.2中5.1的规定进行检查。6.2尺寸偏差按MT/T375.2中5.2条的规定进行测量。6.3抗压强度按MT/T375.1中5.1条的规定进行测定。6.4耐久性按MT/T375.1中5.2条的规定进行测定。6.5耐水性按MT/T375.1中5.3条的规定进行测定。6.6视密度按MT/T375.1中5.4条的规定进行测定。6.7静载抗裂及破坏荷载试验方法6.7.1仪器
破坏荷载
万能材料试验机或液压脉动疲劳试验机:最大加载能力大于200kN,并有辅助设施。或具有相a.
应功能的加载装置。
b.刻度式放大镜:放大倍数不低于5倍。6.7.2试件
应抽取外观质量和尺寸偏差合格的、龄期为28d的试件进行试验。6.7.3试验步骤
6.7.3.1按图2和表4的规定做好加载准备工作。图2
轨枕类型
安放尺寸
MT/T 375.3—94
6.7.3.2用材料试验机在P处直接分级加载,直至出现裂缝和试件破坏。6.7.3.3用刻度放大镜观测裂缝宽度。6.8疲劳性能试验方法
6.8.1仪器
液压脉动疲劳试验机:最大加载能力大于200kN,脉动频率5~10Hz或功能相当的其他疲劳试验设备。
b。刻度放大镜:分度值为0.01mm,放大倍数大于20倍。6.8.2试件
抗压强度和静载抗裂试验合格后,再抽取外观质量和尺寸偏差合格的、龄期28d的轨枕进行试验。6.8.3疲劳试验条件
疲劳试验时各有关参数应符合表5的规定。表5
加载部位
试验参数
疲劳荷载上限(Pox),kN
疲劳试验应力比(n=Cmin/amax)疲劳试验作用次数
加载振动频率,Hz
6.8.4试验步骤
轨枕类型
轨下截面
6.8.4.1按图·2,表4的规定做好疲劳强度试验准备工作。C
1×106
6.8.4.2按表5中各参数的规定操作液压脉动疲劳试验机,对轨枕进行疲劳试验。中间截面
6.8.4.3疲劳试验作用次数达到1×10°次后,卸载回零,用刻度放大镜观察裂缝宽度。然后进行破坏荷载试验。
7检验规则
7.1出厂检验
7.1.1产品自检由制造厂质量检验部门负责进行,检验合格并由负责人及检验人签发合格证后方可出。
7.1.2出厂检验项目见表6。
7.2型式检验
7.2.1由煤炭工业部质量监督检验机构负责,从外观及尺寸检查合格的产品中抽样检验。191
MT/T 375.3-94
7.2.2有下列情况之时,应进行产品型式检验:a.
新产品或老产品转厂生产的试制定型鉴定;正式生产后如结构、材料、配方、工艺有较大改变,可能影响产品性能时;正常生产时,每年进行一次,年产量1000m2以上者,每半年进行一次;产品停产后,恢复生产时;
出厂检验结果与上次型式检验有较大差异时;质量监督机构提出进行型式检验的要求时。7.2.3产品型式检验项目见表6。7.3组批和抽样
7.3.1制品
对同一品种、同一规格的产品每1000根轨枕为一批。每批随机抽二件进行静载抗裂试验和破坏荷载试验,再抽取二件进行疲劳强度试验。7.3.2试件
按MT/T375.1中5.1.3.1,5.1.3.2条的规定制作试件,进行抗压强度、耐久性、耐水性、视密度试验。
检验类别
检验项目
尺寸偏差
外观质量
抗压强度
耐久性
耐水性
视密度bzxZ.net
静载抗裂及破坏荷载
疲劳性能
技术要求
5.4.1,5.4.2
5.4.3.5.4.4
注:①如果测定环境条件达不到本标准要求时,测定结果只作参考,在报告中应注明。②“√”表示检验,“--\表示不检。7.4判定规则
7.4.1试验结果不符合5.5,5.6,5.7,5.8,5.9,5.10条中任一项的技术要求时,应再加倍抽取试件,进行复检,若再发现一根项不合格,则判该批产品为不合格。7.4.2试验结果不符合5.3.1,5.4.1,5.4.2,5.4.3,5.4.4中任二项的技术要求时,应加倍抽取试件,进行复检,若再发现一根项不合格,则判该批产品为不合格。8标志、包装、运输、贮存
8.1每根轨枕应用不褪色标志,标明制造厂名、产品规格、生产日期。192
产品可采用捆扎方式包装。
8.3装卸、运输时,不得抛掷。
MT/T375.3-94
8.4产品存放的场地应坚实、平坦。不同规格的产品应分别堆放,也可按井字形架放,垛高不宜超过2 m。
附加说明:
本标准由煤炭工业部煤矿专用设备标准化技术委员会提出本标准由煤炭工业部煤矿专用设备标准化技术委员会井巷设备分会归口。本标准由煤炭科学研究总院北京建井研究所起草。本标准主要起草人王惠云、屠丽南、郭爱民、郭建明。本标准委托煤炭科学研究总院北京建井研究所负责解释。193
小提示:此标准内容仅展示完整标准里的部分截取内容,若需要完整标准请到上方自行免费下载完整标准文档。
标准图片预览:





- 其它标准
- 上一篇: MT/T 944-2005 矿用关节轴承
- 下一篇: MT/T 929-2004 矿用高强度紧凑链
- 热门标准
- 煤炭行业标准(MT)
- MT332-1993 XL系列立井大型多绳箕斗卸载设备基本参数
- MT264-1991 煤的显微硬度测定方法
- MT/T608.1-1996 冶金焦用兖州矿务局煤技术条件
- MT/T1100-2009 煤矿用隔爆型高压电缆接线盒
- MT/T707-1997 煤自燃倾向性色普吸氧鉴定法
- MT/T588-1996 煤矿用防爆柴油机胶套轮/齿轨卡轨车技术条件
- MT/T606.4-1996 常压固定床煤气发生炉用开滦矿务局煤技术条件
- MT/T117-2005 采煤机用电缆夹型式和基本尺寸
- MT/T947-2005 煤矿用隔爆型高压电缆连接器
- MT/T188.4-2000 煤矿用乳化液泵站 过滤器技术条件
- MT/T632-1996 井下探放水技术规范
- MT/T645-1997 煤矿用带式输送机滚筒与相邻槽形托辊组之间的距离计算公式
- MT/T930-2005 煤矿用阻燃爆破母线技术条件
- MT272-1994 氮氧化物检测管
- MT28-1994 光干涉式甲烷测定器
- 行业新闻
请牢记:“bzxz.net”即是“标准下载”四个汉字汉语拼音首字母与国际顶级域名“.net”的组合。 ©2025 标准下载网 www.bzxz.net 本站邮件:bzxznet@163.com
网站备案号:湘ICP备2025141790号-2
网站备案号:湘ICP备2025141790号-2