- 您的位置:
- 标准下载网 >>
- 标准分类 >>
- 国家标准(GB) >>
- GB/T 14537-1993 量度继电器和保护装置的冲击与碰撞试验
标准号:
GB/T 14537-1993
标准名称:
量度继电器和保护装置的冲击与碰撞试验
标准类别:
国家标准(GB)
标准状态:
现行-
发布日期:
1993-07-17 -
实施日期:
1994-02-01 出版语种:
简体中文下载格式:
.rar.pdf下载大小:
322.84 KB
点击下载
标准简介:
标准下载解压密码:www.bzxz.net
本标准规定了量度继电器和保护装置冲击与碰撞试验的要求及合格判据。本标准为规定振动、冲击、碰撞和地震要求的系列标准的一部分,适用于有输出触点或无输出触点的机电式和静态型量度继电器和保护装置。本标准适用于新制造的量度继电器和保护装置,本标准中规定的试验为型式试验。 GB/T 14537-1993 量度继电器和保护装置的冲击与碰撞试验 GB/T14537-1993
部分标准内容:
中华人民共和国国家标准
量度继电器和保护装置的
冲击与碰撞试验
Shock and bump tests on measuring relaysand protection equipment
GB/T14537-93
IEC 255 -21--2
本标准等同果用IEC25521-2电气继电器第21部分:量度继电器和保护装置的振动、冲击、碰撞和地试验第章冲击和碰撞试验。1 生题内容与适用范围
本标阻热定了量度继电器和保护装置冲击与碰撞试验的要求及合格判据。本标准为规定振动、冲击、碰撞和地震要求的系列标准的一部分,适用于有输出触点或无输出触点机心式和静态型量度继电器和保护装置(以下简称产品)。本标也括两种类型试验:
冲击试验(产品施加激励量或不施加激励量);a.
、碰试验(产品不施加激励量),本标准适用于新制造的量度继电器和保护装置,本标准中规定的试验为型式试验。2目的
本标准的日的是规定:
所用术语的定义;
试验条作:
标准的试验严酷等级:
试验程序:
个格判据:
3术语
对于本标难神米作规定的股术语的定义,应参考:a.科际电T词典(IEV)[EC50):(H 290&电T名间术;,1E68—2—27《基本的还境试验序,第2部分:试验——试验Ea和导测:冲击,GB2423.5电工电子产品禁木环境试验规程试验Ea:冲出试验方法购IEC68229元试验Eb和导则:碰撞GB2423.电工电子产品基本环境试验现程诚验c
Fb:碰撞试验方法;
d.IEC 2557&系列中公布的继电器标准》:11FF:255--21-1第21部分:度继电器和促护装置的振动,冲击,碰撞和地震试验…--第e.
章:振动试验(E弦)。(311287《继电器、继电保护装置的振动(托弦)试验》;f、1S标准2041振动和冲:辞典》。GB2298机裁振动、冲出、名词术语》。国家技术监督局1993-D717批准
1994-02-01实施
GB/T 14537—93
对于本标准,还应来用下列名词术语定义;3.1冲击试验shock test
在规定的条件下,对施加激励量和不施加激励量的产品,依次在试品的三个相互乘直的轴线上底受限定次数的单一冲新,以确定其耐受冲击影响能力的种试验,注,“试品\利括作为被试虽度继电器或保护裁肯的某一整体功能特征的任何辅助部分。3.2冲卡响应试验shockresponse lesl在规定的条件下,确定施加激励量的产品在运行中可能诞到的冲击是存响应(是否正常运行)所进行的-种冲试验,
3.3融受冲击试验
shockwithstandtest
确定不施加微励量的产品衣运输和装过程中所能退到的冲击作用的耐受能力哺进行种高强度的冲击试验。
3.4碰撞试验
burp lessl
确定对不施加激励量的产品.依次在试品的-三个相垂直的轴线上承受限亲次数的硅撤,以确定其附受在选输期间叮能碰到的碰撞影响能力的一种试验,4冲击和碰撞试验的要求
冲击和碰撞试验的主婴参数如下:a.加速度;
h.标称脉冲的持续时间;
:所如脉冲的次数。
在本标准中,所用的脉冲波形为半正弦波。4.1试验设备及安装
冲击和碰撞发生器和定器的要求特性与安装要求部应符合下列各条规定。当产品安装在发生器上时这些特性应当适用,4.1.1加速度允垫
冲击利碰撞试验的标称脉冲波形应如图】中魔线表示的卡止弦波·实标加速度的真值应限制在图1中实线表示的泄制内。
GB/T14537--93
图1冲击和碰撞试验的脉冲波形(半正弦波)及允许误差充诈误差范围:
标称脉神:
D:标称慰冲的持续时间+
A:标称脐冲抑速度的蜂值:
T::再常规的冲击程碰懂试验台产生的冲击和理撞,咪冲虑受监疫的最小时间:T,:明摄动试些台产生的冲击和碰撞,称冲应受监控的最小时间。4.1.2脉冲等续时间允差
实际的脉冲持续时问与允差如表1所示。表1脉冲持续时间与允差
试验类型
阵击试验
碰癌试验
4.1.3横向运动
脉而的持续时间刀
当按照 4. 1. 5 条通过一测量系统测定时,作临测点,上:垂直于指定的冲击或碰撞方向的正间或反向的加速度峰值,在任时候应当不超过在指定方向上标称脉冲的加速度峰值的30%。4.1.4重复率
冲击和碰撞试验过程中,在两个脉冲之间的间歇期间,试品内的对运动基本上等于零,而且在基准点上的加速度值应在图1所示的规定范图内,--般情况下,对于碰撞试验按每穆钟1至3个脉冲的速率进行。
4.1.5测量系统
测量系统应满足下列要求:
GB/T14537—93
冲击和碰撤脉冲应当用安装在基准点上的加速度计测量,此基滩点由产品标准规定:a
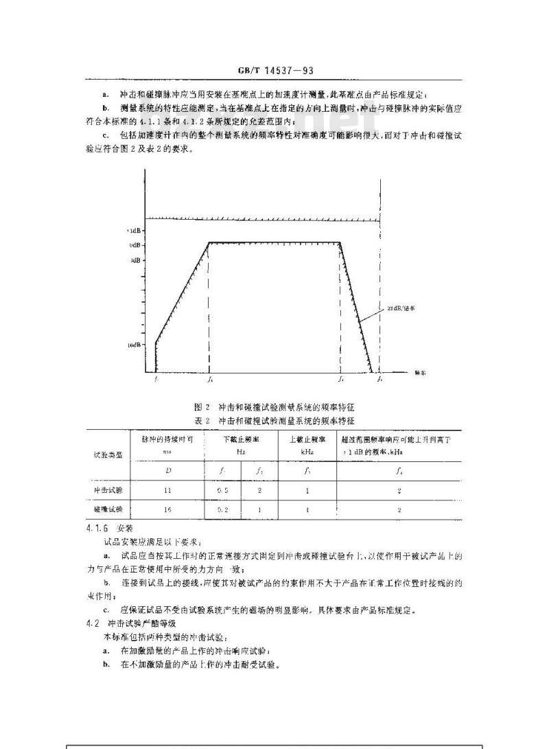
b.测量系统的特性应能测定,当在基准点上在指定的方向上测量时,冲击与碰撞脉冲的实际值应衍合本标准的1.1.1条和4.1.2条所规定的允差范围内;包括加速度计在内的整个测录系统的频率特性对准确度可能影响很大,而对下冲击和碰撞试c.
验应符合图 2 及表 2 的要求。idE
24B倍事
图2冲击和碰撞试验测量系统的频率特征表2冲击和碰撞试验测量系统的频率特征球冲的持续时间
试验类型
冲击试验
碰操试验
4.1.6按装
试品安装应满足以下要求:
下献正频率
上载止骏率
超过范围颊率响序可能上升到高于:1dB的题率,kHz
试品应当按其工作时的正常连接方式固定到i击或碰撞试验台上,以使作用于被试产品上的力与产品在正常使用中所受的力方向致;连接到试品上的接线,应使其对被试产品的约束作用不大于产品在证常工作位置时接线的约h.
速作用;
应保证试品不受由试验系统产生的磁场的明显影响,具体要求由产品标雅规定,4.2冲击试验严酷等级
本标准包括两种类型的冲击试验:在加激励最的产品上作的冲击响应试验:a.
在不加激励量的产品上作的冲击耐受试验。h.
GB/T 14537—93
冲,作响应试验和冲击耐变试验都包括三个不同的严酷等级(0,1,2),其主要参数分别列人 4. 2. 1 条和 4. 2. 2 系中。
对于特殊型式的产品,产品标准应规定神击响应试验和冲违耐受试验的不同严酷等级·当规定为[级时,免作上述试验。
4.2.1冲击响应试验
本试验适用于加激励量的产品,表3中列出不同严酷等级的冲击响应试验参数(见附录A中A1条)。
表3不同严醋等级的冲击响应试验参数级
加速度峰值 A
(gn)m/s
110398
脉再的持续时间D
在每个方间上的脉冲数
注: 1) 括号中的单位与数据为 IEC 235--21--2 规足值,术加括号的单位与数据为法定if型中位与换持数据,表 4 ,表5均相间。
2)每个方间上3个脉冲对空于每根轴线,6个脉降。4. 2.2冲,作谢受试验
本试验适用不加激断的产品,表4中列出不同严酪等级的冲括耐受试验参数。丧 4不同严能等级的冲击受试验参数级
加速度螺值A
(gn)n/a
(15)147
(30)294
脉冲持续时间卫
注,1)每不方向上3个脉冲对应于每根轴线上6个脉冲,4.3碰撞试验严醋等级
本试验适用于不加激励量的产品在每个方后上的脉冲数
对于继试验,本标准包据三个不同的严髓等级(0,1.2),其主要参数列入表 5 中(见附录 A 中 A1条)
当宣布 口 级时,不作碰撞试验。表 5不同严酷等级的碰撞试验参数级
加速度峰值 -4
(gn)m/ss
(10>96
(20>196
脉冲持续贴间 D
注:1)每个方向F:10)次碰撞对应于每根轴线上2000次碰撑。4.4选择冲击和避撞试验严酷等级的原则。在每个方向上的脉冲数
GB/T 14537—93
试验的严酷等级是对应于产品耐受在个别的运输或使用方式中可能经受的机械冲击和碰摘的能力按照表6分类。
表6选择试验严酷等级的原则
光击和诞懂要求的产品
准正常送行及正常运输条件下的产品适用场合
安全系数要求很高,用于冲击或碰憧强度很高的使用场合(如的上)以及适舍下恶出的运辅条件的产品产品的包装设计和读现应当做到在运输过程中不会超过严酷等级参数。4.5冲击响应试验的试验程序
冲击脉冲特性应当在产品标准规定的基准点上测量。在试验期间,产品应处于带盖子的外壳中的正常工作位置。应去掉任何运输限制器。注:虾果产品不便于整体试验,经制造厂与用户协商,可以按功能分组件试验,4. 5. 1试品应分别在三个相行垂直的每个轴线上的每个方向(即上、下、左.右、前、后)各抑3个脉冲(共让18个脉
加速度峰值应当按照表3所规定的严酷等级选择。4.5.2在产品标准规定的基推条件下,瓶如下列辅助和输人邀励量值,以及产晶标准规定的输出电路施加负载时,有产品上进行试验:辅助激励盘:额定值:
输出电路负载:除监测仪器外不加负载或者按产品标准规定加负载:输入邀励量:等特性量的动作值加上及减去产品标谁规定的由于冲击而不致引起误效的变差:如:
待性量值度低十过量产品战商于欠量产品的动炸值,产品不应当动推a.
b.持性量值应高于过量产品或低于欠量产品的动作值,产品不应当释放。试验之前,应在产品标准规定的基准条件下测量产品的动作值,4.5.3试验期间.具有整定值的产品应整定在最灵敏的整定值,并按产品标准施加规定的激贴堡或特征盐,产所在试验过程中应分别处于动作妆态或释敬状态。注:当试验包含忘种度功能的产品时,可仅对其已知的对试击最灵敏的功能逆行检查试验,4. 5. 4试验讨程中,输出电路的状态(见 5, 1.1 条),应由监测装置判别,该监测装置应能测量越点动合或动断的历时,其复归时间应不大十0.2ms(有或无继电器应不大下1s),或更短的复归时间,以防止输出电路(例妮缺点)的若+次短历附的积累效应引起监测装置的响应(见附录A小A2条)。4.5.5试验结束后,应检查试验对试品的影响。4.6冲出谢受试验利碰撞试验的试验程序冲击和碰既冲特性应当在产品标准规定的基准点上测量。在试验期间,试品度处于带盖了的外壳中的正带工作位置,应不去抗任何运输限制器。净:如果试品的尽小不使于整体试验,经制造!与用户协商,可以按坊能分组件试验:4.6.1试品的耐受冲击试验:应在三个相互垂直的每一个轴线的每个方向(即上、下,左、右、前、后)各加三个冲(共计18 个脉冲)。
谢受冲山试验的加速度峰值,按装1所规定的严酷等级选择,4.6.2碰撤试验应当依次在被试产品的三个相互垂直的每-个线的每个方向(即上、下,前、后、左、在)各加 1 000 个陈冲(共计 6 000 个脉冲)。碰撞试验的如速度峰值,按表5所规定的严酷等级选揉。GB/T 14537--93Www.bzxZ.net
试验期间如果在运输过程中被试产品承受的碰撞方向是已知的.则可将规定次数脉冲痴加于该厅向。
试验过程中对进行冲击耐受试验和碰撞试验的被试产品不加激励量就特征量,融点呼踏不监测
4.6.4试验后应检查冲击耐受试验和碰撤试验对试品的影响5合格判据
5.1冲击响应试验的合格判搁
5.1.1试验期问,产品不应误动作。如果其输出电路改变其正常状态不超过2m,以认为无误动作。往,产品导准可以规定出现状念改变不长于 10 μs 的加速度蜂值(见附录 A 中 A2系)。5.1.2试验不应当引起掉牌或其他方我的指示永久政变基状态5.1.3试验后+产品仍应符台有关的性能技术要求,而其动作值不应当有人卡0.5倍规定误差的变化,也不应受到机械损坏。
5.2冲击树受试验和碰撞试验的合格判据5.2.1试验可以引起掉牌或其他方式的指示改变其状态。5.2.2试验后,产品仍应符合有关的性能技术要求,也不应受到机损坏。..comGB/T 14537- 93
冲击和碰撞试验的参数及在进行冲击响应试验时输出电路响应特性的选择原则
【补充件】
A1对于冲击应试验及对了碰撞试验。选用的某些试验参数与IEC682-:27和68-229的参数不尽柏同。
为了在1级称2级严醋程度之间总能有接加以比较,在术标准中选用了,些试验参数值量度继电器和保护装窄可能更多地使用动作时间很短的器件,如可挖仕整流器,2T的试验要A2
求对其闻能不适用
需要知道输出电路状态改变没有危险的加速度峰值,以便在幅值俄予此数值时,在出冲击引起的怨点短暂闭合之后.不会由下要切断输出电路所通的负荷出流,而有例如损害触点的危险。日前、对于汗多继电器和保护装置的设计,有关不会出现不希有的状态改变的标推的加速度福俏新受催.要提出划实的建议。尚无足够的数据。
为了获得这些数据,建议量度继电器和保护装按照4.5条作试验但胺照1EC255-7第37章。输出电路的状态改变以10 μs作为合格判据,试验结果由制造厂管布。
附加说明:
本标准由机械电子工业部提出。本标准由全国继电器,继出保护及自动装置标准化技术委员会心口,本标罹由许昌继电器研究所、南京自动化设备厂负责起节。本标准主要起草人杨炜、孙臻,罗佩芳、主宝平:..com
小提示:此标准内容仅展示完整标准里的部分截取内容,若需要完整标准请到上方自行免费下载完整标准文档。
量度继电器和保护装置的
冲击与碰撞试验
Shock and bump tests on measuring relaysand protection equipment
GB/T14537-93
IEC 255 -21--2
本标准等同果用IEC25521-2电气继电器第21部分:量度继电器和保护装置的振动、冲击、碰撞和地试验第章冲击和碰撞试验。1 生题内容与适用范围
本标阻热定了量度继电器和保护装置冲击与碰撞试验的要求及合格判据。本标准为规定振动、冲击、碰撞和地震要求的系列标准的一部分,适用于有输出触点或无输出触点机心式和静态型量度继电器和保护装置(以下简称产品)。本标也括两种类型试验:
冲击试验(产品施加激励量或不施加激励量);a.
、碰试验(产品不施加激励量),本标准适用于新制造的量度继电器和保护装置,本标准中规定的试验为型式试验。2目的
本标准的日的是规定:
所用术语的定义;
试验条作:
标准的试验严酷等级:
试验程序:
个格判据:
3术语
对于本标难神米作规定的股术语的定义,应参考:a.科际电T词典(IEV)[EC50):(H 290&电T名间术;,1E68—2—27《基本的还境试验序,第2部分:试验——试验Ea和导测:冲击,GB2423.5电工电子产品禁木环境试验规程试验Ea:冲出试验方法购IEC68229元试验Eb和导则:碰撞GB2423.电工电子产品基本环境试验现程诚验c
Fb:碰撞试验方法;
d.IEC 2557&系列中公布的继电器标准》:11FF:255--21-1第21部分:度继电器和促护装置的振动,冲击,碰撞和地震试验…--第e.
章:振动试验(E弦)。(311287《继电器、继电保护装置的振动(托弦)试验》;f、1S标准2041振动和冲:辞典》。GB2298机裁振动、冲出、名词术语》。国家技术监督局1993-D717批准
1994-02-01实施
GB/T 14537—93
对于本标准,还应来用下列名词术语定义;3.1冲击试验shock test
在规定的条件下,对施加激励量和不施加激励量的产品,依次在试品的三个相互乘直的轴线上底受限定次数的单一冲新,以确定其耐受冲击影响能力的种试验,注,“试品\利括作为被试虽度继电器或保护裁肯的某一整体功能特征的任何辅助部分。3.2冲卡响应试验shockresponse lesl在规定的条件下,确定施加激励量的产品在运行中可能诞到的冲击是存响应(是否正常运行)所进行的-种冲试验,
3.3融受冲击试验
shockwithstandtest
确定不施加微励量的产品衣运输和装过程中所能退到的冲击作用的耐受能力哺进行种高强度的冲击试验。
3.4碰撞试验
burp lessl
确定对不施加激励量的产品.依次在试品的-三个相垂直的轴线上承受限亲次数的硅撤,以确定其附受在选输期间叮能碰到的碰撞影响能力的一种试验,4冲击和碰撞试验的要求
冲击和碰撞试验的主婴参数如下:a.加速度;
h.标称脉冲的持续时间;
:所如脉冲的次数。
在本标准中,所用的脉冲波形为半正弦波。4.1试验设备及安装
冲击和碰撞发生器和定器的要求特性与安装要求部应符合下列各条规定。当产品安装在发生器上时这些特性应当适用,4.1.1加速度允垫
冲击利碰撞试验的标称脉冲波形应如图】中魔线表示的卡止弦波·实标加速度的真值应限制在图1中实线表示的泄制内。
GB/T14537--93
图1冲击和碰撞试验的脉冲波形(半正弦波)及允许误差充诈误差范围:
标称脉神:
D:标称慰冲的持续时间+
A:标称脐冲抑速度的蜂值:
T::再常规的冲击程碰懂试验台产生的冲击和理撞,咪冲虑受监疫的最小时间:T,:明摄动试些台产生的冲击和碰撞,称冲应受监控的最小时间。4.1.2脉冲等续时间允差
实际的脉冲持续时问与允差如表1所示。表1脉冲持续时间与允差
试验类型
阵击试验
碰癌试验
4.1.3横向运动
脉而的持续时间刀
当按照 4. 1. 5 条通过一测量系统测定时,作临测点,上:垂直于指定的冲击或碰撞方向的正间或反向的加速度峰值,在任时候应当不超过在指定方向上标称脉冲的加速度峰值的30%。4.1.4重复率
冲击和碰撞试验过程中,在两个脉冲之间的间歇期间,试品内的对运动基本上等于零,而且在基准点上的加速度值应在图1所示的规定范图内,--般情况下,对于碰撞试验按每穆钟1至3个脉冲的速率进行。
4.1.5测量系统
测量系统应满足下列要求:
GB/T14537—93
冲击和碰撤脉冲应当用安装在基准点上的加速度计测量,此基滩点由产品标准规定:a
b.测量系统的特性应能测定,当在基准点上在指定的方向上测量时,冲击与碰撞脉冲的实际值应衍合本标准的1.1.1条和4.1.2条所规定的允差范围内;包括加速度计在内的整个测录系统的频率特性对准确度可能影响很大,而对下冲击和碰撞试c.
验应符合图 2 及表 2 的要求。idE
24B倍事
图2冲击和碰撞试验测量系统的频率特征表2冲击和碰撞试验测量系统的频率特征球冲的持续时间
试验类型
冲击试验
碰操试验
4.1.6按装
试品安装应满足以下要求:
下献正频率
上载止骏率
超过范围颊率响序可能上升到高于:1dB的题率,kHz
试品应当按其工作时的正常连接方式固定到i击或碰撞试验台上,以使作用于被试产品上的力与产品在正常使用中所受的力方向致;连接到试品上的接线,应使其对被试产品的约束作用不大于产品在证常工作位置时接线的约h.
速作用;
应保证试品不受由试验系统产生的磁场的明显影响,具体要求由产品标雅规定,4.2冲击试验严酷等级
本标准包括两种类型的冲击试验:在加激励最的产品上作的冲击响应试验:a.
在不加激励量的产品上作的冲击耐受试验。h.
GB/T 14537—93
冲,作响应试验和冲击耐变试验都包括三个不同的严酷等级(0,1,2),其主要参数分别列人 4. 2. 1 条和 4. 2. 2 系中。
对于特殊型式的产品,产品标准应规定神击响应试验和冲违耐受试验的不同严酷等级·当规定为[级时,免作上述试验。
4.2.1冲击响应试验
本试验适用于加激励量的产品,表3中列出不同严酷等级的冲击响应试验参数(见附录A中A1条)。
表3不同严醋等级的冲击响应试验参数级
加速度峰值 A
(gn)m/s
110398
脉再的持续时间D
在每个方间上的脉冲数
注: 1) 括号中的单位与数据为 IEC 235--21--2 规足值,术加括号的单位与数据为法定if型中位与换持数据,表 4 ,表5均相间。
2)每个方间上3个脉冲对空于每根轴线,6个脉降。4. 2.2冲,作谢受试验
本试验适用不加激断的产品,表4中列出不同严酪等级的冲括耐受试验参数。丧 4不同严能等级的冲击受试验参数级
加速度螺值A
(gn)n/a
(15)147
(30)294
脉冲持续时间卫
注,1)每不方向上3个脉冲对应于每根轴线上6个脉冲,4.3碰撞试验严醋等级
本试验适用于不加激励量的产品在每个方后上的脉冲数
对于继试验,本标准包据三个不同的严髓等级(0,1.2),其主要参数列入表 5 中(见附录 A 中 A1条)
当宣布 口 级时,不作碰撞试验。表 5不同严酷等级的碰撞试验参数级
加速度峰值 -4
(gn)m/ss
(10>96
(20>196
脉冲持续贴间 D
注:1)每个方向F:10)次碰撞对应于每根轴线上2000次碰撑。4.4选择冲击和避撞试验严酷等级的原则。在每个方向上的脉冲数
GB/T 14537—93
试验的严酷等级是对应于产品耐受在个别的运输或使用方式中可能经受的机械冲击和碰摘的能力按照表6分类。
表6选择试验严酷等级的原则
光击和诞懂要求的产品
准正常送行及正常运输条件下的产品适用场合
安全系数要求很高,用于冲击或碰憧强度很高的使用场合(如的上)以及适舍下恶出的运辅条件的产品产品的包装设计和读现应当做到在运输过程中不会超过严酷等级参数。4.5冲击响应试验的试验程序
冲击脉冲特性应当在产品标准规定的基准点上测量。在试验期间,产品应处于带盖子的外壳中的正常工作位置。应去掉任何运输限制器。注:虾果产品不便于整体试验,经制造厂与用户协商,可以按功能分组件试验,4. 5. 1试品应分别在三个相行垂直的每个轴线上的每个方向(即上、下、左.右、前、后)各抑3个脉冲(共让18个脉
加速度峰值应当按照表3所规定的严酷等级选择。4.5.2在产品标准规定的基推条件下,瓶如下列辅助和输人邀励量值,以及产晶标准规定的输出电路施加负载时,有产品上进行试验:辅助激励盘:额定值:
输出电路负载:除监测仪器外不加负载或者按产品标准规定加负载:输入邀励量:等特性量的动作值加上及减去产品标谁规定的由于冲击而不致引起误效的变差:如:
待性量值度低十过量产品战商于欠量产品的动炸值,产品不应当动推a.
b.持性量值应高于过量产品或低于欠量产品的动作值,产品不应当释放。试验之前,应在产品标准规定的基准条件下测量产品的动作值,4.5.3试验期间.具有整定值的产品应整定在最灵敏的整定值,并按产品标准施加规定的激贴堡或特征盐,产所在试验过程中应分别处于动作妆态或释敬状态。注:当试验包含忘种度功能的产品时,可仅对其已知的对试击最灵敏的功能逆行检查试验,4. 5. 4试验讨程中,输出电路的状态(见 5, 1.1 条),应由监测装置判别,该监测装置应能测量越点动合或动断的历时,其复归时间应不大十0.2ms(有或无继电器应不大下1s),或更短的复归时间,以防止输出电路(例妮缺点)的若+次短历附的积累效应引起监测装置的响应(见附录A小A2条)。4.5.5试验结束后,应检查试验对试品的影响。4.6冲出谢受试验利碰撞试验的试验程序冲击和碰既冲特性应当在产品标准规定的基准点上测量。在试验期间,试品度处于带盖了的外壳中的正带工作位置,应不去抗任何运输限制器。净:如果试品的尽小不使于整体试验,经制造!与用户协商,可以按坊能分组件试验:4.6.1试品的耐受冲击试验:应在三个相互垂直的每一个轴线的每个方向(即上、下,左、右、前、后)各加三个冲(共计18 个脉冲)。
谢受冲山试验的加速度峰值,按装1所规定的严酷等级选择,4.6.2碰撤试验应当依次在被试产品的三个相互垂直的每-个线的每个方向(即上、下,前、后、左、在)各加 1 000 个陈冲(共计 6 000 个脉冲)。碰撞试验的如速度峰值,按表5所规定的严酷等级选揉。GB/T 14537--93Www.bzxZ.net
试验期间如果在运输过程中被试产品承受的碰撞方向是已知的.则可将规定次数脉冲痴加于该厅向。
试验过程中对进行冲击耐受试验和碰撞试验的被试产品不加激励量就特征量,融点呼踏不监测
4.6.4试验后应检查冲击耐受试验和碰撤试验对试品的影响5合格判据
5.1冲击响应试验的合格判搁
5.1.1试验期问,产品不应误动作。如果其输出电路改变其正常状态不超过2m,以认为无误动作。往,产品导准可以规定出现状念改变不长于 10 μs 的加速度蜂值(见附录 A 中 A2系)。5.1.2试验不应当引起掉牌或其他方我的指示永久政变基状态5.1.3试验后+产品仍应符台有关的性能技术要求,而其动作值不应当有人卡0.5倍规定误差的变化,也不应受到机械损坏。
5.2冲击树受试验和碰撞试验的合格判据5.2.1试验可以引起掉牌或其他方式的指示改变其状态。5.2.2试验后,产品仍应符合有关的性能技术要求,也不应受到机损坏。..comGB/T 14537- 93
冲击和碰撞试验的参数及在进行冲击响应试验时输出电路响应特性的选择原则
【补充件】
A1对于冲击应试验及对了碰撞试验。选用的某些试验参数与IEC682-:27和68-229的参数不尽柏同。
为了在1级称2级严醋程度之间总能有接加以比较,在术标准中选用了,些试验参数值量度继电器和保护装窄可能更多地使用动作时间很短的器件,如可挖仕整流器,2T的试验要A2
求对其闻能不适用
需要知道输出电路状态改变没有危险的加速度峰值,以便在幅值俄予此数值时,在出冲击引起的怨点短暂闭合之后.不会由下要切断输出电路所通的负荷出流,而有例如损害触点的危险。日前、对于汗多继电器和保护装置的设计,有关不会出现不希有的状态改变的标推的加速度福俏新受催.要提出划实的建议。尚无足够的数据。
为了获得这些数据,建议量度继电器和保护装按照4.5条作试验但胺照1EC255-7第37章。输出电路的状态改变以10 μs作为合格判据,试验结果由制造厂管布。
附加说明:
本标准由机械电子工业部提出。本标准由全国继电器,继出保护及自动装置标准化技术委员会心口,本标罹由许昌继电器研究所、南京自动化设备厂负责起节。本标准主要起草人杨炜、孙臻,罗佩芳、主宝平:..com
小提示:此标准内容仅展示完整标准里的部分截取内容,若需要完整标准请到上方自行免费下载完整标准文档。
标准图片预览:





- 其它标准
- 热门标准
- 国家标准(GB)
- GB/T2828.1-2012 计数抽样检验程序 第1部分:按接收质量限(AQL)检索的逐批检验抽样计划
- GB/T18204.4-2000 公共场所毛巾、床上卧具微生物检验方法细菌总数测定
- GB/T23892.3-2009 滑动轴承 稳态条件下流体动压可倾瓦块止推轴承 第3部分:可倾瓦块止推轴承计算的许用值
- GB/T11839-1989 二氧化铀芯块中硼的测定 姜黄素萃取光度法
- GB/T6122.1-2002 圆角铣刀 第1部分:型式和尺寸
- GB/T7433-1987 对称电缆载波通信系统抗无线电广播和通信干扰的指标
- GB/T21238-2007 玻璃纤维增强塑料夹砂管
- GB/T28809-2012 轨道交通 通信、信号和处理系统 信号用安全相关电子系统
- GB/T9124.1-2019 钢制管法兰 第1部分:PN 系列
- GB17945-2024 消防应急照明和疏散指示系统
- GB15603-2022 危险化学品仓库储存通则
- GB6819-1996 溶解乙炔
- GB/T9239-1988 刚性转子平衡品质 许用不平衡的确定
- GB/T15917.3-1995 金属镝及氧化镝化学分析方法 对氯苯基荧光酮--溴化十六烷基三甲基胺分光光度法测定钽量
- GB/T5738-1995 瓶装酒、饮料塑料周转箱
- 行业新闻
请牢记:“bzxz.net”即是“标准下载”四个汉字汉语拼音首字母与国际顶级域名“.net”的组合。 ©2025 标准下载网 www.bzxz.net 本站邮件:bzxznet@163.com
网站备案号:湘ICP备2025141790号-2
网站备案号:湘ICP备2025141790号-2