- 您的位置:
- 标准下载网 >>
- 标准分类 >>
- 电子行业标准(SJ) >>
- SJ 50681.23-1994 TNC系列(接电缆)插针接触件2级射频同轴插头连接器详细规范
标准号:
SJ 50681.23-1994
标准名称:
TNC系列(接电缆)插针接触件2级射频同轴插头连接器详细规范
标准类别:
电子行业标准(SJ)
标准状态:
现行出版语种:
简体中文下载格式:
.rar .pdf下载大小:
353.13 KB
点击下载
标准简介:
标准下载解压密码:www.bzxz.net
SJ 50681.23-1994 TNC系列(接电缆)插针接触件2级射频同轴插头连接器详细规范 SJ50681.23-1994
部分标准内容:
中华人民共和国电子行业军用标准SJ50681/23-94
TNC系列射频同轴连接器
详细规范
1994-09-30发布
1994-12-01实施
中华人民共和国电子工业部
中华人民共和国电子行业军用标准TNC系列(接电缆)插针接触件2级射频同轴插头连接器详细规范
Connectors,plug coaxiai,radio frequency(seriesTNC(cabled),pin contact,class2),detail specification for
SJ50681/23-94
本规范所规定的TNC系列(接电缆)插针接触件2级射频同轴插头连接器,其全部要求由本规范和总规范GJB681作出规定。1范围
1.1、主题内容
本规范规定了TNC系列(接电缆)插针接触件2级射频同轴插头连接器的详细要求。1.2适用范围
本规范适用于在无线电设备和电子仪器的射频回路中连接柔软射频同轴电缆、具有螺纹连接机构的、供低功率使用的TNC系列(接电缆)插针接触件2级射频同轴插头连接器。1.3分类
1.3.1种类
本规范包括的连接器分为A种、C种和D种。1.3.2军用元件号
军用元件号为J50681/23-××××(横线号见表1)。2引用文件
GB9022-88
GJB681-89
GJB973-91
GJB1216—91
GJB 681/35
3要求
手或动力驱动的压接工具总规范射频同轴连接器总规范
柔软和半硬射频电缆总规范
电连接器接触件总规范
SC系列(接电缆)插针接触件2级射频同轴插头连接器详细规范3.1外形尺寸及设计和结构
3.1:1横线号和最大外形尺寸
横线号和连接器的最大外形尺寸如表1所示。中华人民共和国电子工业部
1994-09-30发布
1994-12-01实施
横线号102)3)
SJ50681/23—94
表1横线号和尺寸
横线号1)213)
A种一现场可维修(无需专用工具)0101
D种一现场可替换4)5)6(规定的零部件)0501
横线号为元件号中的一部分。
注:1)
这些连接器所配接的电缆见附录A。这些连接器具有过盈咬配的中心接触件。3)
C种现场可替换3(压接工具见GB9022)0010
利用适用的压接工具将这些连接器装接到如图5所示的规定剥头电缆上。陆军设备不采用。
完整的连接器组装应由连接器体、中心接触件、套筒、组装说明书组成。6)
3.1.2设计和结构
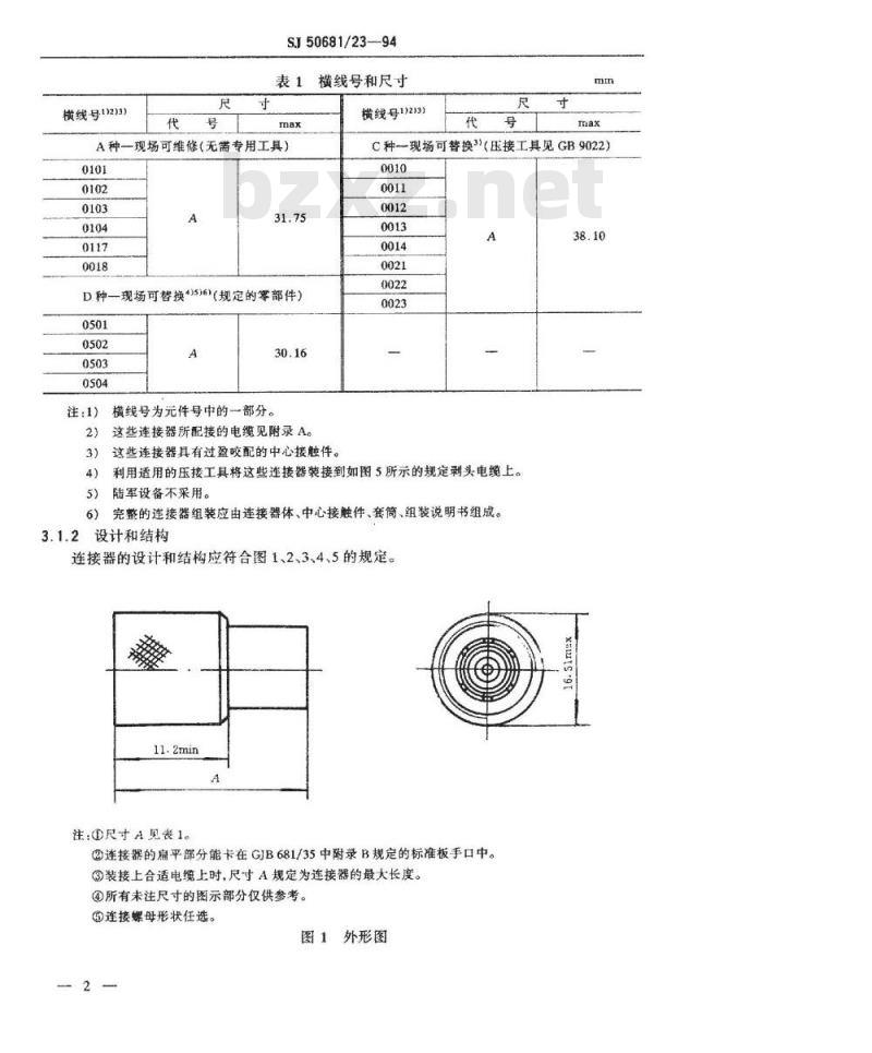
连接器的设计和结构应符合图1、2、3、4、5的规定。11.2min
注:①尺寸A见表1。
②连接器的扁平部分能卡在GJB681/35中附录B规定的标准板手口中。③装接上合适电缆上时,尺寸A规定为连接器的最大长度。所有未注尺寸的图示部分仅供参考。③连接螺母形状任选。
图1外形图
标准规试验
1,32
SJ50681/23—94
7/16-28UNEF-2B
注:①连接器的界面应满足本规范规定的标准规要求。②密封挚圈应满足所需的功能和环境性能。?a处为基准面。
中心接触件
5566°
1)M表示螺母前移的最大位暨。
2)开槽和涨口要满足电气和机要求,涨口后的尺寸满足标准规试验的要求。3)满螺纹。
图2TNC系列连接器(播针接触件)界面寸
SJ50681/23-—94
6.78±0.36
50~0千96
注:①它们是在连接爆母上的最小直径为0.69的孔均布,用来安装安全丝的,位置任选。②所有未注尺寸的图示部分仅供参考。③a处为基准面。
1)倒角任选。
图3D种连接器过盈咬配详图
12.14±0.05
5.97±0.05
f.02±0.Q5
40.89±0.13
3.68±0.13
4.65±0.08
横线号
横线号
套简号
26—50
26—52
SJ50681/23-94
基本压接工具
GB9022/1-
图4a中心接触件
12.70±0.38
图4b压接套简
压模或定位器
GB9022/1
基本压接工具
GB9022/5-
压接抗张强度
N(min)
压接或定位器
GB9022/5-
05:41闭合位B或9闭
合位A
05、11、57闭合位A或
19闭合位B。
注:①原始设备制造厂(OEM)可采用Ⅱ类压接工具(基本压接工具)(见GB9022)。接触件号和套简号仅作为识别用。?焊接或压接抗张强度试验应按GJB1216的规定进行。①a处为基准面。
b处的最大倒圆半径为0.08。
1)一侧或两侧。
图4D种连接器的接触件和套简的尺寸5
3.2额定值
标称阻抗:50n
8:46~8.97
SJ50681/23—94
10.85~11.35
3.71~4.22
图5用于现场可替换的连接器电缆剥头尺寸预率范围:0-11.0GHz;
电压额定值:海平面外的最高工作电压为500V(有效值),在海拨高度21000m处最高工作电压为125V(有效值);
温度额定值:-65~165℃。
3.3性能要求
检验条件
除3.3.1.3.3.2和3.3.3外,如需插合成对进行试验时,拧紧连接螺母的力矩为0.45~0.68N·m。
3.3.1啮合力和分离力
力矩:0.23Nmmax
3.3.2连接机构的耐力矩
耐力矩:1.69Nmmin。
3.3.3插合特征
尺寸见图2和图3。
外接触件
测试用标准规内径:8.10mmmax;标准规表面粗糙度:0.4um;
标准规插入深度:2.36mmmin;
插入力:22.2Nmax。
开槽接触件
在距它的顶端0.79mm范围内,应能与个最小直径为8.23mm的标准规相接触。3.3.4绝缘电阻
当连接器按GJB360.28方法中的试验条件B进行试验时,绝缘电阻最小应为5000MQ。3.3.5中心接触件的固定性(仅适用于具有过盈咬配中心接触件的连接器)轴向力:26.7Nmin。
3.3.6盐雾(腐蚀)
连接器应接GJB360.2方法中的试验等级B进行试验。3.3.7电压驻波比(VSWR)
SJ50681/23-94
从0.5~11.0GHz或接近电缆上限截止频率的80%,以较低者为准,电压驻波比最大为1.30。
扫颖频电压驻波比测试装置中,标准精密转接器(6)和(16)的电压驻波比应小于1.06+0.007F(F的单位为GHz)。
在电压驻波比测量程序的步骤2中,该系统的电压驻波比应小于1.05+0.005F(F的单位为GHz)。
在B组检验中,电缆模拟器的电压驻波比应小于1.10+0.01F(F的单位为GHz)。在鉴定检验和C组检验中,系统的电压驻波比应不大于1.10。3.3.8连接器的耐久性
至少要进行500次循环,最大速率为每分钟12次。循环后,连接器应满足插合待性以及啮合力和分离力的要求。
3.3.9接触电阻
接触电阻应不大于表2规定的值。表2接触电阻
被测件
中心接触件
外接触件
编织层至连接器壳体
3.3.10介质耐压
初始试验
环境试验后
连接器应按GJB360.27规定的方法进行试验,在海平面处,电压最小有效值为1500V。3.3.11高频振动
连接器应按GJB360.15方法中的试验条件B进行试验,不允许有电气不连续。3.3.12冲击(规定脉冲)
连接器应按GJB360.23方法中的试验条件G进行试验,不允许有电气不连续。3.3.13温度冲击
除了试验高温应为85C外,连接器应按GJB360.7方法中的试验条件B进行试验。对于使用200℃高温电缆的连接器(见附录A),其试验高温为200℃。3.3.14耐湿
连接器应按GJB360.6规定的方法进行试验,在高湿条件下不进行测量,从潮湿箱取出后5min内,其绝缘电阻应不小于200Mo。3.3.15电晕电压
海拔高度:21000m;
压:375Vmin(有效值)。
耐射频高电位电压
率:5~7.5MHz;
压:1000Vmin(有效值)。
3.3.17电缆保持力
非压接装配电缆保持力:177.9Nmin;压接装配电缆保持力:
SJ50681/23--94
电缆外径为3.94~4.81mm时,为44.5Nmin;电缆外径为4.82~5.83mm时,为89.0Nmin;电缆外径为5.846.33mm时,为133.4Nmin;电缆外径为6.34或更大时,为177.9Nmin;3.3.18连接机构的保持力
连接机构保持力:444.8Nmin。
3.3.19射频泄漏
在2~3.0GHz频率范围内测量时,应优于-60dB。3.3.20射频插入损耗
在频率达9GHz测量时,最大值为0.18dB,在频率达3GHz和6GHz测量时,最大值为0.06 VFdB(F的单位为 GHz)。
质量保证规定
鉴定分组如表3所示,其余均执行GJB681的规定。表3鉴定分组
下列任何一个元件号连接器的
提交和鉴定合格
J50681/23-
代表鉴定了下述连接器
J50681/23-
注:假如一个连接器制造厂生产的某一个元件号的连接器,能满足两个或两个以上元件号连接器(在同一系列中的全部要求,则此制造厂可以通过鉴定这一个元件号的连接器,使两个或两个以上元件号的连接器得到鉴定批准。这样的连接器可不在同一组中,但每一个连接器必须标有其合适的元件号。对于分组鉴定,这些连接器必须是结构类似的。8
SJ50681/23—94
附录A
连接器与配接射频电缆对照表
(补充件)
本附录给出了本规范规定的TNC系列(接电缆)插针接触件2级射频同轴插头连接器所配接的射频电缆,如表A1所示。表A1道
连接器与配接射频电缆对照表
横线号
GJB973电缆
SYV—50-3—51
SYV-50-3-52
SFF-50—3—53
SFF—50—352
SYV—75-4--51
SYSV-93-4-51
SYSY-93—4—51
SFSB—934—51
SYV-50—2-52
SFF-50—3-51
SFF-75-4-51
SFF-50—251
SYV—50-2-51
SYV-503-51
SFF-503—51
SYV-50--3-52
SFF—50-3—53
SFF—50—3-52免费标准bzxz.net
SYV—75-—4—51
SYSV--93--4-51
SFSB—93--4-51
SYV-50-2—52
SYSY-93--4—51
SFF—75--4—51
SFF-50—2—51
SYV--50—-2--51
SFF-95—3—51
相应的MIL标准电缆1)
28-RG58
84—RG2233)
128--RG400
60-—RG1422)
29—RG598)
30—-RG628)
90—RG718)
97—RG216)
54—RG1223)
111—RG3032)3)
110—RG3022)3)8)
113—RG3162)3)
119—RG174
28—RG5834)
111—RG30324)
84—RG2233)4)
128—RG400*
60—RG1422)4)
29—RG593)5)8)
30—RG623)8
97—RG2103)8)
54—RG12236)
90—RG713)5)8)
110—RG3022)3)518)
113—RG3162)3)7)
119-RGI747)
95—RG1803)6)8)
横线号
注:1)每种电缆的最新品种应适用。SJ50681/23—94
GJB973电缆
SYV-—50-2—52
SFF--95--351
SFF—50-3—52
SFF—50—3-53
SYV--50—3—51
2)200C温度冲击试验要用的电缆。相应的MIL标准电缆1)
S4—RG1223)
95—RG18038)
60-RG1423)
128—RG400
28—RG583)
3)除了注2)和8)的电缆外,在要求接上电缆进行试验时所采用的电缆。4)GB9022/5-19闭合位B或GB9022/5-05闭合位A.GB9022/5-11闭合位A、GB9022-5-57闭合位A。
5)GB9022/5-19闭合位A或GB9022/5-07闭合位A,GB9022/5-13闭合位AGB9022-5-59闭合位A。
6)GB9022/5-41闭合位B或GB9022/5-05闭合位B、GB9022/5-09闭合位A7)GB9022/5-35闭合位B或GB9022/5-03闭合位A8)这些不是50的电缆,因此,当装接到规定的连接器上时,电压驻波比、射频泄漏和插入损耗是不适用的。
附加说明:
本规范由中国电子技术标准化研究所归口。本规范由中国电子技术标准化研究所和上海无线电十六厂起草。本规范主要起草人:徐俐弟、王华冬。计划项目代号:B92039
小提示:此标准内容仅展示完整标准里的部分截取内容,若需要完整标准请到上方自行免费下载完整标准文档。
TNC系列射频同轴连接器
详细规范
1994-09-30发布
1994-12-01实施
中华人民共和国电子工业部
中华人民共和国电子行业军用标准TNC系列(接电缆)插针接触件2级射频同轴插头连接器详细规范
Connectors,plug coaxiai,radio frequency(seriesTNC(cabled),pin contact,class2),detail specification for
SJ50681/23-94
本规范所规定的TNC系列(接电缆)插针接触件2级射频同轴插头连接器,其全部要求由本规范和总规范GJB681作出规定。1范围
1.1、主题内容
本规范规定了TNC系列(接电缆)插针接触件2级射频同轴插头连接器的详细要求。1.2适用范围
本规范适用于在无线电设备和电子仪器的射频回路中连接柔软射频同轴电缆、具有螺纹连接机构的、供低功率使用的TNC系列(接电缆)插针接触件2级射频同轴插头连接器。1.3分类
1.3.1种类
本规范包括的连接器分为A种、C种和D种。1.3.2军用元件号
军用元件号为J50681/23-××××(横线号见表1)。2引用文件
GB9022-88
GJB681-89
GJB973-91
GJB1216—91
GJB 681/35
3要求
手或动力驱动的压接工具总规范射频同轴连接器总规范
柔软和半硬射频电缆总规范
电连接器接触件总规范
SC系列(接电缆)插针接触件2级射频同轴插头连接器详细规范3.1外形尺寸及设计和结构
3.1:1横线号和最大外形尺寸
横线号和连接器的最大外形尺寸如表1所示。中华人民共和国电子工业部
1994-09-30发布
1994-12-01实施
横线号102)3)
SJ50681/23—94
表1横线号和尺寸
横线号1)213)
A种一现场可维修(无需专用工具)0101
D种一现场可替换4)5)6(规定的零部件)0501
横线号为元件号中的一部分。
注:1)
这些连接器所配接的电缆见附录A。这些连接器具有过盈咬配的中心接触件。3)
C种现场可替换3(压接工具见GB9022)0010
利用适用的压接工具将这些连接器装接到如图5所示的规定剥头电缆上。陆军设备不采用。
完整的连接器组装应由连接器体、中心接触件、套筒、组装说明书组成。6)
3.1.2设计和结构
连接器的设计和结构应符合图1、2、3、4、5的规定。11.2min
注:①尺寸A见表1。
②连接器的扁平部分能卡在GJB681/35中附录B规定的标准板手口中。③装接上合适电缆上时,尺寸A规定为连接器的最大长度。所有未注尺寸的图示部分仅供参考。③连接螺母形状任选。
图1外形图
标准规试验
1,32
SJ50681/23—94
7/16-28UNEF-2B
注:①连接器的界面应满足本规范规定的标准规要求。②密封挚圈应满足所需的功能和环境性能。?a处为基准面。
中心接触件
5566°
1)M表示螺母前移的最大位暨。
2)开槽和涨口要满足电气和机要求,涨口后的尺寸满足标准规试验的要求。3)满螺纹。
图2TNC系列连接器(播针接触件)界面寸
SJ50681/23-—94
6.78±0.36
50~0千96
注:①它们是在连接爆母上的最小直径为0.69的孔均布,用来安装安全丝的,位置任选。②所有未注尺寸的图示部分仅供参考。③a处为基准面。
1)倒角任选。
图3D种连接器过盈咬配详图
12.14±0.05
5.97±0.05
f.02±0.Q5
40.89±0.13
3.68±0.13
4.65±0.08
横线号
横线号
套简号
26—50
26—52
SJ50681/23-94
基本压接工具
GB9022/1-
图4a中心接触件
12.70±0.38
图4b压接套简
压模或定位器
GB9022/1
基本压接工具
GB9022/5-
压接抗张强度
N(min)
压接或定位器
GB9022/5-
05:41闭合位B或9闭
合位A
05、11、57闭合位A或
19闭合位B。
注:①原始设备制造厂(OEM)可采用Ⅱ类压接工具(基本压接工具)(见GB9022)。接触件号和套简号仅作为识别用。?焊接或压接抗张强度试验应按GJB1216的规定进行。①a处为基准面。
b处的最大倒圆半径为0.08。
1)一侧或两侧。
图4D种连接器的接触件和套简的尺寸5
3.2额定值
标称阻抗:50n
8:46~8.97
SJ50681/23—94
10.85~11.35
3.71~4.22
图5用于现场可替换的连接器电缆剥头尺寸预率范围:0-11.0GHz;
电压额定值:海平面外的最高工作电压为500V(有效值),在海拨高度21000m处最高工作电压为125V(有效值);
温度额定值:-65~165℃。
3.3性能要求
检验条件
除3.3.1.3.3.2和3.3.3外,如需插合成对进行试验时,拧紧连接螺母的力矩为0.45~0.68N·m。
3.3.1啮合力和分离力
力矩:0.23Nmmax
3.3.2连接机构的耐力矩
耐力矩:1.69Nmmin。
3.3.3插合特征
尺寸见图2和图3。
外接触件
测试用标准规内径:8.10mmmax;标准规表面粗糙度:0.4um;
标准规插入深度:2.36mmmin;
插入力:22.2Nmax。
开槽接触件
在距它的顶端0.79mm范围内,应能与个最小直径为8.23mm的标准规相接触。3.3.4绝缘电阻
当连接器按GJB360.28方法中的试验条件B进行试验时,绝缘电阻最小应为5000MQ。3.3.5中心接触件的固定性(仅适用于具有过盈咬配中心接触件的连接器)轴向力:26.7Nmin。
3.3.6盐雾(腐蚀)
连接器应接GJB360.2方法中的试验等级B进行试验。3.3.7电压驻波比(VSWR)
SJ50681/23-94
从0.5~11.0GHz或接近电缆上限截止频率的80%,以较低者为准,电压驻波比最大为1.30。
扫颖频电压驻波比测试装置中,标准精密转接器(6)和(16)的电压驻波比应小于1.06+0.007F(F的单位为GHz)。
在电压驻波比测量程序的步骤2中,该系统的电压驻波比应小于1.05+0.005F(F的单位为GHz)。
在B组检验中,电缆模拟器的电压驻波比应小于1.10+0.01F(F的单位为GHz)。在鉴定检验和C组检验中,系统的电压驻波比应不大于1.10。3.3.8连接器的耐久性
至少要进行500次循环,最大速率为每分钟12次。循环后,连接器应满足插合待性以及啮合力和分离力的要求。
3.3.9接触电阻
接触电阻应不大于表2规定的值。表2接触电阻
被测件
中心接触件
外接触件
编织层至连接器壳体
3.3.10介质耐压
初始试验
环境试验后
连接器应按GJB360.27规定的方法进行试验,在海平面处,电压最小有效值为1500V。3.3.11高频振动
连接器应按GJB360.15方法中的试验条件B进行试验,不允许有电气不连续。3.3.12冲击(规定脉冲)
连接器应按GJB360.23方法中的试验条件G进行试验,不允许有电气不连续。3.3.13温度冲击
除了试验高温应为85C外,连接器应按GJB360.7方法中的试验条件B进行试验。对于使用200℃高温电缆的连接器(见附录A),其试验高温为200℃。3.3.14耐湿
连接器应按GJB360.6规定的方法进行试验,在高湿条件下不进行测量,从潮湿箱取出后5min内,其绝缘电阻应不小于200Mo。3.3.15电晕电压
海拔高度:21000m;
压:375Vmin(有效值)。
耐射频高电位电压
率:5~7.5MHz;
压:1000Vmin(有效值)。
3.3.17电缆保持力
非压接装配电缆保持力:177.9Nmin;压接装配电缆保持力:
SJ50681/23--94
电缆外径为3.94~4.81mm时,为44.5Nmin;电缆外径为4.82~5.83mm时,为89.0Nmin;电缆外径为5.846.33mm时,为133.4Nmin;电缆外径为6.34或更大时,为177.9Nmin;3.3.18连接机构的保持力
连接机构保持力:444.8Nmin。
3.3.19射频泄漏
在2~3.0GHz频率范围内测量时,应优于-60dB。3.3.20射频插入损耗
在频率达9GHz测量时,最大值为0.18dB,在频率达3GHz和6GHz测量时,最大值为0.06 VFdB(F的单位为 GHz)。
质量保证规定
鉴定分组如表3所示,其余均执行GJB681的规定。表3鉴定分组
下列任何一个元件号连接器的
提交和鉴定合格
J50681/23-
代表鉴定了下述连接器
J50681/23-
注:假如一个连接器制造厂生产的某一个元件号的连接器,能满足两个或两个以上元件号连接器(在同一系列中的全部要求,则此制造厂可以通过鉴定这一个元件号的连接器,使两个或两个以上元件号的连接器得到鉴定批准。这样的连接器可不在同一组中,但每一个连接器必须标有其合适的元件号。对于分组鉴定,这些连接器必须是结构类似的。8
SJ50681/23—94
附录A
连接器与配接射频电缆对照表
(补充件)
本附录给出了本规范规定的TNC系列(接电缆)插针接触件2级射频同轴插头连接器所配接的射频电缆,如表A1所示。表A1道
连接器与配接射频电缆对照表
横线号
GJB973电缆
SYV—50-3—51
SYV-50-3-52
SFF-50—3—53
SFF—50—352
SYV—75-4--51
SYSV-93-4-51
SYSY-93—4—51
SFSB—934—51
SYV-50—2-52
SFF-50—3-51
SFF-75-4-51
SFF-50—251
SYV—50-2-51
SYV-503-51
SFF-503—51
SYV-50--3-52
SFF—50-3—53
SFF—50—3-52免费标准bzxz.net
SYV—75-—4—51
SYSV--93--4-51
SFSB—93--4-51
SYV-50-2—52
SYSY-93--4—51
SFF—75--4—51
SFF-50—2—51
SYV--50—-2--51
SFF-95—3—51
相应的MIL标准电缆1)
28-RG58
84—RG2233)
128--RG400
60-—RG1422)
29—RG598)
30—-RG628)
90—RG718)
97—RG216)
54—RG1223)
111—RG3032)3)
110—RG3022)3)8)
113—RG3162)3)
119—RG174
28—RG5834)
111—RG30324)
84—RG2233)4)
128—RG400*
60—RG1422)4)
29—RG593)5)8)
30—RG623)8
97—RG2103)8)
54—RG12236)
90—RG713)5)8)
110—RG3022)3)518)
113—RG3162)3)7)
119-RGI747)
95—RG1803)6)8)
横线号
注:1)每种电缆的最新品种应适用。SJ50681/23—94
GJB973电缆
SYV-—50-2—52
SFF--95--351
SFF—50-3—52
SFF—50—3-53
SYV--50—3—51
2)200C温度冲击试验要用的电缆。相应的MIL标准电缆1)
S4—RG1223)
95—RG18038)
60-RG1423)
128—RG400
28—RG583)
3)除了注2)和8)的电缆外,在要求接上电缆进行试验时所采用的电缆。4)GB9022/5-19闭合位B或GB9022/5-05闭合位A.GB9022/5-11闭合位A、GB9022-5-57闭合位A。
5)GB9022/5-19闭合位A或GB9022/5-07闭合位A,GB9022/5-13闭合位AGB9022-5-59闭合位A。
6)GB9022/5-41闭合位B或GB9022/5-05闭合位B、GB9022/5-09闭合位A7)GB9022/5-35闭合位B或GB9022/5-03闭合位A8)这些不是50的电缆,因此,当装接到规定的连接器上时,电压驻波比、射频泄漏和插入损耗是不适用的。
附加说明:
本规范由中国电子技术标准化研究所归口。本规范由中国电子技术标准化研究所和上海无线电十六厂起草。本规范主要起草人:徐俐弟、王华冬。计划项目代号:B92039
小提示:此标准内容仅展示完整标准里的部分截取内容,若需要完整标准请到上方自行免费下载完整标准文档。
标准图片预览:





- 热门标准
- 行业标准
- SJ20794/2-2007 RNK5085型有可靠性指标的表面安装膜固定电阻网络详细规范
- SJ/T11396-2009 氮化镓基发光二极管蓝宝石衬底片
- SJ/T31421-1994 双推板式电热隧道窑完好要求和检查评定方法
- SJ/T31423-1994 真空电阻加热炉完好要求和检查评定方法
- SJ/T31424-1994 室式淬火热处理炉完好要求和检查评定方法
- SJ50065/12-2004 JRW-220M型有可靠性指标的TO-5密封直流电磁继电器详细规范
- SJ1185-1977 彩色电视测量测试卡(CT752卡)
- SJ50600.1-1994 JY3452型后松压接接触件盒式安装螺纹连接圆形固定电连接器详细规
- SJ905-1974 RX70型精密线绕电阻器
- SJ/T31422-1994 可控气氛炉完好要求和检查评定方法
- SJ/T31127-1994 MP010型多功能可焊性测试设备完好要求和检查评定方法
- SJ/T31211-1994 阴极支持架焊接机完好要求和检查评定方法
- SJ936-75 3DD103(104)型硅NPN低频高反压大功率三极管
- SJ3024.3-1988 组合冲模 顶杆
- SJ1437-1978 CKM-104B脉冲磁控管
- 行业新闻
请牢记:“bzxz.net”即是“标准下载”四个汉字汉语拼音首字母与国际顶级域名“.net”的组合。 ©2025 标准下载网 www.bzxz.net 本站邮件:bzxznet@163.com
网站备案号:湘ICP备2025141790号-2
网站备案号:湘ICP备2025141790号-2