- 您的位置:
- 标准下载网 >>
- 标准分类 >>
- 电子行业标准(SJ) >>
- SJ 50681.6-1994 C系列(接电缆)插针接触件2级射频同轴插头连接器详细规范
标准号:
SJ 50681.6-1994
标准名称:
C系列(接电缆)插针接触件2级射频同轴插头连接器详细规范
标准类别:
电子行业标准(SJ)
标准状态:
现行出版语种:
简体中文下载格式:
.rar .pdf下载大小:
347.19 KB
点击下载
标准简介:
标准下载解压密码:www.bzxz.net
SJ 50681.6-1994 C系列(接电缆)插针接触件2级射频同轴插头连接器详细规范 SJ50681.6-1994
部分标准内容:
中华人民共和国电子行业军用标准SJ50681/6-94
C系列射频同轴连接器详细规范
1994-09-30发布
1994-12-01实施
中华人民共和国电子工业部批准中华人民共和国电子行业军用标准C系列(接电缆)插针接触件2级射频同轴插头连接器详细规范
Connectors,plug,coaxial,radio frequency(series C(cabled),pin contact,class 2),detail specification for
SJ50681/6-94
本规范所规定的C系列(接电缆)插针接触件2级射同轴插头连接器,其全部要求由本规范和总规范GJB681作出规定。1范围
1.1主题内容
本规范规定了C系列(接电缆)插针接触件2级射频同轴插头连接器的详细要求。1.2适用范围
本规范适用于在无线电设备和电子仪器的射颊回路中连接柔软射频同轴电缆、利用卡口连接机构达到快速连接或分离的、供中功率使用的C系列(接电缆)插针接触件2级射频同轴插头连接器。
1.3分类
1.3.1种类
本规范包括的连接器分为A种和C种。1.3.2军用元件号
军用元件号为J50681/6××××(横线号见表1)。2引用文件
GB9022-88
GJB681-89
GJB973—91
GJB681/35-
3要求
手或动力驱动的压接工具总规范射频同轴连接器总规范
柔软和半硬射颖电缆总规范
SC系列(接电缆)插针接触件2级射频同轴插头连接器详细规范3.1外形尺寸及设计和结构
3.1.1横线号和最大外形尺寸
中华人民共和国电子工业部1994-09-30发布1994-12-01实施
SJ50681/6-94
横线号和连接器的最大外形尺寸如表1所示。表1横线号和尺寸
横线号1)213)
典型的插合连接器3
J50681/
A种一现场可维修(无需专用工具)7-0018
8-0016
11--0018
7-0017
8-0015
11—0019
7-0019
8--0017
11—0020
7-0020
8-0018
11-0021
C种一现场可替换(压接工具见GB9022)4)7-0014
8-0013
11-0012
7-0011
8-0010
11--0013
7--0012
8-0011
11—0014
7-0013
8-0012
11-0015
横线号103273)
SJ50681/6-94
续表1
典型的插合连接器5)
J50681/
7-0015
11-0016
7-0016
8-0014
11-0017
注:1)横线号为元件号中的一部分。2)这些连接器所配接的电缆见附录A。3)这些连接器具有过盈咬配的中心接触件。代号
4)利用适用的压接工具将C种连接器装接到如图3所示的规定剩头电缆上。5)如需连接器的附件时,可采用附录B的附件J50681/25-0003。3.1.2设计和结构
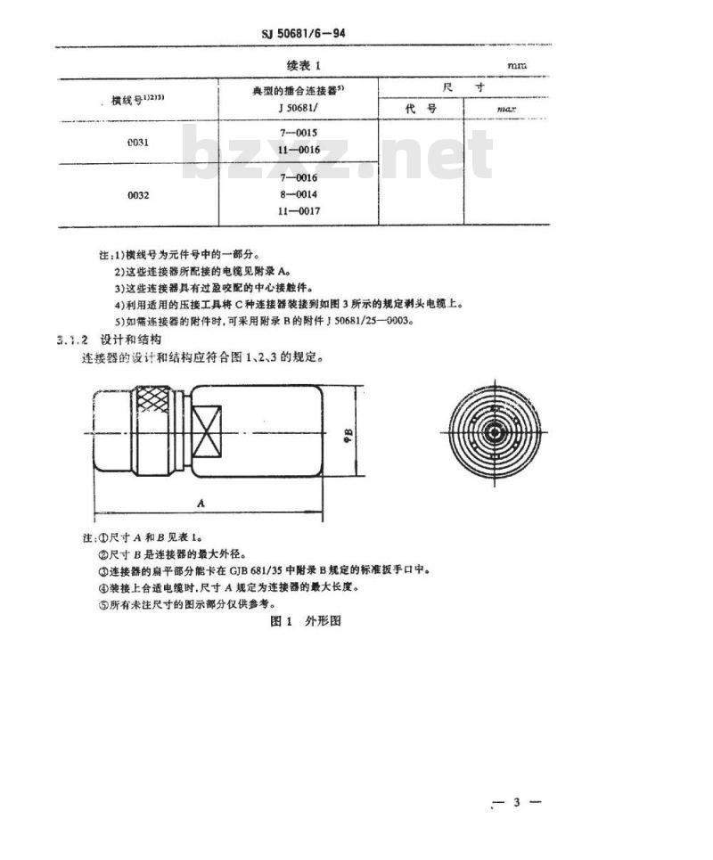
连接器的设计和结构应符合图1、2、3的规定。8
注:①尺寸A和B见表1。
②尺寸B是连接器的最大外径。
③连接器的扇平部分能卡在GJB681/35中附录B规定的标准扳手口中。③装接上合适电缆时.尺寸A规定为连接器的最大长度。所有未注尺寸的图示部分仅供参考。图1外形图
15±30
SJ50681/6-94
45°±30
180°±30
SJ50681/6-94
注:①连接器的界面应满足本规范规定的标准规要求。②插合状态下,应使连接机构弹性件的轴向力大于由密封垫圈产生的压力,以便保证外接触件在基准面上的对接。
③当插入到一个最大直径为10.44的标准规时,外接触件内径最小应为9.58。④开槽结构任选,直径为9.99,外接触件必须满足插合特性的要求。③涨口后的尺寸应满足标准规试验的要示。?顶端形状任选。
①锥度起点。
?基准面。
?45的基准面。
图2C系列连接器(插针接触件)界面17.20~17.70
12.45~12.95
10.06~10.57
图3用于C种连接器的电缆剥头尺寸3.2额定值
标称阻抗:50Q;
率范围:0~11.0GHz;
电压额定值:海平面处的最高工作电压为1000V(有效值),在海拔高度21000m处最高工作电压为250V(有效值);
温度额定值:-65~165。
3.3性能要求
3.3.1啮合力和分离力
轴向力:20.0Nmax;
力矩:0.5N·mmax。
3.3.2插合特性
尺寸见图2。
外接触件
SJ50681/6-94
测试用标准规内径:10.44mmmax;标准规表面粗糙度:0.4μm;
标准规插入深度:3.18mmmin;
插入力:31.1Nmax。
开槽接触件
在与它的顶端0.79mm范围内,应能与一个最小直径为10.64mm的标准规相接触。3.3.3绝缘电阻
当连接器按GJB360.28方法中的试验条件B进行试验时,绝缘电阻最小应为5000MQ。3.3.4中心接触件的固定性
轴向力:26.7Nminc
3.3.5盐雾(腐蚀)
连接器应按GJB360.2方法中试验等级B进行试验。3.3.6电压驻波比
从0.5~11.0GHz或接近电缆上限截止频率的80%,以较低者为准,电压驻波比最大为1.35。
扫频电压驻波比测试装置中,标准精密转接器(6)和(16)的电压驻波比应小于1.015+0.005F(F的单位为GHz)。
在电压驻波比测量程序的步骤2中,该系统的电压驻波比应小于1.045+0.015F(F的单位为GHz)。
在B组检验中,电缆模拟器的电压驻波比应小于1.10+0.01F(F的单位为GHz)。在鉴定检验和C组检验中,系统的电压驻波比应不大于1.15。3.3.7连接器的耐久性
至少要进行500次循环,最大速率为每分钟12次。循环后,连接器应满足插合特性以及合力和分离力的要求。
3.3.8接触电阻
接触电阻应不大于表2规定的值。表2接触电阻
中心接触件
外接触件
编织层至连接器壳体
3.3.9介质耐压
被始试验
接触电阻
环境试验后
SJ50681/6-94
连接器应按GJB360.27规定的方法进行试验,在海平面处,电压最小有效值为3000V。3.3.10高频振动
连接器应按GJB360.15方法中的试验条件B进行试验,不允许有电气不连续。3.3.11冲击(规定脉冲)
连接器应按GJB360.23方法中的试验条件I进行试验,不允许有电气不连续。3.3.12温度冲击
除了试验高温应为85℃外,连接器应按GJB360.7方法中的试验条件B进行试验。对于使用200℃高温电缆的连接器(见附录A),其试验高温为200℃。3.3.13耐湿
连接器应按GJB360.6规定的方法进行试验,在高湿条件下进行测量。从潮湿箱取出后5min内,其绝缘电阻应不小于200MQ。3.3.14电晕电平
海拔高度:21000m;
压:750Vmin(有效值)。
3.3.15耐射频高电位电压
率:5~7.5MHz;
压:2500Vmin(有效值)。
3.3.16电缆保持力
非压接装配电缆保持力:333.6Nmin;压接装配电缆保持力:
电缆外径为3.94~4.81mm时,222.4Nmin;电缆外径为4.82~5.83mm时,266.9Nmin;电缆外径为5.84~6.33mm时,333.6Nmin;电缆外径为6.34mm或更大时,400.3Nmin;3.3.17连接机构的保持力
连接机构保持力:444.8Nmin。
3.3.18射频泄漏
在23.0GHz频率范围内测量时,应优于-55dB。3.3.19射频插人损耗
在频率达9GHz测量时,最大值为0.15dB,在频率达3GHz和6GHz测量时,最大值为0.054/FdB(F的单位为GHz)。
4质量保证规定
鉴定分组如表3所示,其余均执行GJB681的规定。组别
SI50681/6-94
表 3鉴定分组
下列任何一个元件号连接器的
提交和鉴定合格
J50681/6—
代表鉴定了下述连接器
J50681/6-
注:假如一个连接器制造厂生产的某一个元件号的连接器,能满足两个或两个以上元件号连接器(在同一系列中)的全部要求,则此制造厂可以通过鉴定这一个元件号的连接器,使两个或两个以上元件号的连接器得到鉴定批准。这样的连接器可不在同一组中,但每一个连接器必须标有其合适的元件号。对于分组鉴定,这些连接器必须是结构类似的。8
SJ50681/6-94
附录A
连接器与配接射频电缆对照表
(补充件)
本附录给出了本规范规定的C系列(接电缆)插针接触件2级射频同轴插头连接器所配按的射频电缆,如表A1所示。
连接器与配接射频电缆对照表
注:1)每种电缆的最新品种应适用。GJB973电缆
SYV—50-5-51
SFF—50—5—51
SFB—50—751
SYV—50-7--51
SYV—50—7-53
SFB-50-7—53
SYV—50—9--51
SFB50—16—51
SYV—50—17-53
SYV—50—7—52
SFF—50—6—51
SYV-50—5-51
SFF—50—5—51
SFB--50—751
SYV50—7-51
SYV-50—7-53
SFB—50——7—53
SYV--75-7-51
SFF—50—6—51
相应的MIL标准电缆1
73—RG2123)
112—RG304
65—RG165
74—RG213
75—RG2143)bzxZ.net
86-000012)
78—RG2173)
72—RG2113)
79—RG2183)
74—RG215\)
92—RG1152)
73—RG212315)
112—RG3045)
65—RG165206)
74-RG2133)6)
75—RG2143)6)
86-000012)36)
6—RG113)617)
92-RG1152)6)
2)200℃温度冲击试验要用的电缆。3)除了注2)和7)的电缆外,在要求接上电缆进行试验时所采用的电。4)铠装电缆。
5)GB9022/5—35闭合位A或GB902215-55闭合位A。6)GB9022/5-61。
7)这些不是500的电缆,因此,当装接到规定的连接器上时,电压驻波比、射额泄溺和插入摄耗是不适用的。
SV50681/6-94
附录B
C系列连接器(插针接触件)用连接器附件(补充件)
C系列连接器(插针接触件)用连接器附件如下图所示:J50681/25--003
7.87±0.08
m19.30ma3
图B1a:C系列连接器(插针接触件)用的带珠链条的盖J50681/25-0013
图B1bC系列连接器(插针接触件)用的带金属丝绳的盖
图B1cC系列连接器(插针接触件)用的带保险链的盖
注:D除非另有规定,公差为±0.13。②a处的标准连接环为黄铜。
NJ50681/6-94
密封垫
链条组件
金属丝绳
③b处的珠链条为蒙乃尔耐蚀合金或不锈钢。材
硅橡胶
不锈钢(SST)
案四氟乙烯或尼龙或等效材料
处的保险链条为不锈钢,进行钝化处理。保险链和环结构任选,从连接环的,到盖的长度为104.4。
d处的链条应能承受符合规定的拉力作用,拉力应以每分钟444.8N的速率施加,邀加力的大小是:珠链条为133.4N,保险链条为333.6N,应把力作用在标准连接环的孔上。1)两销相隔180°±30。
C系列连接器(插针接触件)用的盖附加说明:
本规范由中国电子技犬标准化研究所归口。本规范由中国电子技术标准化研究所和电子部第二十三研究所起草。本规范主要起草人:徐俐弟、赵士华。计划项目代号:B92040。
小提示:此标准内容仅展示完整标准里的部分截取内容,若需要完整标准请到上方自行免费下载完整标准文档。
C系列射频同轴连接器详细规范
1994-09-30发布
1994-12-01实施
中华人民共和国电子工业部批准中华人民共和国电子行业军用标准C系列(接电缆)插针接触件2级射频同轴插头连接器详细规范
Connectors,plug,coaxial,radio frequency(series C(cabled),pin contact,class 2),detail specification for
SJ50681/6-94
本规范所规定的C系列(接电缆)插针接触件2级射同轴插头连接器,其全部要求由本规范和总规范GJB681作出规定。1范围
1.1主题内容
本规范规定了C系列(接电缆)插针接触件2级射频同轴插头连接器的详细要求。1.2适用范围
本规范适用于在无线电设备和电子仪器的射颊回路中连接柔软射频同轴电缆、利用卡口连接机构达到快速连接或分离的、供中功率使用的C系列(接电缆)插针接触件2级射频同轴插头连接器。
1.3分类
1.3.1种类
本规范包括的连接器分为A种和C种。1.3.2军用元件号
军用元件号为J50681/6××××(横线号见表1)。2引用文件
GB9022-88
GJB681-89
GJB973—91
GJB681/35-
3要求
手或动力驱动的压接工具总规范射频同轴连接器总规范
柔软和半硬射颖电缆总规范
SC系列(接电缆)插针接触件2级射频同轴插头连接器详细规范3.1外形尺寸及设计和结构
3.1.1横线号和最大外形尺寸
中华人民共和国电子工业部1994-09-30发布1994-12-01实施
SJ50681/6-94
横线号和连接器的最大外形尺寸如表1所示。表1横线号和尺寸
横线号1)213)
典型的插合连接器3
J50681/
A种一现场可维修(无需专用工具)7-0018
8-0016
11--0018
7-0017
8-0015
11—0019
7-0019
8--0017
11—0020
7-0020
8-0018
11-0021
C种一现场可替换(压接工具见GB9022)4)7-0014
8-0013
11-0012
7-0011
8-0010
11--0013
7--0012
8-0011
11—0014
7-0013
8-0012
11-0015
横线号103273)
SJ50681/6-94
续表1
典型的插合连接器5)
J50681/
7-0015
11-0016
7-0016
8-0014
11-0017
注:1)横线号为元件号中的一部分。2)这些连接器所配接的电缆见附录A。3)这些连接器具有过盈咬配的中心接触件。代号
4)利用适用的压接工具将C种连接器装接到如图3所示的规定剩头电缆上。5)如需连接器的附件时,可采用附录B的附件J50681/25-0003。3.1.2设计和结构
连接器的设计和结构应符合图1、2、3的规定。8
注:①尺寸A和B见表1。
②尺寸B是连接器的最大外径。
③连接器的扇平部分能卡在GJB681/35中附录B规定的标准扳手口中。③装接上合适电缆时.尺寸A规定为连接器的最大长度。所有未注尺寸的图示部分仅供参考。图1外形图
15±30
SJ50681/6-94
45°±30
180°±30
SJ50681/6-94
注:①连接器的界面应满足本规范规定的标准规要求。②插合状态下,应使连接机构弹性件的轴向力大于由密封垫圈产生的压力,以便保证外接触件在基准面上的对接。
③当插入到一个最大直径为10.44的标准规时,外接触件内径最小应为9.58。④开槽结构任选,直径为9.99,外接触件必须满足插合特性的要求。③涨口后的尺寸应满足标准规试验的要示。?顶端形状任选。
①锥度起点。
?基准面。
?45的基准面。
图2C系列连接器(插针接触件)界面17.20~17.70
12.45~12.95
10.06~10.57
图3用于C种连接器的电缆剥头尺寸3.2额定值
标称阻抗:50Q;
率范围:0~11.0GHz;
电压额定值:海平面处的最高工作电压为1000V(有效值),在海拔高度21000m处最高工作电压为250V(有效值);
温度额定值:-65~165。
3.3性能要求
3.3.1啮合力和分离力
轴向力:20.0Nmax;
力矩:0.5N·mmax。
3.3.2插合特性
尺寸见图2。
外接触件
SJ50681/6-94
测试用标准规内径:10.44mmmax;标准规表面粗糙度:0.4μm;
标准规插入深度:3.18mmmin;
插入力:31.1Nmax。
开槽接触件
在与它的顶端0.79mm范围内,应能与一个最小直径为10.64mm的标准规相接触。3.3.3绝缘电阻
当连接器按GJB360.28方法中的试验条件B进行试验时,绝缘电阻最小应为5000MQ。3.3.4中心接触件的固定性
轴向力:26.7Nminc
3.3.5盐雾(腐蚀)
连接器应按GJB360.2方法中试验等级B进行试验。3.3.6电压驻波比
从0.5~11.0GHz或接近电缆上限截止频率的80%,以较低者为准,电压驻波比最大为1.35。
扫频电压驻波比测试装置中,标准精密转接器(6)和(16)的电压驻波比应小于1.015+0.005F(F的单位为GHz)。
在电压驻波比测量程序的步骤2中,该系统的电压驻波比应小于1.045+0.015F(F的单位为GHz)。
在B组检验中,电缆模拟器的电压驻波比应小于1.10+0.01F(F的单位为GHz)。在鉴定检验和C组检验中,系统的电压驻波比应不大于1.15。3.3.7连接器的耐久性
至少要进行500次循环,最大速率为每分钟12次。循环后,连接器应满足插合特性以及合力和分离力的要求。
3.3.8接触电阻
接触电阻应不大于表2规定的值。表2接触电阻
中心接触件
外接触件
编织层至连接器壳体
3.3.9介质耐压
被始试验
接触电阻
环境试验后
SJ50681/6-94
连接器应按GJB360.27规定的方法进行试验,在海平面处,电压最小有效值为3000V。3.3.10高频振动
连接器应按GJB360.15方法中的试验条件B进行试验,不允许有电气不连续。3.3.11冲击(规定脉冲)
连接器应按GJB360.23方法中的试验条件I进行试验,不允许有电气不连续。3.3.12温度冲击
除了试验高温应为85℃外,连接器应按GJB360.7方法中的试验条件B进行试验。对于使用200℃高温电缆的连接器(见附录A),其试验高温为200℃。3.3.13耐湿
连接器应按GJB360.6规定的方法进行试验,在高湿条件下进行测量。从潮湿箱取出后5min内,其绝缘电阻应不小于200MQ。3.3.14电晕电平
海拔高度:21000m;
压:750Vmin(有效值)。
3.3.15耐射频高电位电压
率:5~7.5MHz;
压:2500Vmin(有效值)。
3.3.16电缆保持力
非压接装配电缆保持力:333.6Nmin;压接装配电缆保持力:
电缆外径为3.94~4.81mm时,222.4Nmin;电缆外径为4.82~5.83mm时,266.9Nmin;电缆外径为5.84~6.33mm时,333.6Nmin;电缆外径为6.34mm或更大时,400.3Nmin;3.3.17连接机构的保持力
连接机构保持力:444.8Nmin。
3.3.18射频泄漏
在23.0GHz频率范围内测量时,应优于-55dB。3.3.19射频插人损耗
在频率达9GHz测量时,最大值为0.15dB,在频率达3GHz和6GHz测量时,最大值为0.054/FdB(F的单位为GHz)。
4质量保证规定
鉴定分组如表3所示,其余均执行GJB681的规定。组别
SI50681/6-94
表 3鉴定分组
下列任何一个元件号连接器的
提交和鉴定合格
J50681/6—
代表鉴定了下述连接器
J50681/6-
注:假如一个连接器制造厂生产的某一个元件号的连接器,能满足两个或两个以上元件号连接器(在同一系列中)的全部要求,则此制造厂可以通过鉴定这一个元件号的连接器,使两个或两个以上元件号的连接器得到鉴定批准。这样的连接器可不在同一组中,但每一个连接器必须标有其合适的元件号。对于分组鉴定,这些连接器必须是结构类似的。8
SJ50681/6-94
附录A
连接器与配接射频电缆对照表
(补充件)
本附录给出了本规范规定的C系列(接电缆)插针接触件2级射频同轴插头连接器所配按的射频电缆,如表A1所示。
连接器与配接射频电缆对照表
注:1)每种电缆的最新品种应适用。GJB973电缆
SYV—50-5-51
SFF—50—5—51
SFB—50—751
SYV—50-7--51
SYV—50—7-53
SFB-50-7—53
SYV—50—9--51
SFB50—16—51
SYV—50—17-53
SYV—50—7—52
SFF—50—6—51
SYV-50—5-51
SFF—50—5—51
SFB--50—751
SYV50—7-51
SYV-50—7-53
SFB—50——7—53
SYV--75-7-51
SFF—50—6—51
相应的MIL标准电缆1
73—RG2123)
112—RG304
65—RG165
74—RG213
75—RG2143)bzxZ.net
86-000012)
78—RG2173)
72—RG2113)
79—RG2183)
74—RG215\)
92—RG1152)
73—RG212315)
112—RG3045)
65—RG165206)
74-RG2133)6)
75—RG2143)6)
86-000012)36)
6—RG113)617)
92-RG1152)6)
2)200℃温度冲击试验要用的电缆。3)除了注2)和7)的电缆外,在要求接上电缆进行试验时所采用的电。4)铠装电缆。
5)GB9022/5—35闭合位A或GB902215-55闭合位A。6)GB9022/5-61。
7)这些不是500的电缆,因此,当装接到规定的连接器上时,电压驻波比、射额泄溺和插入摄耗是不适用的。
SV50681/6-94
附录B
C系列连接器(插针接触件)用连接器附件(补充件)
C系列连接器(插针接触件)用连接器附件如下图所示:J50681/25--003
7.87±0.08
m19.30ma3
图B1a:C系列连接器(插针接触件)用的带珠链条的盖J50681/25-0013
图B1bC系列连接器(插针接触件)用的带金属丝绳的盖
图B1cC系列连接器(插针接触件)用的带保险链的盖
注:D除非另有规定,公差为±0.13。②a处的标准连接环为黄铜。
NJ50681/6-94
密封垫
链条组件
金属丝绳
③b处的珠链条为蒙乃尔耐蚀合金或不锈钢。材
硅橡胶
不锈钢(SST)
案四氟乙烯或尼龙或等效材料
处的保险链条为不锈钢,进行钝化处理。保险链和环结构任选,从连接环的,到盖的长度为104.4。
d处的链条应能承受符合规定的拉力作用,拉力应以每分钟444.8N的速率施加,邀加力的大小是:珠链条为133.4N,保险链条为333.6N,应把力作用在标准连接环的孔上。1)两销相隔180°±30。
C系列连接器(插针接触件)用的盖附加说明:
本规范由中国电子技犬标准化研究所归口。本规范由中国电子技术标准化研究所和电子部第二十三研究所起草。本规范主要起草人:徐俐弟、赵士华。计划项目代号:B92040。
小提示:此标准内容仅展示完整标准里的部分截取内容,若需要完整标准请到上方自行免费下载完整标准文档。
标准图片预览:





- 热门标准
- 行业标准
- SJ/T31439-1994 除湿机完好要求和检查评定方法
- SJ2241.7-1982 CWT9J型同心型微调电容器
- SJ3006.3-1988 组合冲模 下圆角刃口
- SJ/T31060-1994 捆扎机完好要求和检查评定方法
- SJ2674-1986 电子器件详细规范 低功率非线绕固定电阻器RJ16型金属膜固定电阻器 评定水平E
- SJ2879-1988 彩色电视接收机用色纯静会聚磁体组合件总规范
- SJ783-1974 3DG101型NPN硅外延平面高频小功率三极管
- SJ2348-1983 小型数字电子计算机通用技术条件
- SJ2534.13-1987 天线测试方法 电磁辐射的危害
- SJ/T10157-1991 脉冲磁控管空白详细规范 (可供认证用)
- SJ3205-1989 电子材料蒸发率的测定方法
- SJ20039-1992 小型无刷直流风机通用规范
- SJ3166-1988 GZS12-4-3型彩色显像管插座
- SJ50681.23-1994 TNC系列(接电缆)插针接触件2级射频同轴插头连接器详细规范
- SJ11241-2001 信息技术 汉字编码字符集(基本集)14点阵字型
- 行业新闻
请牢记:“bzxz.net”即是“标准下载”四个汉字汉语拼音首字母与国际顶级域名“.net”的组合。 ©2025 标准下载网 www.bzxz.net 本站邮件:bzxznet@163.com
网站备案号:湘ICP备2025141790号-2
网站备案号:湘ICP备2025141790号-2