- 您的位置:
- 标准下载网 >>
- 标准分类 >>
- 电子行业标准(SJ) >>
- SJ 50681.2-1994 N系列(接电缆)插孔接触件法兰安装2级射频同轴插头和插座连接器详细规范
标准号:
SJ 50681.2-1994
标准名称:
N系列(接电缆)插孔接触件法兰安装2级射频同轴插头和插座连接器详细规范
标准类别:
电子行业标准(SJ)
标准状态:
现行出版语种:
简体中文下载格式:
.rar .pdf下载大小:
360.76 KB
点击下载
标准简介:
标准下载解压密码:www.bzxz.net
SJ 50681.2-1994 N系列(接电缆)插孔接触件法兰安装2级射频同轴插头和插座连接器详细规范 SJ50681.2-1994
部分标准内容:
中华人民共:和国电子行业军用标准N系列(接电缆)插孔接触件法兰安装2级射频同轴插头和插座连接器详细规范Connectors,plug,andreceptacle,coaxial,radio,frequency(seriesN(cabled.),socketcantact,flangemounted,class2),detail specificationfor
SJ50681/2-94
本规范所规定的N系列(接电缆)插孔接触件法兰安装2级射频同轴插头和插座连接器其全部要求由本规范和总规范GJB681作出规定。1范围
1.1主题内容
本规范规定了N系列(接电缆)插孔接触件法兰安装2级射频同轴插头和插座连接器的详细要求。
1.2适用范围
本规范适用于在无线电设备和电子仪器的射频回路中连接柔软射频同轴电缆、具有螺纹连接机构的、供低功率至中功率使用的N系列接电缆)插孔接触件法兰安装2级射频同轴插头和插座连接器。
1.3分类
1.3.1种类
本规范包括的连接器分为A种、C种和D种。1.3.2军用元件号
军用元件号为J50681/2一××××(横线号见表1)。2引用文件
GB9022—88
GJB68189
GJB973—91
GJB1216—91
GJB681/35--
3要求
手或动力驱动的压接工具总规范射频同轴连接器总规范
柔软和半硬射频电缆总规范
电连接器接触件总规范
SC系列(接电缆)插针接触件2级射频同轴插头连接器详细规范中华人民共和国电子工业部1994-09-30发布1
1994-12-01实施
3.1外形尺寸及设计和结构
3.1.1横线号和最大外形尺寸
SJ50681/2-94
横线号和连接器的最大外形尺寸A、B如表1所示。表1横线号和尺寸
横线号12)3)
01017)
01317)
01047)
01328)
01338)
A种一现场可维修
(无需专用工具)
D种一现场可替换415)%)
(规定的零部件)
05017)
05027)
05037)
05047)
05118)
05128)
05138)
05148)
注:①横线号为元件号中的一部分。max
②这些连接器所配接的电缆见附录A。这些连接器具有过盈咬配的中心接触件。横线号1)2)3)
C种一现场可替换*)
(压接工具见GB9022)
00197)
00207)
00217)
00247)
00257)
00267)
00397)
00407)
00278)
00298)
00308)
00348)
00418)
00428)
00438)
④利用适用的压接工具将这些接器装接到如图5所示的规定剥头电缆上。完整的连接器组装应由连接器体、中心接触件、套筒、组装说明书组成。③陆军设备不采用。
插头连接器。
?插座连接器
3.1.2设计和结构
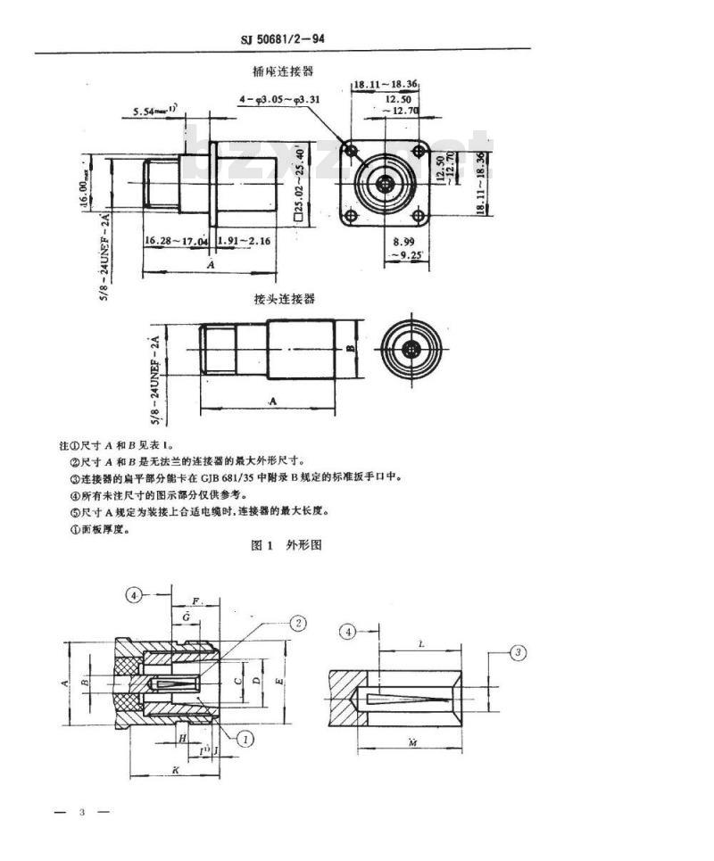
连接器的设计和结构应符合图1、2、3、4、5的规定。mm
16.28~17.04
注①尺寸A和B见表1。
SJ50681/2-94
插座连接器
4-q3.05~q3.31
1.91~2.16
接头连接器
②尺寸A和B是无法兰的连接器的最大外形尺寸。18.11~18.36
③连接器的扇平部分能卡在GJB681/35中附录B规定的标准扳手口中。④所有未注尺寸的图示部分仅供参考。③尺寸A规定为装接上合适电缆时,连接器的最大长度。①面板厚度。
图1外形图
08~1181
SJ50681/2-94
5/8—24UNEF—2A
注:①连接器的界面应满足本规范规定的标准规要求。K
②见中心接触件详图。
③当用1.60~1.68的插针插合时,其内径应满足电压驻波比和接触电阻的要求。④基准面。
1)满螺纹。
注:①撸的结构任选
②a处为基准面
图2N系列连接器(插孔接触件)界面0.811)
7.06±0.18
①倒角任选,倒斜角时,最大角度为30°。图3D种连接器插针接端插合尺寸横线号
SI50681/2-94
7.42±0.051
3.96±0.13
基本压接工具
GB9022/1-
12.09±0.05
0.91±0.05×@2.64±0.08
90.79±0.13\
压模或定位器
GB9022/1
中心接触件
压接抗张强度
N(min)
横线号
套简号
SI50681/2-94
图4b压接套筒
基本压接工具
GB9022/S-
压接或定位器
GB9022/5-
25闭合位A或61。
5、11或57闭合
位A或19闭合位B。
注:①原始设备制造厂(OEM)可采用Ⅱ类压接工具(基本压接工具)(见GB9022)。②接触件号和套简号仅作为识别用。③中心接触件材料为磷育铜或铜铍合金。④压接抗张强度试验应按GJB1216的规定进行。?a处为基准面。
b处的最大倒圆半径为0.08。
1)一侧或两侧。
图4D种连接器的接触件和套筒的尺寸(17.45)
12.45-12.954:50
图5用于现场可替换连接器的电缆剥头尺寸3.2额定值
标称阻抗:50Q;
频率范围:011.0GHz;
电压额定值:海平面外的最高工作电压为1000V(有效值),在海拔高度21000m处最高工6
作电压为250V(有效值);
温度额定值:-65~165℃。
3.3性能要求
检验条件:
SJ50681/2-94
除3.3.1、3.3.2和3.3.3外,如需插合成对进行试验时,拧紧连接螺母的力矩为0.68~1.13N.m。
3.3.1啮合力和分离力
矩:0.68N.mmax。
3.3.2插合特性
尺寸见图2和图3。
中心接触件(插孔)
稳定尺寸用标准规直径:1.88mmmin(仅适用于无限制口的接触件);标准规插入深度:3.18mmmin;
插入次数:1次。
插入力试验
钢制标准规直径:1.68mmmin;
标准规表面粗糙度:0.4μm;
插入力:8.9Nmax。
拔出力试验
钢制标准规直径:1.60mmmax;
标准规表面粗糙度:0.4μm;
拨出力:0.6Nmin。
3.3.3绝缘电阻
当连接器按GJB360.28方法中的试验条件B进行试验时,绝缘电阻最小应为5000MQ。3.3.4中心接触件的固定性(仅适用于具有过盈咬配中心接触件的连接器)除了SFF-50-3-52和SFF-50-3-53电缆之外,所有电缆的最小轴向力为66.7N,而SFF-53-52和SFF-50-3-53电缆的最小轴向力为26.7N。3.3.5盐雾(腐蚀)
连接器应按GJB360.2方法中的试验等级B进行试验。3.3.6电压驻波比(VSWR)
从0.5~11.0GHz或接近电缆上限截止频率的80%,以较低者为准,电压驻波比最大为1.30。
扫频电压驻波比测试装置中,标准精密转接器(6)和(16)的电压驻波比应小于1.008+0.002F(F的单位为GHz)。
在电压驻波比测量程序的步骤2中,该系统的电压驻波比应小于1.012+0.007F(F的单位为GHz)。
在B组检验中,电缆模拟器的电压驻波比应小于1.024+0.007F(F单位为GHz)。在鉴定检验和C组检验中,系统的电压驻波比应不大于1.08。3.3.7连接器的耐久性。
至少要进行500次循环,最大速率为每分钟12次。循环后,连接器应满足插合特性以及-7
啮合力和分离力的要求。
3.3.8接触电阻
接触电阻应不大于表2规定的值。被测
中心接触件
外接触件
编织层至连接器壳体
3.3.9介质耐压
SJ50681/2-94
表2接触电阻
接触电阻
初始试验
环境试验后
连接器应按GJB360.27规定的方法进行试验,在每平面处,不使用SFF-50-3-52和SFF50-3-53电缆连接器的电压最小有效值为2500V,使用SFF-50-3-52和SFF-50-3-53电缆连接器的电压最小有效值为1500V。
3.3.10高频振动
连接器应按GJB360.15方法中的试验条件B进行试验,不允许有电气不连续。3.3.11冲击(规定脉冲)
连接器应按GJB360.23方法中的试验条件I进行试验,不允许有电气不连续。3.3.12温度冲击
除了试验高温应为85外,连接器应按GJB360.7方法中的试验条件B进行试验。对于使用200℃高温电缆的连接器(见附录A),其试验高温为200℃。3.3.13耐湿
连接器应按GJB360.6规定的方法进行试验,在高湿条件下不进行测量,从潮湿箱取出后5min内,其绝缘电阻应不小于200Ma。3.3.14电晕电平
海拔高度:21000m;
压:500Vmin(有效值)。
3.3.15耐射频高电位电压
率5~7.5MHz;
压:1500Vmin(有效值)。
3.3.16电缆保持力
非压接装配电缆保持力:333.6Nmin;压接装配电缆保持力:
电缆外径为3.94~4.81mm时,222.4Nmin;电缆外径为4.82~5.83mm时,266.9Nmin;电缆外径为5.84~6.33mm时,333.6Nmin;电缆外径为6.34mm或更大时,400.3Nmin;3.3.17射频泄漏
在2~3.0GHz频率范围内测量时,应优于-90dB。3.3.18射频插入损耗
SJ50681/2-94
在频率达10GHz测量时,最大值为0.15dB。4质量保证规定
鉴定分组如表3所示,其余均执行GJB681的规定。表3鉴定分组
下列任何一个元件号连接器的
提交和鉴定合格
J50681/2-
2-0101
2-0003
2-0104
3-0101
2-0003
2-0006
3-0012
2-0019
2-0020
2-0021
2-0024
2-0025
2-0027
2-0028
2-0029
2-0034
3-0013
3-0014
3-0015
3-0016
3-0018
3-0019
2-0026
2-0030
2-0040
2-0042
2-0043
3-0020
3-0021
代表鉴定了下述连接器
J50681/2-
2-0101
2-0003
2-0104
3-0101
2-0003
2-0006
3-0012
2-0019
2-0020
2-0021
2-0024
2-0025
2-0026
2-0027
2-0028
2-0029
2-0030
2-0034
3-0013
3-0014
3-0015
3-0016
3-0018
3-0019
3-0020
3-0021
2-0026
2-0030
2-0040
2-0042
2-0043
3-0020
3-0021
SJ50681/2-94
续表3
下列任何一个元件号连接器的
提交和鉴定合格
J50681/2-
2-0131
2-0132
2-0133
2-0034
2-0501
2-0502
2-0511
2-0512
2-0503
2-0513
2-0504
2-0514
代表鉴定了下述连接器
J50681/2-
2-0131
2-0132
2-0133
2-0034
2-0501
2-0502
2-0503
2-0511
2-0512
2-0513
2-0503
2-0513
2-0504
2-0514
注:假如一个连接器制造厂生产的某一个元件号的连接器,能满足两个或两个以上元件号连接器(在同一系列中)的全部要求,则此制造厂可以通过鉴定这一个元件号的连接器,使两个或两个以上元件号的连接器得到鉴定批准。这样的连接器可不在同一组中,但每一个连接器必须标有其合适的元件号。对于分组鉴定,这些连接器必须是结构类似的。10
SJ50681/2-94
附录A
连接器与配接射频电缆对照表
(补充件)
本附录给出了本规范规定的N系列(接电缆)插孔接触件法兰安装2级射频同轴插头和插座连接器所配接的射频电缆,如表A1所示。表A1连接器与配接射频电缆对照表横线号
GJB973电缆
SYV-75-5-51
SYV-50-5-51
SYV-75-7-51
SFB-75-7-51
SFB-50-751
SYV-50-7-51
SYV-50-7-53
SYV-75-7-53
SYV-50-7-52
SYV-75-5-51
SYV-50-5-51
SYV-75-7-51
SFB-75-7-51
SFB-50-7-51
SYV-50-7-51
SYV~50-7-53
SYV-75-7-53
SYV-50-7-52
SYV-50-9-51
SYV-50-5-51
SYV-50-7-51
SYV-75-7-53
SFB-50-7-51
相应的MIL标准电缆1
2-RG67)
73-RG2123)
RG-222/U
6-RG117)
62-RG1447)
65-RG16S
74-RG213
75-RG2143)
77-RG2167)
(RG-RG225/U2)
74~RG2153)4)
2-RG67)
73-RG2123)
RG-222/U
6-RG117)
62-RG1147)
65-RG165
74-RG213
75-RG2143)
77-RG2167)
RG-225/U2)
74-RG2154)5)
78-RG217
73-RG2123)5)
RG-222/U
74-RG213316)
75-RG21436)
65-RG1652)336)
横线号
SJ50681/2—94
续表A1
GJB973电缆
SYV-75-7-51
SFB75751
SYV-75-7-53
SYV-75-5-51
SYV-50-5-51
SYV-50-7-51
SYV-50-7-53
SYV-75-7-53
SFB-50-7-51
SYV-75-7-51
SFB-75-7-51
SYV-75-5-51
SYV-50-7-53
SFF-50-7-51
SYV-50-7-51
SFF-50-3-52
SFF-50/3-53
SYV-50-3-51
SYV-50-7-53
SFF-50-7-51
SYV-50-7-51
SFF-50-3-52
SFF-50-3-53
SYV-50-3-51
相应的MIL标准电缆1
RG-225/U2)6)
6-RG116)7)
62-RG14421316)7)
77-RG21621316)
2-RG63)5)7)
73-RG212315)
RG-222/U
74-RG2133)6)
75-RG2143)6)
77-RG21636)7)
RG-225/U2)6)
65-RG1652)3)6)
6-RG116)7)
62-RG1442)3)6)7)
2-RG635)7)
75-RG2143)bzxz.net
RG-225/U2)
127-RG393
74-RG213
60-RG14223
128-RG400
28-RG58
75-RG2143)
RG-225/U2)
127-RG393
74-RG2133)
60-RG1422)3)
128-RG400
28-RG58
小提示:此标准内容仅展示完整标准里的部分截取内容,若需要完整标准请到上方自行免费下载完整标准文档。
SJ50681/2-94
本规范所规定的N系列(接电缆)插孔接触件法兰安装2级射频同轴插头和插座连接器其全部要求由本规范和总规范GJB681作出规定。1范围
1.1主题内容
本规范规定了N系列(接电缆)插孔接触件法兰安装2级射频同轴插头和插座连接器的详细要求。
1.2适用范围
本规范适用于在无线电设备和电子仪器的射频回路中连接柔软射频同轴电缆、具有螺纹连接机构的、供低功率至中功率使用的N系列接电缆)插孔接触件法兰安装2级射频同轴插头和插座连接器。
1.3分类
1.3.1种类
本规范包括的连接器分为A种、C种和D种。1.3.2军用元件号
军用元件号为J50681/2一××××(横线号见表1)。2引用文件
GB9022—88
GJB68189
GJB973—91
GJB1216—91
GJB681/35--
3要求
手或动力驱动的压接工具总规范射频同轴连接器总规范
柔软和半硬射频电缆总规范
电连接器接触件总规范
SC系列(接电缆)插针接触件2级射频同轴插头连接器详细规范中华人民共和国电子工业部1994-09-30发布1
1994-12-01实施
3.1外形尺寸及设计和结构
3.1.1横线号和最大外形尺寸
SJ50681/2-94
横线号和连接器的最大外形尺寸A、B如表1所示。表1横线号和尺寸
横线号12)3)
01017)
01317)
01047)
01328)
01338)
A种一现场可维修
(无需专用工具)
D种一现场可替换415)%)
(规定的零部件)
05017)
05027)
05037)
05047)
05118)
05128)
05138)
05148)
注:①横线号为元件号中的一部分。max
②这些连接器所配接的电缆见附录A。这些连接器具有过盈咬配的中心接触件。横线号1)2)3)
C种一现场可替换*)
(压接工具见GB9022)
00197)
00207)
00217)
00247)
00257)
00267)
00397)
00407)
00278)
00298)
00308)
00348)
00418)
00428)
00438)
④利用适用的压接工具将这些接器装接到如图5所示的规定剥头电缆上。完整的连接器组装应由连接器体、中心接触件、套筒、组装说明书组成。③陆军设备不采用。
插头连接器。
?插座连接器
3.1.2设计和结构
连接器的设计和结构应符合图1、2、3、4、5的规定。mm
16.28~17.04
注①尺寸A和B见表1。
SJ50681/2-94
插座连接器
4-q3.05~q3.31
1.91~2.16
接头连接器
②尺寸A和B是无法兰的连接器的最大外形尺寸。18.11~18.36
③连接器的扇平部分能卡在GJB681/35中附录B规定的标准扳手口中。④所有未注尺寸的图示部分仅供参考。③尺寸A规定为装接上合适电缆时,连接器的最大长度。①面板厚度。
图1外形图
08~1181
SJ50681/2-94
5/8—24UNEF—2A
注:①连接器的界面应满足本规范规定的标准规要求。K
②见中心接触件详图。
③当用1.60~1.68的插针插合时,其内径应满足电压驻波比和接触电阻的要求。④基准面。
1)满螺纹。
注:①撸的结构任选
②a处为基准面
图2N系列连接器(插孔接触件)界面0.811)
7.06±0.18
①倒角任选,倒斜角时,最大角度为30°。图3D种连接器插针接端插合尺寸横线号
SI50681/2-94
7.42±0.051
3.96±0.13
基本压接工具
GB9022/1-
12.09±0.05
0.91±0.05×@2.64±0.08
90.79±0.13\
压模或定位器
GB9022/1
中心接触件
压接抗张强度
N(min)
横线号
套简号
SI50681/2-94
图4b压接套筒
基本压接工具
GB9022/S-
压接或定位器
GB9022/5-
25闭合位A或61。
5、11或57闭合
位A或19闭合位B。
注:①原始设备制造厂(OEM)可采用Ⅱ类压接工具(基本压接工具)(见GB9022)。②接触件号和套简号仅作为识别用。③中心接触件材料为磷育铜或铜铍合金。④压接抗张强度试验应按GJB1216的规定进行。?a处为基准面。
b处的最大倒圆半径为0.08。
1)一侧或两侧。
图4D种连接器的接触件和套筒的尺寸(17.45)
12.45-12.954:50
图5用于现场可替换连接器的电缆剥头尺寸3.2额定值
标称阻抗:50Q;
频率范围:011.0GHz;
电压额定值:海平面外的最高工作电压为1000V(有效值),在海拔高度21000m处最高工6
作电压为250V(有效值);
温度额定值:-65~165℃。
3.3性能要求
检验条件:
SJ50681/2-94
除3.3.1、3.3.2和3.3.3外,如需插合成对进行试验时,拧紧连接螺母的力矩为0.68~1.13N.m。
3.3.1啮合力和分离力
矩:0.68N.mmax。
3.3.2插合特性
尺寸见图2和图3。
中心接触件(插孔)
稳定尺寸用标准规直径:1.88mmmin(仅适用于无限制口的接触件);标准规插入深度:3.18mmmin;
插入次数:1次。
插入力试验
钢制标准规直径:1.68mmmin;
标准规表面粗糙度:0.4μm;
插入力:8.9Nmax。
拔出力试验
钢制标准规直径:1.60mmmax;
标准规表面粗糙度:0.4μm;
拨出力:0.6Nmin。
3.3.3绝缘电阻
当连接器按GJB360.28方法中的试验条件B进行试验时,绝缘电阻最小应为5000MQ。3.3.4中心接触件的固定性(仅适用于具有过盈咬配中心接触件的连接器)除了SFF-50-3-52和SFF-50-3-53电缆之外,所有电缆的最小轴向力为66.7N,而SFF-53-52和SFF-50-3-53电缆的最小轴向力为26.7N。3.3.5盐雾(腐蚀)
连接器应按GJB360.2方法中的试验等级B进行试验。3.3.6电压驻波比(VSWR)
从0.5~11.0GHz或接近电缆上限截止频率的80%,以较低者为准,电压驻波比最大为1.30。
扫频电压驻波比测试装置中,标准精密转接器(6)和(16)的电压驻波比应小于1.008+0.002F(F的单位为GHz)。
在电压驻波比测量程序的步骤2中,该系统的电压驻波比应小于1.012+0.007F(F的单位为GHz)。
在B组检验中,电缆模拟器的电压驻波比应小于1.024+0.007F(F单位为GHz)。在鉴定检验和C组检验中,系统的电压驻波比应不大于1.08。3.3.7连接器的耐久性。
至少要进行500次循环,最大速率为每分钟12次。循环后,连接器应满足插合特性以及-7
啮合力和分离力的要求。
3.3.8接触电阻
接触电阻应不大于表2规定的值。被测
中心接触件
外接触件
编织层至连接器壳体
3.3.9介质耐压
SJ50681/2-94
表2接触电阻
接触电阻
初始试验
环境试验后
连接器应按GJB360.27规定的方法进行试验,在每平面处,不使用SFF-50-3-52和SFF50-3-53电缆连接器的电压最小有效值为2500V,使用SFF-50-3-52和SFF-50-3-53电缆连接器的电压最小有效值为1500V。
3.3.10高频振动
连接器应按GJB360.15方法中的试验条件B进行试验,不允许有电气不连续。3.3.11冲击(规定脉冲)
连接器应按GJB360.23方法中的试验条件I进行试验,不允许有电气不连续。3.3.12温度冲击
除了试验高温应为85外,连接器应按GJB360.7方法中的试验条件B进行试验。对于使用200℃高温电缆的连接器(见附录A),其试验高温为200℃。3.3.13耐湿
连接器应按GJB360.6规定的方法进行试验,在高湿条件下不进行测量,从潮湿箱取出后5min内,其绝缘电阻应不小于200Ma。3.3.14电晕电平
海拔高度:21000m;
压:500Vmin(有效值)。
3.3.15耐射频高电位电压
率5~7.5MHz;
压:1500Vmin(有效值)。
3.3.16电缆保持力
非压接装配电缆保持力:333.6Nmin;压接装配电缆保持力:
电缆外径为3.94~4.81mm时,222.4Nmin;电缆外径为4.82~5.83mm时,266.9Nmin;电缆外径为5.84~6.33mm时,333.6Nmin;电缆外径为6.34mm或更大时,400.3Nmin;3.3.17射频泄漏
在2~3.0GHz频率范围内测量时,应优于-90dB。3.3.18射频插入损耗
SJ50681/2-94
在频率达10GHz测量时,最大值为0.15dB。4质量保证规定
鉴定分组如表3所示,其余均执行GJB681的规定。表3鉴定分组
下列任何一个元件号连接器的
提交和鉴定合格
J50681/2-
2-0101
2-0003
2-0104
3-0101
2-0003
2-0006
3-0012
2-0019
2-0020
2-0021
2-0024
2-0025
2-0027
2-0028
2-0029
2-0034
3-0013
3-0014
3-0015
3-0016
3-0018
3-0019
2-0026
2-0030
2-0040
2-0042
2-0043
3-0020
3-0021
代表鉴定了下述连接器
J50681/2-
2-0101
2-0003
2-0104
3-0101
2-0003
2-0006
3-0012
2-0019
2-0020
2-0021
2-0024
2-0025
2-0026
2-0027
2-0028
2-0029
2-0030
2-0034
3-0013
3-0014
3-0015
3-0016
3-0018
3-0019
3-0020
3-0021
2-0026
2-0030
2-0040
2-0042
2-0043
3-0020
3-0021
SJ50681/2-94
续表3
下列任何一个元件号连接器的
提交和鉴定合格
J50681/2-
2-0131
2-0132
2-0133
2-0034
2-0501
2-0502
2-0511
2-0512
2-0503
2-0513
2-0504
2-0514
代表鉴定了下述连接器
J50681/2-
2-0131
2-0132
2-0133
2-0034
2-0501
2-0502
2-0503
2-0511
2-0512
2-0513
2-0503
2-0513
2-0504
2-0514
注:假如一个连接器制造厂生产的某一个元件号的连接器,能满足两个或两个以上元件号连接器(在同一系列中)的全部要求,则此制造厂可以通过鉴定这一个元件号的连接器,使两个或两个以上元件号的连接器得到鉴定批准。这样的连接器可不在同一组中,但每一个连接器必须标有其合适的元件号。对于分组鉴定,这些连接器必须是结构类似的。10
SJ50681/2-94
附录A
连接器与配接射频电缆对照表
(补充件)
本附录给出了本规范规定的N系列(接电缆)插孔接触件法兰安装2级射频同轴插头和插座连接器所配接的射频电缆,如表A1所示。表A1连接器与配接射频电缆对照表横线号
GJB973电缆
SYV-75-5-51
SYV-50-5-51
SYV-75-7-51
SFB-75-7-51
SFB-50-751
SYV-50-7-51
SYV-50-7-53
SYV-75-7-53
SYV-50-7-52
SYV-75-5-51
SYV-50-5-51
SYV-75-7-51
SFB-75-7-51
SFB-50-7-51
SYV-50-7-51
SYV~50-7-53
SYV-75-7-53
SYV-50-7-52
SYV-50-9-51
SYV-50-5-51
SYV-50-7-51
SYV-75-7-53
SFB-50-7-51
相应的MIL标准电缆1
2-RG67)
73-RG2123)
RG-222/U
6-RG117)
62-RG1447)
65-RG16S
74-RG213
75-RG2143)
77-RG2167)
(RG-RG225/U2)
74~RG2153)4)
2-RG67)
73-RG2123)
RG-222/U
6-RG117)
62-RG1147)
65-RG165
74-RG213
75-RG2143)
77-RG2167)
RG-225/U2)
74-RG2154)5)
78-RG217
73-RG2123)5)
RG-222/U
74-RG213316)
75-RG21436)
65-RG1652)336)
横线号
SJ50681/2—94
续表A1
GJB973电缆
SYV-75-7-51
SFB75751
SYV-75-7-53
SYV-75-5-51
SYV-50-5-51
SYV-50-7-51
SYV-50-7-53
SYV-75-7-53
SFB-50-7-51
SYV-75-7-51
SFB-75-7-51
SYV-75-5-51
SYV-50-7-53
SFF-50-7-51
SYV-50-7-51
SFF-50-3-52
SFF-50/3-53
SYV-50-3-51
SYV-50-7-53
SFF-50-7-51
SYV-50-7-51
SFF-50-3-52
SFF-50-3-53
SYV-50-3-51
相应的MIL标准电缆1
RG-225/U2)6)
6-RG116)7)
62-RG14421316)7)
77-RG21621316)
2-RG63)5)7)
73-RG212315)
RG-222/U
74-RG2133)6)
75-RG2143)6)
77-RG21636)7)
RG-225/U2)6)
65-RG1652)3)6)
6-RG116)7)
62-RG1442)3)6)7)
2-RG635)7)
75-RG2143)bzxz.net
RG-225/U2)
127-RG393
74-RG213
60-RG14223
128-RG400
28-RG58
75-RG2143)
RG-225/U2)
127-RG393
74-RG2133)
60-RG1422)3)
128-RG400
28-RG58
小提示:此标准内容仅展示完整标准里的部分截取内容,若需要完整标准请到上方自行免费下载完整标准文档。
标准图片预览:





- 热门标准
- 行业标准
- SJ/T11406-2009 体育场馆用LED显示屏规范
- SJ20794/2-2007 RNK5085型有可靠性指标的表面安装膜固定电阻网络详细规范
- SJ/T11396-2009 氮化镓基发光二极管蓝宝石衬底片
- SJ/T31421-1994 双推板式电热隧道窑完好要求和检查评定方法
- SJ/T31423-1994 真空电阻加热炉完好要求和检查评定方法
- SJ/T31424-1994 室式淬火热处理炉完好要求和检查评定方法
- SJ50600.1-1994 JY3452型后松压接接触件盒式安装螺纹连接圆形固定电连接器详细规
- SJ1185-1977 彩色电视测量测试卡(CT752卡)
- SJ/T31211-1994 阴极支持架焊接机完好要求和检查评定方法
- SJ1437-1978 CKM-104B脉冲磁控管
- SJ1486-1979 3CG180型PNP硅外延平面高频小功率高反压三极管
- SJ/T10345.1-1993 寿命试验用表最好线性无偏估计用表(极值分布)
- SJ50065/12-2004 JRW-220M型有可靠性指标的TO-5密封直流电磁继电器详细规范
- SJ20792-2000 微通道板光电倍增管测试方法
- SJ20832-2002 光纤温度传感器通用规范
- 行业新闻
请牢记:“bzxz.net”即是“标准下载”四个汉字汉语拼音首字母与国际顶级域名“.net”的组合。 ©2025 标准下载网 www.bzxz.net 本站邮件:bzxznet@163.com
网站备案号:湘ICP备2025141790号-2
网站备案号:湘ICP备2025141790号-2