- 您的位置:
- 标准下载网 >>
- 标准分类 >>
- 电子行业标准(SJ) >>
- SJ 50033.138-1998 半导体光电子器件 GF318型黄色发光二极管详细规范
标准号:
SJ 50033.138-1998
标准名称:
半导体光电子器件 GF318型黄色发光二极管详细规范
标准类别:
电子行业标准(SJ)
标准状态:
现行出版语种:
简体中文下载格式:
.rar .pdf下载大小:
262.88 KB
点击下载
标准简介:
标准下载解压密码:www.bzxz.net
SJ 50033.138-1998 半导体光电子器件 GF318型黄色发光二极管详细规范 SJ50033.138-1998
部分标准内容:
中华人民共和国电子行业军用标准FL5980
SI50033/138 1998
半导体光电子器件GF318型
黄色发光二极管详细规范
Semiconductor optoelectronic devicesDetail specification for yellowlight - emitting diode for type GF3181998-03-18发布
1998-05-01实施
中华人民共和国电子工业部批准中华人民共和国电子行业军用标准半导体光电子器件
GF318型黄色发光二极管
详细规范
Semiconductor optoelectronice devices Detail specificationfor yelfow light-emitting diode for type GF3181范围
1.1主题内容
SI 50033/138-1998
本规范规定了军用GF318型黄色发光二极管(以下简称器件)的详细要求。1.2适用范围
本规范适用于器件的研制、生产和采购。1.3分类
1.3.1器件的等级
按照CJB33《半导体分立器件总规范》的规定,提供的质量保证等级为普军级(CP)和特军级(GT)二级。
2引用文件
GB 11499 - 89
半导体分立器件文宇符号
GB/T15651-1995半导体器件分立器件和集成电路第5部分光电子器件GIB 33 - 85
GJB 128 - 86
SJ 2355 - 83
3要求
3.1详细要求
半导体分立器件总规范
半导体分立器件试验方法
半导体发光器件测试方法
各条要求应按CJB33和本规范的规定。中华人民共和国电子工业部1998-03-18发布1998-05-01实施
TYKAONKAca-
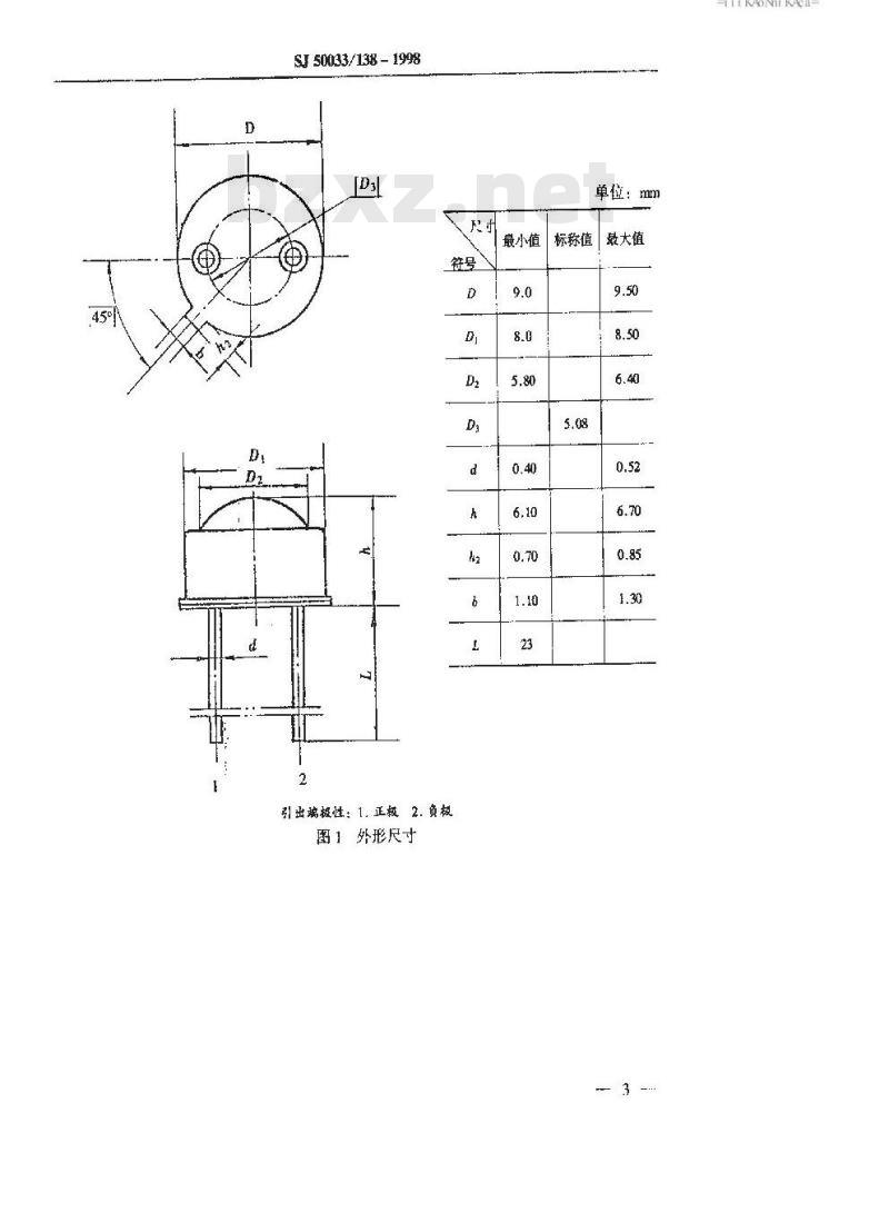
3.2设计、结构和外形尺寸
SJ 50033/138 - 1998
器件的设计、结构应按CJB33中3.5.1、3.5.3、3.5.4和3.5.7条及本规范的规定。外形尺世应符合本规范图1的规定。3.2.1管芯材料
管芯材料为磷砷化缘/磷化综。
3.2.2引出端识别
引出端识别见图1。
3.2.3封装形式
器件采用金属/玻璃空腔封装,管帽上带有玻璃透镜,见图1。3.2.4引线长度
可按订货文件规定(见6.2条)提供引线长度不同于本规范图1规定的器件。3.2.5引线材料和引线镀涂
引线材料为可伐,引线镀金,也可按照订货文件规定(见6.2条)。3.3最大额定值和主要光电特性
3.3.1最大额定值(见表1)
注:1)脉冲宽度0.5mg,占空比1/10Y
3.3.2主要光电特性(见表2,T。=25℃)2
- 55 ~ 100
-55~125
SJ 50033/138 - 1998Www.bzxZ.net
引出端极性:1.正极2.负极
图1外形尺寸
最小值
单位:m
标称值α大值
TTKAONKAa-
发光强度
正向电压
反向电流
蜂值发射波长
光谱辐射带宽
半强度角
3.4标志
每个器件上应有下列标志:
a.器件型号:
b.产品保证等级;
c.承制方商标或代号;
d.检验批识别代码。
4质量保证规定
4.1抽样和检验
SJ 50033/138 - 1998
Ip= 20mA, 0= 0p
I = 20au4
YR= 3V
Ir= 20mA
IR= 20mA
fp=20mA
抽样和检验应按GJB33和本规范的规定。4.2筛选(仅对GT级)
最小镇
筛选的步骤和条件应按GJB33和本规范表3的规定。4.3鉴定检验
鉴定检验应按 GJB33和本规范表4、表5和表6的规定。4.4质量一致性检验
最大值
质量一致性检验应包括A组(见表4)、B组(见表5)C组(见表6)中规定的检验和试验以及下面的规定。
4.4.1如果制造厂选择下面的方法做试验,应在做相应的B组试验前,指定C组检验中使用的样品,而且计算心组检验接收或拒收的失效器件数应等于B组检验中指定继续做C组检验的样品中出现的失效器件数加上C组检验中出现的失效器件数。在做C组检验中的寿命试验时,承制方有权选择全部或部分已经过340hB组寿命试验的样品再进行660h的寿命试验,以满足C组寿命试验1000h的要求。4.4.2C组检验应在初始批时开始进行,然后在连续生产过程中每隔6个月进行一次。4.4.3如果订货文件中已作规定(见6.2条),承制方应将质量-致性检验数据连同器件起提供。
4.5检验和试验方法
S 54033/138 - 1998
检验和试验方法按表4、表5、表6和表7的规定。表3筛选的步骤和条件(仅对 GT级)检验和试验
内部目捡
(封嵋前)
高温寿命 (不工作)
热冲击
(温度循环)
恒定加速度
密封 (不要求)
高温疫偏 (不适用)
中间光电参数测试
正向电压
反向电流
发光强度
8电老炼
最后测试1)
(老化后96h内完成)
正向电压变化量的绝对
发光强度变化量的绝对
10细检漏
粗检漏
外观及机械检验
SI 2355.2
GB/T 15651
SI 2355.2
GB/T 15651
CJB 128
7stg=125℃,1=72h
除低温为~ 55℃,循环
20次外,其余按试验条
Yi方向
:加速度196000m/g
ly=20n4
I = 20mA, 4= 0
Iy = 35mA, I= 96h
Ir=20anA
Ip= 20mA, 白=00
试验条件 H,最大漏率
为5mPa*cmr/s
试验条件C
打标志之后进行
注:1)最后测试中超过 A2分组极限值的器件应予以剔除符
极限值
最小值,最大值位
芯片完整
电极完整
10%IVD
20%[VD
无裂纹,无锈
蚀,无损坏,
标志清晰
TTKAONKAa-
检验或试验
A1分组
外观及机械检
A2分组
正向电压
反向电流
发光强度
A3 分组
低温下的
正向电压
高温下的
反向电流
A4分组
峰值发射波长
光谱辐射带宽
半强度角
检验和试验
BI分组
可焊性
标志的耐久性
E2 分组
GJB128
SI 2355.2
CB/T 15651
GH/T 15651
GE/T15651
SJ 2155.5
热冲击(温度循环)
粗检漏
最后测试
B3分组
稳态I作寿命
SJ50033/138-1998
表4A组检验
(除非另有规定 T,=25℃)
Ip = 20rm4
Ir= 20mA, =0
Ta = ~ 55℃, Ip= 20mA
Ta= 100℃, Vn= 3V
Tr=20mA
Ip= 20mA
Jr= 20mA
表5B组检验
GJB128
按本规范3.4条
最小值
最大值
无裂纹,无锈
蚀,无损坏
除低温为-55℃,循环20次外,其余按试验条件B试验条件H,最大漏率为SmPacm/s试验条件C
表7,步骤1
Ip = 35mA, t= 340h
单位 LTPD
或n(c)
检验和试验
最后测试
B4 分组
开帽内部观检
(设计验证)
键合强度
BS分组(不适用)
B6分组
高温寿命 (不工作)
最后测试
检验和试验
CI分组
外形尺寸
C2分组
热冲击(玻璃应力)
引出端强度
细检漏
SJ50033/138 -1998
续表5
GJB128
表7,步骤2
试验条件A,键合强度:225mN
Tstg r 125℃, t = 340h
表7,步骤2
表6C组检验
CIH128
综合温度/湿度周期试验
外观及机械检验
最后测试
C3分组
变频振动
恒定加速度
最后测试
(4分组(不适用)
按本规范图1
试验条件 A
试验条件E
试验条件H,最大漏率为5mPa*cm/s试验条件C
省略予处理条件
无裂纹,无明显锈蚀,无损坏
表7,步骤1
不工作,按14700m/2,0.5ms
在罚方间上冲击5次
Y方向,196000m/c2,1minm
表7,步骤1
或n(e)
20 (e =0)
TTKAONKAa-
检验和试验
C5分组(不适用)
C6 分组
稳态工作寿命
最后测试
C7分组
高温寿命(不工作)
最后试
正向电压
反向电流
发光强度
正向电压
反向电流
发光强度
SJ 50033/138 - 1998
续表6
GJB128
I=35mA,t=1000h
表7,步骤2
Tstg = 125 'C, t= 1000h
表7,步骤2
表7B组和 C组的测试
SJ 2355.2
CB/T 15651
SJ 2355.2
SJ 2355.3
GB/T 15651
7g= 20mA
Ip= 20mA, 0= 0
Ir=20m4
Iy= 20rnA, 6- 0P
注:1)对本试验超过A2分组极限值的器件不能向用户提供。5交货准备
包装应符合GJB33的要求。
6说明事项
6.1预定用途
最小值
最大值
器件可在各种军事仪器设备和各种民用电子仪器设备中做显示和指示用。6.2订货文件内容
合间或订单中应载明下列内容:a,本规范的名称与编号;
b.器件的型号和等级;
c.数量;
d、如果引线不镀金,应规定镀层(见3.2.5条);e.如果引线长度不同于图1,应规定引线长度(见3.2.4条)8
f.检验数据(见4.4.3条);
.其它。
6.3定义
SJ 50033/138 -1998
本规范使用的术谱和符号应按GJB33,GB11499、CB/T1565I以及以下规定6.3.1 6
光电探测器光轴与器件机械抽之间的夹角。6.3.2 IVD
单个器件的初始值。
附加说明:
本规范由中国电子技术标准化研究所归口。本规范由国营第七四六厂起草。本规范主要起草人:徐锦仙、王珍。
计划项目代导:B61011。
TTKAONKAa-
小提示:此标准内容仅展示完整标准里的部分截取内容,若需要完整标准请到上方自行免费下载完整标准文档。
SI50033/138 1998
半导体光电子器件GF318型
黄色发光二极管详细规范
Semiconductor optoelectronic devicesDetail specification for yellowlight - emitting diode for type GF3181998-03-18发布
1998-05-01实施
中华人民共和国电子工业部批准中华人民共和国电子行业军用标准半导体光电子器件
GF318型黄色发光二极管
详细规范
Semiconductor optoelectronice devices Detail specificationfor yelfow light-emitting diode for type GF3181范围
1.1主题内容
SI 50033/138-1998
本规范规定了军用GF318型黄色发光二极管(以下简称器件)的详细要求。1.2适用范围
本规范适用于器件的研制、生产和采购。1.3分类
1.3.1器件的等级
按照CJB33《半导体分立器件总规范》的规定,提供的质量保证等级为普军级(CP)和特军级(GT)二级。
2引用文件
GB 11499 - 89
半导体分立器件文宇符号
GB/T15651-1995半导体器件分立器件和集成电路第5部分光电子器件GIB 33 - 85
GJB 128 - 86
SJ 2355 - 83
3要求
3.1详细要求
半导体分立器件总规范
半导体分立器件试验方法
半导体发光器件测试方法
各条要求应按CJB33和本规范的规定。中华人民共和国电子工业部1998-03-18发布1998-05-01实施
TYKAONKAca-
3.2设计、结构和外形尺寸
SJ 50033/138 - 1998
器件的设计、结构应按CJB33中3.5.1、3.5.3、3.5.4和3.5.7条及本规范的规定。外形尺世应符合本规范图1的规定。3.2.1管芯材料
管芯材料为磷砷化缘/磷化综。
3.2.2引出端识别
引出端识别见图1。
3.2.3封装形式
器件采用金属/玻璃空腔封装,管帽上带有玻璃透镜,见图1。3.2.4引线长度
可按订货文件规定(见6.2条)提供引线长度不同于本规范图1规定的器件。3.2.5引线材料和引线镀涂
引线材料为可伐,引线镀金,也可按照订货文件规定(见6.2条)。3.3最大额定值和主要光电特性
3.3.1最大额定值(见表1)
注:1)脉冲宽度0.5mg,占空比1/10Y
3.3.2主要光电特性(见表2,T。=25℃)2
- 55 ~ 100
-55~125
SJ 50033/138 - 1998Www.bzxZ.net
引出端极性:1.正极2.负极
图1外形尺寸
最小值
单位:m
标称值α大值
TTKAONKAa-
发光强度
正向电压
反向电流
蜂值发射波长
光谱辐射带宽
半强度角
3.4标志
每个器件上应有下列标志:
a.器件型号:
b.产品保证等级;
c.承制方商标或代号;
d.检验批识别代码。
4质量保证规定
4.1抽样和检验
SJ 50033/138 - 1998
Ip= 20mA, 0= 0p
I = 20au4
YR= 3V
Ir= 20mA
IR= 20mA
fp=20mA
抽样和检验应按GJB33和本规范的规定。4.2筛选(仅对GT级)
最小镇
筛选的步骤和条件应按GJB33和本规范表3的规定。4.3鉴定检验
鉴定检验应按 GJB33和本规范表4、表5和表6的规定。4.4质量一致性检验
最大值
质量一致性检验应包括A组(见表4)、B组(见表5)C组(见表6)中规定的检验和试验以及下面的规定。
4.4.1如果制造厂选择下面的方法做试验,应在做相应的B组试验前,指定C组检验中使用的样品,而且计算心组检验接收或拒收的失效器件数应等于B组检验中指定继续做C组检验的样品中出现的失效器件数加上C组检验中出现的失效器件数。在做C组检验中的寿命试验时,承制方有权选择全部或部分已经过340hB组寿命试验的样品再进行660h的寿命试验,以满足C组寿命试验1000h的要求。4.4.2C组检验应在初始批时开始进行,然后在连续生产过程中每隔6个月进行一次。4.4.3如果订货文件中已作规定(见6.2条),承制方应将质量-致性检验数据连同器件起提供。
4.5检验和试验方法
S 54033/138 - 1998
检验和试验方法按表4、表5、表6和表7的规定。表3筛选的步骤和条件(仅对 GT级)检验和试验
内部目捡
(封嵋前)
高温寿命 (不工作)
热冲击
(温度循环)
恒定加速度
密封 (不要求)
高温疫偏 (不适用)
中间光电参数测试
正向电压
反向电流
发光强度
8电老炼
最后测试1)
(老化后96h内完成)
正向电压变化量的绝对
发光强度变化量的绝对
10细检漏
粗检漏
外观及机械检验
SI 2355.2
GB/T 15651
SI 2355.2
GB/T 15651
CJB 128
7stg=125℃,1=72h
除低温为~ 55℃,循环
20次外,其余按试验条
Yi方向
:加速度196000m/g
ly=20n4
I = 20mA, 4= 0
Iy = 35mA, I= 96h
Ir=20anA
Ip= 20mA, 白=00
试验条件 H,最大漏率
为5mPa*cmr/s
试验条件C
打标志之后进行
注:1)最后测试中超过 A2分组极限值的器件应予以剔除符
极限值
最小值,最大值位
芯片完整
电极完整
10%IVD
20%[VD
无裂纹,无锈
蚀,无损坏,
标志清晰
TTKAONKAa-
检验或试验
A1分组
外观及机械检
A2分组
正向电压
反向电流
发光强度
A3 分组
低温下的
正向电压
高温下的
反向电流
A4分组
峰值发射波长
光谱辐射带宽
半强度角
检验和试验
BI分组
可焊性
标志的耐久性
E2 分组
GJB128
SI 2355.2
CB/T 15651
GH/T 15651
GE/T15651
SJ 2155.5
热冲击(温度循环)
粗检漏
最后测试
B3分组
稳态I作寿命
SJ50033/138-1998
表4A组检验
(除非另有规定 T,=25℃)
Ip = 20rm4
Ir= 20mA, =0
Ta = ~ 55℃, Ip= 20mA
Ta= 100℃, Vn= 3V
Tr=20mA
Ip= 20mA
Jr= 20mA
表5B组检验
GJB128
按本规范3.4条
最小值
最大值
无裂纹,无锈
蚀,无损坏
除低温为-55℃,循环20次外,其余按试验条件B试验条件H,最大漏率为SmPacm/s试验条件C
表7,步骤1
Ip = 35mA, t= 340h
单位 LTPD
或n(c)
检验和试验
最后测试
B4 分组
开帽内部观检
(设计验证)
键合强度
BS分组(不适用)
B6分组
高温寿命 (不工作)
最后测试
检验和试验
CI分组
外形尺寸
C2分组
热冲击(玻璃应力)
引出端强度
细检漏
SJ50033/138 -1998
续表5
GJB128
表7,步骤2
试验条件A,键合强度:225mN
Tstg r 125℃, t = 340h
表7,步骤2
表6C组检验
CIH128
综合温度/湿度周期试验
外观及机械检验
最后测试
C3分组
变频振动
恒定加速度
最后测试
(4分组(不适用)
按本规范图1
试验条件 A
试验条件E
试验条件H,最大漏率为5mPa*cm/s试验条件C
省略予处理条件
无裂纹,无明显锈蚀,无损坏
表7,步骤1
不工作,按14700m/2,0.5ms
在罚方间上冲击5次
Y方向,196000m/c2,1minm
表7,步骤1
或n(e)
20 (e =0)
TTKAONKAa-
检验和试验
C5分组(不适用)
C6 分组
稳态工作寿命
最后测试
C7分组
高温寿命(不工作)
最后试
正向电压
反向电流
发光强度
正向电压
反向电流
发光强度
SJ 50033/138 - 1998
续表6
GJB128
I=35mA,t=1000h
表7,步骤2
Tstg = 125 'C, t= 1000h
表7,步骤2
表7B组和 C组的测试
SJ 2355.2
CB/T 15651
SJ 2355.2
SJ 2355.3
GB/T 15651
7g= 20mA
Ip= 20mA, 0= 0
Ir=20m4
Iy= 20rnA, 6- 0P
注:1)对本试验超过A2分组极限值的器件不能向用户提供。5交货准备
包装应符合GJB33的要求。
6说明事项
6.1预定用途
最小值
最大值
器件可在各种军事仪器设备和各种民用电子仪器设备中做显示和指示用。6.2订货文件内容
合间或订单中应载明下列内容:a,本规范的名称与编号;
b.器件的型号和等级;
c.数量;
d、如果引线不镀金,应规定镀层(见3.2.5条);e.如果引线长度不同于图1,应规定引线长度(见3.2.4条)8
f.检验数据(见4.4.3条);
.其它。
6.3定义
SJ 50033/138 -1998
本规范使用的术谱和符号应按GJB33,GB11499、CB/T1565I以及以下规定6.3.1 6
光电探测器光轴与器件机械抽之间的夹角。6.3.2 IVD
单个器件的初始值。
附加说明:
本规范由中国电子技术标准化研究所归口。本规范由国营第七四六厂起草。本规范主要起草人:徐锦仙、王珍。
计划项目代导:B61011。
TTKAONKAa-
小提示:此标准内容仅展示完整标准里的部分截取内容,若需要完整标准请到上方自行免费下载完整标准文档。
标准图片预览:





- 热门标准
- 行业标准
- SJ3166-1988 GZS12-4-3型彩色显像管插座
- SJ783-1974 3DG101型NPN硅外延平面高频小功率三极管
- SJ2857.2-1988 温差电致冷材料性能的测试方法 电导率的测试方法
- SJ2879-1988 彩色电视接收机用色纯静会聚磁体组合件总规范
- SJ/T9546-1993 无金属化孔单、双面印制板的质量分等标准
- SJ/T31441-1994 离心式制冷机组完好要求和检查评定方法
- SJ20837-2002 仪表着陆系统选址要求
- SJ/T10438-1993 双极型晶体管直流参数测试仪通用技术条件
- SJ/T10455-1993 厚膜混合集成电路用铜导体浆料
- SJ/T11010-1996 电子器件详细规范 半导体电视集成电路CD1124ACP伴音中频放大电路
- SJ/T11088-1996 电子器件详细规范 半导体集成电路CD7680CP图象伴音中频放大电路
- SJ/T10669-1995 表面组装器件可焊性试验
- SJ/Z3206.5-1989 光谱化学分析用感光板和胶片的照相处理方法
- SJ/Z9010.27-1987 电子管电性能的测试 第27部分:发射管中相互调制分量的测试方法
- SJ/T10253-1991 电子器件详细规范 半导体集成电路CC4046型CMOS数字锁相环详细规范
- 行业新闻
请牢记:“bzxz.net”即是“标准下载”四个汉字汉语拼音首字母与国际顶级域名“.net”的组合。 ©2025 标准下载网 www.bzxz.net 本站邮件:bzxznet@163.com
网站备案号:湘ICP备2025141790号-2
网站备案号:湘ICP备2025141790号-2