- 您的位置:
- 标准下载网 >>
- 标准分类 >>
- 电子行业标准(SJ) >>
- SJ 50033.132-1997 半导体分立器件 3DD260型低频大功率晶体管详细规范
标准号:
SJ 50033.132-1997
标准名称:
半导体分立器件 3DD260型低频大功率晶体管详细规范
标准类别:
电子行业标准(SJ)
标准状态:
现行出版语种:
简体中文下载格式:
.rar .pdf下载大小:
297.93 KB
点击下载
标准简介:
标准下载解压密码:www.bzxz.net
SJ 50033.132-1997 半导体分立器件 3DD260型低频大功率晶体管详细规范 SJ50033.132-1997
部分标准内容:
中华人民共和国电子行业军用标准FL5961
SJ50033/132--97
半导体分立器件3DD260型
低频大功率晶体管详细规范
Scmiconductor discrete devicesDetail specification for type 3DD260Jow - frequeney and high - power transistor1997-06-17发布
1997-10-01实施
中华人民共和国电子工业部批准中华人民共和国电子行业军用标准半导体分立器件
3DD260型低频大功率晶体管详细规范Semiconductor discrete devicesDetail specificatian for type 3DD260low -freq uecncy and high power-transistor1范围
1.1.主题内容
SI 50033/132 - 97
本规范规定了3DID260型低频大功率晶体管(以下简称器件)的详细要求。1.2适用范围
本规范适用于器件的研制、生产和采购。1.3分类
本规范根据器件质量保证等级进行分类。1.3.1器件的等级
按GIB33《半导体分立器件总规范>1.3的规定,提供的质量保证等级为普军、特军和超特军三级分别用字母GP、GT和GCT表示。2引用文件
GB4587-94双极型晶体管
GB7581-~87半导体分立器件外形尺GJB33—85半导体分立器件总规范GJB128—86半导体分立器件试验方法3要求
3.1详细要求
各项要求应按GJB33和本规范的规定。3.2设计和结构
器件的设计和结构应按GIB33和本规范的规定。3.2.1引出端材料和涂层
引出端材料应为可伐,引出端表面应为锡层或镍层。3.2.2器件结构
器件采用三重扩散台面结构。
中华人民共和国电子工业部1997-06-17发布1997-10-01实施
TYKAOKAca-
3.2.3外形尺寸
SJ50033/132-97
外形尺寸应符合 GB 7581的B2—01C型(见图1),找.5@x@2.
B2--01C
3.3最大额定值和主要电特性
3.3.1最大额定值
代号:
图1外形图
引出端被性
2.发射极
集电极接管壳
B2—01C
3Dn260A
3DI260B
3DD260C
3DD260E
3DD260F
SJ50033/132-97
注:1)Tc>25C时.按0.5W/K的速率线性地降颜。3.3.2主要电特性(T,=25℃)
极限值
3DD260A~B
3DD260C--F
7~180
色标分档
棕:7~15
红:15~25
楼:25~40
黄:40--55
绿,55 ~8U
蓝:80~120
紫:120--180
注:h≤55误差小于±20%
h限>55误差小于±10%。
3.4电测试要求
VcCFant
Virfiat
最大懂
电测试应符合GB4587及本规范的规定。3.5标志
器件应符合GJB33和本规范的规定。4质量保证规定
4.1抽样和检验
抽样和检验应按GJB 33和本规范的规定。4.2鉴定检验
鉴定检验应按 GIB 33 的规定。4.3筛选(仅对GT和GCT级)
最大慎
- 55 ~175
Ve=10V
25ATN750
最大值
筛选应按GJB33的表2和本规范的规定。其测试应按本规范表1的规定进行,超过本规TTKAONKAa-
范表1极限值的器件应予剔除。
见GJB33的表2
3.热冲击
蕴度循环
7.中间电参数测试
8.功率老炼
9.最后溅试
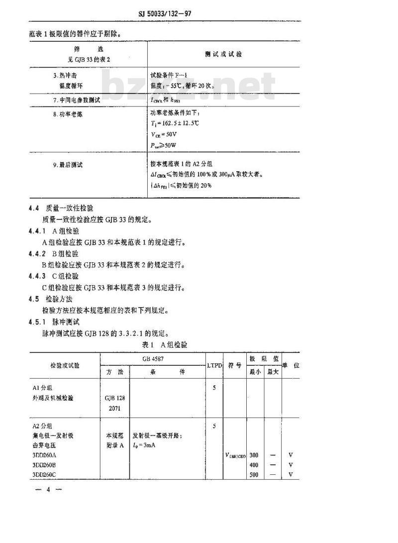
4.4质量一致性检验
SI 50033/132—97
试验条件F—1
测试或试验
温度,- 55℃,循环 20 次。
Iamn 和 hEEs
功率老炼条件如下:
T; - 162.5±12.5℃
Vce= SoV
按本规葱表1的 A2分组
4Ica≤初始值的100%或300uA取较大者。14元/≤初始值的20%
质量一致性检验应按 GJB 33 的规定。4.4.1A组检验
A纽检验应按 GJB 33 和本规范表 1的规定进行。4.4.2B组检验
B组检验应按 GIB 33和本规范表2的规定进行。4.4.3C组检验
C 组检验应按 GIB 33 和本规范表 3 的规定进行。4.5检验方法
检验方法应按本规范相应的表和下列规定。4.5.1脉冲测试
脉冲测试应按GJB128的3.3.2.1的规定。表 1 A组检验
检验或试验
A1分组
外观及机械检验
A2分组
巢电极发射极
击穿电压
3DD260A
3DD260B
3DD260C
GJB128
本规范
附录 A
GE4587
发射极一基极开路;
lo=3mA
V(HR)CE0|300
检验或试验
3DD260D
3DD260E
3DD260F
发射极—基极
击穿电压
集电极一基级
截止电流
集电极一发射极
截止电流
集电极一发射极
艳和电压
3DD260A~B
3DD260CF
基极一发射极
饱和电压
3DD260A-B
3DD260C-F
正向电流传输比
3DD260A-B
3DD260CF
A3分组
高温工作
集电极一基极
截止电流
低蕴工作
正间电流传输比
A4分组
下降时间
A5分组
安全工作区
(直流)
试验1
试验2
试验3
3DD260A
SJ 50033/132-97
续表1
GB4587
黄电极一基极开路;
Ig=imA
发射极一基极开路:
Vea= Vcrso
发射极一基极开路:
Vce = 0.5 VcEb
脉冲法(见4.5.1)
Vce=10V
脉冲祛法(见4.5.1)
TA=125±SC
发射极一基极开路
Vcr =0.7 Vero
Ta=-55
Vce-10V
脉冲法(见4.5.1)
Te=25r
1s,单次
VtE=21V
VcR=50V
Vee=300V
Ic-59mA
极限值
最小值最大值
VER)EID
TTKAONKAa-
检验或试验
3DD260C
3DD260D
3DD260E
3DD260F
最后测试
检验试验
B1分组
可焊性
标志耐久性
B32分组
热冲击
(阖度循环)
6) 细检漏
b) 粗检漏
最后测试:
B3 分组
稳态工作寿命
最屑测试
B4 分组
【仅对 GCT 级】
开帽内部月检
(设计核实)
键合强度
B5分组
SJ 50033/132-97
续表1
GB4587
Vce - 400V.
Ic=35mA
V= 500V
Ic= 23rmA
Yc = 600V,
Te=16mA
Vce = 700 V,
Ic=12mA
Vce = 800V.
Ic=10mA
见表 4 步骤 1 和 3
表2B组检验
GIE128
GB4587
除低温为:-55℃外;
其余为试验条件 F-
试验条件 H
试验条件 F
见表4步骤1和3
T, = 162.3 ±12. 5C
Vce=50V
见表 4 步彝 2 和 4
试验条件A
Vce - lay
25U≤T.≤75
每批一个器
件,0失效
20(C=0)
R(n)i-
极限值
最小值最大值
极限值
殿小最大
检验或试验
B6分组
高温寿命
(非工作状态)
最后测试:
检验或试验
CI分组
外形尺寸
C2分组
热冲击
(玻璃应力)
引出端强度
a)细检掘
b)粗捡漏
综合温度/湿度
:周期试验
外观及机概检验
最后测试
C3 分组
变振动
恒定加速度
最后溅试
C4 分组
(仅供海用)
盐气(侵蚀)
C6 分组
稳态工作寿命
最后测试:
SJ 50033/132—97
续表2
TA=175C
见表 4 步骤 2 和 4
表 3C组检验
GJB128
见图1
试验条件B
试验条件 A
受试端数;2
加力:20N
t= 10s
试验条件H
试验条件F
见表 4 步骤 1 和 3
见表 4 步骤 1 和 3
Ta = 162.5 ± 12.5C
Vee=50V
Pu≥sow
见表4步骤2和4
极限值
最小值最大间
TTKAONKAa-
检验或试验
集电极-基极
截止电流
巢电一基极
截止电流
正向电流传输比
正向电流传输比
变化量
SJ 50033/13297
表4A、B和C组最后测试
GB4587
发射极一基极开路
Vea= VeaRo
发射极一基极开酪
Vce = Vao
Vee-10V
脉冲法(见4.5.1)
Vce=10V
脉冲法(见4.5.1)
注:1)本测试超过A组极限值的器件不应接收。5交货准备
5.1包装要求
包装要求应按GJB33的规定。
5.2贮存要求
贮存要求应按GJB33的规定。
5.3运输要求
运输要求应按GJB33的规定。
6说明事项
lahFFl
6.1预定用途
符合本规范的器件供新设备设计使用和供现有的后勤保障用。6.2订货要求
合同或定货单应规定下列内容:a)本规范的名称或编号;
b)等级(见1.3.1);
c)数量;
初始值
的25%
d)需要时,其它要求。
6.3对引出端材料和涂层有特殊要求时,在合同或定货单中规定(见3.2.1)6.4如需要时,典型特性曲线可在合同或订货单中规定。6.5直流安全工作区,(见图2)。8
SJ50033/132-97
3D260B
3DD260C
3DD260D
3DL260Ewww.bzxz.net
313260F
Ver(V)
23DD260AF立流安全工作区
KAONKAca-
A1目的
SJ50033/132—97
附录A
集电极一发射极击穿电压测试方法(补充件)
本测试的目的是为了在规定条件下确定晶体管的击穿电压是否大于规定的最低极限值。A2测试电路
注:在测试电流时,电流装的接头之间实际上可以看戒短路,或对电压表读数作函电流表压降的校正。图1集电极-发射极击穿电压测试电路图A3测试步骤
限流电阻R1应足够大,以避免过度的电流流过晶体管和电流表。施加规定的偏值条件,增加电压直到规定的测试电流。如果在规定的测试电流下所加的电压人于V(BRCEo的摄低极限值,晶体管为合格。本测试方法用于表现晶体管的负阻击穿特性,在这种情况下,必须使晶体管的集电极电流及结温保持在安金值以内。
A4规定条件
a.环境温度TA:
b,测试电流Ico
附加说明:
本规范由中国电子技术标准化研究所归口。本规范由辽宁晶体管厂负责起草。本规范主要起草人:终桂云,张国俊、赵树启。计划项目代号:B51052。
小提示:此标准内容仅展示完整标准里的部分截取内容,若需要完整标准请到上方自行免费下载完整标准文档。
SJ50033/132--97
半导体分立器件3DD260型
低频大功率晶体管详细规范
Scmiconductor discrete devicesDetail specification for type 3DD260Jow - frequeney and high - power transistor1997-06-17发布
1997-10-01实施
中华人民共和国电子工业部批准中华人民共和国电子行业军用标准半导体分立器件
3DD260型低频大功率晶体管详细规范Semiconductor discrete devicesDetail specificatian for type 3DD260low -freq uecncy and high power-transistor1范围
1.1.主题内容
SI 50033/132 - 97
本规范规定了3DID260型低频大功率晶体管(以下简称器件)的详细要求。1.2适用范围
本规范适用于器件的研制、生产和采购。1.3分类
本规范根据器件质量保证等级进行分类。1.3.1器件的等级
按GIB33《半导体分立器件总规范>1.3的规定,提供的质量保证等级为普军、特军和超特军三级分别用字母GP、GT和GCT表示。2引用文件
GB4587-94双极型晶体管
GB7581-~87半导体分立器件外形尺GJB33—85半导体分立器件总规范GJB128—86半导体分立器件试验方法3要求
3.1详细要求
各项要求应按GJB33和本规范的规定。3.2设计和结构
器件的设计和结构应按GIB33和本规范的规定。3.2.1引出端材料和涂层
引出端材料应为可伐,引出端表面应为锡层或镍层。3.2.2器件结构
器件采用三重扩散台面结构。
中华人民共和国电子工业部1997-06-17发布1997-10-01实施
TYKAOKAca-
3.2.3外形尺寸
SJ50033/132-97
外形尺寸应符合 GB 7581的B2—01C型(见图1),找.5@x@2.
B2--01C
3.3最大额定值和主要电特性
3.3.1最大额定值
代号:
图1外形图
引出端被性
2.发射极
集电极接管壳
B2—01C
3Dn260A
3DI260B
3DD260C
3DD260E
3DD260F
SJ50033/132-97
注:1)Tc>25C时.按0.5W/K的速率线性地降颜。3.3.2主要电特性(T,=25℃)
极限值
3DD260A~B
3DD260C--F
7~180
色标分档
棕:7~15
红:15~25
楼:25~40
黄:40--55
绿,55 ~8U
蓝:80~120
紫:120--180
注:h≤55误差小于±20%
h限>55误差小于±10%。
3.4电测试要求
VcCFant
Virfiat
最大懂
电测试应符合GB4587及本规范的规定。3.5标志
器件应符合GJB33和本规范的规定。4质量保证规定
4.1抽样和检验
抽样和检验应按GJB 33和本规范的规定。4.2鉴定检验
鉴定检验应按 GIB 33 的规定。4.3筛选(仅对GT和GCT级)
最大慎
- 55 ~175
Ve=10V
25ATN750
最大值
筛选应按GJB33的表2和本规范的规定。其测试应按本规范表1的规定进行,超过本规TTKAONKAa-
范表1极限值的器件应予剔除。
见GJB33的表2
3.热冲击
蕴度循环
7.中间电参数测试
8.功率老炼
9.最后溅试
4.4质量一致性检验
SI 50033/132—97
试验条件F—1
测试或试验
温度,- 55℃,循环 20 次。
Iamn 和 hEEs
功率老炼条件如下:
T; - 162.5±12.5℃
Vce= SoV
按本规葱表1的 A2分组
4Ica≤初始值的100%或300uA取较大者。14元/≤初始值的20%
质量一致性检验应按 GJB 33 的规定。4.4.1A组检验
A纽检验应按 GJB 33 和本规范表 1的规定进行。4.4.2B组检验
B组检验应按 GIB 33和本规范表2的规定进行。4.4.3C组检验
C 组检验应按 GIB 33 和本规范表 3 的规定进行。4.5检验方法
检验方法应按本规范相应的表和下列规定。4.5.1脉冲测试
脉冲测试应按GJB128的3.3.2.1的规定。表 1 A组检验
检验或试验
A1分组
外观及机械检验
A2分组
巢电极发射极
击穿电压
3DD260A
3DD260B
3DD260C
GJB128
本规范
附录 A
GE4587
发射极一基极开路;
lo=3mA
V(HR)CE0|300
检验或试验
3DD260D
3DD260E
3DD260F
发射极—基极
击穿电压
集电极一基级
截止电流
集电极一发射极
截止电流
集电极一发射极
艳和电压
3DD260A~B
3DD260CF
基极一发射极
饱和电压
3DD260A-B
3DD260C-F
正向电流传输比
3DD260A-B
3DD260CF
A3分组
高温工作
集电极一基极
截止电流
低蕴工作
正间电流传输比
A4分组
下降时间
A5分组
安全工作区
(直流)
试验1
试验2
试验3
3DD260A
SJ 50033/132-97
续表1
GB4587
黄电极一基极开路;
Ig=imA
发射极一基极开路:
Vea= Vcrso
发射极一基极开路:
Vce = 0.5 VcEb
脉冲法(见4.5.1)
Vce=10V
脉冲祛法(见4.5.1)
TA=125±SC
发射极一基极开路
Vcr =0.7 Vero
Ta=-55
Vce-10V
脉冲法(见4.5.1)
Te=25r
1s,单次
VtE=21V
VcR=50V
Vee=300V
Ic-59mA
极限值
最小值最大值
VER)EID
TTKAONKAa-
检验或试验
3DD260C
3DD260D
3DD260E
3DD260F
最后测试
检验试验
B1分组
可焊性
标志耐久性
B32分组
热冲击
(阖度循环)
6) 细检漏
b) 粗检漏
最后测试:
B3 分组
稳态工作寿命
最屑测试
B4 分组
【仅对 GCT 级】
开帽内部月检
(设计核实)
键合强度
B5分组
SJ 50033/132-97
续表1
GB4587
Vce - 400V.
Ic=35mA
V= 500V
Ic= 23rmA
Yc = 600V,
Te=16mA
Vce = 700 V,
Ic=12mA
Vce = 800V.
Ic=10mA
见表 4 步骤 1 和 3
表2B组检验
GIE128
GB4587
除低温为:-55℃外;
其余为试验条件 F-
试验条件 H
试验条件 F
见表4步骤1和3
T, = 162.3 ±12. 5C
Vce=50V
见表 4 步彝 2 和 4
试验条件A
Vce - lay
25U≤T.≤75
每批一个器
件,0失效
20(C=0)
R(n)i-
极限值
最小值最大值
极限值
殿小最大
检验或试验
B6分组
高温寿命
(非工作状态)
最后测试:
检验或试验
CI分组
外形尺寸
C2分组
热冲击
(玻璃应力)
引出端强度
a)细检掘
b)粗捡漏
综合温度/湿度
:周期试验
外观及机概检验
最后测试
C3 分组
变振动
恒定加速度
最后溅试
C4 分组
(仅供海用)
盐气(侵蚀)
C6 分组
稳态工作寿命
最后测试:
SJ 50033/132—97
续表2
TA=175C
见表 4 步骤 2 和 4
表 3C组检验
GJB128
见图1
试验条件B
试验条件 A
受试端数;2
加力:20N
t= 10s
试验条件H
试验条件F
见表 4 步骤 1 和 3
见表 4 步骤 1 和 3
Ta = 162.5 ± 12.5C
Vee=50V
Pu≥sow
见表4步骤2和4
极限值
最小值最大间
TTKAONKAa-
检验或试验
集电极-基极
截止电流
巢电一基极
截止电流
正向电流传输比
正向电流传输比
变化量
SJ 50033/13297
表4A、B和C组最后测试
GB4587
发射极一基极开路
Vea= VeaRo
发射极一基极开酪
Vce = Vao
Vee-10V
脉冲法(见4.5.1)
Vce=10V
脉冲法(见4.5.1)
注:1)本测试超过A组极限值的器件不应接收。5交货准备
5.1包装要求
包装要求应按GJB33的规定。
5.2贮存要求
贮存要求应按GJB33的规定。
5.3运输要求
运输要求应按GJB33的规定。
6说明事项
lahFFl
6.1预定用途
符合本规范的器件供新设备设计使用和供现有的后勤保障用。6.2订货要求
合同或定货单应规定下列内容:a)本规范的名称或编号;
b)等级(见1.3.1);
c)数量;
初始值
的25%
d)需要时,其它要求。
6.3对引出端材料和涂层有特殊要求时,在合同或定货单中规定(见3.2.1)6.4如需要时,典型特性曲线可在合同或订货单中规定。6.5直流安全工作区,(见图2)。8
SJ50033/132-97
3D260B
3DD260C
3DD260D
3DL260Ewww.bzxz.net
313260F
Ver(V)
23DD260AF立流安全工作区
KAONKAca-
A1目的
SJ50033/132—97
附录A
集电极一发射极击穿电压测试方法(补充件)
本测试的目的是为了在规定条件下确定晶体管的击穿电压是否大于规定的最低极限值。A2测试电路
注:在测试电流时,电流装的接头之间实际上可以看戒短路,或对电压表读数作函电流表压降的校正。图1集电极-发射极击穿电压测试电路图A3测试步骤
限流电阻R1应足够大,以避免过度的电流流过晶体管和电流表。施加规定的偏值条件,增加电压直到规定的测试电流。如果在规定的测试电流下所加的电压人于V(BRCEo的摄低极限值,晶体管为合格。本测试方法用于表现晶体管的负阻击穿特性,在这种情况下,必须使晶体管的集电极电流及结温保持在安金值以内。
A4规定条件
a.环境温度TA:
b,测试电流Ico
附加说明:
本规范由中国电子技术标准化研究所归口。本规范由辽宁晶体管厂负责起草。本规范主要起草人:终桂云,张国俊、赵树启。计划项目代号:B51052。
小提示:此标准内容仅展示完整标准里的部分截取内容,若需要完整标准请到上方自行免费下载完整标准文档。
标准图片预览:





- 热门标准
- 行业标准
- SJ50681.65-1994 TNC系列(接半硬电缆)插孔接触件法兰安装2级射频同轴插座连接器详细规范
- SJ/T11247-2001 永磁铁氧体瓦形磁体公差及外形缺陷
- SJ995-75 双动冲床引伸模 落料凹模 引伸凹模
- SJ50599/10-2006 系列Ⅰ JY27466卡口连接压接式接触件墙式法兰安装固定电连接器(T类)详细规范
- SJ20792-2000 微通道板光电倍增管测试方法
- SJ1807-1981 2CC120(122、124)~2CC420(422、424)型硅调谐变容二极管
- SJ1736-1981 通信用送话器电声试验方法
- SJ20398-1994 机载雷达用栅控行波管钛泵电源通用规范
- SJ3183-1989 双卡套式管接头系列
- SJ/T10586.3-1994 DW-217型电子玻璃技术数据
- SJ/T10783-1996 电子器件详细规范 半导体集成电路CD7176CP伴音中频放大电路(可供认证用)
- SJ1553-1980 测温型负温度系数热敏电阻器总技术条件
- SJ1805-1981 2CC126型硅调频变容二极管
- SJ3004.7-1988 组合冲模 异形刃口
- SJ3234-1989 电子材料真空放气性能的动态测试方法
- 行业新闻
请牢记:“bzxz.net”即是“标准下载”四个汉字汉语拼音首字母与国际顶级域名“.net”的组合。 ©2025 标准下载网 www.bzxz.net 本站邮件:bzxznet@163.com
网站备案号:湘ICP备2025141790号-2
网站备案号:湘ICP备2025141790号-2