- 您的位置:
- 标准下载网 >>
- 标准分类 >>
- 国家标准(GB) >>
- GB/T 15956-1995 内销电石包装钢桶
标准号:
GB/T 15956-1995
标准名称:
内销电石包装钢桶
标准类别:
国家标准(GB)
标准状态:
已作废-
发布日期:
1995-01-02 -
实施日期:
1996-08-01 -
作废日期:
2009-04-01 出版语种:
简体中文下载格式:
.rar.pdf下载大小:
309.69 KB
替代情况:
被GB/T 15956-2008代替采标情况:
,
点击下载
标准简介:
标准下载解压密码:www.bzxz.net
本标准规定了内销电石包装钢桶的技术条件、试验方法、检验规则及标志、运输、贮存等。本标准适用于包装内销电石钢桶的制造、流通和监督检验等领域。 GB/T 15956-1995 内销电石包装钢桶 GB/T15956-1995
部分标准内容:
中华人民共和国国家标准
内销电石包装钢桶
Calcium carblde steel drum for the bome market1主题内容与适用范围
GB/T15956—1995
本标准规定了内销电石包装钢桶的技术条件,试验方法,检验规则及标志、运输、贮存等。本标准适用于包装内销电石钢辅(以下简称钢桶》的制造、流通和监督检验等领域。2
引用标准
危险货物包装标志
GB 191
GB 912
GB 1764
GB2828
GB2829
包装储运图示标志
首通碳素结构钢和低合金结构薄钢板技术条件漆膜厚度测定法
逐批检查计数抽样程序及抽样表(适用于连续批的检查)周期检查计数抽样程序及抽样表(适用于生产过程稳定性的检查)运输包装件基本试验堆码试验方法GB 4857. 3
GB 4857. 5
运输包装件基本试验垂直冲击跌落试验方法危险货物运输包装通用技术条件GB 12463
包装容器钢桶
GB 325
GB13040
3术语
包装术语金属容器
3.1装料口(简称桶口)
在桶顶上设置的用于装入和取出电石的圆形孔。3.2直通安全装置(非铁路运输时使用)为钢桶装入电石后的安全,在桶项上设置的特制螺栓。4技术要求
4.1基本要求
4.1.1钢桶的结构和尺寸应符合下图和下表的规定。国家技术监督商1995-12-21批准1996-08-01实施
GB/T15956—1995
巨通安全接置
(均市)
辋桶形状和结构
虚封頭性
三要国准边
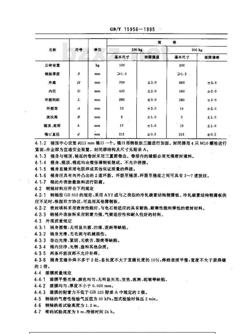
公称容盈
钢板厚度
环筋间距
环筋高
波纹高
桶顶、广深
桶口画径
GB/T 15956—1995
100 kg
基本尺寸
极限偏整
基本尺寸
极限偏塑
4. 1. 2 桶项中心设置 215 mm 桶口一个。桶口用钢板法兰图进行加固. 封闭器用 4 只 M10 螺栓进行紧固,并全部为直通安全装量。封闭器结构及尺寸见附录A。4.1.3桶身与桶项、桶底的卷封采用三盘圆卷边。卷层内的缝必须充填密封填料。4.1.4桶身、桶项、桶底均由整张薄钢板制成。不允许拼接。4.1.5桶身直缝采用电阻焊或其他保证质量的焊接。4.1.6桶身应具有间外凸出的2道环筋。环筋至桶顶,环筋至插廉之间可具有3~~7道波纹。4.1.7桶的外表涂敷涂料进行防腐。4.2钢桶材料应符合下列规定
4.2.1钢桶按 GB 912 的规定,采用 AY2或与之类似的冷轧碳素结构钢薄板。冷轧碳素结构翎薄板供应不足时,根据双方协议,可选用其他薄钢板。4-2. 2密封填料采用密封性能好、与电右相适应的其有耐热、耐察性能和弹性的密封材料。4.2.3钢桶外表涂料采用附著力强,气候适应性和耐久性好的材料。4. 3外观质量规定
4. 3. 1桶身圆整,无明显失圆、凹糖,歪斜等缺陷。4.3.2桶身光滑、无毛刺与机械损伤。4. 3. 3卷边光滑、紧固,无铁舌、裂痕等缺陷。4.3.4桶内洁净、无锈、渣和其他杂质。4.3.5两条环筋顶部不允许补焊。4. 3.6橘身直缝补焊不多于 2处,总长度不大于直链长度的 10%,焊疤表面平整,宽度不大于原焊的1倍.
4. 4 染膜质量规定
4.4.1漆膜平整光滑、颐色均匀,无明显失光、变色、流滞、起皱等缺陷。4.4.2漆膜均匀,厚度不小于0.020.mm。4. 4. 3 漆膜的附著力不低于 GB 325 附录 A 中规定的 2 级。4.5钢桶的气密性检验气压值为30kPa,型式检验时保压2min。4. 6钢桶跌落试验高度为 1. 2 m。4. 7堆码试验高度为 8 m,持续时间 24 h。GB/T 15956—1995
4.B封闭器装配质量按附录A的规定进行检验。5试验方法
5. 1 基本尺寸:以通用量具进行检验,5.2外观质量,采用手感、目测或通用量具检验。5.3气密性试验
将干燥的压缩空气通入桶内,待桶内气体压力达到4.5规定的值时,在外涂以液,检验焊缝,卷边及其他联接处不渗为合格。
5.4跌落试验
5.4.1试样桶内盛装电石或与电石有相似物理性质的代用物。5. 4.2试验方法按 GB 4857. 5进行,跌落后的试样桶进行不涉漏试验的气压值为 20 kPa,经保压2 min不渗漏为合格。
5-4. 3钢捕不作溢凝度预处理。5. 5堆码试验按 GB 4857. 3 进行。钢桶不作温湿度预处理。5. 6漆膜厚度检验
按 GB 1764 测定。免费标准下载网bzxz
5-7漆膜附着力检验
按 GB 325 附录 A 中 A. 2 的方法测定。6检验规则
6.1钢桶由制造厂质量监督部门按本标准进行检验,并出具合格证。6. 2 钢桶检验分出广检验和型式检验。6-2.1出厂检验
本标准 4. 1,4. 3,4. 4,4. 5、4. 8 条为出厂检验项目。6. 2. 2型式检验
本标准规定的技术要求为型式检验项目。6.3抽样,组批与判定规则
6.3.1不合格的分类接 GB3257.3.1条不合格的分类表5的规定。6.3.2出厂检验
6.3.2:1每班产盘为一检验批。
6.3. 2.2接 GB 2828,一次正常抽样方案:。 本标准 4. 5 条 IL=S-2 AQL=1. 5b本标准除 4. 5 条外的其他出厂检验项目 IL=S-3AQL一6. 56.3.2.3样本单位不合格判定按 GB 325 7.3.2. 3的规定。6. 3. 2. 4 如不合格,经静理或除不合格品后,可重新提交检验,仍不合格时则判定该批为不合格。6. 3. 3型式检验
6.3.3.1本标准按 GB 3257.2.2.2规定的情况进行型式检验。6.3.3.2将检验项目分组:
a,本标准4.5、4.6、4.7条为第一组b本标准 4,5、4.6.4.7 条外的其他技术要求为第二组。6.3-3.3按GB2829,一次抽样方案:±、第一组 RQL-15 DL-1 =61
第二组 RQL=30 DL1 n=6。
GB/T15956-1995
6.334第一组的样本单位有一项A类不合格,则判定样本单位不合格6.3.35第二组的样本单位不合格的判定按GB3257.3.3.3条的规定6.4翻桶交货条件按GB3257.4条的规定标志、运输、贮存
7.1铜桶应在桶顶边裙压印清晰、工整的标志,,其内容包括:制造厂名或代号、制造年月、钢板厚度(顶底/身)。
7.2钢桶装人电石后,应按GB190,GB191中有关规定加贴标志7.3钢桶在装卸、运输中应轻赣、轻放、避免碰撞7.4 鋼桶宜室内贮存,空外雄放时,底层应垫枕木,上面加盖蓬布防雨GB/T15956-1995
附最A
钢桶封闭器
(补充件)
封闭器为桶口配套封闭装置,由桶口、法兰围、密封圈、桶登直通安全装置等组成。A1产品分类:封闭器分桶顶下部加固法和桶顶上部加固法两种。A2技术要求;
A2. 1桶填下部加固法封闭器的外形和装酸关系见图A1和表A121
*215±
250*,5
图A1桶项下部加固封闭器的外形和装配关系表A1封闭器零件明细表
密封国
直通安全装置
$282/218×5
$285/$216×3
M10X20
255×5
桶口的形状和尺寸应符合图A2的规定。材料
在桶顶上冲压成形
与桶口压合,点焊
GB/T15956-1995
国A2桶口形状和尺寸
A2. 1.2法兰图的形状和尺寸应符合图A3 的规定。x45
4250±心.5
图 A3 法兰图
A2.1. 3密封圈的形状和尺寸应符合图 A4 规定。布
图A4密封图
A2.1.4直通安全装置的形状和尺寸应符合图A5的规定。A,M心均布
GB/T 15956--1995
注:利用M10X20,GB3076螺栓钻孔删或。图A5直通安全装置
A2.1.5桶盖的形状和尺寸应符合图A6的规定。A
4只润声形孔
中250
A向视国
图A6桶盖
A2.2封闭器(桶顶上部加固法)的外形和装配关系见图A7和表A2。序号
直通安全装量
加固图
0形密封圖
GB/T:15956—1995
图 A7封闭器外形和装配关系(桶顶上部加固)表A2封闭器零件明细表
M10X20
$270/$217×8
→内215
加固围形状和尺寸应符合图A8的规定。.5 x45
图A8加固图
A2.2.20形密封圈的形状和尺寸应符合图A9的规定。材料
软摄胶
在桶预上冲压成形
均布,与图A5同
与桶口玉合,点焊
GB/T15956-1995
图 A90.形密封图
A2. 2. 3 桶发的形状和尺寸应符合图 A10 或图 A11 的规定。4扎均布
K尚减都视图
辅一种缺均显孔
桶盏(I)
图A10
第二种轴构菌芦孔
林料,A3
孔均布
辆-种物细孔
A2:3外观质量规定
GB/T 15956—1995
K向降视密
图A11桶盘(I)
高二种结抑胡声孔
材料A3
A2.3.1封闭器圆整、衰面平整、光洁,不得有影响装配质量的裂纹、变形等缺陷。A2.3.2桶盖漆膜平整光滑,颜色均匀,无明显失光、变色、起皱等缺陷。A2.4装配质量规定
A2.4-1封闭器配套齐全,装配后表面平整,密封良好(直通安全装置通气托除外),项面不翘过桶身三重边的沿口。
A2.4.2封闭器必须保证互换性.
A2.4.3直通安全装量规格、数量、安装位置应正确,通气孔必须畅通无阻,A3试验方法
GB/T 15956-1995
A3.1基本尺寸检验;采用通用量具检测,符合本附录A2.1、A2.2要求为合格。A3.2外观质量检验;采用手感目测检查,符合A2.3 的要求为合格。A4检验规则
A4.1封闭器由制造厂质量监督部门按本附录A进行检验,合格后出具合格证。A42封闭器的外观质量应全数检验。A4.3在材料或制造工艺变更,或对封闭器质量有争议时,应进行组合气密性试验附加说明
本标准由中华人民共和国化学工业部提出。本标准由北京化工研究院技术归口。本标准由北京化工研究院、衡州化学工业公司建材厂、兰州制桶厂和包头第二化工厂负责起草。下花园电石厂制桶分厂、北京制桶厂参加起草本标准主要起草人胡玉芳、黄锁玉、朱凋川、余淑辉、芦振星
小提示:此标准内容仅展示完整标准里的部分截取内容,若需要完整标准请到上方自行免费下载完整标准文档。
内销电石包装钢桶
Calcium carblde steel drum for the bome market1主题内容与适用范围
GB/T15956—1995
本标准规定了内销电石包装钢桶的技术条件,试验方法,检验规则及标志、运输、贮存等。本标准适用于包装内销电石钢辅(以下简称钢桶》的制造、流通和监督检验等领域。2
引用标准
危险货物包装标志
GB 191
GB 912
GB 1764
GB2828
GB2829
包装储运图示标志
首通碳素结构钢和低合金结构薄钢板技术条件漆膜厚度测定法
逐批检查计数抽样程序及抽样表(适用于连续批的检查)周期检查计数抽样程序及抽样表(适用于生产过程稳定性的检查)运输包装件基本试验堆码试验方法GB 4857. 3
GB 4857. 5
运输包装件基本试验垂直冲击跌落试验方法危险货物运输包装通用技术条件GB 12463
包装容器钢桶
GB 325
GB13040
3术语
包装术语金属容器
3.1装料口(简称桶口)
在桶顶上设置的用于装入和取出电石的圆形孔。3.2直通安全装置(非铁路运输时使用)为钢桶装入电石后的安全,在桶项上设置的特制螺栓。4技术要求
4.1基本要求
4.1.1钢桶的结构和尺寸应符合下图和下表的规定。国家技术监督商1995-12-21批准1996-08-01实施
GB/T15956—1995
巨通安全接置
(均市)
辋桶形状和结构
虚封頭性
三要国准边
公称容盈
钢板厚度
环筋间距
环筋高
波纹高
桶顶、广深
桶口画径
GB/T 15956—1995
100 kg
基本尺寸
极限偏整
基本尺寸
极限偏塑
4. 1. 2 桶项中心设置 215 mm 桶口一个。桶口用钢板法兰图进行加固. 封闭器用 4 只 M10 螺栓进行紧固,并全部为直通安全装量。封闭器结构及尺寸见附录A。4.1.3桶身与桶项、桶底的卷封采用三盘圆卷边。卷层内的缝必须充填密封填料。4.1.4桶身、桶项、桶底均由整张薄钢板制成。不允许拼接。4.1.5桶身直缝采用电阻焊或其他保证质量的焊接。4.1.6桶身应具有间外凸出的2道环筋。环筋至桶顶,环筋至插廉之间可具有3~~7道波纹。4.1.7桶的外表涂敷涂料进行防腐。4.2钢桶材料应符合下列规定
4.2.1钢桶按 GB 912 的规定,采用 AY2或与之类似的冷轧碳素结构钢薄板。冷轧碳素结构翎薄板供应不足时,根据双方协议,可选用其他薄钢板。4-2. 2密封填料采用密封性能好、与电右相适应的其有耐热、耐察性能和弹性的密封材料。4.2.3钢桶外表涂料采用附著力强,气候适应性和耐久性好的材料。4. 3外观质量规定
4. 3. 1桶身圆整,无明显失圆、凹糖,歪斜等缺陷。4.3.2桶身光滑、无毛刺与机械损伤。4. 3. 3卷边光滑、紧固,无铁舌、裂痕等缺陷。4.3.4桶内洁净、无锈、渣和其他杂质。4.3.5两条环筋顶部不允许补焊。4. 3.6橘身直缝补焊不多于 2处,总长度不大于直链长度的 10%,焊疤表面平整,宽度不大于原焊的1倍.
4. 4 染膜质量规定
4.4.1漆膜平整光滑、颐色均匀,无明显失光、变色、流滞、起皱等缺陷。4.4.2漆膜均匀,厚度不小于0.020.mm。4. 4. 3 漆膜的附著力不低于 GB 325 附录 A 中规定的 2 级。4.5钢桶的气密性检验气压值为30kPa,型式检验时保压2min。4. 6钢桶跌落试验高度为 1. 2 m。4. 7堆码试验高度为 8 m,持续时间 24 h。GB/T 15956—1995
4.B封闭器装配质量按附录A的规定进行检验。5试验方法
5. 1 基本尺寸:以通用量具进行检验,5.2外观质量,采用手感、目测或通用量具检验。5.3气密性试验
将干燥的压缩空气通入桶内,待桶内气体压力达到4.5规定的值时,在外涂以液,检验焊缝,卷边及其他联接处不渗为合格。
5.4跌落试验
5.4.1试样桶内盛装电石或与电石有相似物理性质的代用物。5. 4.2试验方法按 GB 4857. 5进行,跌落后的试样桶进行不涉漏试验的气压值为 20 kPa,经保压2 min不渗漏为合格。
5-4. 3钢捕不作溢凝度预处理。5. 5堆码试验按 GB 4857. 3 进行。钢桶不作温湿度预处理。5. 6漆膜厚度检验
按 GB 1764 测定。免费标准下载网bzxz
5-7漆膜附着力检验
按 GB 325 附录 A 中 A. 2 的方法测定。6检验规则
6.1钢桶由制造厂质量监督部门按本标准进行检验,并出具合格证。6. 2 钢桶检验分出广检验和型式检验。6-2.1出厂检验
本标准 4. 1,4. 3,4. 4,4. 5、4. 8 条为出厂检验项目。6. 2. 2型式检验
本标准规定的技术要求为型式检验项目。6.3抽样,组批与判定规则
6.3.1不合格的分类接 GB3257.3.1条不合格的分类表5的规定。6.3.2出厂检验
6.3.2:1每班产盘为一检验批。
6.3. 2.2接 GB 2828,一次正常抽样方案:。 本标准 4. 5 条 IL=S-2 AQL=1. 5b本标准除 4. 5 条外的其他出厂检验项目 IL=S-3AQL一6. 56.3.2.3样本单位不合格判定按 GB 325 7.3.2. 3的规定。6. 3. 2. 4 如不合格,经静理或除不合格品后,可重新提交检验,仍不合格时则判定该批为不合格。6. 3. 3型式检验
6.3.3.1本标准按 GB 3257.2.2.2规定的情况进行型式检验。6.3.3.2将检验项目分组:
a,本标准4.5、4.6、4.7条为第一组b本标准 4,5、4.6.4.7 条外的其他技术要求为第二组。6.3-3.3按GB2829,一次抽样方案:±、第一组 RQL-15 DL-1 =61
第二组 RQL=30 DL1 n=6。
GB/T15956-1995
6.334第一组的样本单位有一项A类不合格,则判定样本单位不合格6.3.35第二组的样本单位不合格的判定按GB3257.3.3.3条的规定6.4翻桶交货条件按GB3257.4条的规定标志、运输、贮存
7.1铜桶应在桶顶边裙压印清晰、工整的标志,,其内容包括:制造厂名或代号、制造年月、钢板厚度(顶底/身)。
7.2钢桶装人电石后,应按GB190,GB191中有关规定加贴标志7.3钢桶在装卸、运输中应轻赣、轻放、避免碰撞7.4 鋼桶宜室内贮存,空外雄放时,底层应垫枕木,上面加盖蓬布防雨GB/T15956-1995
附最A
钢桶封闭器
(补充件)
封闭器为桶口配套封闭装置,由桶口、法兰围、密封圈、桶登直通安全装置等组成。A1产品分类:封闭器分桶顶下部加固法和桶顶上部加固法两种。A2技术要求;
A2. 1桶填下部加固法封闭器的外形和装酸关系见图A1和表A121
*215±
250*,5
图A1桶项下部加固封闭器的外形和装配关系表A1封闭器零件明细表
密封国
直通安全装置
$282/218×5
$285/$216×3
M10X20
255×5
桶口的形状和尺寸应符合图A2的规定。材料
在桶顶上冲压成形
与桶口压合,点焊
GB/T15956-1995
国A2桶口形状和尺寸
A2. 1.2法兰图的形状和尺寸应符合图A3 的规定。x45
4250±心.5
图 A3 法兰图
A2.1. 3密封圈的形状和尺寸应符合图 A4 规定。布
图A4密封图
A2.1.4直通安全装置的形状和尺寸应符合图A5的规定。A,M心均布
GB/T 15956--1995
注:利用M10X20,GB3076螺栓钻孔删或。图A5直通安全装置
A2.1.5桶盖的形状和尺寸应符合图A6的规定。A
4只润声形孔
中250
A向视国
图A6桶盖
A2.2封闭器(桶顶上部加固法)的外形和装配关系见图A7和表A2。序号
直通安全装量
加固图
0形密封圖
GB/T:15956—1995
图 A7封闭器外形和装配关系(桶顶上部加固)表A2封闭器零件明细表
M10X20
$270/$217×8
→内215
加固围形状和尺寸应符合图A8的规定。.5 x45
图A8加固图
A2.2.20形密封圈的形状和尺寸应符合图A9的规定。材料
软摄胶
在桶预上冲压成形
均布,与图A5同
与桶口玉合,点焊
GB/T15956-1995
图 A90.形密封图
A2. 2. 3 桶发的形状和尺寸应符合图 A10 或图 A11 的规定。4扎均布
K尚减都视图
辅一种缺均显孔
桶盏(I)
图A10
第二种轴构菌芦孔
林料,A3
孔均布
辆-种物细孔
A2:3外观质量规定
GB/T 15956—1995
K向降视密
图A11桶盘(I)
高二种结抑胡声孔
材料A3
A2.3.1封闭器圆整、衰面平整、光洁,不得有影响装配质量的裂纹、变形等缺陷。A2.3.2桶盖漆膜平整光滑,颜色均匀,无明显失光、变色、起皱等缺陷。A2.4装配质量规定
A2.4-1封闭器配套齐全,装配后表面平整,密封良好(直通安全装置通气托除外),项面不翘过桶身三重边的沿口。
A2.4.2封闭器必须保证互换性.
A2.4.3直通安全装量规格、数量、安装位置应正确,通气孔必须畅通无阻,A3试验方法
GB/T 15956-1995
A3.1基本尺寸检验;采用通用量具检测,符合本附录A2.1、A2.2要求为合格。A3.2外观质量检验;采用手感目测检查,符合A2.3 的要求为合格。A4检验规则
A4.1封闭器由制造厂质量监督部门按本附录A进行检验,合格后出具合格证。A42封闭器的外观质量应全数检验。A4.3在材料或制造工艺变更,或对封闭器质量有争议时,应进行组合气密性试验附加说明
本标准由中华人民共和国化学工业部提出。本标准由北京化工研究院技术归口。本标准由北京化工研究院、衡州化学工业公司建材厂、兰州制桶厂和包头第二化工厂负责起草。下花园电石厂制桶分厂、北京制桶厂参加起草本标准主要起草人胡玉芳、黄锁玉、朱凋川、余淑辉、芦振星
小提示:此标准内容仅展示完整标准里的部分截取内容,若需要完整标准请到上方自行免费下载完整标准文档。
标准图片预览:





- 其它标准
- 热门标准
- 国家标准(GB)
- GB/T2828.1-2012 计数抽样检验程序 第1部分:按接收质量限(AQL)检索的逐批检验抽样计划
- GB/T3836.1-2021 爆炸性环境 第1部分:设备 通用要求
- GB/T18204.4-2000 公共场所毛巾、床上卧具微生物检验方法细菌总数测定
- GB/T12949-1991 滑动轴承覆有减摩塑料层的双金属轴套
- GB/T23892.3-2009 滑动轴承 稳态条件下流体动压可倾瓦块止推轴承 第3部分:可倾瓦块止推轴承计算的许用值
- GB/T11839-1989 二氧化铀芯块中硼的测定 姜黄素萃取光度法
- GB/T6122.1-2002 圆角铣刀 第1部分:型式和尺寸
- GB/T7433-1987 对称电缆载波通信系统抗无线电广播和通信干扰的指标
- GB/T21238-2007 玻璃纤维增强塑料夹砂管
- GB50303-2015 建筑电气工程施工质量验收规范
- GB17945-2024 消防应急照明和疏散指示系统
- GB/T24974—2010 收费用手动栏杆
- GB/T9239-1988 刚性转子平衡品质 许用不平衡的确定
- GB/T15917.3-1995 金属镝及氧化镝化学分析方法 对氯苯基荧光酮--溴化十六烷基三甲基胺分光光度法测定钽量
- GB/T13985-1992 照相机操作力和强度
- 行业新闻
请牢记:“bzxz.net”即是“标准下载”四个汉字汉语拼音首字母与国际顶级域名“.net”的组合。 ©2025 标准下载网 www.bzxz.net 本站邮件:bzxznet@163.com
网站备案号:湘ICP备2025141790号-2
网站备案号:湘ICP备2025141790号-2