- 您的位置:
- 标准下载网 >>
- 标准分类 >>
- 国家标准(GB) >>
- GB/T 15638-1995 地图印刷光学密度量测规范
标准号:
GB/T 15638-1995
标准名称:
地图印刷光学密度量测规范
标准类别:
国家标准(GB)
英文名称:
Specification for optical densitometric measurements of printed maps标准状态:
已作废-
发布日期:
1995-07-24 -
实施日期:
1996-01-01 -
作废日期:
2008-12-01 出版语种:
简体中文下载格式:
.rar.pdf下载大小:
311.80 KB
替代情况:
被GB/T 14511-2008代替

点击下载
标准简介:
标准下载解压密码:www.bzxz.net
本标准规定了地图印刷过程中印刷原图、过渡性阴片/阳片、撕膜片、打样样图和地图印刷品的密度量测内容和作业程序。本标准适用于地形图、专题图和影像地图印刷品的质量检测。对非地图印刷品可参照执行。 GB/T 15638-1995 地图印刷光学密度量测规范 GB/T15638-1995
本标准规定了地图印刷过程中印刷原图、过渡性阴片/阳片、撕膜片、打样样图和地图印刷品的密度量测内容和作业程序。本标准适用于地形图、专题图和影像地图印刷品的质量检测。对非地图印刷品可参照执行。

部分标准内容:
中华人民共和国国家标准
地图印刷光学密度量测规范
Spccification for optical densitometricmeasurements of printed maps1主题内容与适用范围
GB/T 15638---1995
本标准规定了地图印刷过程中印刷原图、过渡性阴片/阳片、撕膜片、打样样图和地图印刷品的密度量测内容和作业程序。
本标准适用于地形图、专题图和影像地图印刷品的质量检测。对非地图印刷品可参照执行。2引用标准
GB2675地图纸
海图纸
GB 2676
GB14051地形图用色
GB14510影像地图印刷规范
QB320胶版印剃涂料纸
3总则
3.1地图印刷及其产品的密度量测是实现地图印刷实施标准化的重要内容:也是检查控制地图印刷品质量的有效手段。
3.2为保证地图的印刷质量,必须对印刷原图、过渡性阴片/阳片、撕膜片、打样样图和地图印刷品进行密度检测。
3.3阴片/阳片是指用照相、拷贝、撕膜或电子分色加网工艺获得的各种线划、符号、网点/网线及文字胶片。
3.4密度量测使用光学密度计和测控条完成。透明原图和阴片/阳片用透射密度计检测,友射原图、打样图和印刷图用反射密度计检测。3.5不同类型的光学密度计会提供不同的密度值。为了实施密度量测的规范化,应选用同厂家生产的同一类型的光学密度计。当光学密度计的光电特性在实地处的差别不大于0.3时,可用回归分析的数学方法建立不同光学密度评读数间的转换方程,以增强其通用性。见附录(。4对光学密度计的基本要求
4.1为了量测测控条,光学密度计的测孔直径不应大下4mm4.2透射密度的测量范围应为0.00~4.00,反射密度的测量范围应为0.00~2.50。4.3光学密度计的测量精度应小上土0.02.重复测量值误差小于士0.014.4网点面积光学覆盖度的测量范圈应为0~100%。4.5光学密度计应附有标黑白测试板和灰梯尺,以便对光学密度计进行定标国家技术监督局1995-07-24批准456
1996-01-01实施
GB/T 15638--1995
4.6高精度的光学密度计应有接地装置,以防漏电。4.7因光源照射和自然老化,应定期用标准色板校准彩色密度计的滤光片或更换。4.8透射密度计光源的使用不应超过:1000h,反射密度计光源的使用不应超过3000h。4.9为了消除因油下湿状态的不同而导致密度测量的差异,应选用附有偏振滤光器装置的反射密度计。
5光学密度计的作业环境
5.1光学密度计的安置应远离热源,环境温度在10°~~10C之间。5.2要保持光学密度计周围空气流通,相对湿度应控制在0~80%之间。5.3电源电压应符合光学密度计的使用要求,通常为220V士10%。5.4防正强光直接照射光学密度计,不得有任何腐蚀性气体、强电磁场十扰,以免降低量测精度。6密度量测前的准备工作
6.1将光学密度计安放在平整清洁的工作台上。6.2用蘸有清洁剂的软布擦拭光学密度计的外壳及光孔,使其保持清洁。6.3精心擦拭标准黑白测试板及灰梯尺。6.4注意电路的安全可靠,在确认电源电压与光学密度计的工作电压相吻合后,方可接通电源,7密度量测程序
7.1光学密度计的定标
为了保证密度量测的准确性,正式量测之前必须对光学密度计进行定标。7.1.1透射密度计的定标
a.接通电源、预热10 min;
b.分别将四个通道(红、绿、蓝、白)下的透射密度置零;c,定期用光学密度计的微调旋钮按灰梯尺的标定值对四个滤光片的透射密度进行检测,使实际读数值与灰梯尺的标定值吻合,允诈误差为士0.01;d。取下灰梯尺,精心存放,以备下次使用。7.1.2反射密度计的定标
接通电源,预热10min;
b.用软布擦拭标准黑白测试版;使用“臀岑”旋钮将红、绿、蓝、白四个滤光片的反射密度置零;c.
d.将标准黑测试板依次置于红、绿、蓝、白四个测试头下,通过微调旋钮使反射密度的谈数值与标准黑由测试板上的标定值吻合,允许误差为士0.01;e。取下标准黑白测试板,以备下次使用。7.2透射密度量测的作业程序
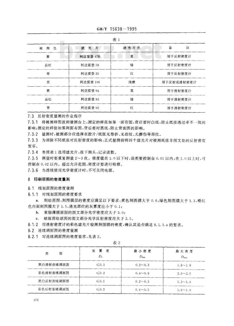
7.2.1为了消除透射片的灰雾度,量测前需将四个滤光片的量测头对准胶片的非图文处留冬7.2.2将晾干的黑白或彩色阴片/阳片置于光学密度计的量测台上。7.2.3根据色彩的补色原理,参照表1选择测试头,量测读数。4.37
被测色
3---1995
GB/T 15638
滤光片
柯达雷登47B
柯达雷登58
柯达雷登25
柯达雷登106
柯达雷登94
柯达雷登93
柯达雷登92
7.3反射密度量测的作业程序
滤光片色
用于反射密度计
用于反射密度计
用于反射密度计
用于反射或透射密度计
用于透射密度计
用于透射密度计
用于透射密度计
7.3.1将被测样图放到量测台上,测定的样张如果…面有图,背后要衬白纸,防止纸张透过率不-致的影响;测定的样张如果两面有图,背后要衬黑纸,防止背面图的影响。量测时,被测部分应选择在胶片/纸张无卷折、无指纹、无擦伤等部位。7.3.2
置零。
为消除不同纸张对反射密度的影响,正式量测前将四个滤光片对被测纸张非图文处的反射密度参照表1选用滤光片,按下测头,记录读数。7.3.4
7.3.5测量时要重复测量2~3次。密度值在1.0以下时,误差要控制在0.01以内,在1.0以上时,可控制在0.02以内。超出允许范围,密度计要进行检修。7.3.6当连续使用光学密度计时,不可关闭电源。印刷原图的密度量测
8.1线划原图的密度量测
8.1.1对线划原图的密度要求
刻绘原图,刻图膜层的密度应满足以下要求:黄色刻图膜大于0.6,绿色刻图膜大于1.3,橙红色白面刻图膜大于1.5,透光部位的灰雾度应小于0.1;b.
聚脂薄膜原图的图文部分光学密度应大于3.0;裱版清绘原图的图文部分光学反射密度应大于2.5。8.1.2用透射密度计的彩色滤光片检测刻图膜的密度,确认其是否满足8.1.1.a的要求。8.2连续调原图的密度量测
8.2.1对连续调原图的密度要求,见表2表2
黑白透射连续调原图
彩色透射连续调原图
黑白反射连续调原图
彩色反射连续调原图
灰雾度
最小密度
最大密度
1. 6~1. 9
2.0~2.5
1. 3~~1. 4
1. 6-~1. 9
GB/T15638—1995
8.2.2用透射密度计检测黑白或彩色透射连续调原图的灰雾度、最小密度、最大密度和密度反差,据此判定被测原图是否符合本规范表2的要求8.2.3用反射密度计检测黑白或彩色反射连续调原图的灰雾度.最小密度和最大密度,据此判定被测原图是否符合表2的要求
9阴片/阳片的密度测
9.1对线划阴片/阳片的质量要求a阴片线划透明光洁,无砂眼;
b.阴片/阳片的实地密度应大于3.0,灰雾度应小于0.1。9.2对半色调阴片/阳片的质量要求a.网点光洁实在;
b.阴片/阳片的实地密度应大于3.0,灰雾度应小于0.1;C.
网点比例准确,在测控条面积率50%区段,误差小于士2%。9.3用透射密度计检测线划阴片/阳片和网图调阴片/阳片的实地密度、灰雾度和网点比例,确认其是否符合本规范9.1和9.2的要求。10撕膜片的密度量测
10.1对负-正型撕膜片的质量要求a.膜层结合牢固,染色均勾,无砂眼,透明部分无灰雾;b.负-正型撕膜片的密度应大于2.5,灰雾度应小于0.1,10.2对正-正型撕膜片的质量要求a.颜色均勾,无砂眼,曝光显影后,图形再现完整,透明部分无灰雾;b.正-正型撕膜片的密度应大于2.5,灰雾度应小于0.1。10.3用透射密度计检测负-正型/正-正型撕膜片的密度、灰雾度,判定是否符合本规范10.1和10.2的要求。
11网点/网线胶片和符号胶片的密度量测11.1网点/网线胶片及符号胶片是制作地图普染色的重要工具,对地图的表观质量影响很大,使用之前,必须对其进行严格的密度量测。11.2对网点/网线胶片的质量要求a。网点/网线轮廓清晰;
b.网点/网线胶片的实地密度应大于4.0,灰雾度应小于0.05;c.网点比例准确,误差应小了土1%。11.3对符号胶片的质量要求
a.符号清晰,轮廊分明;
b.符号胶片的实地密度应天于4.0,灰雾度应小于(0.05。11.4用透射密度计量测网点/网线胶片和符号胶片的实地密度和灰雾度,判定是否符合11.2和11.3的要求。
11.5根据网点/网线胶片的密度可以计算其网点/网线比例,用以判定网点/网线比例是否均匀,见附录A。
12套网阳片的密度量测
12.1对套网阳片的质量要求
GB/T 15638
实地密度应大于3.0,灰雾度应小于0.1;1995
网点/网线清晰,比例准确,在测控条面积率50%区段,误差应小于士2%。b.
12.2用透射密度计量测套网阳片的最大密度,灰雾度和网点/网线比例,判定是否符合12.1的要求,13打样图的密度量测
13.1量测内容
印刷反差;
最佳实地密度;
网点增大值;
油粥叠印率。见附录B。
13.2对打样图的质量要求
打样图用纸应符合GB2675、GB2676、QB320等标准的技术规定;打样图用油墨应符合以下规定:(0°/45°几何形状,Ds5光源)刺
M.ODE*(ab)
5.ODF*(ab)
3. ODE (ab)
1*=<18. 0
印刷反差应控制在以下范围(在涂料纸上):黄0.35±0.02,品红0.40±0.02,青0.40七0.02,黑0.45±0.02;
四色标准印刷油墨的最佳实地密度应控制在以下范围:黄1.05士0.05,品红1.35上0.05,青1.45±0.05,黑1.60±0.05;
涂料纸上四色印刷油墨的网点增大值(在测控条面积率40%或50%部位)应不大于15%;e.
f.标准三原色(黄、品红,青)的叠印率应控制在100%土20%范围内。13.3对打样图的密度量测程序见本规范的7.3。14印刷图的密度量测
14.1对印刷图的质量要求见本规范的13.2。14.2印刷中,应随机抽样量测其实地及网点部分的密度值。14.3对地图印刷品的密度检测内容和方法与打样图相同。460
网点比例计算公式
式中:D—-透射密度;
透射率;
O—阻光率;
一网点比例。
A2计算举例
GB/T15638—1995
用网点胶片的密度解算网点比例(补充件)
A2.1设某网点胶片的D=0.4,求其网点比例。根据公式(A2)和(A3)得出:O- 100.4 2. 51 ;
60%。
2如果已知网点胶片的百分比,也可反求其透射密度。计算公式如下:A2.2
n= lgo
(A1))
(A2)
(A4)
·(A5)
假设已知某网点胶片的百分比α=60%,根据公式(A4)和(A5),得出:O2.5,D1g2.50.4。附录B
油墨叠印率
(补充件)
B1叠印率
为实施地图印刷的标准化,必须确定油的印刷色序。油墨叠印率反映先印在纸上的油粥对后印油紫的接受能力。
2油墨叠印率(T)计算公式
式中D.2—·问色的实地密度;
D)-—第-印色的实地密度;
D,——第二印色的实地密度。
GB/T 15638-1995
Di.2 + D,
量测D、D,和D.2时,均采用D.的补色滤光片。B3计算举例
×100%
设第一印色为青(C),第二印色为品红(M),根据色料的减色法混合原理,叠印出来的间色为蓝(B)。用绿滤光片测得的第一印色的实地密度(1))为0.14,第二印色的实地密度(Dm)为1.45,蓝色的实地密度(D)为1.49,则品红油墨的叠印率(7sm)=(D十D)一Dm×100%=112%。附录C
光学密度计读数间的回归分析与方程(参考件)
C1 回归参数的计算
研究实验证明:光电特性差异不大的光学密度计读数间存在良好的线性相关。根据回归分析理论如果n个变量组(X,,Y)(i1,2.)天体落在某一直线附近,则可以假定川归方程是一~条直线,用下武表示:
中:a
回归直线的截距;
回归系数。
对于平面上的任一直线,可计算出其预测值y,-α+b·α(=1,2,3.n)。直线回归的计算公式如下:
(r, -y) -bzxz.net
nr -(r,)
在回归分析中,相关系数的临界值(r)用下式计算:n.(α y,)-
Sx·Xy
V.(a)n.-(y)
·(C3 )
GB/T15638--1995
从(式中得知,≤1。当值接近1时,说明,和y相关良好;出值趋近零时,说明和租关很差。一和为永远具有相同的正号或负号。量测值具有一定的随机性,计算出来的值是一个统计量,必须对其可靠性进行统计假设检验。方法如下:
假设α,和y,不荐在线性相关,统计量t应服从自由度为(n2)的!分布。t =-
对于给定的a值,可从t分布临界值t表(见表C1)中查出其临界值ta,进而利用ra关」t的函数式求解r.值。
如果r,即假设成立,说明和不存在线性相关;若≥r,则说明和存在线性相关。为了确定r.值,见表C1的分布临界值ta表。表C1
自由度r
检验相关系数P一0的临界值,见表C2。自由度r
α :0. 05
f=n -2
回归方程的计算举例
GB/T 15638—1995
0.999 877
0.990.000
为了建立MacbethRD-511(作为比较标准)光学密度计与GretagD-142和Macbeth918光学密度计读数间的回归方程,用上述3种光学密度计分别量测27张品红色涂料纸样图,实测密度数据见表C3。
密度计
样片号
品红色:1
样片号
密度计M-514
GB/T15638
—1995
C2.2利用公式(C2)(C3)、(C4)及表C2对表C3中有关数据的回归i计算,可以求出(retag)-142和Macbeth 918光学密度计对应于MacbethRD-514的a、h、r及r。值,见表C4。表C4
实测数
光学密度计
MacbethRD-514
Gretag.D-142
Macbeth.918
作为标准
相关良好
相关良好
C2.3通过表C4中的数据可以看到≥r。,说明三种光学密度计的读数间存在线性相关,又由于[r|值趋近1,说明三种光学密度计的读数间存在良好的线性相关。C2.4利用表C4中的α、b值,可以写出MacbethRD-514光学密度计与GretagD142和Macbeth-918之间的回州方程:
M-514与G、D-142之问的回归方程是:y,—0.332+1.330x;M-514与M-918之间的回归方程是:3=—0.192+1.266r附加说明:
本标准由国家测绘局提出并归门。本标准内中国测绘科学研究院和国家测绘局测绘标准化研究所负责起草。本标准起草人张清浦、魏瑞芹、安真臻。165
小提示:此标准内容仅展示完整标准里的部分截取内容,若需要完整标准请到上方自行免费下载完整标准文档。
地图印刷光学密度量测规范
Spccification for optical densitometricmeasurements of printed maps1主题内容与适用范围
GB/T 15638---1995
本标准规定了地图印刷过程中印刷原图、过渡性阴片/阳片、撕膜片、打样样图和地图印刷品的密度量测内容和作业程序。
本标准适用于地形图、专题图和影像地图印刷品的质量检测。对非地图印刷品可参照执行。2引用标准
GB2675地图纸
海图纸
GB 2676
GB14051地形图用色
GB14510影像地图印刷规范
QB320胶版印剃涂料纸
3总则
3.1地图印刷及其产品的密度量测是实现地图印刷实施标准化的重要内容:也是检查控制地图印刷品质量的有效手段。
3.2为保证地图的印刷质量,必须对印刷原图、过渡性阴片/阳片、撕膜片、打样样图和地图印刷品进行密度检测。
3.3阴片/阳片是指用照相、拷贝、撕膜或电子分色加网工艺获得的各种线划、符号、网点/网线及文字胶片。
3.4密度量测使用光学密度计和测控条完成。透明原图和阴片/阳片用透射密度计检测,友射原图、打样图和印刷图用反射密度计检测。3.5不同类型的光学密度计会提供不同的密度值。为了实施密度量测的规范化,应选用同厂家生产的同一类型的光学密度计。当光学密度计的光电特性在实地处的差别不大于0.3时,可用回归分析的数学方法建立不同光学密度评读数间的转换方程,以增强其通用性。见附录(。4对光学密度计的基本要求
4.1为了量测测控条,光学密度计的测孔直径不应大下4mm4.2透射密度的测量范围应为0.00~4.00,反射密度的测量范围应为0.00~2.50。4.3光学密度计的测量精度应小上土0.02.重复测量值误差小于士0.014.4网点面积光学覆盖度的测量范圈应为0~100%。4.5光学密度计应附有标黑白测试板和灰梯尺,以便对光学密度计进行定标国家技术监督局1995-07-24批准456
1996-01-01实施
GB/T 15638--1995
4.6高精度的光学密度计应有接地装置,以防漏电。4.7因光源照射和自然老化,应定期用标准色板校准彩色密度计的滤光片或更换。4.8透射密度计光源的使用不应超过:1000h,反射密度计光源的使用不应超过3000h。4.9为了消除因油下湿状态的不同而导致密度测量的差异,应选用附有偏振滤光器装置的反射密度计。
5光学密度计的作业环境
5.1光学密度计的安置应远离热源,环境温度在10°~~10C之间。5.2要保持光学密度计周围空气流通,相对湿度应控制在0~80%之间。5.3电源电压应符合光学密度计的使用要求,通常为220V士10%。5.4防正强光直接照射光学密度计,不得有任何腐蚀性气体、强电磁场十扰,以免降低量测精度。6密度量测前的准备工作
6.1将光学密度计安放在平整清洁的工作台上。6.2用蘸有清洁剂的软布擦拭光学密度计的外壳及光孔,使其保持清洁。6.3精心擦拭标准黑白测试板及灰梯尺。6.4注意电路的安全可靠,在确认电源电压与光学密度计的工作电压相吻合后,方可接通电源,7密度量测程序
7.1光学密度计的定标
为了保证密度量测的准确性,正式量测之前必须对光学密度计进行定标。7.1.1透射密度计的定标
a.接通电源、预热10 min;
b.分别将四个通道(红、绿、蓝、白)下的透射密度置零;c,定期用光学密度计的微调旋钮按灰梯尺的标定值对四个滤光片的透射密度进行检测,使实际读数值与灰梯尺的标定值吻合,允诈误差为士0.01;d。取下灰梯尺,精心存放,以备下次使用。7.1.2反射密度计的定标
接通电源,预热10min;
b.用软布擦拭标准黑白测试版;使用“臀岑”旋钮将红、绿、蓝、白四个滤光片的反射密度置零;c.
d.将标准黑测试板依次置于红、绿、蓝、白四个测试头下,通过微调旋钮使反射密度的谈数值与标准黑由测试板上的标定值吻合,允许误差为士0.01;e。取下标准黑白测试板,以备下次使用。7.2透射密度量测的作业程序
7.2.1为了消除透射片的灰雾度,量测前需将四个滤光片的量测头对准胶片的非图文处留冬7.2.2将晾干的黑白或彩色阴片/阳片置于光学密度计的量测台上。7.2.3根据色彩的补色原理,参照表1选择测试头,量测读数。4.37
被测色
3---1995
GB/T 15638
滤光片
柯达雷登47B
柯达雷登58
柯达雷登25
柯达雷登106
柯达雷登94
柯达雷登93
柯达雷登92
7.3反射密度量测的作业程序
滤光片色
用于反射密度计
用于反射密度计
用于反射密度计
用于反射或透射密度计
用于透射密度计
用于透射密度计
用于透射密度计
7.3.1将被测样图放到量测台上,测定的样张如果…面有图,背后要衬白纸,防止纸张透过率不-致的影响;测定的样张如果两面有图,背后要衬黑纸,防止背面图的影响。量测时,被测部分应选择在胶片/纸张无卷折、无指纹、无擦伤等部位。7.3.2
置零。
为消除不同纸张对反射密度的影响,正式量测前将四个滤光片对被测纸张非图文处的反射密度参照表1选用滤光片,按下测头,记录读数。7.3.4
7.3.5测量时要重复测量2~3次。密度值在1.0以下时,误差要控制在0.01以内,在1.0以上时,可控制在0.02以内。超出允许范围,密度计要进行检修。7.3.6当连续使用光学密度计时,不可关闭电源。印刷原图的密度量测
8.1线划原图的密度量测
8.1.1对线划原图的密度要求
刻绘原图,刻图膜层的密度应满足以下要求:黄色刻图膜大于0.6,绿色刻图膜大于1.3,橙红色白面刻图膜大于1.5,透光部位的灰雾度应小于0.1;b.
聚脂薄膜原图的图文部分光学密度应大于3.0;裱版清绘原图的图文部分光学反射密度应大于2.5。8.1.2用透射密度计的彩色滤光片检测刻图膜的密度,确认其是否满足8.1.1.a的要求。8.2连续调原图的密度量测
8.2.1对连续调原图的密度要求,见表2表2
黑白透射连续调原图
彩色透射连续调原图
黑白反射连续调原图
彩色反射连续调原图
灰雾度
最小密度
最大密度
1. 6~1. 9
2.0~2.5
1. 3~~1. 4
1. 6-~1. 9
GB/T15638—1995
8.2.2用透射密度计检测黑白或彩色透射连续调原图的灰雾度、最小密度、最大密度和密度反差,据此判定被测原图是否符合本规范表2的要求8.2.3用反射密度计检测黑白或彩色反射连续调原图的灰雾度.最小密度和最大密度,据此判定被测原图是否符合表2的要求
9阴片/阳片的密度测
9.1对线划阴片/阳片的质量要求a阴片线划透明光洁,无砂眼;
b.阴片/阳片的实地密度应大于3.0,灰雾度应小于0.1。9.2对半色调阴片/阳片的质量要求a.网点光洁实在;
b.阴片/阳片的实地密度应大于3.0,灰雾度应小于0.1;C.
网点比例准确,在测控条面积率50%区段,误差小于士2%。9.3用透射密度计检测线划阴片/阳片和网图调阴片/阳片的实地密度、灰雾度和网点比例,确认其是否符合本规范9.1和9.2的要求。10撕膜片的密度量测
10.1对负-正型撕膜片的质量要求a.膜层结合牢固,染色均勾,无砂眼,透明部分无灰雾;b.负-正型撕膜片的密度应大于2.5,灰雾度应小于0.1,10.2对正-正型撕膜片的质量要求a.颜色均勾,无砂眼,曝光显影后,图形再现完整,透明部分无灰雾;b.正-正型撕膜片的密度应大于2.5,灰雾度应小于0.1。10.3用透射密度计检测负-正型/正-正型撕膜片的密度、灰雾度,判定是否符合本规范10.1和10.2的要求。
11网点/网线胶片和符号胶片的密度量测11.1网点/网线胶片及符号胶片是制作地图普染色的重要工具,对地图的表观质量影响很大,使用之前,必须对其进行严格的密度量测。11.2对网点/网线胶片的质量要求a。网点/网线轮廓清晰;
b.网点/网线胶片的实地密度应大于4.0,灰雾度应小于0.05;c.网点比例准确,误差应小了土1%。11.3对符号胶片的质量要求
a.符号清晰,轮廊分明;
b.符号胶片的实地密度应天于4.0,灰雾度应小于(0.05。11.4用透射密度计量测网点/网线胶片和符号胶片的实地密度和灰雾度,判定是否符合11.2和11.3的要求。
11.5根据网点/网线胶片的密度可以计算其网点/网线比例,用以判定网点/网线比例是否均匀,见附录A。
12套网阳片的密度量测
12.1对套网阳片的质量要求
GB/T 15638
实地密度应大于3.0,灰雾度应小于0.1;1995
网点/网线清晰,比例准确,在测控条面积率50%区段,误差应小于士2%。b.
12.2用透射密度计量测套网阳片的最大密度,灰雾度和网点/网线比例,判定是否符合12.1的要求,13打样图的密度量测
13.1量测内容
印刷反差;
最佳实地密度;
网点增大值;
油粥叠印率。见附录B。
13.2对打样图的质量要求
打样图用纸应符合GB2675、GB2676、QB320等标准的技术规定;打样图用油墨应符合以下规定:(0°/45°几何形状,Ds5光源)刺
M.ODE*(ab)
5.ODF*(ab)
3. ODE (ab)
1*=<18. 0
印刷反差应控制在以下范围(在涂料纸上):黄0.35±0.02,品红0.40±0.02,青0.40七0.02,黑0.45±0.02;
四色标准印刷油墨的最佳实地密度应控制在以下范围:黄1.05士0.05,品红1.35上0.05,青1.45±0.05,黑1.60±0.05;
涂料纸上四色印刷油墨的网点增大值(在测控条面积率40%或50%部位)应不大于15%;e.
f.标准三原色(黄、品红,青)的叠印率应控制在100%土20%范围内。13.3对打样图的密度量测程序见本规范的7.3。14印刷图的密度量测
14.1对印刷图的质量要求见本规范的13.2。14.2印刷中,应随机抽样量测其实地及网点部分的密度值。14.3对地图印刷品的密度检测内容和方法与打样图相同。460
网点比例计算公式
式中:D—-透射密度;
透射率;
O—阻光率;
一网点比例。
A2计算举例
GB/T15638—1995
用网点胶片的密度解算网点比例(补充件)
A2.1设某网点胶片的D=0.4,求其网点比例。根据公式(A2)和(A3)得出:O- 100.4 2. 51 ;
60%。
2如果已知网点胶片的百分比,也可反求其透射密度。计算公式如下:A2.2
n= lgo
(A1))
(A2)
(A4)
·(A5)
假设已知某网点胶片的百分比α=60%,根据公式(A4)和(A5),得出:O2.5,D1g2.50.4。附录B
油墨叠印率
(补充件)
B1叠印率
为实施地图印刷的标准化,必须确定油的印刷色序。油墨叠印率反映先印在纸上的油粥对后印油紫的接受能力。
2油墨叠印率(T)计算公式
式中D.2—·问色的实地密度;
D)-—第-印色的实地密度;
D,——第二印色的实地密度。
GB/T 15638-1995
Di.2 + D,
量测D、D,和D.2时,均采用D.的补色滤光片。B3计算举例
×100%
设第一印色为青(C),第二印色为品红(M),根据色料的减色法混合原理,叠印出来的间色为蓝(B)。用绿滤光片测得的第一印色的实地密度(1))为0.14,第二印色的实地密度(Dm)为1.45,蓝色的实地密度(D)为1.49,则品红油墨的叠印率(7sm)=(D十D)一Dm×100%=112%。附录C
光学密度计读数间的回归分析与方程(参考件)
C1 回归参数的计算
研究实验证明:光电特性差异不大的光学密度计读数间存在良好的线性相关。根据回归分析理论如果n个变量组(X,,Y)(i1,2.)天体落在某一直线附近,则可以假定川归方程是一~条直线,用下武表示:
中:a
回归直线的截距;
回归系数。
对于平面上的任一直线,可计算出其预测值y,-α+b·α(=1,2,3.n)。直线回归的计算公式如下:
(r, -y) -bzxz.net
nr -(r,)
在回归分析中,相关系数的临界值(r)用下式计算:n.(α y,)-
Sx·Xy
V.(a)n.-(y)
·(C3 )
GB/T15638--1995
从(式中得知,≤1。当值接近1时,说明,和y相关良好;出值趋近零时,说明和租关很差。一和为永远具有相同的正号或负号。量测值具有一定的随机性,计算出来的值是一个统计量,必须对其可靠性进行统计假设检验。方法如下:
假设α,和y,不荐在线性相关,统计量t应服从自由度为(n2)的!分布。t =-
对于给定的a值,可从t分布临界值t表(见表C1)中查出其临界值ta,进而利用ra关」t的函数式求解r.值。
如果r,即假设成立,说明和不存在线性相关;若≥r,则说明和存在线性相关。为了确定r.值,见表C1的分布临界值ta表。表C1
自由度r
检验相关系数P一0的临界值,见表C2。自由度r
α :0. 05
f=n -2
回归方程的计算举例
GB/T 15638—1995
0.999 877
0.990.000
为了建立MacbethRD-511(作为比较标准)光学密度计与GretagD-142和Macbeth918光学密度计读数间的回归方程,用上述3种光学密度计分别量测27张品红色涂料纸样图,实测密度数据见表C3。
密度计
样片号
品红色:1
样片号
密度计M-514
GB/T15638
—1995
C2.2利用公式(C2)(C3)、(C4)及表C2对表C3中有关数据的回归i计算,可以求出(retag)-142和Macbeth 918光学密度计对应于MacbethRD-514的a、h、r及r。值,见表C4。表C4
实测数
光学密度计
MacbethRD-514
Gretag.D-142
Macbeth.918
作为标准
相关良好
相关良好
C2.3通过表C4中的数据可以看到≥r。,说明三种光学密度计的读数间存在线性相关,又由于[r|值趋近1,说明三种光学密度计的读数间存在良好的线性相关。C2.4利用表C4中的α、b值,可以写出MacbethRD-514光学密度计与GretagD142和Macbeth-918之间的回州方程:
M-514与G、D-142之问的回归方程是:y,—0.332+1.330x;M-514与M-918之间的回归方程是:3=—0.192+1.266r附加说明:
本标准由国家测绘局提出并归门。本标准内中国测绘科学研究院和国家测绘局测绘标准化研究所负责起草。本标准起草人张清浦、魏瑞芹、安真臻。165
小提示:此标准内容仅展示完整标准里的部分截取内容,若需要完整标准请到上方自行免费下载完整标准文档。

标准图片预览:





- 其它标准
- 热门标准
- 国家标准(GB)
- GB/T9146-1988 商品紧固件的粗糙级精度普通螺纹极限尺寸
- GB/T34077.3-2021 基于云计算的电子政务公共平台管理规范第3部分:运行保障管理
- GB/T2828.1-2012 计数抽样检验程序 第1部分:按接收质量限(AQL)检索的逐批检验抽样计划
- GB/T10574.1-1989 锡铅焊料化学分析方法 碘酸钾滴定法测定锡量
- GB/T38972-2020 增材制造用硼化钛颗粒增强铝合金粉
- GB/T3289.26-1982 可锻铸铁管路连接件型式尺寸 内接头
- GB/T3289.25-1982 可锻铸铁管路连接件型式尺寸 偏心异径外接头
- GB/T21666-2008 尿吸收辅助器具 评价的一般指南
- GB/T11132-2008 液体石油产品烃类的测定 荧光指示剂吸附法
- GB/T33049-2016 偏光片用光学薄膜 涂层附着力的测定方法
- GB/T43772-2024 电子气体 二氧化碳
- GB/T14929.2-1994 花生仁、棉籽油、花生油中涕灭威残留量测定方法
- GB/T11982.2-1996 聚氯乙烯卷材地板 第2部分:有基材有背涂层聚氯乙烯卷材地板
- GB/T22807-2008 皮革和毛皮 化学试验 六价铬含量的测定
- GB50508-2010 涤纶工厂设计规范
- 行业新闻
请牢记:“bzxz.net”即是“标准下载”四个汉字汉语拼音首字母与国际顶级域名“.net”的组合。 ©2009 标准下载网 www.bzxz.net 本站邮件:bzxznet@163.com
网站备案号:湘ICP备2023016450号-1
网站备案号:湘ICP备2023016450号-1