- 您的位置:
- 标准下载网 >>
- 标准分类 >>
- 国家标准(GB) >>
- GB/T 18600-2009 天然板石
标准号:
GB/T 18600-2009
标准名称:
天然板石
标准类别:
国家标准(GB)
标准状态:
现行-
发布日期:
2009-03-25 出版语种:
简体中文下载格式:
.rar .pdf下载大小:
3.82 MB
替代情况:
替代GB/T 18600-2001采标情况:
NEQ ASTM C 629:2003等
首发日期:
2001-12-30起草人:
李永强、周俊兴起草单位:
中材人工晶体研究院(国家石材质量监督检验中心)、北京中材人工晶体有限公司归口单位:
全国石材标准化技术委员会(SAC/TC460)提出单位:
中国建筑材料联合会发布部门:
中华人民共和国国家质量监督检验检疫总局 中国国家标准化管理委员会主管部门:
中国建筑材料联合会相关标签:
天然
点击下载
标准简介:
标准下载解压密码:www.bzxz.net
本标准规定了天然板石的产品分类、技术要求、试验方法、检验规则、标志、包装、运输、贮存等。本标准适用于建筑装饰用的天然板石,包括饰面板石和瓦板。其他用途的天然板石也可参照使用。 GB/T 18600-2009 天然板石 GB/T18600-2009
部分标准内容:
ICS 91.100.30
中华人民共和国国家标准
GB/T18600—2009
代替GB/T18600—2001
天然板石
Natural slate
2009-03-28发布
中华人民共和国国家质量监督检验检疫总局中国国家标准化管理委员会
2010-01-01实施
GB/T18600—2009
本标准与美国ASTMC629-03《板石标准规范》、ASTMC406-05《瓦板标准规范》、ASTMC12005《板石弯曲强度试验方法(断裂模量、弹性模量)》、ASTMC121-90(1999)《板石吸水率试验方法》、ASTMC217-94《天然板石耐气候性试验方法》的一致性程度为非等效。本标准代替GB/T18600-2001《天然板石》。本标准与GB/T18600一2001相比主要变化如下:删除了原标准中的第3章定义;
修改了命名与标记(原标准4.4;本标准3.4);一细分了理化性能的技术要求(原标准5.5、5.6.1、5.6.2;本标准4.1.5);增加了耐磨性性能指标和要求(本标准4.1.5表7);-增加了附录E。
本标准的附录A、附录B、附录C、附录D是规范性附录,附录E是资料性附录。本标准由中国建筑材料联合会提出。本标准由全国石材标准化技术委员会(SAC/TC460)归口。本标准起草单位:中材人工晶体研究院(国家石材质量监督检验中心)、北京中材人工晶体有限公司。
本标准主要起草人:李永强、周俊兴。本标准于2001年首次发布。
标准分享网wwwbzfxwcom免费下载1范围
天然板石
GB/T18600—2009
本标准规定了天然板石的产品分类、技术要求、试验方法、检验规则、标志、包装、运输、贮存等。
本标准适用于建筑装饰用的天然板石,包括饰面板石和瓦板。其他用途的天然板石也可参照使用。
2规范性引用文件
下列文件中的条款通过本标准的引用而成为本标准的条款。凡是注日期的引用文件,其随后所有的修改单(不包括勘误的内容)或修订版均不适用于本标准,然而,鼓励根据本标准达成协议的各方研究是否可使用这些文件的最新版本。凡是不注日期的引用文件,其最新版本适用于本标准。GB/T191包装储运图示标志
GB/T17670天然石材统一编号
GB/T19766-2005天然大理石建筑板材3产品分类
3.1按用途分为:
a)饰面板(CS):用于地面和墙面等装饰用途的板石;按弯曲强度分为C1、C2、C3、C4类。b)瓦板(RS):用于房屋盖顶用途的板石;按吸水率分为R1、R2、R3类3.2按形状分为:
a)普形板(NS);
b)异形板(IS)。
3.3等级
按尺寸偏差、平整度公差、角度公差、外观质量、干湿稳定性分为一等品(A)、合格品(B)两个等级。
3.4命名与标记
3.4.1命名:采用GB/T17670规定的名称或编号。3.4.2标记顺序为:名称、类别、规格尺寸、等级、标准编号。3.4.3标记示例:
用编号为S1115北京霞云岭青色板石加工的300mm×300mmX15mm的Cl类一等品普形饰面板的示例如下:
标记:霞云岭青板石(S1115)CSCNS300X300X15AGB/T18600-20094技术要求
4.1普形板的技术要求
4.1.1规格尺寸允许偏差
4.1.1.1饰面板规格尺寸允许偏差见表1。1
GB/T18600—2009
长、宽度
≤300
厚度(定厚板\)
a定厚板是指合同中对厚度有规定要求的板材。4.1.1.2
瓦板规格尺寸允许偏差见表2。
长、宽度/mm
≤300mm
>300mm
单块板材厚度/mm
100块板材厚度变
化率/%,
厚度≤5mm
厚度>5mm
技术指标
单位为毫米
合格品
技术指标
同一块板材的厚度允许极差为:饰面板(定厚板)3mm;瓦板1.5mm。平整度允许极限公差见表3。
技术指标
长度≤300
长度>300
角度允许极限公差见表4。
饰面板
合格品
饰面板
长度≤300
长度>300
外观质量
技术指标
合格品
同批板材的色调应基本调和,花纹应基本一致。板材表面不允许有疏松碎屑物及风化孔洞。板材不允许有碳质夹杂物形成的线条。饰面板正面的外观缺陷应符合表5的规定。等品
合格品
单位为毫米
不超过长度的0.5%
单位为毫米
不超过长度的0.5%
标准分享网wwwbzfxwcom免费下载板
合格品
不超过长度的1.0%
缺陷名称
人工凿痕
台阶高度
规定内容
沿板材边长,长度≤5mm,宽度≤5mm长度≤2mm,宽度≤2mm不计),每块板允许个数(个)面积不超过15mmX×15mm(面积小于5mmX5mm的不计),每块板允许个数(个)
贯穿其厚度方向的裂纹
劈分板石时产生的明显加工痕迹装饰面上阶梯部分的最大高度bzxz.net
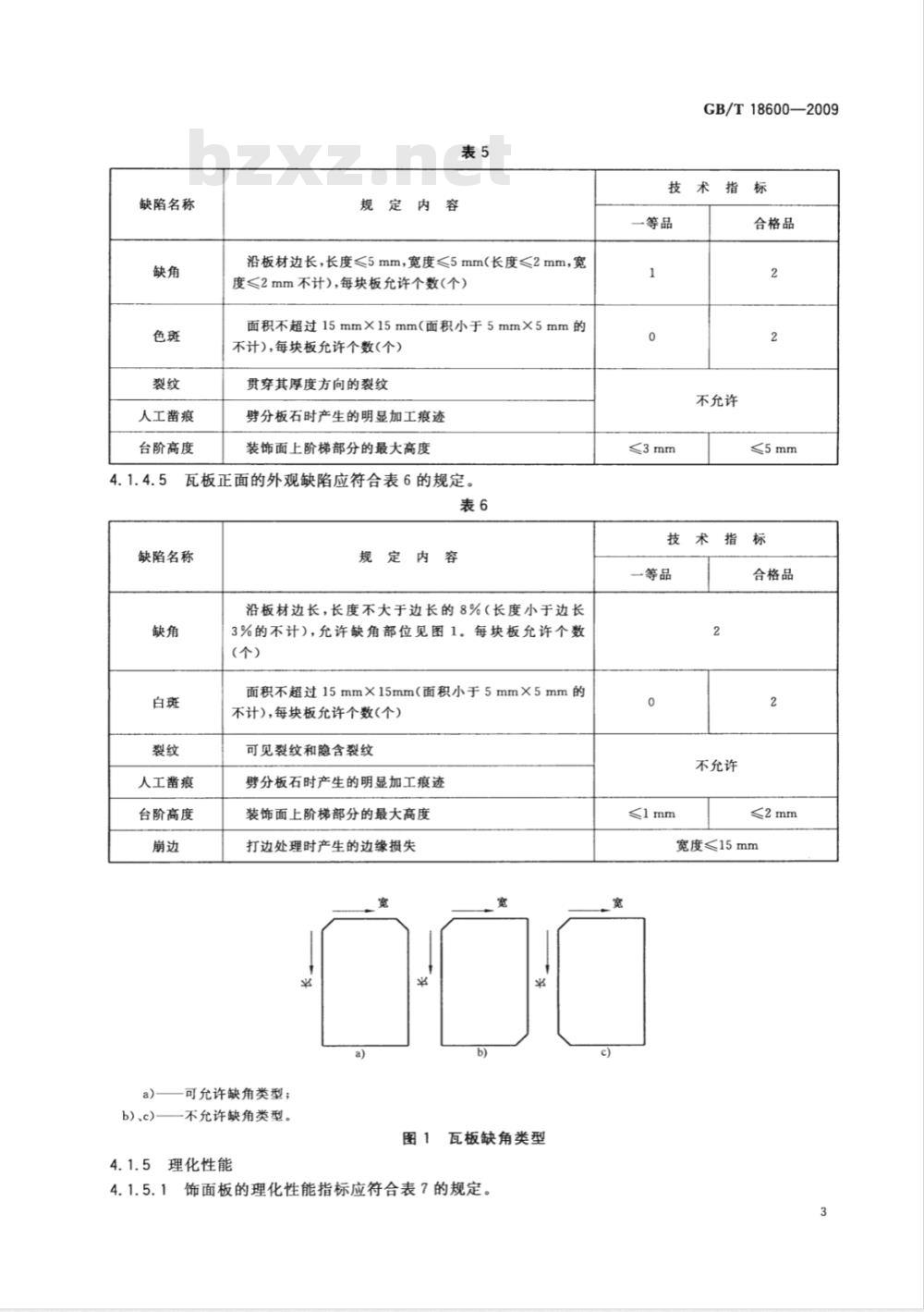
瓦板正面的外观缺陷应符合表6的规定。表6
缺陷名称
人工凿痕
台阶高度
b)、c)-
规定内容
沿板材边长,长度不大于边长的8%(长度小于边长3%的不计),允许缺角部位见图1。每块板允许个数(个)
面积不超过15mm×15mm(面积小于5mm×5mm的不计),每块板允许个数(个)
可见裂纹和隐含裂纹
劈分板石时产生的明显加工痕迹装饰面上阶梯部分的最大高度
打边处理时产生的边缘损失
可允许缺角类型;
一不允许缺角类型。
图1瓦板缺角类型
4.1.5理化性能
饰面板的理化性能指标应符合表7的规定。宽
GB/T18600—2009
技术指标
一等品
≤3mm
不允许
合格品
≤5mm
技术指标
一等品
≤1mm
不允许
合格品
≤2mm
宽度≤15mm
GB/T18600—2009
弯曲强度/MPa,≥
吸水率/%,≤
耐气候性软化深度/mm,≤
耐磨性*/(1/cm2),≥
a仅适用在地面、楼梯踏步、台面等易磨损部位表7
技术指标
瓦板的理化性能指标应符合表8的规定,干湿稳定性按表9中的规定划分等级。表8
吸水率/%,≤
破坏载荷/N,≥
耐气候性软化深度/mm,≤
含未氧化的黄铁矿结晶
含已氧化的
黄铁矿结晶
非贯穿型
外观可见
外观不可见
贯穿型
允许有
不允许有
允许有
不允许有
技术指标
技术指标
合格品
允许有
允许有
不允许在图2阴影部位出现
供需双方对理化性能指标有特殊要求的,按双方协议执行。4.1.5.3
图2贯穿型已氧化黄铁矿结晶部位4.2异形板的技术要求
4.2.1加工质量
饰面板和瓦板的规格尺寸允许偏差、平整度允许极限公差、角度允许极限公差、外观质量由供需双方协商确定。
标准分享网wwwbzfxwcom免费下载4.2.2
理化性能
GB/T18600—2009
4.2.2.1饰面板的理化性能指标应符合4.1.5.1的规定。供需双方对理化性能指标有特殊要求的,按双方协议执行。
4.2.2.2瓦板的理化性能指标应符合4.1.5.2的规定。供需双方对理化性能指标有特殊要求的,按双方协议执行。
5试验方法
5.1规格尺寸
5.1.1饰面板
用游标卡尺或能满足精度要求的量器具测量板材的长度、宽度、厚度。长度、宽度分别在板材的三个部位测量,见图3;厚度测量4条边的中点部位,见图4。分别用测量值与标称值的偏差最大值和最小值表示长度、宽度、厚度的尺寸偏差。测量值精确到0.1mm。单位为毫米
1,2,3—宽度测量线;
1',2',3'—长度测量线。
3板材规格尺寸测量位置
1,2,3,4—厚度测量线。
板材厚度测量位置
5.1.2瓦板
瓦板的长度、宽度测量方法同5.1.1的规定;单块瓦板的厚度在4条边的中点向板材中心延伸20mm处测量。从同一批瓦板中随机抽取200块板材,平均分为两组。将每组样品自然叠放后,用刻度值为1mm的钢卷尺分别测量100块板材的总厚度,分别记为h1、h2,测量值精确至1mm。100块板材5
GB/T18600—2009
的厚度变化率按式(1)计算:
式中:
|hih2|
min(h),h2)
Ar—---100块板材的厚度变化率,%;hi、h2——
每组样品的总厚度,单位为毫米(mm)×100
min(h1,h2)—-两组板材中总厚度的较小值,单位为毫米(mm)。5.2平整度
(1)
将直线度公差为0.1mm的钢平尺自然贴放在被检面的两条对角线上,用塞尺或游标卡尺测量尺面与板面的间隙。
以最大间隙的测量值表示板材的平整度公差。测量值精确到0.1mm。5.3角度
用内角垂直度公差为0.13mm,内角边长为500mm×400mm的90°钢角尺检测。将角尺的短边紧靠板材的短边,角尺长边贴靠板材的长边,用塞尺或游标卡尺测量板材长边与角尺长边之间的最大间隙。测量板材的四个角。
以最大间隙的测量值表示板材的角度公差。测量值精确至0.1mm。5.4外观质量
5.4.1花纹色调:将协议板与被检板材并列平放在地上,距板材1.5m处站立目测。5.4.2疏松碎屑物、风化孔洞、碳质夹杂物形成的线条:目测。5.4.3缺角和崩边:用游标卡尺测量缺陷的长度、宽度和高度,目测缺角个数。色斑、白斑:用游标卡尺测量色斑的尺寸,目测色斑个数。5.4.41
裂纹:可见裂纹采用目测法,隐含裂纹用金属锤轻敲,辨其声音,清脆无劈裂声为无裂纹。5.4.6人工凿痕:将板材平放在地上,距板材1m处目测。台阶:用游标卡尺测量台阶的高度,取测量的最大值作为台阶高度。5.4.71
5.5吸水率
按附录A的规定检验。
5弯曲强度和破坏载荷
按附录B的规定检验。
5.7耐气候性
按附录C的规定检验。
3耐磨性
按GB/T19766--2005中附录A的规定检验。5.9
瓦板干湿稳定性
按附录D的规定检验。
6检验规则
6.1出厂检验
6.1.1检验项目:规格尺寸偏差、平整度公差、角度公差、外观质量。6.1.2组批:同一规格、品种、等级的同一供货批的板材为一批;或按同一工程连续性安装部位的板材为一批。
6.1.3抽样:瓦板的厚度变化率进行一次随机抽样检验,其余检验项目按表10进行。6
标准分享网wwbzfxwcom免费下载批量范围
91~150
151~280
281~500
501~1200
1201~3200
≥3 201
样本数
合格判定数(Ac)
GB/T18600—2009
单位为块
不合格判定数(Re)
6.1.4判定:单块板材的所有检验结果均符合技术要求中相应等级时,则判定该块板材符合该等级。根据样本检验结果,若样本中发现的等级不合格数小于或等于合格判定数(Ac),则判定该批符合该等级;若样本中发现的等级不合格数大于或等于不合格判定数(Re),则判定该批不符合该等级。6.2型式检验
6.2.1检验项目:技术要求中的全部项目。6.2.2有下列情况之一时,进行型式检测:新建厂投产;
-荒料、生产工艺有重大改变;
正常生产时,每两年进行一次。6.2.3组批:同6.1.2。
6.2.4抽样:规格尺寸、平整度、角度、外观质量的抽样同出厂检验;其余项目的试验样品可从检验批中随机抽取双倍数量样品。
6.2.5判定:吸水率、弯曲强度、耐气候性、耐磨性、干湿稳定性的试验结果,均符合4.1.5的相应类别要求时,则判定该批板材以上物理性能符合该类别;若有两项及以上不符合4.1.5的相应类别要求时,则判定该批板材为不符合该类别;有一项不符合4.1.5的相应类别要求时,用备样对该项进行复检,复检结果符合4.1.5的相应类别要求时,则判定该批板材以上物理性能符合该类别,否则判定该批板材为不符合该类别。其他项目检验结果的判定同出厂检验。7标志、包装、运输与贮存
7.1标志
包装箱上应注明企业名称、商标、品名、规格、数量、序号等标记;须有“向上”和“小心轻放”的标志并符合GB/T191中规定。
7.2包装
7.2.1包装时按板材品种、规格、等级分别包装,并附产品合格证。7.2.2包装质量应符合产品在正常条件下安全装卸、运输的要求。7.3运输
运输板材过程中应防碰撞、滚摔。7.4购存
7.4.1板材应在室内贮存,室外贮存应加遮盖。7.4.2按板材品种、规格、等级或按工程部位分别码放。7
GB/T18600—2009
A.1范围
附录A
(规范性附录)
天然板石吸水率试验方法
本方法规定了天然板石吸水率的试验方法。A.2设备及量具
A.2.1干燥箱:温度可控制在60℃士2℃范围内。A.2.2天平:最大称量1000g,感量10mg。A.3试验方法
A.3.1试样
试样的边长为100mm,厚度为使用厚度。每次试验的样品数量为六块。A.3.2试验步骤
将样品用清水洗净擦干,放人60℃土2℃的恒温干燥箱中干燥48h至恒重,放入干燥器中冷却至室温。称量其重量(m1),读数精确到0.01g。将样品浸人20℃士5℃的清水中48h后,取出并用拧干的湿毛巾轻轻地擦干表面水分,立即称量其重量(m2),读数精确至0.01g。A.4结果计算
吸水率按式(A.1)计算:
m2二ml×100
式中:
样品的吸水率,%;
样品干燥时的重量,单位为克(g);m1
-样品水饱和时的重量,单位为克(g)。m2
以每组试样吸水率的算术平均值作为试样的吸水率。结果保留两位有效数字。A.5试验报告
试验报告应包含以下内容:
该组试样吸水率的平均值。
试样名称、品种及编号。
试样尺寸、数量。
试验条件。
标准分享网wwwbzfxwcom免费下载..(A.1)
B.1范围
附录B
(规范性附录)
天然板石弯曲强度试验方法
本方法规定了天然板石弯曲强度试验方法。B.2设备与量具
GB/T18600—2009
B.2.1试验机:测量精度为士1%的试验机,试样破坏载荷应在设备示值的20%~90%的范围内。B.2.2游标卡尺:精度为0.02mm。B.2.3干燥箱:温度可控制在60℃土2℃范围内。B.3试样
B.3.1饰面板试样:长度300mm士1mm、宽度40mm士0.5mm、厚度25mm士0.5mm。长度方向与层理平行的试样五块。
B.3.2瓦板试样:长度100mm、宽度100mm、厚度4.8mm~6.4mm。试样表面标出制取样品前瓦板的长度方向,并以此方向作为试样的长度方向,试样表面为自然劈分状态,每组样品六块。B.4试验步骤
B.4.1将试样置于干燥箱中,在60℃士2℃下干燥48h至恒重,放人干燥器中冷却至室温。B.4.2在饰面板试样上用铅笔和直尺画出试样的中心线作为加载线,并距中心线125mm处画两条与中心线平行的平行线作为跨距线;在瓦板试样上用铅笔和直尺画出与试样长度方向垂直的中心线作为加载线,并距中心线25mm处画出两条与中心线平行的直线作为跨距线(见图B.1)。Ja
一试样检测装置图;
饰面板平行纹理方向试样;
瓦板试样;
a——跨距线;
中心线;
支架;
加载压头;
一层理。
小提示:此标准内容仅展示完整标准里的部分截取内容,若需要完整标准请到上方自行免费下载完整标准文档。
中华人民共和国国家标准
GB/T18600—2009
代替GB/T18600—2001
天然板石
Natural slate
2009-03-28发布
中华人民共和国国家质量监督检验检疫总局中国国家标准化管理委员会
2010-01-01实施
GB/T18600—2009
本标准与美国ASTMC629-03《板石标准规范》、ASTMC406-05《瓦板标准规范》、ASTMC12005《板石弯曲强度试验方法(断裂模量、弹性模量)》、ASTMC121-90(1999)《板石吸水率试验方法》、ASTMC217-94《天然板石耐气候性试验方法》的一致性程度为非等效。本标准代替GB/T18600-2001《天然板石》。本标准与GB/T18600一2001相比主要变化如下:删除了原标准中的第3章定义;
修改了命名与标记(原标准4.4;本标准3.4);一细分了理化性能的技术要求(原标准5.5、5.6.1、5.6.2;本标准4.1.5);增加了耐磨性性能指标和要求(本标准4.1.5表7);-增加了附录E。
本标准的附录A、附录B、附录C、附录D是规范性附录,附录E是资料性附录。本标准由中国建筑材料联合会提出。本标准由全国石材标准化技术委员会(SAC/TC460)归口。本标准起草单位:中材人工晶体研究院(国家石材质量监督检验中心)、北京中材人工晶体有限公司。
本标准主要起草人:李永强、周俊兴。本标准于2001年首次发布。
标准分享网wwwbzfxwcom免费下载1范围
天然板石
GB/T18600—2009
本标准规定了天然板石的产品分类、技术要求、试验方法、检验规则、标志、包装、运输、贮存等。
本标准适用于建筑装饰用的天然板石,包括饰面板石和瓦板。其他用途的天然板石也可参照使用。
2规范性引用文件
下列文件中的条款通过本标准的引用而成为本标准的条款。凡是注日期的引用文件,其随后所有的修改单(不包括勘误的内容)或修订版均不适用于本标准,然而,鼓励根据本标准达成协议的各方研究是否可使用这些文件的最新版本。凡是不注日期的引用文件,其最新版本适用于本标准。GB/T191包装储运图示标志
GB/T17670天然石材统一编号
GB/T19766-2005天然大理石建筑板材3产品分类
3.1按用途分为:
a)饰面板(CS):用于地面和墙面等装饰用途的板石;按弯曲强度分为C1、C2、C3、C4类。b)瓦板(RS):用于房屋盖顶用途的板石;按吸水率分为R1、R2、R3类3.2按形状分为:
a)普形板(NS);
b)异形板(IS)。
3.3等级
按尺寸偏差、平整度公差、角度公差、外观质量、干湿稳定性分为一等品(A)、合格品(B)两个等级。
3.4命名与标记
3.4.1命名:采用GB/T17670规定的名称或编号。3.4.2标记顺序为:名称、类别、规格尺寸、等级、标准编号。3.4.3标记示例:
用编号为S1115北京霞云岭青色板石加工的300mm×300mmX15mm的Cl类一等品普形饰面板的示例如下:
标记:霞云岭青板石(S1115)CSCNS300X300X15AGB/T18600-20094技术要求
4.1普形板的技术要求
4.1.1规格尺寸允许偏差
4.1.1.1饰面板规格尺寸允许偏差见表1。1
GB/T18600—2009
长、宽度
≤300
厚度(定厚板\)
a定厚板是指合同中对厚度有规定要求的板材。4.1.1.2
瓦板规格尺寸允许偏差见表2。
长、宽度/mm
≤300mm
>300mm
单块板材厚度/mm
100块板材厚度变
化率/%,
厚度≤5mm
厚度>5mm
技术指标
单位为毫米
合格品
技术指标
同一块板材的厚度允许极差为:饰面板(定厚板)3mm;瓦板1.5mm。平整度允许极限公差见表3。
技术指标
长度≤300
长度>300
角度允许极限公差见表4。
饰面板
合格品
饰面板
长度≤300
长度>300
外观质量
技术指标
合格品
同批板材的色调应基本调和,花纹应基本一致。板材表面不允许有疏松碎屑物及风化孔洞。板材不允许有碳质夹杂物形成的线条。饰面板正面的外观缺陷应符合表5的规定。等品
合格品
单位为毫米
不超过长度的0.5%
单位为毫米
不超过长度的0.5%
标准分享网wwwbzfxwcom免费下载板
合格品
不超过长度的1.0%
缺陷名称
人工凿痕
台阶高度
规定内容
沿板材边长,长度≤5mm,宽度≤5mm长度≤2mm,宽度≤2mm不计),每块板允许个数(个)面积不超过15mmX×15mm(面积小于5mmX5mm的不计),每块板允许个数(个)
贯穿其厚度方向的裂纹
劈分板石时产生的明显加工痕迹装饰面上阶梯部分的最大高度bzxz.net
瓦板正面的外观缺陷应符合表6的规定。表6
缺陷名称
人工凿痕
台阶高度
b)、c)-
规定内容
沿板材边长,长度不大于边长的8%(长度小于边长3%的不计),允许缺角部位见图1。每块板允许个数(个)
面积不超过15mm×15mm(面积小于5mm×5mm的不计),每块板允许个数(个)
可见裂纹和隐含裂纹
劈分板石时产生的明显加工痕迹装饰面上阶梯部分的最大高度
打边处理时产生的边缘损失
可允许缺角类型;
一不允许缺角类型。
图1瓦板缺角类型
4.1.5理化性能
饰面板的理化性能指标应符合表7的规定。宽
GB/T18600—2009
技术指标
一等品
≤3mm
不允许
合格品
≤5mm
技术指标
一等品
≤1mm
不允许
合格品
≤2mm
宽度≤15mm
GB/T18600—2009
弯曲强度/MPa,≥
吸水率/%,≤
耐气候性软化深度/mm,≤
耐磨性*/(1/cm2),≥
a仅适用在地面、楼梯踏步、台面等易磨损部位表7
技术指标
瓦板的理化性能指标应符合表8的规定,干湿稳定性按表9中的规定划分等级。表8
吸水率/%,≤
破坏载荷/N,≥
耐气候性软化深度/mm,≤
含未氧化的黄铁矿结晶
含已氧化的
黄铁矿结晶
非贯穿型
外观可见
外观不可见
贯穿型
允许有
不允许有
允许有
不允许有
技术指标
技术指标
合格品
允许有
允许有
不允许在图2阴影部位出现
供需双方对理化性能指标有特殊要求的,按双方协议执行。4.1.5.3
图2贯穿型已氧化黄铁矿结晶部位4.2异形板的技术要求
4.2.1加工质量
饰面板和瓦板的规格尺寸允许偏差、平整度允许极限公差、角度允许极限公差、外观质量由供需双方协商确定。
标准分享网wwwbzfxwcom免费下载4.2.2
理化性能
GB/T18600—2009
4.2.2.1饰面板的理化性能指标应符合4.1.5.1的规定。供需双方对理化性能指标有特殊要求的,按双方协议执行。
4.2.2.2瓦板的理化性能指标应符合4.1.5.2的规定。供需双方对理化性能指标有特殊要求的,按双方协议执行。
5试验方法
5.1规格尺寸
5.1.1饰面板
用游标卡尺或能满足精度要求的量器具测量板材的长度、宽度、厚度。长度、宽度分别在板材的三个部位测量,见图3;厚度测量4条边的中点部位,见图4。分别用测量值与标称值的偏差最大值和最小值表示长度、宽度、厚度的尺寸偏差。测量值精确到0.1mm。单位为毫米
1,2,3—宽度测量线;
1',2',3'—长度测量线。
3板材规格尺寸测量位置
1,2,3,4—厚度测量线。
板材厚度测量位置
5.1.2瓦板
瓦板的长度、宽度测量方法同5.1.1的规定;单块瓦板的厚度在4条边的中点向板材中心延伸20mm处测量。从同一批瓦板中随机抽取200块板材,平均分为两组。将每组样品自然叠放后,用刻度值为1mm的钢卷尺分别测量100块板材的总厚度,分别记为h1、h2,测量值精确至1mm。100块板材5
GB/T18600—2009
的厚度变化率按式(1)计算:
式中:
|hih2|
min(h),h2)
Ar—---100块板材的厚度变化率,%;hi、h2——
每组样品的总厚度,单位为毫米(mm)×100
min(h1,h2)—-两组板材中总厚度的较小值,单位为毫米(mm)。5.2平整度
(1)
将直线度公差为0.1mm的钢平尺自然贴放在被检面的两条对角线上,用塞尺或游标卡尺测量尺面与板面的间隙。
以最大间隙的测量值表示板材的平整度公差。测量值精确到0.1mm。5.3角度
用内角垂直度公差为0.13mm,内角边长为500mm×400mm的90°钢角尺检测。将角尺的短边紧靠板材的短边,角尺长边贴靠板材的长边,用塞尺或游标卡尺测量板材长边与角尺长边之间的最大间隙。测量板材的四个角。
以最大间隙的测量值表示板材的角度公差。测量值精确至0.1mm。5.4外观质量
5.4.1花纹色调:将协议板与被检板材并列平放在地上,距板材1.5m处站立目测。5.4.2疏松碎屑物、风化孔洞、碳质夹杂物形成的线条:目测。5.4.3缺角和崩边:用游标卡尺测量缺陷的长度、宽度和高度,目测缺角个数。色斑、白斑:用游标卡尺测量色斑的尺寸,目测色斑个数。5.4.41
裂纹:可见裂纹采用目测法,隐含裂纹用金属锤轻敲,辨其声音,清脆无劈裂声为无裂纹。5.4.6人工凿痕:将板材平放在地上,距板材1m处目测。台阶:用游标卡尺测量台阶的高度,取测量的最大值作为台阶高度。5.4.71
5.5吸水率
按附录A的规定检验。
5弯曲强度和破坏载荷
按附录B的规定检验。
5.7耐气候性
按附录C的规定检验。
3耐磨性
按GB/T19766--2005中附录A的规定检验。5.9
瓦板干湿稳定性
按附录D的规定检验。
6检验规则
6.1出厂检验
6.1.1检验项目:规格尺寸偏差、平整度公差、角度公差、外观质量。6.1.2组批:同一规格、品种、等级的同一供货批的板材为一批;或按同一工程连续性安装部位的板材为一批。
6.1.3抽样:瓦板的厚度变化率进行一次随机抽样检验,其余检验项目按表10进行。6
标准分享网wwbzfxwcom免费下载批量范围
91~150
151~280
281~500
501~1200
1201~3200
≥3 201
样本数
合格判定数(Ac)
GB/T18600—2009
单位为块
不合格判定数(Re)
6.1.4判定:单块板材的所有检验结果均符合技术要求中相应等级时,则判定该块板材符合该等级。根据样本检验结果,若样本中发现的等级不合格数小于或等于合格判定数(Ac),则判定该批符合该等级;若样本中发现的等级不合格数大于或等于不合格判定数(Re),则判定该批不符合该等级。6.2型式检验
6.2.1检验项目:技术要求中的全部项目。6.2.2有下列情况之一时,进行型式检测:新建厂投产;
-荒料、生产工艺有重大改变;
正常生产时,每两年进行一次。6.2.3组批:同6.1.2。
6.2.4抽样:规格尺寸、平整度、角度、外观质量的抽样同出厂检验;其余项目的试验样品可从检验批中随机抽取双倍数量样品。
6.2.5判定:吸水率、弯曲强度、耐气候性、耐磨性、干湿稳定性的试验结果,均符合4.1.5的相应类别要求时,则判定该批板材以上物理性能符合该类别;若有两项及以上不符合4.1.5的相应类别要求时,则判定该批板材为不符合该类别;有一项不符合4.1.5的相应类别要求时,用备样对该项进行复检,复检结果符合4.1.5的相应类别要求时,则判定该批板材以上物理性能符合该类别,否则判定该批板材为不符合该类别。其他项目检验结果的判定同出厂检验。7标志、包装、运输与贮存
7.1标志
包装箱上应注明企业名称、商标、品名、规格、数量、序号等标记;须有“向上”和“小心轻放”的标志并符合GB/T191中规定。
7.2包装
7.2.1包装时按板材品种、规格、等级分别包装,并附产品合格证。7.2.2包装质量应符合产品在正常条件下安全装卸、运输的要求。7.3运输
运输板材过程中应防碰撞、滚摔。7.4购存
7.4.1板材应在室内贮存,室外贮存应加遮盖。7.4.2按板材品种、规格、等级或按工程部位分别码放。7
GB/T18600—2009
A.1范围
附录A
(规范性附录)
天然板石吸水率试验方法
本方法规定了天然板石吸水率的试验方法。A.2设备及量具
A.2.1干燥箱:温度可控制在60℃士2℃范围内。A.2.2天平:最大称量1000g,感量10mg。A.3试验方法
A.3.1试样
试样的边长为100mm,厚度为使用厚度。每次试验的样品数量为六块。A.3.2试验步骤
将样品用清水洗净擦干,放人60℃土2℃的恒温干燥箱中干燥48h至恒重,放入干燥器中冷却至室温。称量其重量(m1),读数精确到0.01g。将样品浸人20℃士5℃的清水中48h后,取出并用拧干的湿毛巾轻轻地擦干表面水分,立即称量其重量(m2),读数精确至0.01g。A.4结果计算
吸水率按式(A.1)计算:
m2二ml×100
式中:
样品的吸水率,%;
样品干燥时的重量,单位为克(g);m1
-样品水饱和时的重量,单位为克(g)。m2
以每组试样吸水率的算术平均值作为试样的吸水率。结果保留两位有效数字。A.5试验报告
试验报告应包含以下内容:
该组试样吸水率的平均值。
试样名称、品种及编号。
试样尺寸、数量。
试验条件。
标准分享网wwwbzfxwcom免费下载..(A.1)
B.1范围
附录B
(规范性附录)
天然板石弯曲强度试验方法
本方法规定了天然板石弯曲强度试验方法。B.2设备与量具
GB/T18600—2009
B.2.1试验机:测量精度为士1%的试验机,试样破坏载荷应在设备示值的20%~90%的范围内。B.2.2游标卡尺:精度为0.02mm。B.2.3干燥箱:温度可控制在60℃土2℃范围内。B.3试样
B.3.1饰面板试样:长度300mm士1mm、宽度40mm士0.5mm、厚度25mm士0.5mm。长度方向与层理平行的试样五块。
B.3.2瓦板试样:长度100mm、宽度100mm、厚度4.8mm~6.4mm。试样表面标出制取样品前瓦板的长度方向,并以此方向作为试样的长度方向,试样表面为自然劈分状态,每组样品六块。B.4试验步骤
B.4.1将试样置于干燥箱中,在60℃士2℃下干燥48h至恒重,放人干燥器中冷却至室温。B.4.2在饰面板试样上用铅笔和直尺画出试样的中心线作为加载线,并距中心线125mm处画两条与中心线平行的平行线作为跨距线;在瓦板试样上用铅笔和直尺画出与试样长度方向垂直的中心线作为加载线,并距中心线25mm处画出两条与中心线平行的直线作为跨距线(见图B.1)。Ja
一试样检测装置图;
饰面板平行纹理方向试样;
瓦板试样;
a——跨距线;
中心线;
支架;
加载压头;
一层理。
小提示:此标准内容仅展示完整标准里的部分截取内容,若需要完整标准请到上方自行免费下载完整标准文档。
标准图片预览:





- 其它标准
- 热门标准
- 国家标准(GB)
- GB/T2828.1-2012 计数抽样检验程序 第1部分:按接收质量限(AQL)检索的逐批检验抽样计划
- GB/T18204.4-2000 公共场所毛巾、床上卧具微生物检验方法细菌总数测定
- GB/T23892.3-2009 滑动轴承 稳态条件下流体动压可倾瓦块止推轴承 第3部分:可倾瓦块止推轴承计算的许用值
- GB/T11839-1989 二氧化铀芯块中硼的测定 姜黄素萃取光度法
- GB/T6122.1-2002 圆角铣刀 第1部分:型式和尺寸
- GB/T7433-1987 对称电缆载波通信系统抗无线电广播和通信干扰的指标
- GB/T21238-2007 玻璃纤维增强塑料夹砂管
- GB/T28809-2012 轨道交通 通信、信号和处理系统 信号用安全相关电子系统
- GB/T9124.1-2019 钢制管法兰 第1部分:PN 系列
- GB17945-2024 消防应急照明和疏散指示系统
- GB/T24974—2010 收费用手动栏杆
- GB/T9239-1988 刚性转子平衡品质 许用不平衡的确定
- GB/T15917.3-1995 金属镝及氧化镝化学分析方法 对氯苯基荧光酮--溴化十六烷基三甲基胺分光光度法测定钽量
- GB/T13985-1992 照相机操作力和强度
- GB/T6397-1986 金属拉伸试验试样
- 行业新闻
请牢记:“bzxz.net”即是“标准下载”四个汉字汉语拼音首字母与国际顶级域名“.net”的组合。 ©2025 标准下载网 www.bzxz.net 本站邮件:bzxznet@163.com
网站备案号:湘ICP备2025141790号-2
网站备案号:湘ICP备2025141790号-2