- 您的位置:
- 标准下载网 >>
- 标准分类 >>
- 国家标准(GB) >>
- GB 17498.4-2008 固定式健身器材 第4部分:力量型训练长凳 附加的特殊安全要求和试验方法
【国家标准(GB)】 固定式健身器材 第4部分:力量型训练长凳 附加的特殊安全要求和试验方法
本网站 发布时间:
2024-09-24 06:37:30
- GB17498.4-2008
- 现行
- 点击下载此标准
标准号:
GB 17498.4-2008
标准名称:
固定式健身器材 第4部分:力量型训练长凳 附加的特殊安全要求和试验方法
标准类别:
国家标准(GB)
标准状态:
现行-
发布日期:
2008-12-30 出版语种:
简体中文下载格式:
.rar.pdf下载大小:
3.56 MB
标准ICS号:
家用和商用设备、文娱、体育>>运动设备和设施>>97.220.30室内运动设备中标分类号:
轻工、文化与生活用品>>文教、体育、娱乐用品>>Y55体育设施及器械
点击下载
标准简介:
标准下载解压密码:www.bzxz.net
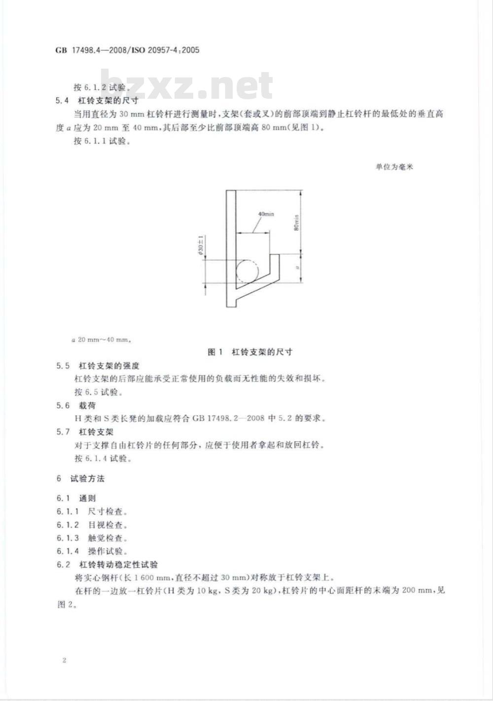
GB 17498的本部分规定了除GB 17498.1通用安全要求之外,专门针对力量型训练长凳和使用时用于训练的自立式杠铃支架的附加的特殊安全要求,本部分应与GB 17498.1结合使用。本部分适用于固定式健身器材中的S类和H类长凳 GB 17498.4-2008 固定式健身器材 第4部分:力量型训练长凳 附加的特殊安全要求和试验方法 GB17498.4-2008
标准图片预览:





- 热门标准
- 国家标准(GB)
- GB/T2828.1-2012 计数抽样检验程序 第1部分:按接收质量限(AQL)检索的逐批检验抽样计划
- GB/T228.1-2021 金属材料 拉伸试验 第1部分:室温试验方法
- GB50367-2013 混凝土结构加固设计规范
- GB/T18204.4-2000 公共场所毛巾、床上卧具微生物检验方法细菌总数测定
- GB/T12053-1989 光学识别用字母数字字符集 第一部分:OCR-A字符集印刷图象的形状和尺寸
- GB/T23892.3-2009 滑动轴承 稳态条件下流体动压可倾瓦块止推轴承 第3部分:可倾瓦块止推轴承计算的许用值
- GB/T9145-2003 普通螺纹 中等精度、优选系列的极限尺寸
- GB/T11839-1989 二氧化铀芯块中硼的测定 姜黄素萃取光度法
- GB50209-2002 建筑地面工程施工质量验收规范
- GB/T6122.1-2002 圆角铣刀 第1部分:型式和尺寸
- GB/T7433-1987 对称电缆载波通信系统抗无线电广播和通信干扰的指标
- GB5725-2009 安全网
- GB13851-2022 内河交通安全标志
- GB/T9239-1988 刚性转子平衡品质 许用不平衡的确定
- GB/T15917.3-1995 金属镝及氧化镝化学分析方法 对氯苯基荧光酮--溴化十六烷基三甲基胺分光光度法测定钽量
- 行业新闻
请牢记:“bzxz.net”即是“标准下载”四个汉字汉语拼音首字母与国际顶级域名“.net”的组合。 ©2025 标准下载网 www.bzxz.net 本站邮件:bzxznet@163.com
网站备案号:湘ICP备2025141790号-2
网站备案号:湘ICP备2025141790号-2