【国家标准(GB)】 牛奶和奶粉中噻苯达唑、阿苯达唑、芬苯达唑、奥芬达唑、苯硫氨酯残留量的测定 液相色谱-串联质谱法
本网站 发布时间:
2024-06-22 23:16:51
- GB/T22972-2008
- 现行
- 点击下载此标准
标准号:
GB/T 22972-2008
标准名称:
牛奶和奶粉中噻苯达唑、阿苯达唑、芬苯达唑、奥芬达唑、苯硫氨酯残留量的测定 液相色谱-串联质谱法
标准类别:
国家标准(GB)
标准状态:
现行-
发布日期:
2008-12-31 -
实施日期:
2009-05-01 出版语种:
简体中文下载格式:
.rar.pdf下载大小:
467.25 KB
标准ICS号:
食品技术>>67.050食品试验和分析的一般方法中标分类号:
食品>>食品综合>>X04基础标准与通用方法
点击下载
标准简介:
标准下载解压密码:www.bzxz.net
本标准规定了牛奶和奶粉中噻苯达唑、阿苯达唑、芬苯达唑、奥芬达唑和苯硫氨酯残留量的液相色谱-串联质谱测定方法。本标准适用于牛奶和奶粉中噻苯达唑、阿苯达唑、芬苯达唑、奥芬达唑和苯硫氨酯残留量的测定。 GB/T 22972-2008 牛奶和奶粉中噻苯达唑、阿苯达唑、芬苯达唑、奥芬达唑、苯硫氨酯残留量的测定 液相色谱-串联质谱法 GB/T22972-2008
部分标准内容:
ICS67.050
中华人民共和国国家标准
GB/T22972—2008
牛奶和奶粉中噻苯达唑、阿苯达唑、芬苯达唑、奥芬达唑、苯硫氨酯液相色谱-串联质谱法
残留量的测定
Determinationofthiabendazole,albendazole,fenbendazole,oxfendazoleandfebantelresiduesinmilkandmilkpowderHPLC-MS-MSmethod
2008-12-31发布
中华人民共和国国家质量监督检验检疫总局中国国家标准化管理委员会
2009-05-01实施
本标准的附录A、附录B为资料性附录前言
本标准由中华人民共和国国家质量监督检验检疫总局提出并归口。GB/T22972-2008
本标准起草单位:中华人民共和国秦皇岛出人境检验检疫局、中华人民共和国沈阳出人境检验检疫局。
本标准主要起草人:赵颖、刘宁、金雁、孟祥勇、姚家彪、庞国芳。I
1范围
牛奶和奶粉中噻苯达唑、阿苯达唑芬苯达唑、奥芬达唑、苯硫氨酯残留量的测定液相色谱-串联质谱法GB/T22972—2008
本标准规定了牛奶和奶粉中噻苯达唑、阿苯达唑、芬苯达唑、奥芬达唑和苯硫氨酯残留量的液相色谱-串联质谱测定方法。
本标准适用于牛奶和奶粉中噻苯达唑、阿苯达唑、芬苯达唑、奥芬达唑和苯硫氨酯残留量的测定。本标准的方法检出限:牛奶中噻苯达唑、阿苯达唑、芬苯达唑、奥芬达唑和苯硫氨酯的检出限为0.01mg/kg;奶粉中噻苯达唑、阿苯达唑、芬苯达唑、奥芬达唑和苯硫氨酯的检出限为0.08mg/kg。2规范性引用文件
下列文件中的条款通过本标准的引用而成为本标准的条款。凡是注日期的引用文件,其随后所有的修改单(不包括勘误的内容)或修订版均不适用于本标准,然而,鼓励根据本标准达成协议的各方研究是否可使用这些文件的最新版本。凡是不注日期的引用文件,其最新版本适用于本标准。GB/T6379.1测量方法与结果的准确度(正确度与精密度)第1部分:总则与定义(GB/T6379.12004,ISO5725-1:1994,IDT)GB/T6379.2测量方法与结果的准确度(正确度与精密度)第2部分:确定标准测量方法重复性与再现性的基本方法(GB/T6379.2-2004,ISO5725-2:1994,IDT)GB/T6682分析实验室用水规格和试验方法(GB/T6682--2008,ISO3696:1987,MOD)3原理
样品经乙提取,C1s固相萃取柱净化,液相色谱-串联质谱仪测定,外标法定量。4试剂和材料
除另有说明外,所用试剂均为分析纯。4.1水:GB/T6682,一级。
4.2乙腈:色谱纯。
4.3甲醇:色谱纯。
4.4正丙醇。
4.5碳酸氢钠(NaHCO,)。
4.6碳酸钠(NazCO)。
4.7碳酸氢钠溶液:0.1mol/L。称取8.4g碳酸氢钠(4.5),用水溶解,定容至1000mL。4.8碳酸钠溶液:0.1mol/L。称取1.06g碳酸钠(4.6),用水溶解,定容至100mL。4.9碳酸盐缓冲溶液(pH值为9.1):将0.1mol/L碳酸氢钠溶液(4.7)900mL与0.1mol/L碳酸钠溶液(4.8)100mL混合。
4.10标准物质:噻苯达唑(thiabendazoleCAS:148-79-8)、阿苯达唑(albendazoleCAS:54965-21-8)、芬苯达唑(fenbendazoleCAS:43210-67-9)、奥芬达唑(oxfendazoleCAS:53716-50-0)和苯硫氨酯(febante)CAS:58306-30-2)的纯度均≥99%。GB/T22972—2008
4.11标准储备溶液:1.0mg/mL。准确称取适量的五种苯并咪唑类药物标准物质(4.10),分别用甲醇(4.3)配制成浓度为1.0mg/mL的标准储备液。保存于0℃~4℃冰箱中。4.12混合标准储备溶液:100μg/mL。吸取适量五种苯并咪唑类药物标准储备溶液(4.11),用甲醇稀释成100μg/mL的混合标准溶液,于0℃~4℃冰箱保存。4.13基质混合标准工作溶液:根据每种标的灵敏度和仪器线性范围,吸取一一定量的混合标准储备浴液(4.12),用空白样品提取液配成系列浓度的基质混合标准工作溶液,当天配制。4.14Cls固相萃取柱:500mg,6mL。使用前依次用5mL甲醇、5mL水和2mL碳酸盐缓冲液(4.9)预处理,同时保持柱体湿润。
4.15滤膜:0.2μm。
5仪器
5.1液相色谱-串联四极杆质谱仪,配有电喷雾离子源。5.2分析天平:感量0.01g和0.1mg。5.3固相萃取装置。
5.4旋转蒸发仪。
5.5离心机:转速4000r/min以上。5.6涡旋混匀器。
5.7超声波清洗器。
6试样制备与保存
6.1试样制备
取代表性样品约500g,混匀,装入洁净容器,密封,标明标记。在抽样及制样的操作过程中,应防止样品受到污染或发生残留物含量的变化6.2试样保存
将试样于0℃~4℃保存。
7测定步骤
7.1提取
7.1.1牛奶样品
称取10g牛奶试样,精确至0.01g,置于100mL具塞离心管中。加入30mL乙睛,涡旋混匀3min,超声30min,以4000r/min离心5min,取上清液加人10mL正丙醇(4.4),于40℃水浴旋转蒸发除去有机溶剂,用碳酸盐缓冲溶液(4.9)定容至10mL。7.1.2奶粉样品
称取12.5g奶粉试样于烧杯中,加适量35℃~45℃水将其充分溶解,待冷却至室温后,加水至100g,混匀,准确称取10g试样,精确至0.01g,置于100mL具塞离心管中,按7.1.1步骤进行处理。7.2净化
移取5mL提取液,注人预处理过的Cia固相萃取柱(4.14),调节流速为1.0mL/min,用5mL水淋洗,弃去全部流出液后抽干。用6mL乙(4.2)洗脱被测物,流速1.0mL/min,40℃水浴氮气吹于,再用甲醇溶液(1十4)溶解并定容至1.0mL,过0.2μm滤膜(4.15),供液相色谱-串联质谱测定。7.3测定
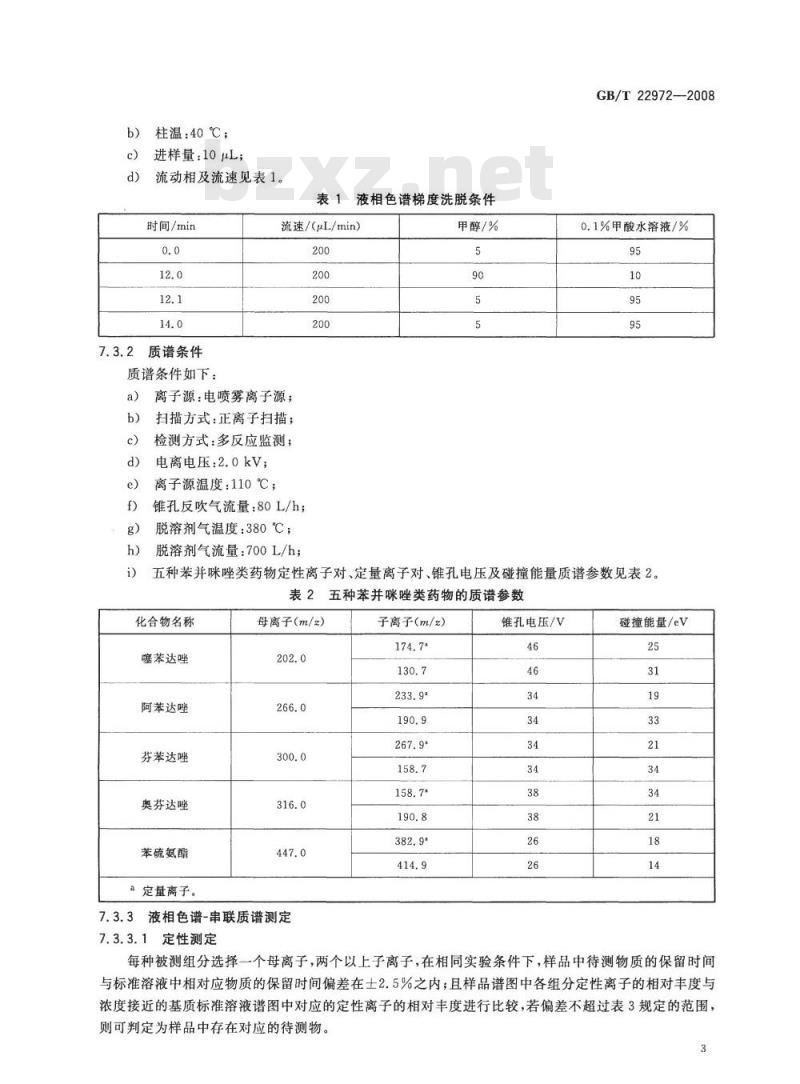
7.3.1液相色谱条件
液相色谱条件如下:
a)色谱柱:BEHC8,1.7μm,50mmX2.1mm(内径)或相当者;2
柱温:40℃;
进样量:10μL;
流动相及流速见表1。
时间/min
质谱条件
质谱条件如下:
液相色谱梯度洗脱条件
流速/(μL/min)
a)离子源:电喷雾离子源;
扫描方式:正离子扫描;
检测方式:多反应监测;
电离电压:2.0kV;
离子源温度:110℃;
锥孔反吹气流量:80L/h;
脱溶剂气温度:380℃;
脱溶剂气流量:700L/h;
甲醇/%
GB/T22972-2008
0.1%甲酸水溶液/%
五种苯并咪唑类药物定性离子对、定量离子对、锥孔电压及碰撞能量质谱参数见表2。表2五种苯并咪唑类药物的质谱参数化合物名称
噻苯达唑
阿苯达唑
芬苯达唑
奥芬达唑
苯硫氨酯
a定量离子。
母离子(m/z)
7.3.3液相色谱-串联质谱测定
7.3.3.1定性测定
子离子(m/z)
锥孔电压/V
碰撞能量/eV
每种被测组分选择一个母离子,两个以上子离子,在相同实验条件下,样品中待测物质的保留时间与标准溶液中相对应物质的保留时间偏差在士2.5%之内;且样品谱图中各组分定性离子的相对丰度与浓度接近的基质标准溶液谱图中对应的定性离子的相对丰度进行比较,若偏差不超过表3规定的范围,则可判定为样品中存在对应的待测物。3
GB/T229722008
相对离子丰度K
允许的最大偏差
7.3.3.2定量测定
表3定性确证时相对离子丰度的最大允许偏差K>50
20www.bzxz.net
10K≤10
用基质混合标准工作溶液(4.13)分别进样,以标准溶液浓度为横坐标,峰面积为纵坐标,绘制标准工作曲线,用标准工作曲线对待测样品进行定量,样品溶液中的待测物的响应值均应在仪器测定的线性范围内。在上述色谱条件和质谱条件下,五种苯并咪唑类药物标准物质多反应监测(MRM)色谱图参见附录A中的图A.1。五种苯并咪唑类药物的添加浓度及其平均回收率的试验数据参见附录B中的表B.1。
7.4平行试验
按上述步骤,对同一试样进行平行试验测定。7.5空白试验
除不称取样品外,均按上述步骤进行。8结果计算
五种苯并咪唑类药物残留量的测定按式(1)计算。X=cX
式中:
试样中被测组分的残留量,单位为毫克每于克(mg/kg);从标准工作曲线上得到的被测组分溶液浓度,单位为微克每毫升(μg/mL);V
样品溶液定容体积,单位为毫升(mL);m
-样品溶液所代表试样的质量,单位为克(g)。计算结果应扣除空白值。
9精密度
9.1一般规定
本标准的精密度数据是按照GB/T6379.1和GB/T6379.2的规定确定的,其重复性和再现性的值以95%的可信度来计算。
9.2重复性
在重复性实验的条件下,获得的两次独立测试结果的绝对差值不超过重复性限r,牛奶和奶粉中五种苯并咪唑类药物添加浓度范围及重复性方程见表4。表4牛奶和奶粉中五种苯并咪唑类药物添加浓度及重复性限和再现性限方程
化合物名称
噻苯达唑
阿苯达唑
芬苯达唑
添加浓度范围
0.01~0.50
0.01~0.50
0.01~0.50
样品基质
重复性限r
lg r=0. 919 9 lg m-1. 123 3
lgr=1.1086lgm-0.8097
lgr=1.001 7lgm-1.1712
lgrm0.9819lgm1.1588
Igr=0. 9508lgm1.100 2
lg r=1. 137 0 lg m-0. 837 3
单位为毫克每千克
再现性限R
IgR=0.9995lgm-0.8861
lg R=1. 084 5 Ig m-0. 813 6
IgR=0.9836lgm-1.0378
lgR=0.9537lgm-1.1316
IgR=0.9474lgm-1.0888
lgR=1.0626lgm-0.8758
化合物名称
奥芬达唑
苯硫氨酯
添加浓度范围
0.01~0.50
0.01~0.50
样品基质
注:m为两次测定结果的算术平均值表4(续)
重复性限r
lgr=0.9737lgm-1.0712
lgr=0.9493lgm1.095g
lgr=0.9074lgm-1.1761
lgr=1.0003lgm-1.0081
GB/T22972—2008
单位为毫克每千克
再现性限R
lgR=1.0285lgm0.9771
lgR=0.9309lgm-1.0786
lgR=0.8887lgm-1.1820
lgR=0.9771lgm—0.9930
如果差值超过重复性限r,应舍弃试验结果并重新完成两次单个试验的测定。3再现性
在再现性实验的条件下,获得的两次独立测试结果的绝对差值不超过再现性限R,牛奶和奶粉中五种苯并咪唑类药物添加浓度范围及再现性限方程见表4。GB/T22972—2008
附录A
(资料性附录)
标准物质多反应监测(MRM)色谱图五种苯并咪唑类药物标准物质多反应监测(MRM)色谱图,见图A.1。100%
噻苯哒唑202.0/174.7
阿苯哒唑266.0/233.9
芬苯哒唑300.0/267.9
奥芬哒唑316.0/158.7
苯硫氨酯447.0/382.9
五种苯并咪唑类药物标准物质多反应监测(MRM)色谱图附录B
(资料性附)
回收率
五种苯并咪唑类药物的添加浓度及其平均回收率的试验数据,见表B.1。GB/T22972—2008
五种苯并咪唑类药物的添加浓度及其平均回收率的试验数据表B.1
化合物名称
噻苯达唑
阿苯达唑
芬苯达唑
奥芬达唑
苯硫氨酯
添加浓度/(mg/kg)
平均回收率/%
小提示:此标准内容仅展示完整标准里的部分截取内容,若需要完整标准请到上方自行免费下载完整标准文档。
中华人民共和国国家标准
GB/T22972—2008
牛奶和奶粉中噻苯达唑、阿苯达唑、芬苯达唑、奥芬达唑、苯硫氨酯液相色谱-串联质谱法
残留量的测定
Determinationofthiabendazole,albendazole,fenbendazole,oxfendazoleandfebantelresiduesinmilkandmilkpowderHPLC-MS-MSmethod
2008-12-31发布
中华人民共和国国家质量监督检验检疫总局中国国家标准化管理委员会
2009-05-01实施
本标准的附录A、附录B为资料性附录前言
本标准由中华人民共和国国家质量监督检验检疫总局提出并归口。GB/T22972-2008
本标准起草单位:中华人民共和国秦皇岛出人境检验检疫局、中华人民共和国沈阳出人境检验检疫局。
本标准主要起草人:赵颖、刘宁、金雁、孟祥勇、姚家彪、庞国芳。I
1范围
牛奶和奶粉中噻苯达唑、阿苯达唑芬苯达唑、奥芬达唑、苯硫氨酯残留量的测定液相色谱-串联质谱法GB/T22972—2008
本标准规定了牛奶和奶粉中噻苯达唑、阿苯达唑、芬苯达唑、奥芬达唑和苯硫氨酯残留量的液相色谱-串联质谱测定方法。
本标准适用于牛奶和奶粉中噻苯达唑、阿苯达唑、芬苯达唑、奥芬达唑和苯硫氨酯残留量的测定。本标准的方法检出限:牛奶中噻苯达唑、阿苯达唑、芬苯达唑、奥芬达唑和苯硫氨酯的检出限为0.01mg/kg;奶粉中噻苯达唑、阿苯达唑、芬苯达唑、奥芬达唑和苯硫氨酯的检出限为0.08mg/kg。2规范性引用文件
下列文件中的条款通过本标准的引用而成为本标准的条款。凡是注日期的引用文件,其随后所有的修改单(不包括勘误的内容)或修订版均不适用于本标准,然而,鼓励根据本标准达成协议的各方研究是否可使用这些文件的最新版本。凡是不注日期的引用文件,其最新版本适用于本标准。GB/T6379.1测量方法与结果的准确度(正确度与精密度)第1部分:总则与定义(GB/T6379.12004,ISO5725-1:1994,IDT)GB/T6379.2测量方法与结果的准确度(正确度与精密度)第2部分:确定标准测量方法重复性与再现性的基本方法(GB/T6379.2-2004,ISO5725-2:1994,IDT)GB/T6682分析实验室用水规格和试验方法(GB/T6682--2008,ISO3696:1987,MOD)3原理
样品经乙提取,C1s固相萃取柱净化,液相色谱-串联质谱仪测定,外标法定量。4试剂和材料
除另有说明外,所用试剂均为分析纯。4.1水:GB/T6682,一级。
4.2乙腈:色谱纯。
4.3甲醇:色谱纯。
4.4正丙醇。
4.5碳酸氢钠(NaHCO,)。
4.6碳酸钠(NazCO)。
4.7碳酸氢钠溶液:0.1mol/L。称取8.4g碳酸氢钠(4.5),用水溶解,定容至1000mL。4.8碳酸钠溶液:0.1mol/L。称取1.06g碳酸钠(4.6),用水溶解,定容至100mL。4.9碳酸盐缓冲溶液(pH值为9.1):将0.1mol/L碳酸氢钠溶液(4.7)900mL与0.1mol/L碳酸钠溶液(4.8)100mL混合。
4.10标准物质:噻苯达唑(thiabendazoleCAS:148-79-8)、阿苯达唑(albendazoleCAS:54965-21-8)、芬苯达唑(fenbendazoleCAS:43210-67-9)、奥芬达唑(oxfendazoleCAS:53716-50-0)和苯硫氨酯(febante)CAS:58306-30-2)的纯度均≥99%。GB/T22972—2008
4.11标准储备溶液:1.0mg/mL。准确称取适量的五种苯并咪唑类药物标准物质(4.10),分别用甲醇(4.3)配制成浓度为1.0mg/mL的标准储备液。保存于0℃~4℃冰箱中。4.12混合标准储备溶液:100μg/mL。吸取适量五种苯并咪唑类药物标准储备溶液(4.11),用甲醇稀释成100μg/mL的混合标准溶液,于0℃~4℃冰箱保存。4.13基质混合标准工作溶液:根据每种标的灵敏度和仪器线性范围,吸取一一定量的混合标准储备浴液(4.12),用空白样品提取液配成系列浓度的基质混合标准工作溶液,当天配制。4.14Cls固相萃取柱:500mg,6mL。使用前依次用5mL甲醇、5mL水和2mL碳酸盐缓冲液(4.9)预处理,同时保持柱体湿润。
4.15滤膜:0.2μm。
5仪器
5.1液相色谱-串联四极杆质谱仪,配有电喷雾离子源。5.2分析天平:感量0.01g和0.1mg。5.3固相萃取装置。
5.4旋转蒸发仪。
5.5离心机:转速4000r/min以上。5.6涡旋混匀器。
5.7超声波清洗器。
6试样制备与保存
6.1试样制备
取代表性样品约500g,混匀,装入洁净容器,密封,标明标记。在抽样及制样的操作过程中,应防止样品受到污染或发生残留物含量的变化6.2试样保存
将试样于0℃~4℃保存。
7测定步骤
7.1提取
7.1.1牛奶样品
称取10g牛奶试样,精确至0.01g,置于100mL具塞离心管中。加入30mL乙睛,涡旋混匀3min,超声30min,以4000r/min离心5min,取上清液加人10mL正丙醇(4.4),于40℃水浴旋转蒸发除去有机溶剂,用碳酸盐缓冲溶液(4.9)定容至10mL。7.1.2奶粉样品
称取12.5g奶粉试样于烧杯中,加适量35℃~45℃水将其充分溶解,待冷却至室温后,加水至100g,混匀,准确称取10g试样,精确至0.01g,置于100mL具塞离心管中,按7.1.1步骤进行处理。7.2净化
移取5mL提取液,注人预处理过的Cia固相萃取柱(4.14),调节流速为1.0mL/min,用5mL水淋洗,弃去全部流出液后抽干。用6mL乙(4.2)洗脱被测物,流速1.0mL/min,40℃水浴氮气吹于,再用甲醇溶液(1十4)溶解并定容至1.0mL,过0.2μm滤膜(4.15),供液相色谱-串联质谱测定。7.3测定
7.3.1液相色谱条件
液相色谱条件如下:
a)色谱柱:BEHC8,1.7μm,50mmX2.1mm(内径)或相当者;2
柱温:40℃;
进样量:10μL;
流动相及流速见表1。
时间/min
质谱条件
质谱条件如下:
液相色谱梯度洗脱条件
流速/(μL/min)
a)离子源:电喷雾离子源;
扫描方式:正离子扫描;
检测方式:多反应监测;
电离电压:2.0kV;
离子源温度:110℃;
锥孔反吹气流量:80L/h;
脱溶剂气温度:380℃;
脱溶剂气流量:700L/h;
甲醇/%
GB/T22972-2008
0.1%甲酸水溶液/%
五种苯并咪唑类药物定性离子对、定量离子对、锥孔电压及碰撞能量质谱参数见表2。表2五种苯并咪唑类药物的质谱参数化合物名称
噻苯达唑
阿苯达唑
芬苯达唑
奥芬达唑
苯硫氨酯
a定量离子。
母离子(m/z)
7.3.3液相色谱-串联质谱测定
7.3.3.1定性测定
子离子(m/z)
锥孔电压/V
碰撞能量/eV
每种被测组分选择一个母离子,两个以上子离子,在相同实验条件下,样品中待测物质的保留时间与标准溶液中相对应物质的保留时间偏差在士2.5%之内;且样品谱图中各组分定性离子的相对丰度与浓度接近的基质标准溶液谱图中对应的定性离子的相对丰度进行比较,若偏差不超过表3规定的范围,则可判定为样品中存在对应的待测物。3
GB/T229722008
相对离子丰度K
允许的最大偏差
7.3.3.2定量测定
表3定性确证时相对离子丰度的最大允许偏差K>50
20
10
用基质混合标准工作溶液(4.13)分别进样,以标准溶液浓度为横坐标,峰面积为纵坐标,绘制标准工作曲线,用标准工作曲线对待测样品进行定量,样品溶液中的待测物的响应值均应在仪器测定的线性范围内。在上述色谱条件和质谱条件下,五种苯并咪唑类药物标准物质多反应监测(MRM)色谱图参见附录A中的图A.1。五种苯并咪唑类药物的添加浓度及其平均回收率的试验数据参见附录B中的表B.1。
7.4平行试验
按上述步骤,对同一试样进行平行试验测定。7.5空白试验
除不称取样品外,均按上述步骤进行。8结果计算
五种苯并咪唑类药物残留量的测定按式(1)计算。X=cX
式中:
试样中被测组分的残留量,单位为毫克每于克(mg/kg);从标准工作曲线上得到的被测组分溶液浓度,单位为微克每毫升(μg/mL);V
样品溶液定容体积,单位为毫升(mL);m
-样品溶液所代表试样的质量,单位为克(g)。计算结果应扣除空白值。
9精密度
9.1一般规定
本标准的精密度数据是按照GB/T6379.1和GB/T6379.2的规定确定的,其重复性和再现性的值以95%的可信度来计算。
9.2重复性
在重复性实验的条件下,获得的两次独立测试结果的绝对差值不超过重复性限r,牛奶和奶粉中五种苯并咪唑类药物添加浓度范围及重复性方程见表4。表4牛奶和奶粉中五种苯并咪唑类药物添加浓度及重复性限和再现性限方程
化合物名称
噻苯达唑
阿苯达唑
芬苯达唑
添加浓度范围
0.01~0.50
0.01~0.50
0.01~0.50
样品基质
重复性限r
lg r=0. 919 9 lg m-1. 123 3
lgr=1.1086lgm-0.8097
lgr=1.001 7lgm-1.1712
lgrm0.9819lgm1.1588
Igr=0. 9508lgm1.100 2
lg r=1. 137 0 lg m-0. 837 3
单位为毫克每千克
再现性限R
IgR=0.9995lgm-0.8861
lg R=1. 084 5 Ig m-0. 813 6
IgR=0.9836lgm-1.0378
lgR=0.9537lgm-1.1316
IgR=0.9474lgm-1.0888
lgR=1.0626lgm-0.8758
化合物名称
奥芬达唑
苯硫氨酯
添加浓度范围
0.01~0.50
0.01~0.50
样品基质
注:m为两次测定结果的算术平均值表4(续)
重复性限r
lgr=0.9737lgm-1.0712
lgr=0.9493lgm1.095g
lgr=0.9074lgm-1.1761
lgr=1.0003lgm-1.0081
GB/T22972—2008
单位为毫克每千克
再现性限R
lgR=1.0285lgm0.9771
lgR=0.9309lgm-1.0786
lgR=0.8887lgm-1.1820
lgR=0.9771lgm—0.9930
如果差值超过重复性限r,应舍弃试验结果并重新完成两次单个试验的测定。3再现性
在再现性实验的条件下,获得的两次独立测试结果的绝对差值不超过再现性限R,牛奶和奶粉中五种苯并咪唑类药物添加浓度范围及再现性限方程见表4。GB/T22972—2008
附录A
(资料性附录)
标准物质多反应监测(MRM)色谱图五种苯并咪唑类药物标准物质多反应监测(MRM)色谱图,见图A.1。100%
噻苯哒唑202.0/174.7
阿苯哒唑266.0/233.9
芬苯哒唑300.0/267.9
奥芬哒唑316.0/158.7
苯硫氨酯447.0/382.9
五种苯并咪唑类药物标准物质多反应监测(MRM)色谱图附录B
(资料性附)
回收率
五种苯并咪唑类药物的添加浓度及其平均回收率的试验数据,见表B.1。GB/T22972—2008
五种苯并咪唑类药物的添加浓度及其平均回收率的试验数据表B.1
化合物名称
噻苯达唑
阿苯达唑
芬苯达唑
奥芬达唑
苯硫氨酯
添加浓度/(mg/kg)
平均回收率/%
小提示:此标准内容仅展示完整标准里的部分截取内容,若需要完整标准请到上方自行免费下载完整标准文档。
标准图片预览:





- 热门标准
- 国家标准(GB)
- GB/T2828.1-2012 计数抽样检验程序 第1部分:按接收质量限(AQL)检索的逐批检验抽样计划
- GB50367-2013 混凝土结构加固设计规范
- GB/T18204.4-2000 公共场所毛巾、床上卧具微生物检验方法细菌总数测定
- GB/T3836.1-2021 爆炸性环境 第1部分:设备 通用要求
- GB5009.225-2023 食品安全国家标准 酒和食用酒精中乙醇浓度的测定
- GB/T11379-2008 金属覆盖层 工程用铬电镀层
- GB/T23892.3-2009 滑动轴承 稳态条件下流体动压可倾瓦块止推轴承 第3部分:可倾瓦块止推轴承计算的许用值
- GB/T9145-2003 普通螺纹 中等精度、优选系列的极限尺寸
- GB/T9239-1988 刚性转子平衡品质 许用不平衡的确定
- GB/T15917.3-1995 金属镝及氧化镝化学分析方法 对氯苯基荧光酮--溴化十六烷基三甲基胺分光光度法测定钽量
- GB/T11839-1989 二氧化铀芯块中硼的测定 姜黄素萃取光度法
- GB/T6122.1-2002 圆角铣刀 第1部分:型式和尺寸
- GB/T7433-1987 对称电缆载波通信系统抗无线电广播和通信干扰的指标
- GB/T12053-1989 光学识别用字母数字字符集 第一部分:OCR-A字符集印刷图象的形状和尺寸
- GB17945-2024 消防应急照明和疏散指示系统
- 行业新闻
请牢记:“bzxz.net”即是“标准下载”四个汉字汉语拼音首字母与国际顶级域名“.net”的组合。 ©2025 标准下载网 www.bzxz.net 本站邮件:bzxznet@163.com
网站备案号:湘ICP备2025141790号-2
网站备案号:湘ICP备2025141790号-2