- 您的位置:
- 标准下载网 >>
- 标准分类 >>
- 化工行业标准(HG) >>
- HG/T 2143-2006 搪玻璃设备 管口
标准号:
HG/T 2143-2006
标准名称:
搪玻璃设备 管口
标准类别:
化工行业标准(HG)
标准状态:
现行-
发布日期:
2006-07-26 -
实施日期:
2007-03-01 出版语种:
简体中文下载格式:
.rar.pdf下载大小:
94.62 KB
标准ICS号:
化工技术>>化工设备>>71.120.99其他化工设备中标分类号:
化工>>化工机械与设备>>G94非金属化工机械设备
替代情况:
替代HG/T 2143-1991采标情况:
参照DIN 28139-3-1985
起草单位:
中石化上海工程公司发布部门:
中华人民共和国国家发展和改革委员会主管部门:
国家发展和改革委员会相关标签:
玻璃设备
部分标准内容:
ICs 71.120:25.220.50
备案号:182752006
中华人民共利和国化工行业际准HG/T 2143—2006
代/1—151
玻璃设备
Welding neck for glnss lineil xleel vessel2006-07-26发布
2007-03-01实施
中华人儿和国国家发展利改革委贞会发布
本标堆代替HG/T2_43—1901插效璃设备音口,KAONYKAca=
HG/T21432006
本标准参照DIN3139第三部分增骏聘容器用管口的部分内容,井台我国洲玻璃行业的实情。
本标推与HGT2143
17相比主要变化如下,
增DN35,DN32,N4IDN30.N4五个公直径的客口一标准正文中取消PN.6正力等级-只保IN1.C[卡小等级。放人各公称直经管口的内径,也性径与公称经相近,并管口的,于度下做出调整!--增加附录A,将原标准中N,6压力等级的管口系列放入刷录4…取消管口的皱尺于。
本标准的附录A为规范性附录。
本标弹出中国石油和化学工业协会提出本标准由全国坡离设备标唯化装术委员会归口,本标准教学单位中四石化团上海1程有限公司本标准上要起革人:商本萨,势钱小燕.本标准所代苦标准的次版本发布情况为:HG 5-26119491
TG5-2611979
HU/T2143-11
1范围
塘玻璃设备
本探准规了摘破弗设备用管口的型式,量本参效、尽寸及技术要求。HG/T 2143—2006
本标准适用T公称压力小了或等丁1.0MPa.证计温实离了一20,低于或等于200的塘坡璃设备和管件用管口,
2规范性引用文件
下列文件中的条款通个标准的引历而点为本标进的条,凡是注日期的引用文件,其随后的所有修改单(.不包指勘误的内穿)或够订版均不范用干本标准,然而,苹励极批木标准达协说的各方研究是否可使相这些文件的最新版本。凡是不社日期的引用文件,其量新版本适用于本标证
GB/T18C4一般公差未注公差的线性和角度尺寸公差HG/T2105—2006拨睡编设备活套送兰HG248%致璃设备技术条件
3型式、蓝本参败及尺寸
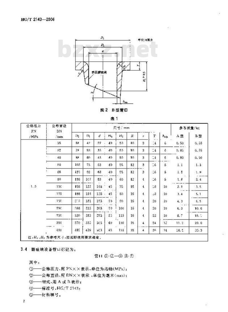
3.1A型管口的型式、基本靠数及尺寸见图1及炭1。单位为证*
图1A型暂口
3.2型管口的型式、基在参整及尺小观国2 及表1。图2中有度格实际使用要求确定,3.3PNU.6管口的型式、推本参数及尺寸见谢录A,1下载标准就来标准下载网
HG/T2143—2006
公弥压力
图2B型普口
尺寸:mm
让:H、:为套考尺技实际使用要求确定,3.4糖破璃设备管山标记为,
其中:
①公称压力,用PN××表示,单位为兆帕(MPu);——公称直径,用 DN××表示,单位为毫(r)a
塑式.用A成B表示
—标准号,HGT2143:
@—板料脾号.
中价米
KAoNY KAca=
密考质量/kk
HG/T2143—2006
公资出小2V7.MPn公你直径1外9mm,林树.25-A的略反备盛口,其称记为 I PN1. ( 5N.10-A HG/T 2143 Q231-A4技术蛋求
4.1的材料设计、制造,检和验收应符合HG21%2的规定。4.2机J而未性制造公整按GB/T18C4中的级。4.3表中8mn为最小序度,制作时应考成与对接的接一悼原相匹配,以保证对接接义的质量。4.4管11外缘应冶公称压力、公称直怪,材制邓产品生产号的辆印,5出厂文件,包装、运输和购存
5.F出!产品应附有表格单,产品合老证。产品合格证至少应包拓产品生产批号,材料的化学成分、力学性能,公称压力、公称直轻和土要尺等内穿。5.2激动和运输时应避免碰撤,即止变形和能响表而的质盐。5.3产品应存放在室内.小允许露大存敢或堆置,3
HG/T2143—2006
【规范性附录]
PNO.6措玻璃设备管口系列
A.1A型管1的型式.本等数及尺寸见图及表.1,2几型口的型式、基本参数及尺寸况图2及表A1。A.2
公每主力
公你直径
尺寸/n
TTKAoNYKAca=
多专费型/kg
本附录所列昏口应配用HGT2105-2006附录A中PN0.6据城筛设·备活套法=.A.3
小提示:此标准内容仅展示完整标准里的部分截取内容,若需要完整标准请到上方自行免费下载完整标准文档。
备案号:182752006
中华人民共利和国化工行业际准HG/T 2143—2006
代/1—151
玻璃设备
Welding neck for glnss lineil xleel vessel2006-07-26发布
2007-03-01实施
中华人儿和国国家发展利改革委贞会发布
本标堆代替HG/T2_43—1901插效璃设备音口,KAONYKAca=
HG/T21432006
本标准参照DIN3139第三部分增骏聘容器用管口的部分内容,井台我国洲玻璃行业的实情。
本标推与HGT2143
17相比主要变化如下,
增DN35,DN32,N4IDN30.N4五个公直径的客口一标准正文中取消PN.6正力等级-只保IN1.C[卡小等级。放人各公称直经管口的内径,也性径与公称经相近,并管口的,于度下做出调整!--增加附录A,将原标准中N,6压力等级的管口系列放入刷录4…取消管口的皱尺于。
本标准的附录A为规范性附录。
本标弹出中国石油和化学工业协会提出本标准由全国坡离设备标唯化装术委员会归口,本标准教学单位中四石化团上海1程有限公司本标准上要起革人:商本萨,势钱小燕.本标准所代苦标准的次版本发布情况为:HG 5-26119491
TG5-2611979
HU/T2143-11
1范围
塘玻璃设备
本探准规了摘破弗设备用管口的型式,量本参效、尽寸及技术要求。HG/T 2143—2006
本标准适用T公称压力小了或等丁1.0MPa.证计温实离了一20,低于或等于200的塘坡璃设备和管件用管口,
2规范性引用文件
下列文件中的条款通个标准的引历而点为本标进的条,凡是注日期的引用文件,其随后的所有修改单(.不包指勘误的内穿)或够订版均不范用干本标准,然而,苹励极批木标准达协说的各方研究是否可使相这些文件的最新版本。凡是不社日期的引用文件,其量新版本适用于本标证
GB/T18C4一般公差未注公差的线性和角度尺寸公差HG/T2105—2006拨睡编设备活套送兰HG248%致璃设备技术条件
3型式、蓝本参败及尺寸
3.1A型管口的型式、基本靠数及尺寸见图1及炭1。单位为证*
图1A型暂口
3.2型管口的型式、基在参整及尺小观国2 及表1。图2中有度格实际使用要求确定,3.3PNU.6管口的型式、推本参数及尺寸见谢录A,1下载标准就来标准下载网
HG/T2143—2006
公弥压力
图2B型普口
尺寸:mm
让:H、:为套考尺技实际使用要求确定,3.4糖破璃设备管山标记为,
其中:
①公称压力,用PN××表示,单位为兆帕(MPu);——公称直径,用 DN××表示,单位为毫(r)a
塑式.用A成B表示
—标准号,HGT2143:
@—板料脾号.
中价米
KAoNY KAca=
密考质量/kk
HG/T2143—2006
公资出小2V7.MPn公你直径1外9mm,林树.25-A的略反备盛口,其称记为 I PN1. ( 5N.10-A HG/T 2143 Q231-A4技术蛋求
4.1的材料设计、制造,检和验收应符合HG21%2的规定。4.2机J而未性制造公整按GB/T18C4中的级。4.3表中8mn为最小序度,制作时应考成与对接的接一悼原相匹配,以保证对接接义的质量。4.4管11外缘应冶公称压力、公称直怪,材制邓产品生产号的辆印,5出厂文件,包装、运输和购存
5.F出!产品应附有表格单,产品合老证。产品合格证至少应包拓产品生产批号,材料的化学成分、力学性能,公称压力、公称直轻和土要尺等内穿。5.2激动和运输时应避免碰撤,即止变形和能响表而的质盐。5.3产品应存放在室内.小允许露大存敢或堆置,3
HG/T2143—2006
【规范性附录]
PNO.6措玻璃设备管口系列
A.1A型管1的型式.本等数及尺寸见图及表.1,2几型口的型式、基本参数及尺寸况图2及表A1。A.2
公每主力
公你直径
尺寸/n
TTKAoNYKAca=
多专费型/kg
本附录所列昏口应配用HGT2105-2006附录A中PN0.6据城筛设·备活套法=.A.3
小提示:此标准内容仅展示完整标准里的部分截取内容,若需要完整标准请到上方自行免费下载完整标准文档。
标准图片预览:





- 其它标准
- 热门标准
- 化工行业标准(HG)
- HG/T3534-2011 代替 HG/T 3534-2003 工业循环冷却水污垢和腐蚀产物中酸不溶物、磷、铁、铝、钙、镁、锌、铜含量测定方法
- HG/T2784-1996 工业用亚硫酸铵
- HG/T4519-2013 碱式碳酸钴
- HG/T5699-2020 扩散渗析阳膜
- HG/T20701.12-2000 容器、换热器和特殊设备专业厂商协调会工作程序及说明
- HG2208-1991 甲霜灵可湿性粉剂
- HG/T2058.1-1991 搪玻璃温度计套
- HG/T2343-2012 硫化促进剂ETU
- HG/T20510-2014 仪表供气设计规范
- HG/T2959-2000 工业水合碱式碳酸镁
- HG/T20704.3-2000 机泵专业工程设计阶段的工作程序
- HG2975-1989 气体分析 标准混合气 混合物制备证书
- HG2207-1991 甲霜灵粉剂
- HG21607-1996 异形筒体和封头
- HG/T2192-1991 喷砂橡胶软管
- 行业新闻
请牢记:“bzxz.net”即是“标准下载”四个汉字汉语拼音首字母与国际顶级域名“.net”的组合。 ©2025 标准下载网 www.bzxz.net 本站邮件:bzxznet@163.com
网站备案号:湘ICP备2025141790号-2
网站备案号:湘ICP备2025141790号-2