- 您的位置:
- 标准下载网 >>
- 标准分类 >>
- 水产行业标准(SC) >>
- SC/T 3216-2006 半干淡盐黄鱼
标准号:
SC/T 3216-2006
标准名称:
半干淡盐黄鱼
标准类别:
水产行业标准(SC)
标准状态:
现行-
发布日期:
2006-07-10 -
实施日期:
2006-10-01 出版语种:
简体中文下载格式:
.rar.pdf下载大小:
741.91 KB
标准ICS号:
37.120.30中标分类号:
食品>>食品加工与制品>>X20水产品加工与制品
点击下载
标准简介:
标准下载解压密码:www.bzxz.net
本标准规定了半干淡盐黄鱼的定义、要求、试验方法、检验规则以及标签、包装、运输和贮存。本标准适用于以养殖大黄鱼经清洗、剖片、脱脂、调味、脱水、真空包装、冷藏等工序制成的冷冻产品。其他同类产品可参照执行。 SC/T 3216-2006 半干淡盐黄鱼 SC/T3216-2006
部分标准内容:
ICS67.120.30
中华人民共和国水产行业标准
SC/T3216—2006
半于淡盐黄鱼
Light salted and semi-moist dryed large yellow croaker2006-07-10发布
2006-10-01实施
中华人民共和国农业部
本标准由中华人民共和国农业部渔业局提出。本标准由全国水产标准化技术委员会水产品加工分技术委员会归口。本标准起草单位:浙江省水产质量检测中心、宁波大学、宁波金宏食品有限公司。本标准主要起草人:王扬、黄家庆、郑重莺、娄永江、金国、郑天伦、张晓辉、柳怡。全品伙伴网httn://foodmate.neSC/T3216—2006
1范围
半干淡盐黄鱼
SC/T3216-2006
本标准规定了半干淡盐黄鱼的定义、要求、试验方法、检验规则以及标签、包装、运输和贮存。本标准适用于以养殖大黄鱼经清洗、剖片,脱脂、调味脱水、真空包装、冷藏等工序制成的冷冻产品。其他同类产品可参照执行。2规范性引用文件
下列文件中的条款通过本标准的引用而成为本标准的条款。凡是注日期的引用文件,其随后所有的修改单(不包括勘误的内容)或修订版均不适用于本标准,然而,鼓励根据本标准达成协议的各方研究是否可使用这些文件的最新版本。凡是不注日期的引用文件,其最新版本适用于本标准。GB2760食品添加剂使用卫生标准GB/T4789.4食品卫生微生物学检验沙门氏菌检验GB/T 4789.7
GB/T 4789.10
GB/T 4789.30
GB/T5009.3
GB/T 5009.6
GB/T 5009.11
GB/T5009.12
GB/T 5009.15
GB/T 5009.17
食品卫生微生物学检验副溶血性弧菌检验食品卫生微生物学检验
金黄色葡萄球菌检验
食品卫生微生物学检验
单核细胞增生李斯特氏菌检验
食品中水分的测定
食品中脂肪的测定
食品中总碑和无机碑的测定
食品中铅的测定
食品中镉的测定
食品中总汞及有机汞的测定
GB/T5009.37—2003食用植物油卫生标准分析方法GB/T5009.45—2003水产品卫生标准的分析方法GB5749
GB7718
GB9687
生活饮用水卫生标准
预包装食品标签通则
食品包装用聚乙烯成型品卫生标准无公害食品石首鱼
NY5060
SC/T3011水产品中盐分的测定
SC/T3016水产品抽样方法
3要求
3.1主要原辅料质量
3.1.1原料鱼
鲜、活鱼及解冻后冻鱼应符合NY5060的规定。3.1.2生产用水
应符合GB5749的规定。
3.1.3食品添加剂
应符合GB2760的规定。
http:/
mametn
SC/T3216—2006
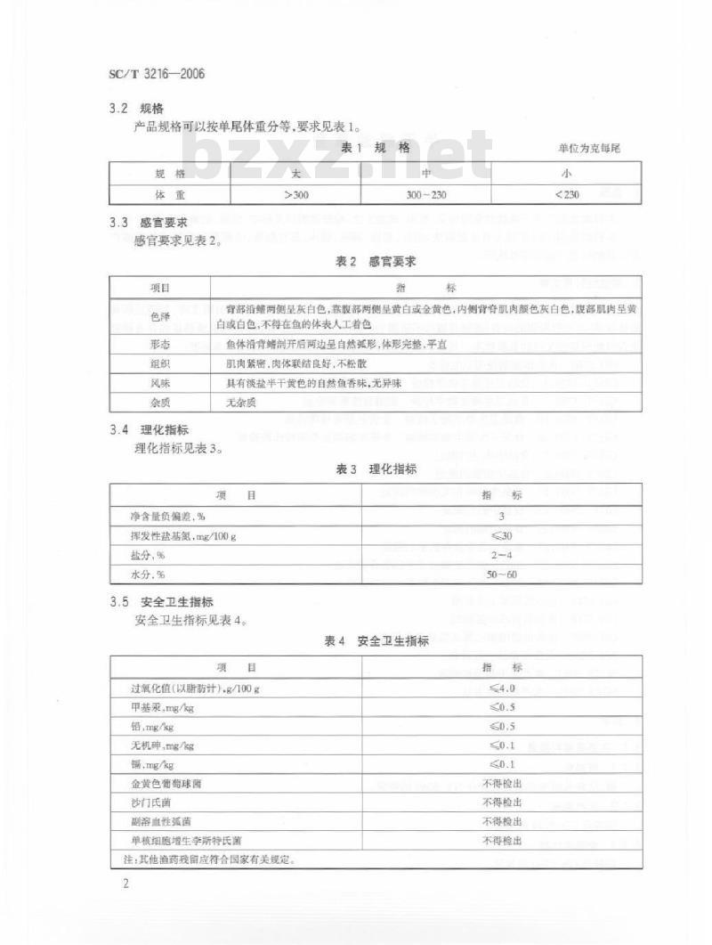
产品规格可以按单尾体重分等,要求见表1。表1规格
3.3感官要求
感官要求见表2。
300~230
表2感官要求
单位为克每尾
≤230
背部沿鳍两侧呈灰白色,靠腹部两侧呈黄白或金黄色,内侧背脊肌肉颜色灰白色,腹部肌肉呈黄白或白色,不得在鱼的体表人工着色形态
3.4理化指标
理化指标见表3。
鱼体沿背鳍韵开后两边呈自然弧形,体形完整,平直肌肉紧密,肉体联结良好,不松散具有羡盐半干黄色的自然鱼香味,无异味无杂质
表3理化指标
净含量负偏差,%
挥发性盐基氮,mg/100g
盐分,%
水分,%
安全卫生指标
安全卫生指标见表4。
过氧化值(以脂肪计)8/100
甲基汞,mg/kg
铅,mg/kg
无机神,mg/kg
镉,mg/kg
金黄色葡莓球菌
沙门氏菌
副溶血性弧菌
单核细胞增生李斯特氏菌
注:其他渔药残留应符合国家有关规定2
安全卫生指标
食品伙网http://foodmate.net指
不得检出
不得检出
不得检出
不得检出
4试验方法
4.1感官
SC/T3216—2006
4.1.1将样品置于清洁的不锈钢或白瓷盘内,在光线充足、无异味及其他干扰的环境下,按4.3要求逐项检查色泽、形态、组织、风味、杂质等项。4.1.2将洁净白滤纸轻轻沾在鱼体表面,观察是否有人工着色现象。4.2净含量
将样品拆除包装,不解冻直接称量,所用衡器的最大称量值不能超过被称样品重量值的5倍。净含量偏差按式(1)计算:
A=m1-mox100
式中:
A净含量偏差,单位为百分率(%):mo——样本标示含量,单位为克(g);m
样本实际质量,单位为克(g)。4.3挥发性盐基氨
按GB/T5009.45—2003申4.1的规定执行。4.4盐分
取整条鱼的可食肌肉部分,按SC/T3011中的规定执行。4.5水分
取整条鱼的可食肌肉部分,按GB/T5009.3中的规定执行。4.6过氧化值
取整条鱼的可食肌肉部分,按GB/T5009.37—2003中4.2条的规定执行。4.7甲基汞
按GB/T5009.17中的规定执行。
按GB/T5009.12中的规定执行。
4.9无机
按GB/T5009.11中的规定执行
按GB/T5009.15的规定执行。
4.11沙门氏菌
按GB/T4789.4中的规定执行。
4.12副溶血弧菌
按GB/T4789.7中的规定执行。
4.13金黄色葡萄球菌
按GB/T4789.10中的规定执行。
4.14单核细胞增生李斯特氏菌
按GB/T4789.30中的规定执行
5检验规则
5.1组批规则
SC/T3216-—2006
同批原料,相同条件下,每日或每班次生产包装的产品为一检验批。生产不稳定或批量过大时,可以划分成著干小批,作为检验批。5.2抽样方法
按SC/T3016中的规定执行。下载标准就来标准下载网
5.3检验分类
产品分为出厂检验和型式检验。5.3.1出厂检验
每批产品应该进行出厂检验,出厂检验由生产单位质量检验部门执行。检验项目为感官、净含量允差水分、脂肪和微生物,检验合格后签发检验合格证,产品凭检验合格证出厂。5.3.2型式检验
有下列情况之一时应进行型式检验。型式检验的项目为本标准中规定的全部项目。a)正常生产时,每一个生产季节至少一次:b)
停产半年以上,恢复生产时;
生产原料供应基地改变时:
原料鱼的质量发生异常变动时;改变生产工艺时;
国家质量监督检验机构提出型式检验时:g)出厂检验与上次型式检验有较大差异时。5.4判定规则
5.4.1感官检验合格率不低于95%,否则判为不合格。5.4.2
安全卫生指标检验结果有一项不合格,判定该批产品不合格5.4.3理化指标检测结果有一项不合格时,允许加倍抽样对该项目复检一次,者仍不合格,则判定该批产品为不合格。
6标签、包装,运输、购存
6.1标签、标志
6.1.1产品标签应符合GB7718的规定,应注明产品名称、净含量、配料清单、质量等级、生产者名称和地址、生产日期及保质期、产品标准,保存方式、原料鱼养殖产地等。6.1.2外包装箱应标注产品名称、数量、质量等级、生产单位、生产日期及保质期、保存方式、储运图示标志等。
6.2包装
6.2.1包装材料
所用塑料袋、纸盒、瓦楞纸箱等包装材料应洁净、无毒、无异味、坚固。6.2.2包装要求
定数量的小袋装人大袋(或盒),再装人纸箱中。箱中产品要求排列整齐,大袋或箱中加产品合格证。纸箱底部用黏合剂粘牢,上下用封箱带粘牢或用打包带捆扎。6.3运输
6.3.1应用冷蔽或保温车船运输,保持鱼体温度低于-15℃:6.3.2运输工具应清洁卫生,无异味,运输中防止日晒、虫害、有害物质的污染,不得靠近或接触有腐蚀性物质,不得与气味浓郁物品混运。6.4贮存
半h+t
SC/T3216—2006
6.4.1藏库温度低于一20℃,库温波动应保持在土2℃内。不同品种、不同规格,不同等级、不同批次的冻鱼应分别堆垛,并用垫板垫起,与地面距离不少于10cm,与墙壁距离不少于30cm,堆放高度以纸箱受压不变形为宜。
6.4.2产品藏于清洁、卫生,无异味、有防鼠防虫设备的库内,防止虫害和有害物质的污染及其他损害。
6.4.3保质期:按上述览运条件下,产品保质期为6个月。5
Thttnmfoodmgta
小提示:此标准内容仅展示完整标准里的部分截取内容,若需要完整标准请到上方自行免费下载完整标准文档。
中华人民共和国水产行业标准
SC/T3216—2006
半于淡盐黄鱼
Light salted and semi-moist dryed large yellow croaker2006-07-10发布
2006-10-01实施
中华人民共和国农业部
本标准由中华人民共和国农业部渔业局提出。本标准由全国水产标准化技术委员会水产品加工分技术委员会归口。本标准起草单位:浙江省水产质量检测中心、宁波大学、宁波金宏食品有限公司。本标准主要起草人:王扬、黄家庆、郑重莺、娄永江、金国、郑天伦、张晓辉、柳怡。全品伙伴网httn://foodmate.neSC/T3216—2006
1范围
半干淡盐黄鱼
SC/T3216-2006
本标准规定了半干淡盐黄鱼的定义、要求、试验方法、检验规则以及标签、包装、运输和贮存。本标准适用于以养殖大黄鱼经清洗、剖片,脱脂、调味脱水、真空包装、冷藏等工序制成的冷冻产品。其他同类产品可参照执行。2规范性引用文件
下列文件中的条款通过本标准的引用而成为本标准的条款。凡是注日期的引用文件,其随后所有的修改单(不包括勘误的内容)或修订版均不适用于本标准,然而,鼓励根据本标准达成协议的各方研究是否可使用这些文件的最新版本。凡是不注日期的引用文件,其最新版本适用于本标准。GB2760食品添加剂使用卫生标准GB/T4789.4食品卫生微生物学检验沙门氏菌检验GB/T 4789.7
GB/T 4789.10
GB/T 4789.30
GB/T5009.3
GB/T 5009.6
GB/T 5009.11
GB/T5009.12
GB/T 5009.15
GB/T 5009.17
食品卫生微生物学检验副溶血性弧菌检验食品卫生微生物学检验
金黄色葡萄球菌检验
食品卫生微生物学检验
单核细胞增生李斯特氏菌检验
食品中水分的测定
食品中脂肪的测定
食品中总碑和无机碑的测定
食品中铅的测定
食品中镉的测定
食品中总汞及有机汞的测定
GB/T5009.37—2003食用植物油卫生标准分析方法GB/T5009.45—2003水产品卫生标准的分析方法GB5749
GB7718
GB9687
生活饮用水卫生标准
预包装食品标签通则
食品包装用聚乙烯成型品卫生标准无公害食品石首鱼
NY5060
SC/T3011水产品中盐分的测定
SC/T3016水产品抽样方法
3要求
3.1主要原辅料质量
3.1.1原料鱼
鲜、活鱼及解冻后冻鱼应符合NY5060的规定。3.1.2生产用水
应符合GB5749的规定。
3.1.3食品添加剂
应符合GB2760的规定。
http:/
mametn
SC/T3216—2006
产品规格可以按单尾体重分等,要求见表1。表1规格
3.3感官要求
感官要求见表2。
300~230
表2感官要求
单位为克每尾
≤230
背部沿鳍两侧呈灰白色,靠腹部两侧呈黄白或金黄色,内侧背脊肌肉颜色灰白色,腹部肌肉呈黄白或白色,不得在鱼的体表人工着色形态
3.4理化指标
理化指标见表3。
鱼体沿背鳍韵开后两边呈自然弧形,体形完整,平直肌肉紧密,肉体联结良好,不松散具有羡盐半干黄色的自然鱼香味,无异味无杂质
表3理化指标
净含量负偏差,%
挥发性盐基氮,mg/100g
盐分,%
水分,%
安全卫生指标
安全卫生指标见表4。
过氧化值(以脂肪计)8/100
甲基汞,mg/kg
铅,mg/kg
无机神,mg/kg
镉,mg/kg
金黄色葡莓球菌
沙门氏菌
副溶血性弧菌
单核细胞增生李斯特氏菌
注:其他渔药残留应符合国家有关规定2
安全卫生指标
食品伙网http://foodmate.net指
不得检出
不得检出
不得检出
不得检出
4试验方法
4.1感官
SC/T3216—2006
4.1.1将样品置于清洁的不锈钢或白瓷盘内,在光线充足、无异味及其他干扰的环境下,按4.3要求逐项检查色泽、形态、组织、风味、杂质等项。4.1.2将洁净白滤纸轻轻沾在鱼体表面,观察是否有人工着色现象。4.2净含量
将样品拆除包装,不解冻直接称量,所用衡器的最大称量值不能超过被称样品重量值的5倍。净含量偏差按式(1)计算:
A=m1-mox100
式中:
A净含量偏差,单位为百分率(%):mo——样本标示含量,单位为克(g);m
样本实际质量,单位为克(g)。4.3挥发性盐基氨
按GB/T5009.45—2003申4.1的规定执行。4.4盐分
取整条鱼的可食肌肉部分,按SC/T3011中的规定执行。4.5水分
取整条鱼的可食肌肉部分,按GB/T5009.3中的规定执行。4.6过氧化值
取整条鱼的可食肌肉部分,按GB/T5009.37—2003中4.2条的规定执行。4.7甲基汞
按GB/T5009.17中的规定执行。
按GB/T5009.12中的规定执行。
4.9无机
按GB/T5009.11中的规定执行
按GB/T5009.15的规定执行。
4.11沙门氏菌
按GB/T4789.4中的规定执行。
4.12副溶血弧菌
按GB/T4789.7中的规定执行。
4.13金黄色葡萄球菌
按GB/T4789.10中的规定执行。
4.14单核细胞增生李斯特氏菌
按GB/T4789.30中的规定执行
5检验规则
5.1组批规则
SC/T3216-—2006
同批原料,相同条件下,每日或每班次生产包装的产品为一检验批。生产不稳定或批量过大时,可以划分成著干小批,作为检验批。5.2抽样方法
按SC/T3016中的规定执行。下载标准就来标准下载网
5.3检验分类
产品分为出厂检验和型式检验。5.3.1出厂检验
每批产品应该进行出厂检验,出厂检验由生产单位质量检验部门执行。检验项目为感官、净含量允差水分、脂肪和微生物,检验合格后签发检验合格证,产品凭检验合格证出厂。5.3.2型式检验
有下列情况之一时应进行型式检验。型式检验的项目为本标准中规定的全部项目。a)正常生产时,每一个生产季节至少一次:b)
停产半年以上,恢复生产时;
生产原料供应基地改变时:
原料鱼的质量发生异常变动时;改变生产工艺时;
国家质量监督检验机构提出型式检验时:g)出厂检验与上次型式检验有较大差异时。5.4判定规则
5.4.1感官检验合格率不低于95%,否则判为不合格。5.4.2
安全卫生指标检验结果有一项不合格,判定该批产品不合格5.4.3理化指标检测结果有一项不合格时,允许加倍抽样对该项目复检一次,者仍不合格,则判定该批产品为不合格。
6标签、包装,运输、购存
6.1标签、标志
6.1.1产品标签应符合GB7718的规定,应注明产品名称、净含量、配料清单、质量等级、生产者名称和地址、生产日期及保质期、产品标准,保存方式、原料鱼养殖产地等。6.1.2外包装箱应标注产品名称、数量、质量等级、生产单位、生产日期及保质期、保存方式、储运图示标志等。
6.2包装
6.2.1包装材料
所用塑料袋、纸盒、瓦楞纸箱等包装材料应洁净、无毒、无异味、坚固。6.2.2包装要求
定数量的小袋装人大袋(或盒),再装人纸箱中。箱中产品要求排列整齐,大袋或箱中加产品合格证。纸箱底部用黏合剂粘牢,上下用封箱带粘牢或用打包带捆扎。6.3运输
6.3.1应用冷蔽或保温车船运输,保持鱼体温度低于-15℃:6.3.2运输工具应清洁卫生,无异味,运输中防止日晒、虫害、有害物质的污染,不得靠近或接触有腐蚀性物质,不得与气味浓郁物品混运。6.4贮存
半h+t
SC/T3216—2006
6.4.1藏库温度低于一20℃,库温波动应保持在土2℃内。不同品种、不同规格,不同等级、不同批次的冻鱼应分别堆垛,并用垫板垫起,与地面距离不少于10cm,与墙壁距离不少于30cm,堆放高度以纸箱受压不变形为宜。
6.4.2产品藏于清洁、卫生,无异味、有防鼠防虫设备的库内,防止虫害和有害物质的污染及其他损害。
6.4.3保质期:按上述览运条件下,产品保质期为6个月。5
Thttnmfoodmgta
小提示:此标准内容仅展示完整标准里的部分截取内容,若需要完整标准请到上方自行免费下载完整标准文档。
标准图片预览:





- 热门标准
- 水产行业标准(SC)
- SC/T3220-2016 干制对虾
- SC/T9420-2015 水产养殖环境(水体、底泥)中多溴联苯醚的测定 气相色谱-质谱法
- SC/T3309-2016 调味烤酥鱼
- SC/T8045-2015 渔船无线电通信设备修理、安装及调试技术要求
- SC/T3502-2016 鱼油
- SC/T2004-2014 皱纹盘鲍 亲鲍和苗种
- SC/T1118-2014 广东鲂
- SC/T3110-1996 冻虾仁
- SC/T9421-2015 水生生物增殖放流技术规范 日本对虾
- SC/T3702-2014 冷冻鱼糜
- SC/T1006-1992 淡水网箱养鱼通用技术要求
- SC/T9422-2015 水生生物增殖放流技术规范 鲆鲽类
- SC/T1078-2004 中华绒螯蟹配合饲料
- SC/T3010-2001 海带碘含量的测定
- SC/T7209.1-2007 牡蛎小胞虫病诊断规程 第1部分:组织印片的细胞学诊断法
- 行业新闻
请牢记:“bzxz.net”即是“标准下载”四个汉字汉语拼音首字母与国际顶级域名“.net”的组合。 ©2025 标准下载网 www.bzxz.net 本站邮件:bzxznet@163.com
网站备案号:湘ICP备2025141790号-2
网站备案号:湘ICP备2025141790号-2