- 您的位置:
- 标准下载网 >>
- 标准分类 >>
- 轻工行业标准(QB) >>
- QB 1525-1992 制鞋机械产品型号编制方法
标准号:
QB 1525-1992
标准名称:
制鞋机械产品型号编制方法
标准类别:
轻工行业标准(QB)
标准状态:
现行-
发布日期:
1992-06-08 -
实施日期:
1993-02-01 出版语种:
简体中文下载格式:
.rar.pdf下载大小:
257.08 KB
替代情况:
SG 393-84
点击下载
标准简介:
标准下载解压密码:www.bzxz.net
本标准规定了制鞋机械产品型号编制方法本标准适用于制鞋行业中加工皮鞋、旅游鞋的机械设备及鞋的检测仪器。 QB 1525-1992 制鞋机械产品型号编制方法 QB1525-1992
部分标准内容:
中华人民共和国轻工行业标准
制鞋机械产品型号编制方法
Method for compiling types of shoe mechinery1主题内容与适用范围
本标准规定了制鞋机械产品型号编制方法。QB 1525-1992
本标准适用于制鞋行业中加工皮鞋、旅游鞋的机概设备及鞋的检测仪器。2引用标准
QB/T1522制鞋机械设备及仪器术语3技术内容
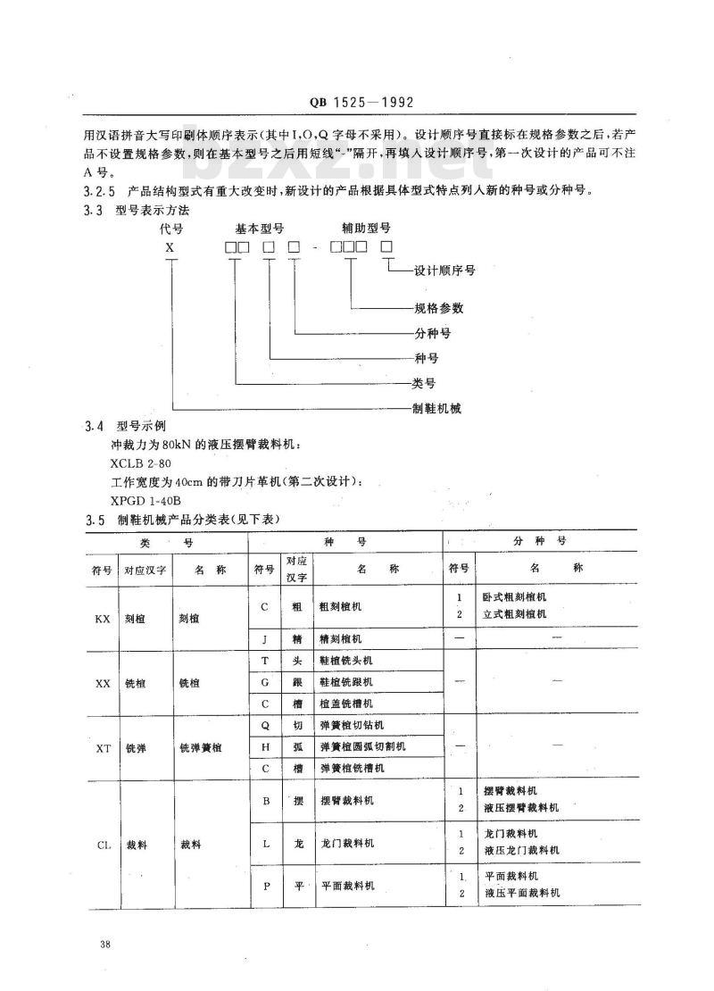
制鞋机械产品术语应符合QB/T1522的规定。3.1型号编制原测
制定本标准目的在于统制鞋机械设备,刀具和仪器的型号命名和制方法。3.2型号编制方法
3.2.1产品型号由制鞋机械产品代号、基本型号、辅助型号三部分组成。制鞋机械代号和基本型号代表的符号直接连写,基本型号和辅助型号之间用短线“”隔开,辅助型号可根据机械产品的实际需要而设置。
3.2.2制鞋机械代号,以鞋”字的汉语拼音“Xie\的学头大写印刷体“X\表示。3.2.3基本型号包括类号、种号、分种号三部分,由二至四个符号组成。3.2.3.1类号表示机械产品在制鞋工艺中的作用,采用工艺名称中具有代表意义的二个汉字,并其汉语拼音第一个字母的大写表示,类号由二个拼音字母组成,直接标在产品代号之后,各类号不重复。3.2.3.2种号表示某工艺作用中不同结构型式特点戴不同功能的机械产品,采用产品名称中具有特征的一个汉字,并取其汉语拼音第个字母的大写表示。种号直接标在类号之后,同一类号中各种号不重复。个别产品名称不具备特征汉字,种号允许空缺。3.2.3.3分种号表示相同主结构型式或相同功能中派生的产品,用阿拉伯数字1,2,3,*顺序表示。分种号直接标在种号之后,若产品无种号可直接标在类号之后。无派生产品时,分种号允许空缺。3.2、4辅助型号表示产品的技术规格、主要性能参数、设计顺序号。技术规格和主要性能参数采用法定计量单位,以其产品具体特征而定。3.2.4.1刻植、铣植机械产品的规格参数表示次加工鞋植的只数。3.2.4.2裁料设备规格参数为冲裁力大小,以千牛顿数表示。3.2.4.3圆刀片革机规格参数为圆形刀的直径,以厘米表示。3.2.4.4平刀片革机、帮刀片革机、皮条编织机、鞋面压花机的规格参数为工作宽度,以厘米表示。3.2.4.5压合机及模压、注塑机械产品的规格参数以其工位数表示。3.2.4.6硫化罐的规格参数以罐的直径乘长度表示,以厘米表示。3.2.4.7为方便型号使用单位更新本单位间产品的需要而设立设计顺序号,它由本单位自行排定,中华人民共和国轻工业部1992-06-08发布1993-02-01实施
QB 1525—1992
用汉语拼音大写印刷体顺序表示(其中I,O,Q字母不采用)。设计顺序号直接标在规格参数之后,若产品不设置规格参数,则在基本型号之后用短线“”隔开,再填人设计顺序号,第一次设计的产品可不注A号。
3.2.5产品结构型式有重大改变时,新设计的产品根据具体型式特点列人新的种号或分种号。3.3型号表示方法
3.4型号示例
基本型号
冲裁力为80kN的液压摆臂裁料机:XCLB 2-80
辅助型号
设计顺序号
规格参数
分种号
-种号wwW.bzxz.Net
制鞋机械
工作宽度为40cm的带刀片革机(第二次设计):XPGD 1-40B
3.5制鞋机械产品分类表(见下表)类
对应汉字
铣弹簧植
粗刻植机
精刻植机
鞋植铣头机
鞋植铣跟机
植盖铣槽机
弹簧植切钻机
弹簧檀圆弧切割机
弹簧植铣槽机
摆臂裁料机
龙门裁料机
平面裁料机
分种号
卧式粗刻植机
立式粗刻植机
摆臂裁料机
液压摆臂裁料机
龙门裁料机
液压龙门裁料机
平面裁料机
液压平面裁料机
对应汉字
QB1525-1992
辊式裁条机
螺旋裁条机
圆刀片革机
平刀片革机
带刀片革机
主跟成型机
沿条成型机
内底碱型机
后帮预成型机
后帮预成型折边机
聚氨酯成型机
帮样成型机
皮条削圆机
皮条上胶机
浸胶机
刷胶机
折边机
光电折边机
电脑折边机
折条机
分种号
螺旋裁条机
圆柱面螺旋裁条机
轻型圆刀片革机
重型圆刀片革机
可变圆刀片革机
程控圆刀片革机
皮条圆刀片革机
平刀片革机
平刀斜片革机
带刀片革机
带刀斜片革机
冷式主跟成型机
热式主跟成型机
冷式后帮预成型机
热式后帮预成型机
冷式后帮预成型折边机
热式后帮预成型折边机
圆盘聚氨酯成型机
刷胶机
外底刷胶机
帮脚内里刷胶机
电脑帮脚刷胶机
对应汉字
DD钉钉
制内包头
鞋面压花
制沿条
QB 1525-1992
皮条继织机
后缝贴带机
衬建压合机
气垫式压合机
整式压合机
自调武压合机
墙武压合机
前后跟压合机
钉鞋眼机
铆钉机
钉内底机
钉鞋龈面机
钉盘条机
钉装饰机
高频热合机
打号机
涂内包头机
粘肉包头机
鞋面压花机
网印机
打孔机
沿铣槽机
片沿条机
沿紧轮纹机
分种号
皮条编织机
电脑皮条编织机
钉鞋机
激钉鞋服机
手动钉鞋眼机
锻钉机
手动铆钉机
半自动外钉龈机
自动外钉机
半自动内钉腿机
自动内钉跟机
万能钉跟机
汽动钉装饰机
符号对应汉字
ZN翻内
Zw制外
BB绷帮
'名称
制内底
制外底
帮面蒸凝
QB 1525--- 1992
内底后跟修整机
内底勾心注塑机
包内底机
内底开槽机
内底切口机
内底起硬机
平面修底机
伤形铣边机
外底开槽机
外底合槽机
外底边涂色机
外底印刷机
外底切斜机
外底打印机
刻跟机
鞋跟挖窝机
后跟刻槽机
帮面蒸湿机
绷前帮机
绷中帮机
绷后帮机
联合绷帮机
拉线绷帮机
拨钉机
播平机
外底打印机
气动外底打印机
钉钉中帮机
胶粘绷中帮机
辊式绷中帮机
卡钉绷中帮机
钉钉绷启帮机
胶粘绷后帮机
钉钉织中后帮机
胶粘织中后帮机
粘钉绷中后帮机
对应汉字
QB 1525--- 1992
瓣脚压平机
后帮脚压平机
混热定型机
真空湿热定型机
冷型机
湿热玲冷定型机
鞋口定型机
缝沿条机
外线机
内线机
侧缝内线机
割脚机
单头削边机
双头翩边机
多头削边机
盘钉机
划线机
赞翔起毛机
外底起毛机
曲顏起毛机
平翻起毛机
燃干箱
活化机
模压机
鞋底注塑机
分种号
气袋式湿热定型机
箱式湿热定型机
气袋式冷定型机
箱式冷定型机
气袋式湿热冷定型机
箱式湿热冷定型机
帮脚内里超毛机
帮糊起毛机
电脑帮脚起毛机
外底起毛机
瀚式外底起趣毛机
立武烘箱
转盘式烘箱
柜式烘箱
圆盘单色鞋底注塑机
对应汉字
Cs传送
冲里边
鞋耐折试验
鞋磨试验
鞋透气性试验
鞋剥离性试验
鞋跟牢度试验
QB15251992
鞋底注塑机
鞋注塑机
闻接式硫化罐
直接式硫化罐
灌胶机
帮面烫平机
凝蜡机
翻光机
拨植机
液压拔谊机
氧动拔机
魔色机
凝印机
冲里边机
籍工传送线
底工传送线
包装传送线
鞋耐折试验机
鞋耐磨试验仪
鞋透气试验仪
鞋剥离试验仪
鞋跟牢度试验仪
仿样机
帮样展平机
干式除尘器
显式除尘群
磨刻檀刀机
黏板修平机
片革机圆刀
分种号
圆盘双色鞋底注塑机
圆盘单色鞋注塑机
圆盘双色鞋注塑机
帮工传送线
分配式帮工传送线
底工传送线
加热式庭工传送线
冷热定型底工传送线
多功能戚工传送线
仿样机
电脑仿样机
注:特殊情况下,有代表意义汉字的第一个拼音字母相同无法错开时,采用其第二个拼音字母。43
附加说明:
本标准由轻工业部技术装备司提出。QB1525-1992
本标准由全国轻工机械标准化技术委员会皮革机械分技术委员会归口。本标准由轻工业部毛皮制革研究所负责起草。本标准主要起草人薄莉莉、李玉环、朱亚男。自本标准实施之日起,原轻工业部部标准SG393--1984《制鞋机械产品型号编制方法》作废。44
小提示:此标准内容仅展示完整标准里的部分截取内容,若需要完整标准请到上方自行免费下载完整标准文档。
制鞋机械产品型号编制方法
Method for compiling types of shoe mechinery1主题内容与适用范围
本标准规定了制鞋机械产品型号编制方法。QB 1525-1992
本标准适用于制鞋行业中加工皮鞋、旅游鞋的机概设备及鞋的检测仪器。2引用标准
QB/T1522制鞋机械设备及仪器术语3技术内容
制鞋机械产品术语应符合QB/T1522的规定。3.1型号编制原测
制定本标准目的在于统制鞋机械设备,刀具和仪器的型号命名和制方法。3.2型号编制方法
3.2.1产品型号由制鞋机械产品代号、基本型号、辅助型号三部分组成。制鞋机械代号和基本型号代表的符号直接连写,基本型号和辅助型号之间用短线“”隔开,辅助型号可根据机械产品的实际需要而设置。
3.2.2制鞋机械代号,以鞋”字的汉语拼音“Xie\的学头大写印刷体“X\表示。3.2.3基本型号包括类号、种号、分种号三部分,由二至四个符号组成。3.2.3.1类号表示机械产品在制鞋工艺中的作用,采用工艺名称中具有代表意义的二个汉字,并其汉语拼音第一个字母的大写表示,类号由二个拼音字母组成,直接标在产品代号之后,各类号不重复。3.2.3.2种号表示某工艺作用中不同结构型式特点戴不同功能的机械产品,采用产品名称中具有特征的一个汉字,并取其汉语拼音第个字母的大写表示。种号直接标在类号之后,同一类号中各种号不重复。个别产品名称不具备特征汉字,种号允许空缺。3.2.3.3分种号表示相同主结构型式或相同功能中派生的产品,用阿拉伯数字1,2,3,*顺序表示。分种号直接标在种号之后,若产品无种号可直接标在类号之后。无派生产品时,分种号允许空缺。3.2、4辅助型号表示产品的技术规格、主要性能参数、设计顺序号。技术规格和主要性能参数采用法定计量单位,以其产品具体特征而定。3.2.4.1刻植、铣植机械产品的规格参数表示次加工鞋植的只数。3.2.4.2裁料设备规格参数为冲裁力大小,以千牛顿数表示。3.2.4.3圆刀片革机规格参数为圆形刀的直径,以厘米表示。3.2.4.4平刀片革机、帮刀片革机、皮条编织机、鞋面压花机的规格参数为工作宽度,以厘米表示。3.2.4.5压合机及模压、注塑机械产品的规格参数以其工位数表示。3.2.4.6硫化罐的规格参数以罐的直径乘长度表示,以厘米表示。3.2.4.7为方便型号使用单位更新本单位间产品的需要而设立设计顺序号,它由本单位自行排定,中华人民共和国轻工业部1992-06-08发布1993-02-01实施
QB 1525—1992
用汉语拼音大写印刷体顺序表示(其中I,O,Q字母不采用)。设计顺序号直接标在规格参数之后,若产品不设置规格参数,则在基本型号之后用短线“”隔开,再填人设计顺序号,第一次设计的产品可不注A号。
3.2.5产品结构型式有重大改变时,新设计的产品根据具体型式特点列人新的种号或分种号。3.3型号表示方法
3.4型号示例
基本型号
冲裁力为80kN的液压摆臂裁料机:XCLB 2-80
辅助型号
设计顺序号
规格参数
分种号
-种号wwW.bzxz.Net
制鞋机械
工作宽度为40cm的带刀片革机(第二次设计):XPGD 1-40B
3.5制鞋机械产品分类表(见下表)类
对应汉字
铣弹簧植
粗刻植机
精刻植机
鞋植铣头机
鞋植铣跟机
植盖铣槽机
弹簧植切钻机
弹簧檀圆弧切割机
弹簧植铣槽机
摆臂裁料机
龙门裁料机
平面裁料机
分种号
卧式粗刻植机
立式粗刻植机
摆臂裁料机
液压摆臂裁料机
龙门裁料机
液压龙门裁料机
平面裁料机
液压平面裁料机
对应汉字
QB1525-1992
辊式裁条机
螺旋裁条机
圆刀片革机
平刀片革机
带刀片革机
主跟成型机
沿条成型机
内底碱型机
后帮预成型机
后帮预成型折边机
聚氨酯成型机
帮样成型机
皮条削圆机
皮条上胶机
浸胶机
刷胶机
折边机
光电折边机
电脑折边机
折条机
分种号
螺旋裁条机
圆柱面螺旋裁条机
轻型圆刀片革机
重型圆刀片革机
可变圆刀片革机
程控圆刀片革机
皮条圆刀片革机
平刀片革机
平刀斜片革机
带刀片革机
带刀斜片革机
冷式主跟成型机
热式主跟成型机
冷式后帮预成型机
热式后帮预成型机
冷式后帮预成型折边机
热式后帮预成型折边机
圆盘聚氨酯成型机
刷胶机
外底刷胶机
帮脚内里刷胶机
电脑帮脚刷胶机
对应汉字
DD钉钉
制内包头
鞋面压花
制沿条
QB 1525-1992
皮条继织机
后缝贴带机
衬建压合机
气垫式压合机
整式压合机
自调武压合机
墙武压合机
前后跟压合机
钉鞋眼机
铆钉机
钉内底机
钉鞋龈面机
钉盘条机
钉装饰机
高频热合机
打号机
涂内包头机
粘肉包头机
鞋面压花机
网印机
打孔机
沿铣槽机
片沿条机
沿紧轮纹机
分种号
皮条编织机
电脑皮条编织机
钉鞋机
激钉鞋服机
手动钉鞋眼机
锻钉机
手动铆钉机
半自动外钉龈机
自动外钉机
半自动内钉腿机
自动内钉跟机
万能钉跟机
汽动钉装饰机
符号对应汉字
ZN翻内
Zw制外
BB绷帮
'名称
制内底
制外底
帮面蒸凝
QB 1525--- 1992
内底后跟修整机
内底勾心注塑机
包内底机
内底开槽机
内底切口机
内底起硬机
平面修底机
伤形铣边机
外底开槽机
外底合槽机
外底边涂色机
外底印刷机
外底切斜机
外底打印机
刻跟机
鞋跟挖窝机
后跟刻槽机
帮面蒸湿机
绷前帮机
绷中帮机
绷后帮机
联合绷帮机
拉线绷帮机
拨钉机
播平机
外底打印机
气动外底打印机
钉钉中帮机
胶粘绷中帮机
辊式绷中帮机
卡钉绷中帮机
钉钉绷启帮机
胶粘绷后帮机
钉钉织中后帮机
胶粘织中后帮机
粘钉绷中后帮机
对应汉字
QB 1525--- 1992
瓣脚压平机
后帮脚压平机
混热定型机
真空湿热定型机
冷型机
湿热玲冷定型机
鞋口定型机
缝沿条机
外线机
内线机
侧缝内线机
割脚机
单头削边机
双头翩边机
多头削边机
盘钉机
划线机
赞翔起毛机
外底起毛机
曲顏起毛机
平翻起毛机
燃干箱
活化机
模压机
鞋底注塑机
分种号
气袋式湿热定型机
箱式湿热定型机
气袋式冷定型机
箱式冷定型机
气袋式湿热冷定型机
箱式湿热冷定型机
帮脚内里超毛机
帮糊起毛机
电脑帮脚起毛机
外底起毛机
瀚式外底起趣毛机
立武烘箱
转盘式烘箱
柜式烘箱
圆盘单色鞋底注塑机
对应汉字
Cs传送
冲里边
鞋耐折试验
鞋磨试验
鞋透气性试验
鞋剥离性试验
鞋跟牢度试验
QB15251992
鞋底注塑机
鞋注塑机
闻接式硫化罐
直接式硫化罐
灌胶机
帮面烫平机
凝蜡机
翻光机
拨植机
液压拔谊机
氧动拔机
魔色机
凝印机
冲里边机
籍工传送线
底工传送线
包装传送线
鞋耐折试验机
鞋耐磨试验仪
鞋透气试验仪
鞋剥离试验仪
鞋跟牢度试验仪
仿样机
帮样展平机
干式除尘器
显式除尘群
磨刻檀刀机
黏板修平机
片革机圆刀
分种号
圆盘双色鞋底注塑机
圆盘单色鞋注塑机
圆盘双色鞋注塑机
帮工传送线
分配式帮工传送线
底工传送线
加热式庭工传送线
冷热定型底工传送线
多功能戚工传送线
仿样机
电脑仿样机
注:特殊情况下,有代表意义汉字的第一个拼音字母相同无法错开时,采用其第二个拼音字母。43
附加说明:
本标准由轻工业部技术装备司提出。QB1525-1992
本标准由全国轻工机械标准化技术委员会皮革机械分技术委员会归口。本标准由轻工业部毛皮制革研究所负责起草。本标准主要起草人薄莉莉、李玉环、朱亚男。自本标准实施之日起,原轻工业部部标准SG393--1984《制鞋机械产品型号编制方法》作废。44
小提示:此标准内容仅展示完整标准里的部分截取内容,若需要完整标准请到上方自行免费下载完整标准文档。
标准图片预览:





- 热门标准
- 轻工行业标准(QB)
- QB/T5302-2018 生活用干纸巾流延聚乙烯(CPE) 包装膜
- QB/T1334-2013 水嘴通用技术条件
- QB/T2609-2003 工业缝纫机漏油的测试方法 第1部分:平缝纫机漏油的测试方法
- QB/T2049.5-1994 电光源玻壳K型玻壳尺寸系列
- QB1872-1993 服装用皮革
- QB/T2858-2007 学生书袋
- QB/T2816-2006 工业用缝纫机单(双)针下送料立柱式平缝机机头
- QB/T5302-2018 生活用干纸巾流延聚乙烯(CPE) 包装膜
- QB/T4702-2014 稀土厚膜电路电热元件
- QB/T2494-2000 双面胶带原纸
- QB/T2530-2001 木制柜
- QB/T1683-1993 铝硅镁质匣钵
- QB/T2157-1995 制革用揩光浆、颜料膏测试方法
- QB/T4916-2016 伊代欣糖(浆)
- QB/T2384-1998 木制写字桌
- 行业新闻
请牢记:“bzxz.net”即是“标准下载”四个汉字汉语拼音首字母与国际顶级域名“.net”的组合。 ©2025 标准下载网 www.bzxz.net 本站邮件:bzxznet@163.com
网站备案号:湘ICP备2025141790号-2
网站备案号:湘ICP备2025141790号-2