- 您的位置:
- 标准下载网 >>
- 标准分类 >>
- 国家标准(GB) >>
- GB 12257-2000 氦氖激光治疗机通用技术条件
标准号:
GB 12257-2000
标准名称:
氦氖激光治疗机通用技术条件
标准类别:
国家标准(GB)
标准状态:
现行-
发布日期:
2000-07-01 -
实施日期:
2000-01-02 出版语种:
简体中文下载格式:
.rar.pdf下载大小:
255.03 KB
替代情况:
GB 12257-1990采标情况:
≈IEC 60601-2-22-1992
点击下载
标准简介:
标准下载解压密码:www.bzxz.net
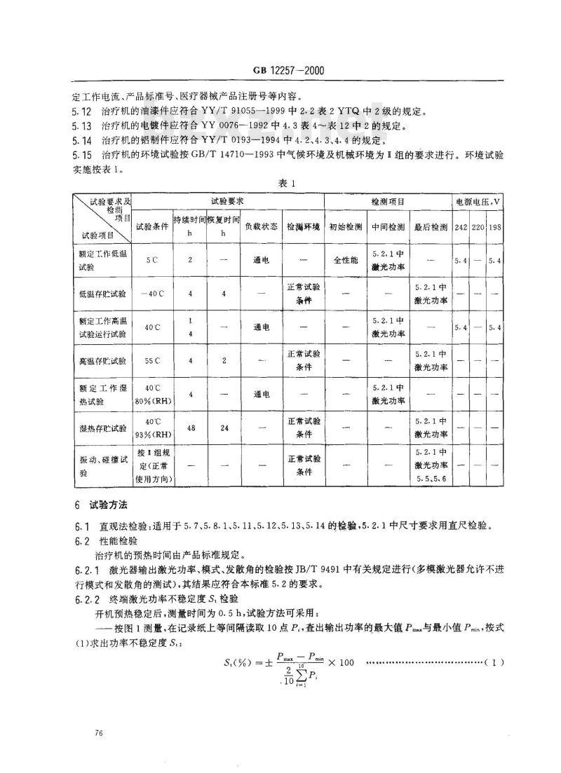
本标准规定了氦氖激光治疗机的分类、要求、试验方法、抽样以及标志、标签、包装的要求。本标准适用于采用输出激光波长为632.8nm的连续波氦氖激光器的治疗机。氦氖激光治疗机主要用于人体的照射治疗。对于具有介入人体器件的治疗机,除应招待本标准的有关规定外,应同时执行专用标准的规定;带有输出激光调制功能的治疗机,制造厂应增加其调制功能的规定。 GB 12257-2000 氦氖激光治疗机通用技术条件 GB12257-2000
标准图片预览:





- 其它标准
- 上一篇: GB 12255-1990 药品包装用铝箔
- 下一篇: GB 12259-1990 人工心肺机
- 热门标准
- 国家标准(GB)
- GB∕T38992-2020 军民通用资源 语义关系分类与表示
- GBZ/T240.20-2011 化学品毒理学评价程序和试验方法 第20部分:亚慢性吸入毒性试验
- GB∕T38117-2019 电动汽车产品使用说明 应急救援
- GB∕T22777-2019 数码信息历
- GB/T43831-2024 棉及化纤纯纺、混纺本色布检验、标志与包装
- GB9330.2-1988 塑料绝缘控制电缆聚氯乙烯绝缘和护套控制电缆
- GB/T28606-2012 涂料中全氟辛酸及其盐的测定 高效液相色谱-串联质谱法
- GB15146.2-1994 反应堆外易裂变材料的核临界安全易裂变材料操作、加工、处理的基本技术准则与次临界限值
- GB/T43749-2024 微束分析 电子探针显微分析 无水碳酸盐矿物的定量分析方法
- GB/T42639-2023 潮间带调查规范
- GB/T16606.3-2009 快递封装用品 第3部分:包装袋
- GB16487.9-2017 进口可用作原料的固体废物环境保护控制标准—废电线电缆
- GB/T42459-2023 信息技术 系统间远程通信和信息交换 局域网和城域网 特定要求 站点和媒体访问控制连通性发现
- GB2987-1982 电子管参数符号
- GB/T24496-2009 钢筋混凝土大板间有连接筋并用混凝土浇灌的键槽式竖向接缝 实验室力学试验 平面内切向荷载的影响
- 行业新闻
请牢记:“bzxz.net”即是“标准下载”四个汉字汉语拼音首字母与国际顶级域名“.net”的组合。 ©2025 标准下载网 www.bzxz.net 本站邮件:bzxznet@163.com
网站备案号:湘ICP备2025141790号-2
网站备案号:湘ICP备2025141790号-2